|
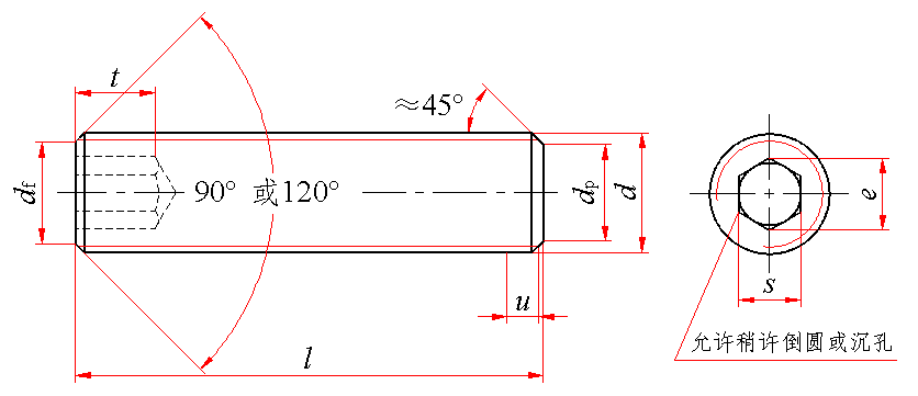
内六角平端紧定螺钉(GB/T 77—2007) mm |
|||||||||||||||||||||||||||
|
|
|||||||||||||||||||||||||||
|
注:对切制内六角,当尺寸达到最大极限时,由于钻孔造成的过切不应超过内六角任何一面长度(t)的20%。 1)公称长度在表中用红色表示的短螺钉应制成120°; 2)45°角仅适用于螺纹小径以内的末端部分; 3)不完整螺纹的长度u≤2P。
|
|||||||||||||||||||||||||||
|
标记示例: 螺纹规格d=M6、公称长度l=12mm、性能等级为45H级、表面氧化的A级内六角平端紧定螺钉的标记: 螺钉 GB/T 77 M6×12 |
|||||||||||||||||||||||||||
|
螺纹规格 d |
螺距 P |
dp |
df |
e min |
s |
l的范围 |
t |
||||||||||||||||||||
|
max |
min |
公称 |
max |
min |
|||||||||||||||||||||||
|
M1.6 |
0.35 |
0.80 |
0.55 |
≈
螺
纹
小
径 |
0.809 |
0.7 |
0.724 |
0.710 |
2 |
0.7 |
|||||||||||||||||
|
2.5~8 |
1.5 |
||||||||||||||||||||||||||
|
M2 |
0.4 |
1.00 |
0.75 |
1.011 |
0.9 |
0.913 |
0.887 |
2~2.5 |
0.8 |
||||||||||||||||||
|
3~10 |
1.7 |
||||||||||||||||||||||||||
|
M2.5 |
0.45 |
1.50 |
1.25 |
1.454 |
1.3 |
1.300 |
1.275 |
2~3 |
1.2 |
||||||||||||||||||
|
4~12 |
2 |
||||||||||||||||||||||||||
|
M3 |
0.5 |
2.00 |
1.75 |
1.733 |
1.5 |
1.58 |
1.52 |
2~3 |
1.2 |
||||||||||||||||||
|
4~16 |
2 |
||||||||||||||||||||||||||
|
M4 |
0.7 |
2.50 |
2.25 |
2.303 |
2 |
2.08 |
2.02 |
2.5~4 |
1.5 |
||||||||||||||||||
|
5~20 |
2.5 |
||||||||||||||||||||||||||
|
M5 |
0.8 |
3.5 |
3.2 |
2.873 |
2.5 |
2.58 |
2.52 |
3~5 |
2 |
||||||||||||||||||
|
6~25 |
3 |
||||||||||||||||||||||||||
|
M6 |
1 |
4.0 |
3.7 |
3.443 |
3 |
3.08 |
3.02 |
4~6 |
2 |
||||||||||||||||||
|
8~30 |
3.5 |
||||||||||||||||||||||||||
|
M8 |
1.25 |
5.5 |
5.2 |
4.583 |
4 |
4.095 |
4.02 |
5~6 |
3 |
||||||||||||||||||
|
8~40 |
5 |
||||||||||||||||||||||||||
|
M10 |
1.5 |
7.00 |
6.64 |
5.723 |
5 |
5.14 |
5.02 |
6~8 |
4 |
||||||||||||||||||
|
10~50 |
6 |
||||||||||||||||||||||||||
|
M12 |
1.75 |
8.50 |
8.14 |
6.863 |
6 |
6.14 |
6.02 |
8~12 |
4.8 |
||||||||||||||||||
|
16~60 |
8 |
||||||||||||||||||||||||||
|
M16 |
2 |
12.00 |
11.57 |
9.149 |
8 |
8.175 |
8.025 |
10~16 |
6.4 |
||||||||||||||||||
|
20~60 |
10 |
||||||||||||||||||||||||||
|
M20 |
2.5 |
15.00 |
14.57 |
11.429 |
10 |
10.175 |
10.025 |
12~16 |
8 |
||||||||||||||||||
|
20~60 |
12 |
||||||||||||||||||||||||||
|
M24 |
3 |
18.00 |
17.57 |
13.716 |
12 |
12.212 |
12.032 |
16~20 |
10 |
||||||||||||||||||
|
25~60 |
15 |
||||||||||||||||||||||||||
|
技术条件 |
材料 |
螺纹公差 |
机械性能等级 |
产品公差等级 |
表面处理 |
||||||||||||||||||||||
|
钢 |
6g |
45H |
A |
不经处理; 氧化; 电镀; 非电解锌片涂层 |
|||||||||||||||||||||||
|
不锈钢 |
A1-12H、A2-21H、A3-21H A4-21H、A5-21H |
简单处理 |
|||||||||||||||||||||||||
|
有色金属 |
CU2、CU3、AL4 |
简单处理; 电镀 |
|||||||||||||||||||||||||
|
公称长度l的商品规格系列: mm |
|||||||||||||||||||||||||||
|
公称 |
2 |
2.5 |
3 |
4 |
5 |
6 |
8 |
10 |
12 |
16 |
20 |
25 |
30 |
35 |
40 |
45 |
50 |
55 |
60 |
||||||||
|
min |
1.8 |
2.3 |
2.8 |
3.76 |
4.76 |
5.76 |
7.71 |
9.71 |
11.65 |
15.65 |
19.58 |
24.58 |
29.58 |
34.5 |
39.5 |
44.5 |
49.5 |
54.4 |
59.4 |
||||||||
|
max |
2.2 |
2.7 |
3.2 |
4.24 |
5.24 |
6.24 |
8.29 |
10.29 |
12.35 |
16.35 |
20.42 |
25.42 |
30.42 |
35.5 |
40.5 |
45.5 |
50.5 |
55.6 |
60.6 |
||||||||
|
质量 kg |
|||||||||||||
|
螺纹规格 |
M1.6 |
M2 |
M2.5 |
M3 |
M4 |
M5 |
M6 |
M8 |
M10 |
M12 |
M16 |
M20 |
M24 |
|
公称长度/mm |
每1000件钢制品的质量≈ |
||||||||||||
|
2 |
0.021 |
0.029 |
0.05 |
0.059 |
|
|
|
|
|
|
|
|
|
|
2.5 |
0.025 |
0.037 |
0.063 |
0.080 |
0.099 |
|
|
|
|
|
|
|
|
|
3 |
0.029 |
0.044 |
0.075 |
0.100 |
0.400 |
0.200 |
|
|
|
|
|
|
|
|
4 |
0.037 |
0.059 |
0.100 |
0.140 |
0.220 |
0.320 |
0.410 |
|
|
|
|
|
|
|
5 |
0.046 |
0.074 |
0.125 |
0.180 |
0.300 |
0.440 |
0.585 |
0.945 |
|
|
|
|
|
|
6 |
0.054 |
0.089 |
0.150 |
0.220 |
0.380 |
0.560 |
0.760 |
1.26 |
1.77 |
|
|
|
|
|
8 |
0.070 |
0.119 |
0.199 |
0.300 |
0.540 |
0.800 |
1.11 |
1.89 |
2.78 |
4.00 |
|
|
|
|
10 |
|
0.148 |
0.249 |
0.380 |
0.700 |
1.04 |
1.46 |
2.52 |
3.78 |
5.40 |
8.50 |
|
|
|
12 |
|
|
0.299 |
0.460 |
0.860 |
1.28 |
1.81 |
3.15 |
4.78 |
6.80 |
11.1 |
15.8 |
|
|
16 |
|
|
|
0.620 |
1.18 |
1.76 |
2.51 |
4.41 |
6.78 |
9.60 |
16.3 |
24.1 |
30.0 |
|
20 |
|
|
|
|
1.49 |
2.24 |
3.21 |
5.67 |
8.76 |
12.4 |
21.5 |
32.3 |
42.0 |
|
25 |
|
|
|
|
|
2.84 |
4.09 |
7.25 |
11.2 |
15.9 |
28.0 |
42.6 |
57.0 |
|
30 |
|
|
|
|
|
|
4.97 |
8.82 |
13.7 |
19.4 |
34.6 |
52.9 |
72.0 |
|
35 |
|
|
|
|
|
|
|
10.4 |
16.2 |
22.9 |
41.1 |
63.2 |
87.0 |
|
40 |
|
|
|
|
|
|
|
12.0 |
18.7 |
26.4 |
47.7 |
73.5 |
102 |
|
45 |
|
|
|
|
|
|
|
|
21.2 |
29.9 |
54.2 |
83.8 |
117 |
|
50 |
|
|
|
|
|
|
|
|
23.7 |
33.4 |
60.7 |
94.1 |
132 |
|
55 |
|
|
|
|
|
|
|
|
|
36.8 |
67.3 |
104 |
147 |
|
60 |
|
|
|
|
|
|
|
|
|
40.3 |
73.7 |
115 |
162 |

