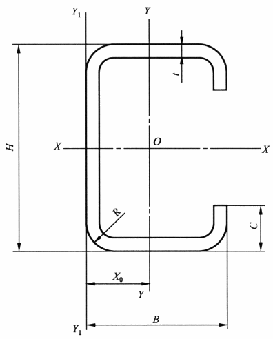
冷弯内卷边槽钢的基本尺寸与主要参数(GB/T 6723—2017) | |||||||||||||||||||||||||||||||||||||
|
| ||||||||||||||||||||||||||||||||||||
规 格 | 尺寸/mm | 理论 重量 /(kg/m) | 截面 面积 /cm2 | 重心 /cm | 惯性矩 /cm4 | 回转半径 /cm | 截面模数 /cm3 | ||||||||||||||||||||||||||||||
H×B×C×t | H | B | C | t | X0 | Ix | Iy | rx | ry | Wx | Wy max | Wy min | |||||||||||||||||||||||||
60×30×10×2.5 | 60 | 30 | 10 | 2.5 | 2.363 | 3.010 | 1.043 | 16.009 | 3.353 | 2.306 | 1.055 | 5.336 | 3.214 | 1.713 | |||||||||||||||||||||||
60×30×10×3.0 | 3.0 | 2.743 | 3.495 | 1.036 | 18.077 | 3.688 | 2.274 | 1.027 | 6.025 | 3.559 | 1.878 | ||||||||||||||||||||||||||
80×40×15×2.0 | 80 | 40 | 15 | 2.0 | 2.72 | 3.47 | 1.452 | 34.16 | 7.79 | 3.14 | 1.50 | 8.54 | 5.36 | 3.06 | |||||||||||||||||||||||
100×50×15×2.5 | 100 | 50 | 15 | 2.5 | 4.11 | 5.23 | 1.706 | 81.34 | 17.19 | 3.94 | 1.81 | 16.27 | 10.08 | 5.22 | |||||||||||||||||||||||
100×50×20×2.5 | 100 | 50 | 20 | 2.5 | 4.325 | 5.510 | 1.853 | 84.932 | 19.889 | 3.925 | 1.899 | 16.986 | 10.730 | 6.321 | |||||||||||||||||||||||
100×50×20×3.0 | 3.0 | 5.098 | 6.495 | 1.848 | 98.560 | 22.802 | 3.895 | 1.873 | 19.712 | 12.333 | 7.235 | ||||||||||||||||||||||||||
120×50×20×2.5 | 120 | 50 | 20 | 2.5 | 4.70 | 5.98 | 1.706 | 129.40 | 20.96 | 4.56 | 1.87 | 21.57 | 12.28 | 6.36 | |||||||||||||||||||||||
120×60×20×3.0 | 120 | 60 | 20 | 3.0 | 6.01 | 7.65 | 2.106 | 170.68 | 37.36 | 4.72 | 2.21 | 28.45 | 17.74 | 9.59 | |||||||||||||||||||||||
140×50×20×2.0 | 140 | 50 | 20 | 2.0 | 4.14 | 5.27 | 1.590 | 154.03 | 18.56 | 5.41 | 1.88 | 22.00 | 11.68 | 5.44 | |||||||||||||||||||||||
140×50×20×2.5 | 140 | 50 | 20 | 2.5 | 5.09 | 6.48 | 1.580 | 186.78 | 22.11 | 5.39 | 1.85 | 26.68 | 13.96 | 6.47 | |||||||||||||||||||||||
140×60×20×2.5 | 140 | 60 | 20 | 2.5 | 5.503 | 7.010 | 1.974 | 212.137 | 34.786 | 5.500 | 2.227 | 30.305 | 17.615 | 8.642 | |||||||||||||||||||||||
140×60×20×3.0 | 3.0 | 6.511 | 8.295 | 1.969 | 248.006 | 40.132 | 5.467 | 2.199 | 35.429 | 20.379 | 9.956 | ||||||||||||||||||||||||||
160×60×20×2.0 | 160 | 60 | 20 | 2.0 | 4.76 | 6.07 | 1.850 | 236.59 | 29.99 | 6.24 | 2.22 | 29.57 | 16.19 | 7.23 | |||||||||||||||||||||||
160×60×20×2.5 | 2.5 | 5.87 | 7.48 | 1.850 | 288.13 | 35.90 | 6.21 | 2.19 | 36.02 | 19.47 | 8.66 | ||||||||||||||||||||||||||
160×70×20×3.0 | 160 | 70 | 20 | 3.0 | 7.42 | 9.45 | 2.224 | 373.64 | 60.42 | 6.29 | 2.53 | 46.71 | 27.17 | 12.65 | |||||||||||||||||||||||
180×60×20×3.0 | 180 | 60 | 20 | 3.0 | 7.453 | 9.495 | 1.739 | 449.695 | 43.611 | 6.881 | 2.143 | 49.966 | 25.073 | 10.235 | |||||||||||||||||||||||
180×70×20×3.0 | 70 | 7.924 | 10.095 | 2.106 | 496.693 | 63.712 | 7.014 | 2.512 | 55.188 | 30.248 | 13.019 | ||||||||||||||||||||||||||
180×70×20×2.0 | 180 | 70 | 20 | 2.0 | 5.39 | 6.87 | 2.110 | 343.93 | 45.18 | 7.08 | 2.57 | 38.21 | 21.37 | 9.25 | |||||||||||||||||||||||
180×70×20×2.5 | 180 | 70 | 20 | 2.5 | 6.66 | 9.48 | 2.110 | 420.20 | 54.42 | 7.04 | 2.53 | 46.69 | 25.82 | 11.12 | |||||||||||||||||||||||
200×60×20×3.0 | 200 | 60 | 20 | 3.0 | 7.924 | 10.095 | 1.644 | 578.425 | 45.041 | 7.569 | 2.112 | 57.842 | 27.382 | 10.342 | |||||||||||||||||||||||
200×70×20×2.5 | 200 | 70 | 20 | 2.5 | 7.05 | 8.98 | 2.000 | 538.21 | 56.27 | 7.74 | 2.50 | 53.82 | 28.18 | 11.25 | |||||||||||||||||||||||
200×70×20×3.0 | 3.0 | 8.395 | 10.695 | 1.996 | 636.643 | 65.883 | 7.715 | 2.481 | 63.664 | 32.999 | 13.167 | ||||||||||||||||||||||||||
220×75×20×2.0 | 220 | 75 | 20 | 2.0 | 6.18 | 7.87 | 2.080 | 574.45 | 56.88 | 8.54 | 2.69 | 52.22 | 27.35 | 10.50 | |||||||||||||||||||||||
220×75×20×2.5 | 220 | 75 | 20 | 2.5 | 7.64 | 9.73 | 2.070 | 703.76 | 68.66 | 8.50 | 2.66 | 63.98 | 33.11 | 12.56 | |||||||||||||||||||||||
250×40×15×3.0 | 250 | 40 | 15 | 3.0 | 7.924 | 10.095 | 0.790 | 773.495 | 14.809 | 8.753 | 1.211 | 61.879 | 18.734 | 4.614 | |||||||||||||||||||||||
300×40×15×3.0 | 300 | 40 | 9.102 | 11.595 | 0.707 | 1231.616 | 15.356 | 10.306 | 1.150 | 82.107 | 21.700 | 4.664 | |||||||||||||||||||||||||
400×50×15×3.0 | 400 | 50 | 11.928 | 15.195 | 0.783 | 2837.843 | 28.888 | 13.666 | 1.378 | 141.892 | 36.879 | 6.851 | |||||||||||||||||||||||||
450×70×30×6.0 | 450 | 70 | 30 | 6.0 | 28.092 | 36.015 | 1.421 | 8796.963 | 159.703 | 15.629 | 2.106 | 390.976 | 112.388 | 28.626 | |||||||||||||||||||||||
450×70×30×8.0 | 8.0 | 36.421 | 46.693 | 1.429 | 11030.645 | 182.734 | 15.370 | 1.978 | 490.251 | 127.875 | 32.801 | ||||||||||||||||||||||||||
500×100×40×6.0 | 500 | 100 | 40 | 6.0 | 34.176 | 43.815 | 2.297 | 14275.246 | 479.809 | 18.050 | 3.309 | 571.010 | 208.885 | 62.289 | |||||||||||||||||||||||
500×100×40×8.0 | 8.0 | 44.533 | 57.093 | 2.293 | 18150.796 | 578.026 | 17.830 | 3.182 | 726.032 | 252.083 | 75.000 | ||||||||||||||||||||||||||
500×100×40×10 | 10 | 54.372 | 69.708 | 2.289 | 21594.366 | 648.778 | 17.601 | 3.051 | 863.775 | 283.433 | 84.137 | ||||||||||||||||||||||||||
550×120×50×8.0 | 550 | 120 | 50 | 8.0 | 51.397 | 65.893 | 2.940 | 26259.069 | 1069.797 | 19.963 | 4.029 | 954.875 | 363.877 | 118.079 | |||||||||||||||||||||||
550×120×50×10 | 10 | 62.952 | 80.708 | 2.933 | 31484.498 | 1229.103 | 19.751 | 3.902 | 1144.891 | 419.060 | 135.558 | ||||||||||||||||||||||||||
550×120×50×12 | 12 | 73.990 | 94.859 | 2.926 | 36186.756 | 1349.879 | 19.531 | 3.772 | 1315.882 | 461.339 | 148.763 | ||||||||||||||||||||||||||
600×150×60×12 | 600 | 150 | 60 | 12 | 86.158 | 110.459 | 3.902 | 54745.539 | 2755.348 | 21.852 | 4.994 | 1824.851 | 706.137 | 248.274 | |||||||||||||||||||||||
600×150×60×14 | 14 | 97.395 | 124.865 | 3.840 | 57733.224 | 2867.742 | 21.503 | 4.792 | 1924.441 | 746.808 | 256.966 | ||||||||||||||||||||||||||
600×150×60×16 | 16 | 109.025 | 139.775 | 3.819 | 63178.379 | 3010.816 | 21.260 | 4.641 | 2105.946 | 788.378 | 269.280 | ||||||||||||||||||||||||||

