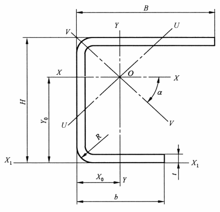
冷弯不等边槽钢的基本尺寸与主要参数(GB/T 6723—2017) | |||||||||||||||||||||||||||||||||||||||||
|
| ||||||||||||||||||||||||||||||||||||||||
规 格 | 尺寸/mm | 理论重量 /(kg/m) | 截面面积 /cm2 | 重心/cm | 惯性矩/cm4 | ||||||||||||||||||||||||||||||||||||
H×B×b×t | H | B | b | t | X0 | Y0 | Ix | Iy | Iu | Iv | |||||||||||||||||||||||||||||||
50×32×20×2.5 | 50 | 32 | 20 | 2.5 | 1.840 | 2.344 | 0.817 | 2.803 | 8.536 | 1.853 | 8.769 | 1.619 | |||||||||||||||||||||||||||||
50×32×20×3.0 | 3.0 | 2.169 | 2.764 | 0.842 | 2.806 | 9.804 | 2.155 | 10.083 | 1.876 | ||||||||||||||||||||||||||||||||
80×40×20×2.5 | 80 | 40 | 20 | 2.6 | 2.586 | 3.294 | 0.828 | 4.588 | 28.922 | 3.775 | 29.607 | 3.090 | |||||||||||||||||||||||||||||
80×40×20×3.0 | 3.0 | 3.064 | 3.904 | 0.852 | 4.591 | 33.654 | 4.431 | 34.473 | 3.611 | ||||||||||||||||||||||||||||||||
100×60×30×3.0 | 100 | 50 | 30 | 3.0 | 4.242 | 5.404 | 1.326 | 5.807 | 77.936 | 14.880 | 80.845 | 11.970 | |||||||||||||||||||||||||||||
150×60×50×3.0 | 150 | 50 | 5.890 | 7.504 | 1.304 | 7.793 | 245.876 | 21.452 | 246.257 | 21.071 | |||||||||||||||||||||||||||||||
200×70×60×4.0 | 200 | 70 | 60 | 4.0 | 9.832 | 12.605 | 1.469 | 10.311 | 706.995 | 47.735 | 707.582 | 47.149 | |||||||||||||||||||||||||||||
200×70×60×5.0 | 5.0 | 12.061 | 15.463 | 1.527 | 10.315 | 848.963 | 57.959 | 849.689 | 57.233 | ||||||||||||||||||||||||||||||||
250×80×70×5.0 | 250 | 80 | 70 | 5.0 | 14.791 | 18.963 | 1.647 | 12.823 | 1616.200 | 92.101 | 1617.030 | 91.271 | |||||||||||||||||||||||||||||
250×80×70×6.0 | 6.0 | 17.555 | 22.507 | 1.696 | 12.825 | 1891.478 | 108.125 | 1892.465 | 107.139 | ||||||||||||||||||||||||||||||||
300×90×80×6.0 | 300 | 90 | 80 | 6.0 | 20.831 | 26.707 | 1.822 | 15.330 | 3222.869 | 161.726 | 3223.981 | 160.613 | |||||||||||||||||||||||||||||
300×90×80×8.0 | 8.0 | 27.259 | 34.947 | 1.918 | 15.334 | 4115.825 | 207.555 | 4117.270 | 206.110 | ||||||||||||||||||||||||||||||||
350×100×90×6.0 | 350 | 100 | 90 | 6.0 | 24.107 | 30.907 | 1.953 | 17.834 | 5064.502 | 230.463 | 5065.739 | 229.226 | |||||||||||||||||||||||||||||
350×100×90×8.0 | 8.0 | 31.627 | 40.547 | 2.048 | 17.837 | 6506.423 | 297.082 | 6508.041 | 295.464 | ||||||||||||||||||||||||||||||||
400×150×100×8.0 | 400 | 160 | 100 | 8.0 | 38.491 | 49.347 | 2.882 | 21.589 | 10787.704 | 763.610 | 10843.850 | 707.463 | |||||||||||||||||||||||||||||
400×150×100×10 | 10 | 47.466 | 60.854 | 2.981 | 21.602 | 13071.444 | 931.170 | 13141.358 | 861.255 | ||||||||||||||||||||||||||||||||
400×200×150×10 | 450 | 200 | 150 | 10 | 59.166 | 75.854 | 4.402 | 23.950 | 22328.149 | 2337.132 | 22430.862 | 2234.420 | |||||||||||||||||||||||||||||
400×200×150×12 | 12 | 70.223 | 90.030 | 4.504 | 23.960 | 26133.270 | 2750.039 | 26256.075 | 2627.235 | ||||||||||||||||||||||||||||||||
500×250×200×12 | 500 | 250 | 200 | 12 | 84.263 | 108.030 | 6.008 | 26.355 | 40821.990 | 5579.208 | 40985.443 | 5415.752 | |||||||||||||||||||||||||||||
500×250×200×14 | 14 | 96.746 | 124.033 | 6.159 | 26.371 | 46087.838 | 6369.068 | 46277.561 | 6179.346 | ||||||||||||||||||||||||||||||||
550×300×250×14 | 550 | 300 | 250 | 14 | 113.126 | 145.033 | 7.714 | 28.794 | 67847.216 | 11314.348 | 68086.256 | 11075.308 | |||||||||||||||||||||||||||||
550×300×250×16 | 16 | 128.144 | 164.287 | 7.831 | 28.800 | 76016.861 | 12738.984 | 76288.341 | 12467.503 | ||||||||||||||||||||||||||||||||
名 称 | 回转半径/cm | 截面系数/cm3 | |||||||||||||||||||||||||||||||||||||||
H×B×b×t | rx | ry | ru | rv | Wx max | Wx min | Wy max | Wy min | |||||||||||||||||||||||||||||||||
50×32×20×2.5 | 1.908 | 0.889 | 1.934 | 0.831 | 3.887 | 3.044 | 2.266 | 0.777 | |||||||||||||||||||||||||||||||||
50×32×20×3.0 | 1.883 | 0.883 | 1.909 | 0.823 | 4.468 | 3.494 | 2.559 | 0.914 | |||||||||||||||||||||||||||||||||
80×40×20×2.5 | 2.962 | 1.070 | 2.997 | 0.968 | 8.476 | 6.303 | 4.555 | 1.190 | |||||||||||||||||||||||||||||||||
80×40×20×3.0 | 2.936 | 1.065 | 2.971 | 0.961 | 9.874 | 7.329 | 5.200 | 1.407 | |||||||||||||||||||||||||||||||||
100×60×30×3.0 | 3.797 | 1.659 | 3.867 | 1.488 | 18.590 | 13.419 | 11.220 | 3.183 | |||||||||||||||||||||||||||||||||
150×60×50×3.0 | 5.724 | 1.690 | 5.728 | 1.675 | 34.120 | 31.547 | 16.440 | 4.569 | |||||||||||||||||||||||||||||||||
200×70×60×4.0 | 7.489 | 1.946 | 7.492 | 1.934 | 72.969 | 68.567 | 32.495 | 8.630 | |||||||||||||||||||||||||||||||||
200×70×60×5.0 | 7.410 | 1.936 | 7.413 | 1.924 | 87.658 | 82.304 | 37.956 | 10.590 | |||||||||||||||||||||||||||||||||
250×80×70×5.0 | 9.232 | 2.204 | 9.234 | 2.194 | 132.726 | 126.039 | 55.920 | 14.497 | |||||||||||||||||||||||||||||||||
250×80×70×6.0 | 9.167 | 2.192 | 9.170 | 2.182 | 155.358 | 147.484 | 63.753 | 17.152 | |||||||||||||||||||||||||||||||||
300×90×80×6.0 | 10.986 | 2.461 | 10.987 | 2.452 | 219.691 | 210.233 | 88.763 | 22.531 | |||||||||||||||||||||||||||||||||
300×90×80×8.0 | 10.852 | 2.437 | 10.854 | 2.429 | 280.637 | 268.412 | 108.214 | 29.307 | |||||||||||||||||||||||||||||||||
350×100×90×6.0 | 12.801 | 2.731 | 12.802 | 2.723 | 295.031 | 283.980 | 118.005 | 28.640 | |||||||||||||||||||||||||||||||||
350×100×90×8.0 | 12.668 | 2.707 | 12.669 | 2.699 | 379.096 | 364.771 | 145.060 | 37.359 | |||||||||||||||||||||||||||||||||
400×150×100×8.0 | 14.786 | 3.934 | 14.824 | 3.786 | 585.938 | 499.685 | 264.958 | 63.015 | |||||||||||||||||||||||||||||||||
400×150×100×10 | 14.656 | 3.912 | 14.695 | 3.762 | 710.482 | 605.103 | 312.368 | 77.475 | |||||||||||||||||||||||||||||||||
400×200×150×10 | 17.157 | 5.551 | 17.196 | 5.427 | 1060.720 | 932.282 | 530.925 | 149.835 | |||||||||||||||||||||||||||||||||
400×200×150×12 | 17.037 | 5.527 | 17.077 | 5.402 | 1242.076 | 1090.704 | 610.577 | 177.468 | |||||||||||||||||||||||||||||||||
500×250×200×12 | 19.439 | 7.186 | 19.478 | 7.080 | 1726.453 | 1548.928 | 928.630 | 293.766 | |||||||||||||||||||||||||||||||||
500×250×200×14 | 19.276 | 7.166 | 19.306 | 7.058 | 1950.478 | 1747.671 | 1034.107 | 338.043 | |||||||||||||||||||||||||||||||||
550×300×250×14 | 21.629 | 8.832 | 21.667 | 8.739 | 2588.995 | 2356.297 | 1466.729 | 507.689 | |||||||||||||||||||||||||||||||||
550×300×250×16 | 21.511 | 8.806 | 21.549 | 8.711 | 2901.407 | 2639.474 | 1626.738 | 574.631 | |||||||||||||||||||||||||||||||||

