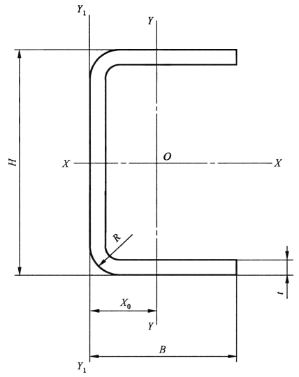
冷弯等边槽钢的基本尺寸与主要参数(GB/T 6723—2017) | ||||||||||||||||||||||||||||||||||||
|
| |||||||||||||||||||||||||||||||||||
规 格 | 尺寸/mm | 理论 重量 /(kg/m) | 截面 面积 /cm2 | 重心 X0 /cm | 惯性矩/cm4 | 回转半径/cm | 截面系数/cm3 | |||||||||||||||||||||||||||||
H×B×t | H | B | t | Ix | Iy | rx | ry | Wx | Wy max | Wy min | ||||||||||||||||||||||||||
20×10×1.5 | 20 | 10 | 1.5 | 0.401 | 0.511 | 0.324 | 0.281 | 0.047 | 0.741 | 0.305 | 0.281 | 0.146 | 0.070 | |||||||||||||||||||||||
20×10×2.0 | 2.0 | 0.505 | 0.643 | 0.349 | 0.330 | 0.058 | 0.716 | 0.300 | 0.330 | 0.165 | 0.089 | |||||||||||||||||||||||||
50×30×2.0 | 50 | 30 | 2.0 | 1.604 | 2.043 | 0.922 | 8.093 | 1.872 | 1.990 | 0.957 | 3.237 | 2.029 | 0.901 | |||||||||||||||||||||||
50×30×3.0 | 3.0 | 2.314 | 2.947 | 0.975 | 11.119 | 2.632 | 1.942 | 0.994 | 4.447 | 2.699 | 1.299 | |||||||||||||||||||||||||
50×50×3.0 | 50 | 3.0 | 3.256 | 4.147 | 1.850 | 17.755 | 10.834 | 2.069 | 1.616 | 7.102 | 5.855 | 3.440 | ||||||||||||||||||||||||
60×30×2.5 | 60 | 30 | 2.5 | 2.15 | 2.74 | 0.883 | 14.38 | 2.40 | 2.31 | 0.94 | 4.89 | 2.71 | 1.13 | |||||||||||||||||||||||
80×40×2.5 | 80 | 40 | 2.5 | 2.94 | 3.74 | 1.132 | 36.70 | 5.92 | 3.13 | 1.26 | 9.18 | 5.23 | 2.06 | |||||||||||||||||||||||
80×40×3.0 | 3.0 | 3.48 | 4.34 | 1.109 | 42.66 | 6.93 | 3.10 | 1.25 | 10.67 | 5.98 | 2.44 | |||||||||||||||||||||||||
100×40×2.5 | 100 | 40 | 2.5 | 3.33 | 4.24 | 1.013 | 62.07 | 6.37 | 3.83 | 1.23 | 12.41 | 6.29 | 2.13 | |||||||||||||||||||||||
100×40×3.0 | 3.0 | 3.95 | 5.03 | 1.039 | 72.44 | 7.47 | 3.80 | 1.22 | 14.49 | 7.19 | 2.52 | |||||||||||||||||||||||||
100×50×3.0 | 100 | 50 | 3.0 | 4.433 | 5.647 | 1.398 | 87.275 | 14.030 | 3.931 | 1.576 | 17.455 | 10.031 | 3.896 | |||||||||||||||||||||||
100×50×4.0 | 4.0 | 5.788 | 7.373 | 1.448 | 111.051 | 18.045 | 3.880 | 1.564 | 22.210 | 12.458 | 5.081 | |||||||||||||||||||||||||
120×40×2.5 | 120 | 40 | 2.5 | 3.72 | 4.74 | 0.919 | 95.92 | 6.72 | 4.50 | 1.19 | 15.99 | 7.32 | 2.18 | |||||||||||||||||||||||
120×40×3.0 | 3.0 | 4.42 | 5.63 | 0.944 | 112.8 | 7.90 | 4.47 | 1.19 | 18.71 | 8.37 | 2.58 | |||||||||||||||||||||||||
140×50×3.0 | 140 | 50 | 3.0 | 5.36 | 6.83 | 1.187 | 191.53 | 15.52 | 5.30 | 1.51 | 27.36 | 13.08 | 4.07 | |||||||||||||||||||||||
140×50×3.5 | 3.5 | 6.20 | 7.89 | 1.211 | 218.88 | 17.79 | 5.27 | 1.50 | 31.27 | 14.69 | 4.70 | |||||||||||||||||||||||||
140×60×3.0 | 140 | 60 | 3.0 | 5.846 | 7.447 | 1.527 | 220.977 | 25.929 | 5.447 | 1.865 | 31.568 | 16.970 | 5.798 | |||||||||||||||||||||||
140×60×4.0 | 4.0 | 7.672 | 9.773 | 1.575 | 284.429 | 33.601 | 5.394 | 1.854 | 40.632 | 21.324 | 7.594 | |||||||||||||||||||||||||
140×60×5.0 | 5.0 | 9.436 | 12.021 | 1.623 | 343.066 | 40.823 | 5.342 | 1.842 | 49.009 | 25.145 | 9.327 | |||||||||||||||||||||||||
160×60×3.0 | 160 | 60 | 3.0 | 6.30 | 8.03 | 1.432 | 300.87 | 26.90 | 6.12 | 1.83 | 37.61 | 18.79 | 5.89 | |||||||||||||||||||||||
160×60×3.5 | 3.5 | 7.20 | 9.29 | 1.456 | 344.94 | 30.92 | 6.09 | 1.82 | 43.12 | 21.23 | 6.81 | |||||||||||||||||||||||||
200×80×4.0 | 200 | 80 | 4.0 | 10.812 | 13.773 | 1.966 | 821.120 | 83.686 | 7.721 | 2.464 | 82.112 | 42.564 | 13.869 | |||||||||||||||||||||||
200×80×5.0 | 5.0 | 13.361 | 17.021 | 2.013 | 1000.710 | 102.441 | 7.667 | 2.453 | 100.071 | 50.886 | 17.111 | |||||||||||||||||||||||||
200×80×6.0 | 6.0 | 15.849 | 20.190 | 2.060 | 1170.516 | 120.388 | 7.614 | 2.441 | 117.051 | 58.436 | 20.267 | |||||||||||||||||||||||||
250×130×6.0 | 250 | 130 | 6.0 | 22.703 | 29.107 | 3.630 | 2876.401 | 497.071 | 9.941 | 4.132 | 230.112 | 136.934 | 53.049 | |||||||||||||||||||||||
250×130×8.0 | 8.0 | 29.755 | 38.147 | 3.739 | 3687.729 | 642.760 | 9.832 | 4.105 | 295.018 | 171.907 | 69.405 | |||||||||||||||||||||||||
300×150×6.0 | 300 | 150 | 6.0 | 26.915 | 34.507 | 4.062 | 4911.518 | 782.884 | 11.930 | 4.763 | 327.435 | 192.734 | 71.575 | |||||||||||||||||||||||
300×150×8.0 | 8.0 | 35.371 | 45.347 | 4.169 | 6337.148 | 1017.186 | 11.822 | 4.736 | 422.477 | 243.988 | 93.914 | |||||||||||||||||||||||||
300×150×10 | 10 | 43.566 | 55.854 | 4.277 | 7660.498 | 1238.423 | 11.711 | 4.708 | 510.700 | 289.554 | 115.492 | |||||||||||||||||||||||||
350×180×8.0 | 350 | 180 | 8.0 | 42.235 | 54.147 | 4.983 | 10488.540 | 1771.765 | 13.918 | 5.721 | 599.345 | 355.562 | 136.112 | |||||||||||||||||||||||
350×180×10 | 10 | 52.146 | 66.854 | 5.092 | 12749.074 | 2166.713 | 13.809 | 5.693 | 728.519 | 425.513 | 167.858 | |||||||||||||||||||||||||
350×180×12 | 12 | 61.799 | 79.230 | 5.501 | 14869.892 | 2542.823 | 13.700 | 5.665 | 849.708 | 462.247 | 203.442 | |||||||||||||||||||||||||
400×200×10 | 400 | 200 | 10 | 59.166 | 75.854 | 5.522 | 18932.658 | 3033.575 | 15.799 | 6.324 | 946.633 | 549.362 | 209.530 | |||||||||||||||||||||||
400×200×12 | 12 | 70.223 | 90.030 | 5.630 | 22159.727 | 3569.548 | 15.689 | 6.297 | 1107.986 | 634.022 | 248.403 | |||||||||||||||||||||||||
400×200×14 | 14 | 80.366 | 103.033 | 5.791 | 24854.034 | 4051.828 | 15.531 | 6.271 | 1242.702 | 699.677 | 285.159 | |||||||||||||||||||||||||
450×220×10 | 450 | 220 | 10 | 66.186 | 84.854 | 5.956 | 26844.416 | 4103.714 | 17.787 | 6.954 | 1193.085 | 689.005 | 255.779 | |||||||||||||||||||||||
450×220×12 | 12 | 78.647 | 100.830 | 6.063 | 31506.135 | 4838.741 | 17.676 | 6.927 | 1400.273 | 798.077 | 303.617 | |||||||||||||||||||||||||
450×220×14 | 14 | 90.194 | 115.633 | 6.219 | 35494.843 | 5510.415 | 17.520 | 6.903 | 1577.549 | 886.061 | 349.180 | |||||||||||||||||||||||||
500×250×12 | 500 | 250 | 12 | 88.943 | 114.030 | 6.876 | 44593.265 | 7137.673 | 19.775 | 7.912 | 1783.731 | 1038.056 | 393.824 | |||||||||||||||||||||||
500×250×14 | 14 | 102.206 | 131.033 | 7.032 | 50455.689 | 8152.938 | 19.623 | 7.888 | 2018.228 | 1159.405 | 453.748 | |||||||||||||||||||||||||
550×280×12 | 550 | 280 | 12 | 99.239 | 127.230 | 7.691 | 60862.568 | 10068.396 | 21.872 | 8.896 | 2213.184 | 1309.114 | 495.760 | |||||||||||||||||||||||
550×280×14 | 14 | 114.218 | 146.433 | 7.846 | 69095.642 | 11527.579 | 21.722 | 8.873 | 2512.569 | 1469.230 | 571.975 | |||||||||||||||||||||||||
600×300×14 | 600 | 300 | 14 | 124.046 | 159.033 | 8.276 | 89412.972 | 14364.512 | 23.711 | 9.504 | 2980.432 | 1735.683 | 661.228 | |||||||||||||||||||||||
600×300×16 | 16 | 140.624 | 180.287 | 8.392 | 100367.430 | 16191.032 | 23.595 | 9.477 | 3345.581 | 1929.341 | 749.307 | |||||||||||||||||||||||||

