|
六角法兰面螺栓—加大系列—细杆—B级(GB/T 5790—1986) mm |
|||||||||||||||
|
|
|||||||||||||||
|
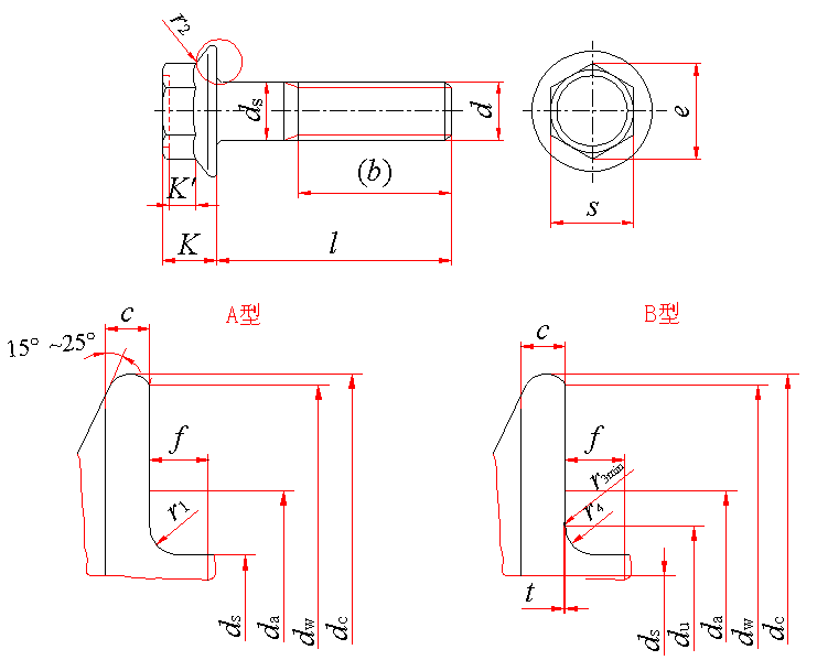
末端按GB2规定;lgmax=l公称—b参考;lsmin=lgmax—5P;dr约等于螺纹中径;P——螺距。 |
|||||||||||||||
|
标记示例: 螺纹规格d=M12、公称长度l=80mm、性能等级为8.8级、表面氧化、细杆、A或B型的六角法兰面螺栓的标记: 螺栓 GB 5790 M12×80 螺纹规格d=M12、公称长度l=80mm、性能等级为8.8级、表面氧化、细杆、A型的六角法兰面螺栓的标记: 螺栓 GB 5790 AM12×80 |
|||||||||||||||
|
螺纹规格 d |
b 参考 |
c min |
da max |
dc max |
ds |
du max |
dw min |
e min |
f max |
K max |
K′ min |
||||
|
l≤125 |
125<l≤200 |
A型 |
B型 |
max |
min |
||||||||||
|
M5 |
16 |
— |
1 |
5.7 |
6.2 |
11.8 |
5 |
4.82 |
5.5 |
9.8 |
8.56 |
1.4 |
5.4 |
2 |
|
|
M6 |
18 |
— |
1.1 |
6.8 |
7.4 |
14.2 |
6 |
5.82 |
6.6 |
12.2 |
10.8 |
2 |
6.6 |
2.5 |
|
|
M8 |
22 |
28 |
1.2 |
9.2 |
10 |
18 |
8 |
7.78 |
9 |
15.8 |
14.08 |
2 |
8.1 |
3.2 |
|
|
M10 |
26 |
32 |
1.5 |
11.2 |
12.6 |
22.3 |
10 |
9.78 |
11 |
19.6 |
16.32 |
2 |
9.2 |
3.6 |
|
|
M12 |
30 |
36 |
1.8 |
13.7 |
15.2 |
26.6 |
12 |
11.73 |
13.5 |
23.8 |
19.68 |
3 |
10.4 |
4.6 |
|
|
(M14) |
34 |
40 |
2.1 |
15.7 |
17.7 |
30.5 |
14 |
13.73 |
15.5 |
27.6 |
22.58 |
3 |
12.4 |
5.5 |
|
|
M16 |
38 |
44 |
2.4 |
17.7 |
20.7 |
35 |
16 |
15.73 |
17.5 |
31.9 |
25.94 |
3 |
14.1 |
6.2 |
|
|
M20 |
46 |
52 |
3 |
22.4 |
25.7 |
43 |
20 |
19.67 |
22 |
39.9 |
32.66 |
4 |
17.7 |
7.9 |
|
|
螺纹规格 d |
r1 min |
r2 max |
r3 min |
r4 参考 |
s |
t |
l的范围 |
||||||||
|
max |
min |
max |
min |
||||||||||||
|
M5 |
0.25 |
0.3 |
0.1 |
3 |
8 |
7.64 |
0.15 |
0.05 |
30~50 |
||||||
|
M6 |
0.4 |
0.4 |
0.1 |
3.4 |
10 |
9.64 |
0.2 |
0.05 |
35~60 |
||||||
|
M8 |
0.4 |
0.5 |
0.15 |
4.3 |
13 |
12.57 |
0.25 |
0.1 |
40~80 |
||||||
|
M10 |
0.4 |
0.6 |
0.2 |
4.3 |
15 |
14.57 |
0.3 |
0.15 |
45~100 |
||||||
|
M12 |
0.6 |
0.7 |
0.25 |
6.4 |
18 |
17.57 |
0.35 |
0.15 |
50~120 |
||||||
|
(M14) |
0.6 |
0.9 |
0.3 |
6.4 |
21 |
20.16 |
0.45 |
0.2 |
55~140 |
||||||
|
M16 |
0.6 |
1 |
0.35 |
6.4 |
24 |
23.16 |
0.5 |
0.25 |
60~160 |
||||||
|
M20 |
0.8 |
1.2 |
0.4 |
8.5 |
30 |
29.16 |
0.65 |
0.3 |
70~200 |
||||||
|
技术条件 |
材料 |
螺纹公差 |
机械性能等级 |
公差产品等级 |
表面处理 |
||||||||||
|
钢 |
6g |
8.8、10.9 |
B级 |
1.氧化;2.镀锌钝化 |
|||||||||||
|
不锈钢 |
A2-70 |
不经处理 |
|||||||||||||
|
公称长度l的商品规格系列: mm |
||||||||||||||||||||
|
公称 |
30 |
35 |
40 |
45 |
50 |
(55) |
60 |
(65) |
70 |
80 |
90 |
100 |
110 |
120 |
130 |
140 |
150 |
160 |
180 |
200 |
|
min |
28.9 |
33.7 |
38.7 |
43.7 |
48.7 |
53.5 |
58.5 |
63.5 |
68.5 |
78.5 |
88.3 |
98.3 |
108.3 |
118.3 |
128 |
138 |
148 |
158 |
178 |
197.7 |
|
max |
31.1 |
36.3 |
41.3 |
46.3 |
51.3 |
56.5 |
61.5 |
66.5 |
71.5 |
81.5 |
91.7 |
101.7 |
111.7 |
121.7 |
132 |
142 |
152 |
162 |
182 |
202.3 |
|
注:尽可能不采用括号内的规格。 |
||||||||||||||||||||
|
质量 kg |
||||||||
|
螺纹规格 |
M5 |
M6 |
M8 |
M10 |
M12 |
M14 |
M16 |
M20 |
|
公称长度/mm |
每1000件钢制品的质量 ≈ |
|||||||
|
30 |
5.49 |
|
|
|
|
|
|
|
|
35 |
6.09 |
9.60 |
|
|
|
|
|
|
|
40 |
6.69 |
10.45 |
19.90 |
|
|
|
|
|
|
45 |
7.29 |
11.31 |
21.46 |
34.11 |
|
|
|
|
|
50 |
7.89 |
12.17 |
23.01 |
36.57 |
55.37 |
|
|
|
|
55 |
|
13.08 |
24.57 |
39.03 |
58.93 |
98.23 |
|
|
|
60 |
|
13.88 |
26.12 |
41.48 |
62.49 |
104.8 |
124.5 |
|
|
65 |
|
|
27.68 |
43.94 |
66.05 |
111.3 |
131.0 |
|
|
70 |
|
|
29.23 |
46.39 |
60.61 |
117.9 |
137.6 |
233.5 |
|
80 |
|
|
32.34 |
51.31 |
76.74 |
131.0 |
150.7 |
254.0 |
|
90 |
|
|
|
56.22 |
83.86 |
144.0 |
163.7 |
274.5 |
|
100 |
|
|
|
61.13 |
90.99 |
157.1 |
176.8 |
294.9 |
|
110 |
|
|
|
|
98.11 |
170.2 |
189.9 |
315.4 |
|
120 |
|
|
|
|
105.2 |
183.3 |
203.0 |
335.9 |
|
130 |
|
|
|
|
|
196.4 |
216.1 |
356.4 |
|
140 |
|
|
|
|
|
209.5 |
229.2 |
376.8 |
|
150 |
|
|
|
|
|
|
242.3 |
397.3 |
|
160 |
|
|
|
|
|
|
255.3 |
417.8 |
|
180 |
|
|
|
|
|
|
|
458.8 |
|
200 |
|
|
|
|
|
|
|
499.7 |

