六角法兰面螺栓 细牙 小系列(GB/T 16674.2—2016) mm | ||||||||
| ||||||||
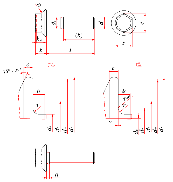
标记示例: 螺纹规格d =M12×1.25、细牙螺纹、公称长度l=80mm、由制造者任选F型或U型、性能等级为8.8级、表面氧化、产品等级为A级的小六角系列六角法兰面螺栓的标记: 螺栓 GB/T 16674.2 M12×1.25×80 螺纹规格d =M12×1.25、细牙螺纹、公称长度l=80mm、F型、性能等级为8.8级、表面氧化、产品等级为A级的小六角系列六角法兰面螺栓的标记: 螺栓 GB/T 16674.2 M12×1.25×80-F 如在特殊情况下,要求细杆型式时,则应在标记中增加“R”: 螺栓 GB/T 16674.2 M12×1.25×80-R | ||||||||
螺纹规格 | M8×1 | M10×1 M10×1.25 | M12×1.25 M12×1.5 | (M14×1.5) | M16×1.5 | |||
a | max | 3 | 3 | 4.5 | 4.5 | 4.5 | ||
min | 1 | 1 | 1.5 | 1.5 | 1.8 | |||
b参考 | l公称≤125mm | 22 | 26 | 30 | 34 | 38 | ||
125mm<l公称≤200mm | 28 | 32 | 36 | 40 | 44 | |||
c min | 1.2 | 1.5 | 1.8 | 2.1 | 2.4 | |||
da max | F型 | 9.2 | 11.2 | 13.7 | 15.7 | 17.7 | ||
U型 | 10 | 12.5 | 15.2 | 17.7 | 20.5 | |||
dc max | 17 | 20.8 | 24.7 | 28.6 | 32.8 | |||
ds | max | 8.00 | 10.00 | 12.00 | 14.00 | 16.00 | ||
min | 7.78 | 9.78 | 11.73 | 13.73 | 15.73 | |||
dv | max | 8.8 | 10.8 | 12.8 | 14.8 | 17.2 | ||
dw | min | 14.9 | 18.7 | 22.5 | 26.4 | 30.6 | ||
e | min | 10.95 | 14.26 | 16.50 | 19.86 | 23.15 | ||
k | max | 8.5 | 9.7 | 12.1 | 12.9 | 15.2 | ||
kw | min | 3.8 | 4.3 | 5.4 | 5.6 | 6.8 | ||
lf | max | 2.1 | 2.1 | 2.1 | 2.1 | 3.2 | ||
r1 | min | 0.4 | 0.4 | 0.6 | 0.6 | 0.6 | ||
r2e | max | 0.5 | 0.6 | 0.7 | 0.9 | 1 | ||
r3 | max | 0.36 | 0.45 | 0.54 | 0.63 | 0.72 | ||
min | 0.16 | 0.20 | 0.24 | 0.28 | 0.32 | |||
r4参考 | 5.7 | 5.7 | 5.7 | 5.7 | 8.8 | |||
s | max | 10.00 | 13.00 | 15.00 | 18.00 | 21.00 | ||
min | 9.78 | 12.73 | 14.73 | 17.73 | 20.67 | |||
v | max | 0.25 | 0.30 | 0.35 | 0.45 | 0.50 | ||
min | 0.10 | 0.15 | 0.15 | 0.20 | 0.25 | |||
l | 35~80 | 40~100 | 45~120 | 50~140 | 55~160 | |||
全螺纹长 l | 35 | 40 | 45 | 50 | 55 | |||
螺栓公称范围 | 16,20,25,30,35,40,45,50,55,60,65,70,80,90,100,110,120,130,140,150,160 | |||||||
技术条件和引用标准 | ||||||||
材 料 | 钢 | 不锈钢 | ||||||
通过技术条件 | GB/T 16938 | |||||||
螺 纹 | 公 差 | 6 g | ||||||
标 准 | GB/T 196、GB/T 197 | |||||||
机械性能 | 等 级 | 8.8、9.8、10.9、12.9 | A2-70 | |||||
标 准 | GB/T 3098.1 | GB/T 3098.6 | ||||||
公 差 | 产品等级 | A | ||||||
标 准 | GB/T 3103.1 | |||||||
表面处理 | 氧化(热的或化学的); 电镀层技术要求按GB/T 5267.1 | 简单处理 | ||||||
如需要其他的电镀层或表面处理,应由供需双方协议 | ||||||||
表面缺陷 | GB/T 5779.3 | |||||||
验收及包装 | GB/T 90.1、GB/T 90.2 | |||||||
质量 kg | |||||||
螺纹规格 | M8×1 | M10×1 | M10×1.25 | M12×1.25 | M12×1.5 | M14×1.5 | M16×1.5 |
公称长度/mm | 每1000件钢制品的质量 ≈ | ||||||
35 | 16.64 | | | | | | |
40 | 18.51 | 30.82 | 30.20 | | | | |
45 | 20.37 | 33.77 | 33.15 | 50.29 | 49.40 | | |
50 | 22.24 | 36.72 | 36.09 | 54.53 | 53.64 | 76.05 | |
55 | 24.10 | 39.67 | 39.04 | 58.77 | 57.88 | 81.86 | 114.1 |
60 | 25.97 | 42.62 | 41.99 | 63.01 | 62.12 | 87.67 | 121.8 |
65 | 27.84 | 45.57 | 44.94 | 67.25 | 66.37 | 93.48 | 129.4 |
70 | 29.70 | 48.52 | 47.89 | 71.49 | 70.61 | 99.29 | 137.0 |
80 | 33.43 | 54.41 | 53.79 | 79.98 | 79.09 | 110.9 | 152.3 |
90 | | 60.31 | 59.68 | 88.46 | 87.57 | 122.5 | 167.5 |
100 | | 66.21 | 65.58 | 96.94 | 96.06 | 134.2 | 182.8 |
110 | | | | 105.4 | 104.5 | 145.8 | 198.0 |
120 | | | | 113.9 | 113.0 | 157.4 | 213.3 |
130 | | | | | | 168.3 | 227.7 |
140 | | | | | | 179.9 | 242.9 |
150 | | | | | | | 258.2 |
160 | | | | | | | 273.4 |
螺纹规格 | M8×1 | M10×1 | M10×1.25 | M12×1.25 | M12×1.5 | M14×1.5 | M16×1.5 |
公称长度/mm | 每1000件钢制品的质量 ≈ | ||||||
35 | 16.70 | | | | | | |
40 | 18.34 | 31.03 | 30.46 | | | | |
45 | 19.97 | 33.69 | 33.03 | 50.78 | 50.02 | | |
50 | 21.61 | 36.35 | 35.60 | 54.59 | 53.72 | 77.07 | |
55 | 23.25 | 39.01 | 38.16 | 58.40 | 57.42 | 82.24 | 115.5 |
60 | 24.89 | 41.67 | 40.73 | 62.21 | 61.12 | 87.41 | 122.3 |
65 | 26.53 | 44.33 | 43.30 | 66.03 | 64.81 | 92.59 | 129.2 |
70 | 28.17 | 46.99 | 45.87 | 69.84 | 68.51 | 97.76 | 136.1 |
80 | 31.44 | 52.31 | 51.00 | 77.46 | 75.91 | 108.1 | 149.9 |
90 | | 57.63 | 56.13 | 85.09 | 83.30 | 118.4 | 163.7 |
100 | | 62.95 | 61.27 | 92.71 | 90.70 | 128.8 | 177.5 |
110 | | | | 100.3 | 98.09 | 139.1 | 191.3 |
120 | | | | 108.0 | 105.5 | 149.5 | 205.0 |
130 | | | | | | 159.8 | 218.8 |
140 | | | | | | 170.2 | 232.6 |
150 | | | | | | | 246.4 |
160 | | | | | | | 260.2 |

