|
六角法兰面螺栓—加大系列—B级(GB/T 5789—1986) mm |
|||||||||||||
|
|
|||||||||||||
|
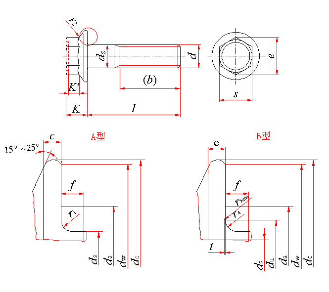
末端按GB2规定; lgmax=l公称—b参考;lsmin=lgmax—5P; |
|||||||||||||
|
标记示例: 螺纹规格d=M12、公称长度l=80mm、性能等级为8.8级、表面氧化、A或B型的六角法兰面螺栓的标记: 螺栓 GB 5789 M12×80 螺纹规格d=M12、公称长度l=80mm、性能等级为8.8级、表面氧化、A型的六角法兰面螺栓的标记: 螺栓 GB 5789 AM12×80 |
|||||||||||||
|
螺纹规格 d |
b 参考 |
c min |
da max |
dc max |
ds |
du max |
dw min |
e min |
f max |
||||
|
l≤125 |
125<l≤200 |
A型 |
B型 |
max |
min |
||||||||
|
M5 |
16 |
— |
1 |
5.7 |
6.2 |
11.8 |
5 |
4.82 |
5.5 |
9.8 |
8.56 |
1.4 |
|
|
M6 |
18 |
— |
1.1 |
6.8 |
7.4 |
14.2 |
6 |
5.82 |
6.6 |
12.2 |
10.8 |
2 |
|
|
M8 |
22 |
28 |
1.2 |
9.2 |
10 |
18 |
8 |
7.78 |
9 |
15.8 |
14.08 |
2 |
|
|
M10 |
26 |
32 |
1.5 |
11.2 |
12.6 |
22.3 |
10 |
9.78 |
11 |
19.6 |
16.32 |
2 |
|
|
M12 |
30 |
36 |
1.8 |
13.7 |
15.2 |
26.6 |
12 |
11.73 |
13.5 |
23.8 |
19.68 |
3 |
|
|
(M14) |
34 |
40 |
2.1 |
15.7 |
17.7 |
30.5 |
14 |
13.73 |
15.5 |
27.6 |
22.58 |
3 |
|
|
M16 |
38 |
44 |
2.4 |
17.7 |
20.7 |
35 |
16 |
15.73 |
17.5 |
31.9 |
25.94 |
3 |
|
|
M20 |
46 |
52 |
3 |
22.4 |
25.7 |
43 |
20 |
19.67 |
22 |
39.9 |
32.66 |
4 |
|
|
螺纹规格 d |
K max |
K¢ min |
r1 min |
r2 max |
r3 min |
r4 参考 |
s |
t |
l的范围 |
||||
|
max |
min |
max |
min |
||||||||||
|
M5 |
5.4 |
2 |
0.25 |
0.3 |
0.1 |
3 |
8 |
7.64 |
0.15 |
0.05 |
10~50 |
||
|
M6 |
6.6 |
2.5 |
0.4 |
0.4 |
0.1 |
3.4 |
10 |
9.64 |
0.2 |
0.05 |
12~60 |
||
|
M8 |
8.1 |
3.2 |
0.4 |
0.5 |
0.15 |
4.3 |
13 |
12.57 |
0.25 |
0.1 |
16~80 |
||
|
M10 |
9.2 |
3.6 |
0.4 |
0.6 |
0.2 |
4.3 |
15 |
14.57 |
0.3 |
0.15 |
20~100 |
||
|
M12 |
10.4 |
4.6 |
0.6 |
0.7 |
0.25 |
6.4 |
18 |
17.57 |
0.35 |
0.15 |
25~120 |
||
|
(M14) |
12.4 |
5.5 |
0.6 |
0.9 |
0.3 |
6.4 |
21 |
20.16 |
0.45 |
0.2 |
30~140 |
||
|
M16 |
14.1 |
6.2 |
0.6 |
1 |
0.35 |
6.4 |
24 |
23.16 |
0.5 |
0.25 |
35~160 |
||
|
M20 |
17.7 |
7.9 |
0.8 |
1.2 |
0.4 |
8.5 |
30 |
29.16 |
0.65 |
0.3 |
40~200 |
||
|
技术条件 |
材料 |
螺纹公差 |
机械性能等级 |
公差产品等级 |
表面处理 |
||||||||
|
钢 |
6g |
8.8、12.9 |
B级 |
1.氧化;2.镀锌钝化 |
|||||||||
|
不锈钢 |
A2-70 |
不经处理 |
|||||||||||
|
公称长度l的商品规格系列: mm |
|||||||||||||
|
公称 |
10 |
12 |
16 |
20 |
25 |
30 |
35 |
40 |
45 |
50 |
(55) |
60 |
(65) |
|
min |
9.3 |
11.1 |
15.1 |
18.9 |
23.9 |
28.9 |
33.7 |
38.7 |
43.7 |
48.7 |
53.5 |
58.5 |
63.5 |
|
max |
10.7 |
12.9 |
16.9 |
21.1 |
26.1 |
31.1 |
36.3 |
41.3 |
46.3 |
51.3 |
56.5 |
61.5 |
66.5 |
|
公称 |
70 |
80 |
90 |
100 |
110 |
120 |
130 |
140 |
150 |
160 |
180 |
200 |
|
|
min |
68.5 |
78.5 |
88.3 |
98.3 |
108.3 |
118.3 |
128 |
138 |
148 |
158 |
178 |
197.7 |
|
|
max |
71.5 |
81.5 |
91.7 |
101.7 |
111.7 |
121.7 |
132 |
142 |
152 |
162 |
182 |
202.3 |
|
|
注:尽可能不采用括号内的规格。 |
|||||||||||||
|
质量 kg |
||||||||
|
螺纹规格 |
M5 |
M6 |
M8 |
M10 |
M12 |
M14 |
M16 |
M20 |
|
公称长度/mm |
每1000件钢制品的质量 ≈ |
|||||||
|
10 |
2.98 |
|
|
|
|
|
|
|
|
12 |
3.22 |
5.44 |
|
|
|
|
|
|
|
16 |
3.70 |
6.12 |
11.96 |
|
|
|
|
|
|
20 |
4.18 |
6.81 |
13.20 |
20.89 |
|
|
|
|
|
25 |
4.89 |
7.67 |
14.76 |
23.34 |
35.99 |
|
|
|
|
30 |
5.60 |
8.78 |
16.31 |
25.80 |
39.55 |
67.67 |
|
|
|
35 |
6.31 |
9.81 |
18.27 |
28.26 |
43.11 |
74.21 |
88.45 |
|
|
40 |
7.03 |
10.85 |
20.13 |
31.33 |
46.68 |
80.76 |
95.00 |
165.6 |
|
45 |
7.74 |
11.89 |
21.98 |
34.26 |
51.05 |
87.30 |
101.5 |
175.9 |
|
50 |
8.45 |
12.93 |
23.84 |
37.19 |
55.27 |
93.84 |
108.1 |
186.1 |
|
55 |
|
13.96 |
25.69 |
40.12 |
59.48 |
98.70 |
114.6 |
196.3 |
|
60 |
|
15.00 |
27.54 |
43.05 |
63.70 |
104.5 |
123.7 |
206.6 |
|
65 |
|
|
29.40 |
45.98 |
67.91 |
110.2 |
131.2 |
216.8 |
|
70 |
|
|
31.25 |
48.91 |
72.13 |
116.0 |
138.8 |
230.8 |
|
80 |
|
|
34.96 |
54.77 |
80.55 |
127.6 |
154.0 |
254.5 |
|
90 |
|
|
|
60.62 |
88.98 |
139.1 |
169.1 |
278.2 |
|
100 |
|
|
|
66.48 |
97.41 |
150.7 |
184.3 |
301.9 |
|
110 |
|
|
|
|
105.8 |
162.2 |
199.4 |
325.6 |
|
120 |
|
|
|
|
114.3 |
173.8 |
214.6 |
349.3 |
|
130 |
|
|
|
|
|
186.2 |
228.5 |
371.0 |
|
140 |
|
|
|
|
|
197.8 |
243.7 |
394.7 |
|
150 |
|
|
|
|
|
|
258.8 |
418.4 |
|
160 |
|
|
|
|
|
|
274.0 |
442.1 |
|
180 |
|
|
|
|
|
|
|
489.6 |
|
200 |
|
|
|
|
|
|
|
537.0 |

