六角头螺栓(GB/T 5782—2016) mm | ||||||||||||||||
| ||||||||||||||||
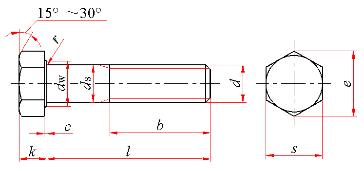
标记示例: 螺纹规格d=M12、公称长度l=80 mm、性能等级为8.8级、表面氧化、产品等级为A级的六角头螺栓的标记: 螺栓 GB/T 5782 M12×80 | ||||||||||||||||
螺纹规格 d | 螺距 P | b(参考) | c | ds | dw min | |||||||||||
公称=max | min | |||||||||||||||
l≤125 | 125≤l≤200 | l>200 | max | min | ||||||||||||
A级 | B级 | A级 | B级 | |||||||||||||
M1.6 | 0.35 | 9 | 15 | 28 | 0.25 | 0.10 | 1.60 | 1.46 | 1.35 | 2.27 | 2.3 | |||||
M2 | 0.4 | 10 | 16 | 29 | 0.25 | 0.10 | 2.00 | 1.86 | 1.75 | 3.07 | 2.95 | |||||
M2.5 | 0.45 | 11 | 17 | 30 | 0.25 | 0.10 | 2.50 | 2.36 | 2.25 | 4.07 | 3.95 | |||||
M3 | 0.5 | 12 | 18 | 31 | 0.40 | 0.15 | 3.00 | 2.86 | 2.75 | 4.57 | 4.45 | |||||
(M3.5) | 0.6 | 13 | 19 | 32 | 0.40 | 0.15 | 3.50 | 3.32 | 3.20 | 5.07 | 4.95 | |||||
M4 | 0.7 | 14 | 20 | 33 | 0.40 | 0.15 | 4.00 | 3.82 | 3.70 | 5.88 | 5.74 | |||||
M5 | 0.8 | 16 | 22 | 35 | 0.50 | 0.15 | 5.00 | 4.82 | 4.70 | 6.88 | 6.74 | |||||
M6 | 1 | 18 | 24 | 37 | 0.50 | 0.15 | 6.00 | 5.82 | 5.70 | 8.88 | 8.74 | |||||
M8 | 1.25 | 22 | 28 | 41 | 0.60 | 0.15 | 8.00 | 7.78 | 7.64 | 11.63 | 11.47 | |||||
M10 | 1.5 | 26 | 32 | 45 | 0.60 | 0.15 | 10.00 | 9.78 | 9.64 | 14.63 | 14.47 | |||||
M12 | 1.75 | 30 | 36 | 49 | 0.60 | 0.15 | 12.00 | 11.73 | 11.57 | 16.63 | 16.47 | |||||
(M14) | 2 | 34 | 40 | 53 | 0.60 | 0.15 | 14.00 | 13.73 | 13.57 | 19.64 | 19.15 | |||||
M16 | 2 | 38 | 44 | 57 | 0.8 | 0.2 | 16.00 | 15.73 | 15.57 | 22.49 | 22 | |||||
(M18) | 2.5 | 42 | 48 | 61 | 0.8 | 0.2 | 18.00 | 17.73 | 17.57 | 25.34 | 24.85 | |||||
M20 | 2.5 | 46 | 52 | 65 | 0.8 | 0.2 | 20.00 | 19.67 | 19.48 | 28.19 | 27.7 | |||||
(M22) | 2.5 | 50 | 56 | 69 | 0.8 | 0.2 | 22.00 | 21.67 | 21.48 | 31.71 | 31.35 | |||||
M24 | 3 | 54 | 60 | 73 | 0.8 | 0.2 | 24.00 | 23.67 | 23.48 | 33.61 | 33.25 | |||||
(M27) | 3 | 60 | 66 | 79 | 0.8 | 0.2 | 27.00 | — | 26.48 | — | 38 | |||||
M30 | 3.5 | 66 | 72 | 85 | 0.8 | 0.2 | 30.00 | — | 29.48 | — | 42.75 | |||||
(M33) | 3.5 | — | 78 | 91 | 0.8 | 0.2 | 33.0 | — | 32.38 | — | 46.55 | |||||
M36 | 4 | — | 84 | 97 | 0.8 | 0.2 | 36.00 | — | 35.38 | — | 51.11 | |||||
(M39) | 4 | — | 90 | 103 | 1.0 | 0.3 | 39.00 | — | 38.38 | — | 55.86 | |||||
M42 | 4.5 | — | 96 | 109 | 1.0 | 0.3 | 42.00 | — | 41.38 | — | 59.95 | |||||
(M45) | 4.5 | — | 102 | 115 | 1.0 | 0.3 | 45.00 | — | 44.38 | — | 64.7 | |||||
M48 | 5 | — | 108 | 121 | 1.0 | 0.3 | 48.00 | — | 47.38 | — | 69.45 | |||||
(M52) | 5 | — | 116 | 129 | 1.0 | 0.3 | 52.00 | — | 51.26 | — | 74.2 | |||||
M56 | 5.5 | — | — | 137 | 1.0 | 0.3 | 56.00 | — | 55.26 | — | 78.66 | |||||
(M60) | 5.5 | — | — | 145 | 1.0 | 0.3 | 60.00 | — | 59.26 | — | 83.41 | |||||
M64 | 6 | — | — | 153 | 1.0 | 0.3 | 64.00 | — | 63.26 | — | 88.16 | |||||
螺纹规格 d | e min | k | r min | s | l的范围 | |||||||||||
公称 | A级 | B级 | 公称=max | min | ||||||||||||
A级 | B级 | |||||||||||||||
max | min | max | min | A级 | B级 | |||||||||||
M1.6 | 3.41 | 3.28 | 1.1 | 1.225 | 0.975 | 1.3 | 0.9 | 0.1 | 3.20 | 3.02 | 2.90 | 12~16 | ||||
M2 | 4.32 | 4.18 | 1.4 | 1.525 | 1.275 | 1.6 | 1.2 | 0.1 | 4.00 | 3.82 | 3.70 | 16~20 | ||||
M2.5 | 5.45 | 5.31 | 1.7 | 1.825 | 1.575 | 1.9 | 1.5 | 0.1 | 5.00 | 4.82 | 4.70 | 16~25 | ||||
M3 | 6.01 | 5.88 | 2 | 2.125 | 1.875 | 2.2 | 1.8 | 0.1 | 5.50 | 5.32 | 5.20 | 20~30 | ||||
(M3.5) | 6.58 | 6.44 | 2.4 | 2.525 | 2.275 | 2.6 | 2.2 | 0.1 | 6.00 | 5.82 | 5.70 | 20~35 | ||||
M4 | 7.66 | 7.50 | 2.8 | 2.925 | 2.675 | 3.0 | 2.6 | 0.2 | 7.00 | 6.78 | 6.64 | 25~40 | ||||
M5 | 8.79 | 8.63 | 3.5 | 3.65 | 3.35 | 3.26 | 2.35 | 0.2 | 8.00 | 7.78 | 7.64 | 25~50 | ||||
M6 | 11.05 | 10.89 | 4 | 4.15 | 3.85 | 4.24 | 3.76 | 0.25 | 10.00 | 9.78 | 9.64 | 30~60 | ||||
M8 | 14.38 | 14.20 | 5.3 | 5.45 | 5.15 | 5.54 | 5.06 | 0.4 | 13.00 | 12.73 | 12.57 | 40~80 | ||||
M10 | 17.77 | 17.59 | 6.4 | 6.58 | 6.22 | 6.69 | 6.11 | 0.4 | 16.00 | 15.73 | 15.57 | 45~100 | ||||
M12 | 20.03 | 19.85 | 7.5 | 7.68 | 7.32 | 7.79 | 7.21 | 0.6 | 18.00 | 17.73 | 17.57 | 50~120 | ||||
(M14) | 23.36 | 22.78 | 8.8 | 8.98 | 8.62 | 9.09 | 8.51 | 0.6 | 21.00 | 20.67 | 20.16 | 60~140 | ||||
M16 | 26.75 | 26.17 | 10 | 10.18 | 9.82 | 10.29 | 9.71 | 0.6 | 24.00 | 23.67 | 23.16 | 65~160 | ||||
(M18) | 30.14 | 29.56 | 11.5 | 11.715 | 11.285 | 11.85 | 11.15 | 0.6 | 27.00 | 26.67 | 26.16 | 70~180 | ||||
M20 | 33.53 | 32.95 | 12.5 | 12.715 | 12.285 | 12.85 | 12.15 | 0.8 | 30.00 | 29.67 | 29.16 | 80~200 | ||||
(M22) | 37.72 | 37.29 | 14 | 14.215 | 13.785 | 14.35 | 13.65 | 0.8 | 34.00 | 33.38 | 33.00 | 90~220 | ||||
M24 | 39.98 | 39.55 | 15 | 15.215 | 14.785 | 15.35 | 14.65 | 0.8 | 36.00 | 35.38 | 35.00 | 90~240 | ||||
(M27) | — | 45.2 | 17 | — | — | 17.35 | 16.65 | 1 | 41 | — | 40 | 100~260 | ||||
M30 | — | 50.85 | 18.7 | — | — | 19.12 | 18.28 | 1 | 46 | — | 45 | 110~300 | ||||
(M33) | — | 55.37 | 21 | — | — | 21.42 | 20.58 | 1 | 50 | — | 49 | 130~320 | ||||
M36 | — | 60.79 | 22.5 | — | — | 22.92 | 22.08 | 1 | 55.0 | — | 53.8 | 140~360 | ||||
(M39) | — | 66.44 | 25 | — | — | 25.42 | 24.58 | 1 | 60.0 | — | 58.8 | 150~380 | ||||
M42 | — | 71.3 | 26 | — | — | 26.42 | 25.58 | 1.2 | 65.0 | — | 63.1 | 160~440 | ||||
(M45) | — | 76.95 | 28 | — | — | 28.42 | 27.58 | 1.2 | 70.0 | — | 68.1 | 180~440 | ||||
M48 | — | 82.6 | 30 | — | — | 30.42 | 29.58 | 1.6 | 75.0 | — | 73.1 | 180~480 | ||||
(M52) | — | 88.25 | 33 | — | — | 33.5 | 32.5 | 1.6 | 80.0 | — | 78.1 | 200~480 | ||||
M56 | — | 93.56 | 35 | — | — | 35.5 | 34.5 | 2 | 85.0 | — | 82.8 | 220~500 | ||||
(M60) | — | 99.21 | 38 | — | — | 38.5 | 37.5 | 2 | 90.0 | — | 87.8 | 240~500 | ||||
M64 | — | 104.86 | 40 | — | — | 40.5 | 39.5 | 2 | 95.0 | — | 92.8 | 260~500 | ||||
技术条件 | 材料 | 螺纹公差 | 机械性能等级 | 公差产品等级 | 表面处理 | |||||||||||
钢 | 6g | d<3mm:按协议 3mm≤d≤39mm:5.6、8.8、10.9 3mm≤d≤16mm:9.8 d>39mm:按协议 | d≤24mm和l≤10d或l≤150mm(按较小值):A级 d>24mm或l>10d或l>150mm(按较小值):B级 | 氧化 | ||||||||||||
不锈钢 | d≤24mm:A2-70、A4-70 24mm<d≤39mm:A2-50、A4-50 d>39mm:按协议 | 简单处理 | ||||||||||||||
有色金属 | CU2、CU3、AL4 | 简单处理 | ||||||||||||||
注:1.带括号的规格为非优选的螺纹规格。 2.A级用于d=1.6~24 mm和l≤10d或l≤150 mm(按较小值);B级用于d>24 mm或l>10 d或l>150 mm(按较小值)的螺栓。 3.螺纹末端应倒角,对螺纹规格≤M4可为辗制末端(GB/T 2)。 | ||||||||||||||||
| ||||||||||||||||
公称长度l的商品规格系列: mm | ||||||||||||||
公称 | 12 | 16 | 20 | 25 | 30 | 35 | 40 | 45 | 50 | 55 | 60 | 65 | 70 | |
A级 | min | 11.65 | 15.65 | 19.58 | 24.58 | 29.58 | 34.5 | 39.5 | 44.5 | 49.5 | 54.4 | 59.4 | 64.4 | 69.4 |
max | 12.35 | 16.35 | 20.42 | 25.42 | 30.42 | 35.5 | 40.5 | 45.5 | 50.5 | 55.6 | 60.6 | 65.6 | 70.6 | |
B级 | min | — | — | 18.95 | 23.95 | 28.95 | 33.75 | 38.75 | 43.75 | 48.75 | 53.5 | 58.5 | 63.5 | 68.5 |
max | — | — | 21.05 | 26.05 | 31.05 | 36.25 | 41.25 | 46.25 | 51.25 | 56.5 | 61.5 | 66.5 | 71.5 | |
公称 | 80 | 90 | 100 | 110 | 120 | 130 | 140 | 150 | 160 | 180 | 200 | 220 | 240 | |
A级 | min | 79.4 | 89.3 | 99.3 | 109.3 | 119.3 | 129.2 | 139.2 | 149.2 | — | — | — | — | — |
max | 80.6 | 90.7 | 100.7 | 110.7 | 120.7 | 130.8 | 140.8 | 150.8 | — | — | — | — | — | |
B级 | min | 78.5 | 88.25 | 98.25 | 108.25 | 118.25 | 128 | 138 | 148 | 158 | 178 | 197.7 | 217.7 | 237.7 |
max | 81.5 | 91.75 | 101.75 | 111.75 | 121.75 | 132 | 142 | 152 | 162 | 182 | 202.3 | 222.3 | 242.3 | |
公称 | 260 | 280 | 300 | 320 | 340 | 360 | 380 | 400 | 420 | 440 | 460 | 480 | 500 | |
A级 | min | — | — | — | — | — | — | — | — | — | — | — | — | — |
max | — | — | — | — | — | — | — | — | — | — | — | — | — | |
B级 | min | 257.4 | 277.4 | 297.4 | 317.15 | 337.15 | 357.15 | 377.15 | 397.15 | 416.85 | 436.85 | 456.85 | 476.85 | 496.85 |
max | 262.6 | 282.6 | 302.6 | 322.85 | 342.85 | 362.85 | 382.85 | 402.85 | 423.15 | 443.15 | 463.15 | 483.15 | 503.15 | |
质量 kg | |||||||||||||||||||||||||||||
优选的螺纹规格 | |||||||||||||||||||||||||||||
螺纹 规格 | M1.6 | M2 | M2.5 | M3 | M4 | M5 | M6 | M8 | M10 | M12 | M16 | M20 | M24 | M30 | M36 | M42 | M48 | M56 | M64 | ||||||||||
公称 长度 /mm | 每1000件钢制品的质量 ≈ | ||||||||||||||||||||||||||||
12 | 0.207 | | | | | | | | | | | | | | | | | | | ||||||||||
16 | 0.270 | 0.452 | 0.757 | | | | | | | | | | | | | | | | | ||||||||||
20 | | 0.551 | 0.911 | 1.31 | | | | | | | | | | | | | | | | ||||||||||
25 | | | 1.10 | 1.58 | 2.88 | 4.55 | | | | | | | | | | | | | | ||||||||||
30 | | | | 1.86 | 3.38 | 5.32 | 7.99 | | | | | | | | | | | | | ||||||||||
35 | | | | | 3.87 | 6.09 | 9.10 | | | | | | | | | | | | | ||||||||||
40 | | | | | 4.36 | 6.87 | 10.21 | 19.02 | | | | | | | | | | | | ||||||||||
45 | | | | | | 7.64 | 11.32 | 21.01 | 33.92 | | | | | | | | | | | ||||||||||
50 | | | | | | 8.41 | 12.43 | 22.99 | 37.00 | 53.08 | | | | | | | | | | ||||||||||
55 | | | | | | | 13.54 | 24.96 | 40.09 | 57.52 | | | | | | | | | | ||||||||||
60 | | | | | | | 14.65 | 26.93 | 43.17 | 61.96 | | | | | | | | | | ||||||||||
65 | | | | | | | | 28.91 | 46.25 | 66.40 | 126.5 | | | | | | | | | ||||||||||
70 | | | | | | | | 30.88 | 49.34 | 70.84 | 134.3 | | | | | | | | | ||||||||||
80 | | | | | | | | 34.83 | 55.50 | 79.72 | 150.1 | 245.1 | | | | | | | | ||||||||||
90 | | | | | | | | | 61.67 | 88.60 | 165.9 | 269.8 | 401.5 | | | | | | | ||||||||||
100 | | | | | | | | | 67.84 | 97.48 | 181.7 | 294.5 | 437.0 | | | | | | | ||||||||||
110 | | | | | | | | | | 106.4 | 197.5 | 319.1 | 472.6 | 785.8 | | | | | | ||||||||||
120 | | | | | | | | | | 115.2 | 213.3 | 343.8 | 508.1 | 841.4 | | | | | | ||||||||||
130 | | | | | | | | | | | 227.5 | 366.0 | 540.1 | 891.8 | | | | | | ||||||||||
140 | | | | | | | | | | | 243.3 | 390.7 | 575.6 | 947.3 | 1421 | | | | | ||||||||||
150 | | | | | | | | | | | 259.1 | 415.4 | 611.2 | 1003 | 1501 | | | | | ||||||||||
160 | | | | | | | | | | | 274.9 | 440.0 | 646.7 | 1058 | 1581 | 2233 | | | | ||||||||||
180 | | | | | | | | | | | | 489.4 | 717.7 | 1169 | 1741 | 2450 | 3342 | | | ||||||||||
200 | | | | | | | | | | | | 538.7 | 788.8 | 1280 | 1901 | 2668 | 3626 | | | ||||||||||
220 | | | | | | | | | | | | | 852.2 | 1380 | 2046 | 2866 | 3885 | 5406 | | ||||||||||
240 | | | | | | | | | | | | | 923.3 | 1491 | 2205 | 3083 | 4169 | 5793 | | ||||||||||
260 | | | | | | | | | | | | | | 1602 | 2365 | 3301 | 4454 | 6180 | 8240 | ||||||||||
280 | | | | | | | | | | | | | | 1713 | 2525 | 3518 | 4738 | 6566 | 8745 | ||||||||||
300 | | | | | | | | | | | | | | 1824 | 2685 | 3736 | 5022 | 6953 | 9251 | ||||||||||
320 | | | | | | | | | | | | | | | 2845 | 3953 | 5306 | 7340 | 9756 | ||||||||||
340 | | | | | | | | | | | | | | | 3005 | 4171 | 5590 | 7727 | 10261 | ||||||||||
360 | | | | | | | | | | | | | | | 3165 | 4389 | 5875 | 8114 | 10766 | ||||||||||
380 | | | | | | | | | | | | | | | | 4606 | 6159 | 8500 | 11271 | ||||||||||
400 | | | | | | | | | | | | | | | | 4824 | 6443 | 8887 | 11777 | ||||||||||
420 | | | | | | | | | | | | | | | | 5041 | 6727 | 9274 | 12282 | ||||||||||
440 | | | | | | | | | | | | | | | | 5259 | 7011 | 9661 | 12787 | ||||||||||
460 | | | | | | | | | | | | | | | | | 7295 | 10048 | 13292 | ||||||||||
480 | | | | | | | | | | | | | | | | | 7580 | 10434 | 13797 | ||||||||||
500 | | | | | | | | | | | | | | | | | | 10821 | 14303 | ||||||||||
非优选的螺纹规格 | |||||||||||||||||||||||||||||
螺纹规格 | M3.5 | M14 | M18 | M22 | M27 | M33 | M39 | M45 | M52 | M60 | |||||||||||||||||||
公称长度/mm | 每1000件钢制品的质量 ≈ | ||||||||||||||||||||||||||||
20 | 1.75 | | | | | | | | | | |||||||||||||||||||
25 | 2.13 | | | | | | | | | | |||||||||||||||||||
30 | 2.50 | | | | | | | | | | |||||||||||||||||||
35 | 2.88 | | | | | | | | | | |||||||||||||||||||
60 | | 86.96 | | | | | | | | | |||||||||||||||||||
65 | | 93.00 | | | | | | | | | |||||||||||||||||||
70 | | 99.04 | 173.2 | | | | | | | | |||||||||||||||||||
80 | | 111.1 | 193.2 | | | | | | | | |||||||||||||||||||
90 | | 123.2 | 213.2 | 274.9 | | | | | | | |||||||||||||||||||
100 | | 135.3 | 233.2 | 304.8 | 577.0 | | | | | | |||||||||||||||||||
110 | | 147.4 | 253.2 | 334.6 | 621.9 | | | | | | |||||||||||||||||||
120 | | 159.5 | 273.1 | 364.5 | 666.9 | | | | | | |||||||||||||||||||
130 | | 170.2 | 290.9 | 391.6 | 707.9 | 1103 | | | | | |||||||||||||||||||
140 | | 182.3 | 310.9 | 421.5 | 752.9 | 1167 | | | | | |||||||||||||||||||
150 | | | 330.9 | 451.3 | 797.8 | 1232 | 1818 | | | | |||||||||||||||||||
160 | | | 350.9 | 481.2 | 842.8 | 1297 | 1909 | | | | |||||||||||||||||||
180 | | | 390.8 | 540.9 | 932.7 | 1426 | 2090 | 3332 | | | |||||||||||||||||||
200 | | | | 600.6 | 1023 | 1555 | 2272 | 3575 | 4319 | | |||||||||||||||||||
220 | | | | 654.5 | 1104 | 1676 | 2441 | 3855 | 4622 | | |||||||||||||||||||
240 | | | | | 1194 | 1805 | 2623 | 4093 | 4946 | 6736 | |||||||||||||||||||
260 | | | | | 1284 | 1934 | 2805 | 4336 | 5270 | 7169 | |||||||||||||||||||
280 | | | | | | 2064 | 2986 | 4578 | 5594 | 7602 | |||||||||||||||||||
300 | | | | | | 2193 | 3168 | 4821 | 5919 | 8035 | |||||||||||||||||||
320 | | | | | | 2322 | 3350 | 5064 | 6243 | 8469 | |||||||||||||||||||
340 | | | | | | | 3531 | 5307 | 6567 | 8902 | |||||||||||||||||||
360 | | | | | | | 3713 | 5550 | 6891 | 9335 | |||||||||||||||||||
380 | | | | | | | 3895 | 5793 | 7215 | 9768 | |||||||||||||||||||
400 | | | | | | | | 6036 | 7539 | 10201 | |||||||||||||||||||
420 | | | | | | | | 6279 | 7863 | 10634 | |||||||||||||||||||
440 | | | | | | | | 6522 | 8187 | 11067 | |||||||||||||||||||
460 | | | | | | | | | 8511 | 11500 | |||||||||||||||||||
480 | | | | | | | | | 8835 | 11934 | |||||||||||||||||||
500 | | | | | | | | | | 12367 | |||||||||||||||||||

