|
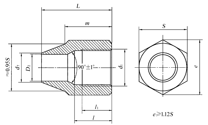
扩口式管接头用B型螺母尺寸(摘自GB/T 5648—2008) mm |
||||||||
|
扩口式管接头用B型螺母 标记示例 管子外径为10 mm,表面镀锌处理的钢制扩口式管接头用B型螺母标记为: 螺母 GB/T 5648 B10 |
||||||||
|
管子外径 D0 |
d1 |
D2
|
d7 |
l |
l1 |
L |
m |
S |
|
4 |
M10×1 |
4 |
6 |
7 |
5 |
16 |
10 |
12 |
|
5 |
5 |
8 |
||||||
|
6 |
M12×1.5 |
6 |
9 |
9.5 |
7 |
14 |
||
|
8 |
M14×1.5 |
8 |
11 |
11 |
8 |
20 |
12 |
17 |
|
10 |
M16×1.5 |
10 |
14 |
11.5 |
8.5 |
26 |
14 |
19 |
|
12 |
M18×1.5 |
12 |
16 |
28 |
16 |
22 |
||
|
14 |
M22×1.5 |
14 |
17 |
12 |
9 |
32 |
18 |
27 |
|
16 |
M24×1.5 |
16 |
19 |
13 |
10 |
34 |
20 |
|
|
18 |
M27×1.5 |
18 |
22 |
14 |
11 |
38 |
22 |
30 |

