|
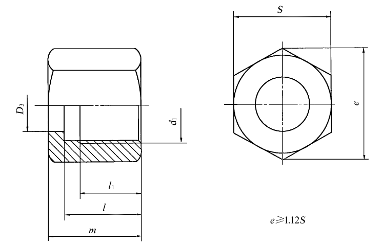
扩口式管接头用A型螺母尺寸(摘自GB/T 5647—2008) mm |
|||||||
|
扩口式管接头用A型螺母 标记示例 管子外径为10 mm,表面镀锌处理的钢制扩口式管接头用A型螺母标记为: 螺母 GB/T 5647 A10 |
|||||||
|
管子外径 D0 |
d1 |
D3 |
l1 |
l |
m |
S |
|
|
公称尺寸 |
极限公差 |
||||||
|
4 |
M10×1 |
5.5 |
|
6.5 |
11.5 |
13.5 |
12 |
|
5 |
6.5 |
+0.09 |
|||||
|
6 |
M12×1.5 |
7.5 |
7.5 |
13.5 |
16.5 |
14 |
|
|
8 |
M14×1.5 |
9.5 |
8.5 |
15.5 |
18.5 |
17 |
|
|
10 |
M16×1.5 |
11.5 |
|
9.5 |
16.5 |
19.5 |
19 |
|
12 |
M18×1.5 |
13.5 |
22 |
||||
|
14 |
M22×1.5 |
16 |
27 |
||||
|
16 |
M24×1.5 |
18 |
|
10 |
17 |
20 |
30 |
|
18 |
M27×1.5 |
20 |
32 |
||||
|
20 |
M30×2 |
22 |
10.5 |
20.5 |
24.5 |
36 |
|
|
22 |
M33×2 |
24 |
11.5 |
21.5 |
25.5 |
||
|
25 |
M36×2 |
27 |
12 |
22 |
26 |
41 |
|
|
28 |
M39×2 |
30 |
|
13 |
23 |
27.5 |
46 |
|
32 |
M42×2 |
34 |
13.5 |
23.5 |
28.5 |
50 |
|
|
34 |
M45×2 |
36 |
14 |
24 |
29 |
||

