|
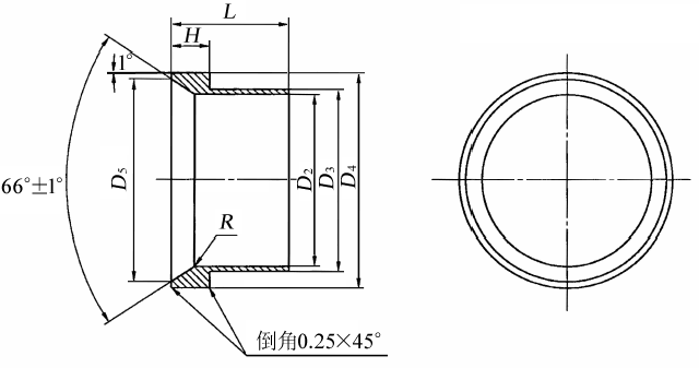
扩口式管接头管套尺寸(摘自GB/T 5646—2008) mm |
|||||||||
|
扩口式管接头管套 标记示例 管子外径为10 mm,表面镀锌处理的钢制扩口式管接头管套标记为: 管套 GB/T 5646 10 |
|||||||||
|
管子外径 D0 |
D2 |
D3 |
D4
|
D5
|
H ±0.30 |
L |
R |
||
|
公称尺寸 |
极限偏差 |
公称尺寸 |
极限偏差 |
||||||
|
4 |
4 |
|
5.5 |
|
8.7 |
7.2 |
3.5 |
9 |
1 |
|
5 |
5 |
6.5 |
|
10 |
|||||
|
6 |
6 |
7.5 |
10.2 |
8.7 |
4.5 |
11 |
|||
|
8 |
8 |
9.5 |
12.2 |
10.4 |
12 |
||||
|
10 |
10 |
11.5 |
|
14.2 |
12.4 |
13 |
1.5 |
||
|
12 |
12 |
13.5 |
16.2 |
14.4 |
14 |
||||
|
14 |
14 |
16 |
20.2 |
17.9 |
15 |
||||
|
16 |
16 |
18 |
|
22.2 |
19.9 |
16 |
|||
|
18 |
18 |
20 |
25.2 |
22.9 |
17 |
2 |
|||
|
20 |
20 |
22 |
27.5 |
24.9 |
6.5 |
18 |
|||
|
22 |
22 |
24 |
30.5 |
27.9 |
20 |
||||
|
25 |
25 |
27 |
33.5 |
30.9 |
7 |
2.5 |
|||
|
28 |
28 |
30 |
|
36.5 |
33.9 |
22 |
|||
|
32 |
32 |
|
34 |
39.5 |
36.9 |
7.5 |
23 |
||
|
34 |
34 |
36 |
42.5 |
39.9 |
|||||

