|
扩口式组合弯通三通管接头和接头体的尺寸(摘自GB/T 5634—2008) mm |
|||||||||||||
|
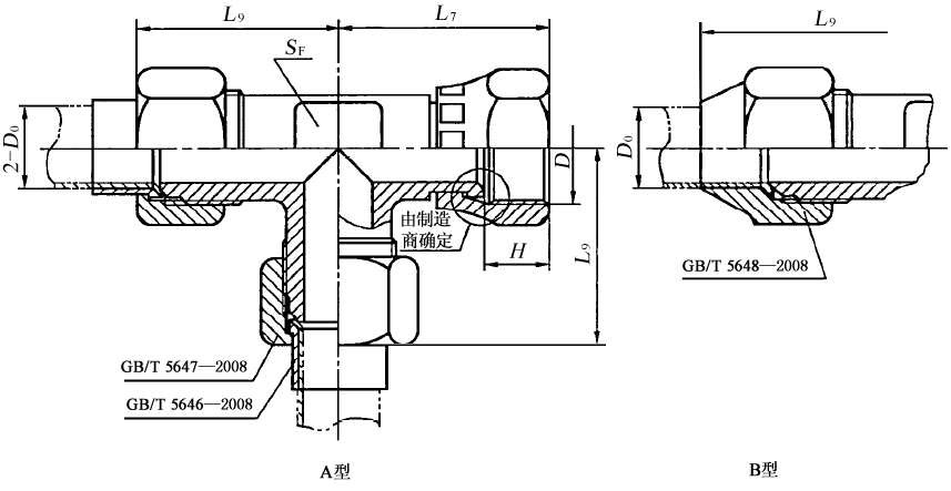
图1 扩口式组合弯通三通管接头
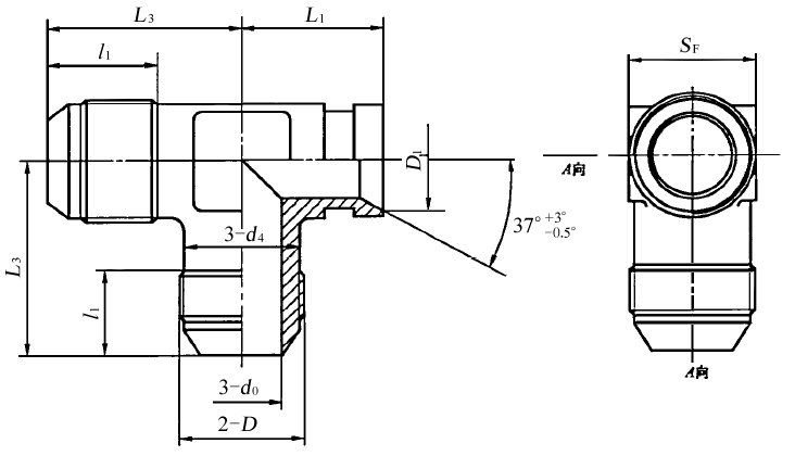
图2 扩口式组合弯通三通管接头
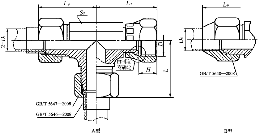
图3 扩口式组合弯通三通管接头
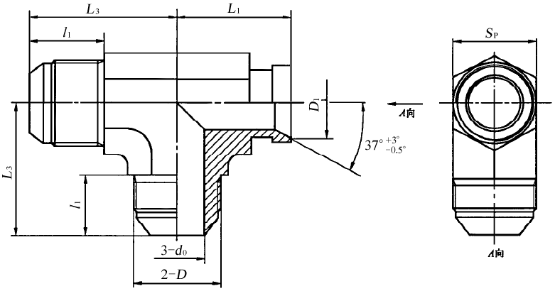
图4 扩口式组合弯通三通接头体 标记示例 扩口型式A,管子外径为10 mm,表面镀锌处理的钢制扩口式组合弯通三通管接头标记为: 管接头 GB/T 5634 A10 扩口型式A,管子外径为10 mm,表面镀锌处理的钢制扩口式组合弯通三通接头体标记为: 接头体 GB/T 5634 A10 |
|||||||||||||
|
管子 外径 D0 |
d0 |
D |
D1± 0.13 |
d4 |
L9≈ |
L1 |
L3 |
L7 |
l1 |
H |
S |
||
|
A型 |
B型 |
SF |
Sp |
||||||||||
|
4 |
3 |
M10×1 |
7.2 |
8 |
25.5 |
30 |
14 |
20.5 |
24.5 |
9.5 |
7.5 |
8 |
10 |
|
5 |
3.5 |
16.5 |
|||||||||||
|
6 |
4 |
M12×1.5 |
8.7 |
10 |
29.5 |
34.5 |
18.5 |
24 |
28.5 |
12 |
9.5 |
10 |
12 |
|
8 |
6 |
M14×1.5 |
10.4 |
11 |
35.5 |
43 |
22.5 |
28.5 |
33.5 |
13.5 |
10.5 |
12 |
14 |
|
10 |
8 |
M16×1.5 |
12.4 |
13 |
37.5 |
46.5 |
23.5 |
30.5 |
14.5 |
14 |
17 |
||
|
12 |
10 |
M18×1.5 |
14.4 |
15 |
38 |
49.5 |
24.5 |
31.5 |
36.5 |
17 |
19 |
||
|
14 |
12 |
M22×1.5 |
17.4 |
19 |
39.5 |
55 |
26.5 |
34 |
38.5 |
15 |
19 |
22 |
|
|
16 |
14 |
M24×1.5 |
19.9 |
21 |
41.5 |
57.5 |
27.5 |
35.5 |
40 |
15.5 |
11 |
22 |
24 |
|
18 |
15 |
M27×1.5 |
22.9 |
24 |
43 |
63 |
29 |
37.5 |
41.5 |
16 |
24 |
27 |
|
|
20 |
17 |
M30×2 |
24.9 |
27 |
50 |
— |
31.5 |
43 |
47.5 |
20 |
13.5 |
27 |
30 |
|
22 |
19 |
M33×2 |
27.9 |
30 |
53 |
— |
36 |
45.5 |
51 |
14 |
30 |
34 |
|
|
25 |
22 |
M36×2 |
30.9 |
33 |
55 |
— |
38 |
47 |
53 |
14.5 |
34 |
36 |
|
|
28 |
24 |
M39×2 |
33.9 |
36 |
58.5 |
— |
40 |
50 |
56 |
21.5 |
15 |
36 |
41 |
|
32 |
27 |
M42×2 |
36.9 |
39 |
61 |
— |
42.5 |
52.5 |
58.5 |
22.5 |
15.5 |
41 |
46 |
|
34 |
30 |
M45×2 |
39.9 |
42 |
62.5 |
— |
44 |
54 |
60.5 |
16 |
46 |
||




