|
扩口式锥螺纹三通管接头和接头体尺寸(摘自GB/T 5635—2008) mm |
||||||||||||
|
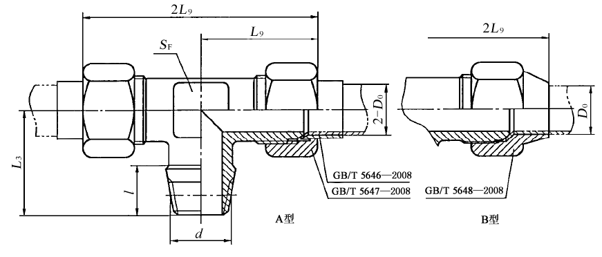
图1 扩口式锥螺纹三通管接头
图2 扩口式锥螺纹三通接头体
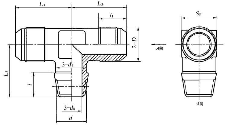
图3 扩口式锥螺纹三通管接头
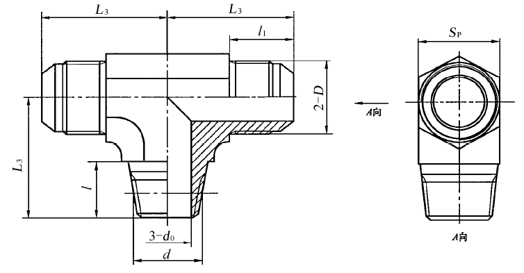
图4 扩口式锥螺纹三通接头体 标记方法 扩口式锥螺纹三通管接头和接头体的标记方法应符合GB/T 5653的规定。 标记示例 扩口型式A,管子外径为10 mm,55°密封管螺纹(R),表面镀锌处理的钢制扩口式锥螺纹三通管接头标记为: 管接头 GB/T 5635 A10/R1/4 扩口型式A,管子外径为10 mm,55°密封管螺纹(R),表面镀锌处理的钢制扩口式锥螺纹三通接头体标记为: 接头体 GB/T 5635 A10/R1/4 |
||||||||||||
|
管子外径 D0 |
d0 |
d a |
D |
L9≈ |
l |
L3 |
d4 |
l1 |
S |
|||
|
A型 |
B型 |
SF |
SP |
|||||||||
|
4 |
3 |
R1/8 |
NPT1/8 |
M10×1 |
25.5 |
30 |
8.5 |
20.5 |
8 |
9.5 |
8 |
10 |
|
5 |
3.5 |
|||||||||||
|
6 |
4 |
M12×1.5 |
29.5 |
34.5 |
24 |
10 |
12 |
10 |
12 |
|||
|
8 |
6 |
R1/4 |
NPT1/4 |
M14×1.5 |
35.5 |
43 |
12.5 |
28.5 |
11 |
13.5 |
12 |
14 |
|
10 |
8 |
M16×1.5 |
37.5 |
46.5 |
30.5 |
13 |
14.5 |
14 |
17 |
|||
|
12 |
10 |
R3/8 |
NPT3/8 |
M18×1.5 |
38 |
49.5 |
13 |
31.5 |
15 |
17 |
19 |
|
|
14 |
M22×1.5 |
39.5 |
55 |
34 |
19 |
15 |
19 |
22 |
||||
|
16 |
14 |
R1/2 |
NPT1/2 |
M24×1.5 |
41.5 |
57.5 |
17 |
35.5 |
21 |
15.5 |
22 |
24 |
|
18 |
15 |
M27×1.5 |
43 |
63 |
37.5 |
24 |
16 |
24 |
27 |
|||
|
20 |
17 |
R3/4 |
NPT3/4 |
M30×2 |
50 |
— |
18 |
43 |
27 |
20 |
27 |
30 |
|
22 |
19 |
M33×2 |
53 |
— |
45.5 |
30 |
30 |
34 |
||||
|
25 |
22 |
R1 |
NPT1 |
M36×2 |
55 |
— |
21.5 |
47 |
33 |
34 |
36 |
|
|
28 |
24 |
M39×2 |
58.5 |
— |
50 |
36 |
21.5 |
36 |
41 |
|||
|
32 |
27 |
R1¼ |
NPT1¼ |
M42×2 |
61 |
— |
24 |
52.5 |
39 |
22.5 |
41 |
46 |
|
34 |
30 |
M45×2 |
62.5 |
— |
54 |
42 |
46 |
|||||
|
a 优先选用55°密封管螺纹。 |
||||||||||||




