|
扩口式可调向端三通管接头和接头体尺寸(摘自GB/T 5633—2008) mm |
||||||||||||||
|
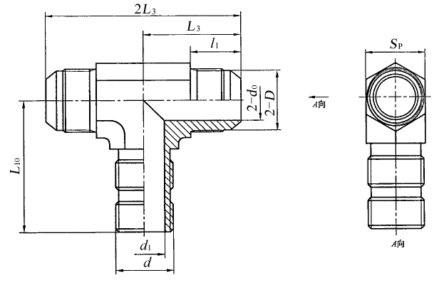
图1 扩口式可调向端三通管接头
图2 扩口式可调向端三通接头体
图3 扩口式可调向端三通管接头
图4 扩口式可调向端三通接头体 标记示例 扩口型式A,管子外径为10 mm,普通螺纹(M)可调向螺纹柱端,表面镀锌处理的钢制扩口式可调向端三通管接头标记为: 管接头 GB/T 5633 A10 扩口型式A,管子外径为10 mm,普通螺纹(M)可调向螺纹柱端,表面镀锌处理的钢制扩口式可调向端三通接头体标记为: 接头体 GB/T 5633 A10 |
||||||||||||||
|
管子 外径 D0 |
d0 |
D |
d |
d1 |
d4 |
l1 |
L3 |
L10±1 |
L11 参考 |
L9≈ |
S |
|||
|
基本 尺寸 |
极限 偏差 |
A型 |
B型 |
SF |
SP |
|||||||||
|
4 |
3 |
M10×1 |
M10×1 |
4.5 |
±0.1 |
8 |
9.5 |
20.5 |
25 |
16.4 |
25.5 |
30 |
8 |
10 |
|
5 |
3.5 |
|||||||||||||
|
6 |
4 |
M12×1.5 |
10 |
12 |
24 |
29.5 |
34.5 |
10 |
12 |
|||||
|
8 |
6 |
M14×1.5 |
M12×1.5 |
6 |
11 |
13.5 |
28.5 |
31 |
19.9 |
35.5 |
43 |
12 |
14 |
|
|
10 |
8 |
M16×1.5 |
M14×1.5 |
7.5 |
±0.2 |
13 |
14.5 |
30.5 |
31 |
19.9 |
37.5 |
46.5 |
14 |
17 |
|
12 |
10 |
M18×1.5 |
M16×1.5 |
9 |
15 |
31.5 |
33.5 |
21.9 |
38 |
49.5 |
17 |
19 |
||
|
14 |
12 |
M22×1.5 |
M18×1.5 |
11 |
19 |
15 |
34 |
37.5 |
24.9 |
39.5 |
55 |
19 |
22 |
|
|
16 |
14 |
M24×1.5 |
M22×1.5 |
14 |
21 |
15.5 |
35.5 |
41.5 |
28.8 |
41.5 |
57.5 |
22 |
24 |
|
|
18 |
15 |
M27×1.5 |
24 |
16 |
37.5 |
43 |
63 |
24 |
27 |
|||||
|
20 |
17 |
M30×2 |
M27×2 |
18 |
27 |
20 |
43 |
48.5 |
32.8 |
50 |
— |
27 |
30 |
|
|
22 |
19 |
M33×2 |
30 |
45.5 |
53 |
— |
30 |
34 |
||||||
|
25 |
22 |
M36×2 |
M33×2 |
23 |
33 |
47 |
51.5 |
35.8 |
55 |
— |
34 |
36 |
||
|
28 |
24 |
M39×2 |
36 |
21.5 |
50 |
58.5 |
— |
36 |
41 |
|||||
|
32 |
27 |
M42×2 |
M42×2 |
30 |
39 |
22.5 |
52.5 |
56.5 |
40.8 |
61 |
— |
41 |
46 |
|
|
34 |
30 |
M45×2 |
42 |
54 |
62.5 |
— |
46 |
|||||||




