|
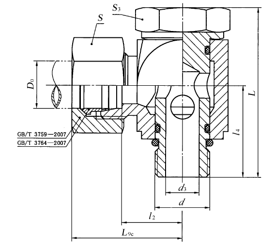
卡套式铰接管接头(摘自GB/T 3750—2008) mm |
||||||||||||||||||
|
接头系列为L,管子外径为10 mm,普通螺纹(M)F型柱端,表面镀锌处理的钢制卡套式铰接管接头标记为: 管接头 GB/T 3750 L10 |
||||||||||||||||||
|
系列 |
最大工作压力 /MPa |
管子外径 D0 |
D |
D2 |
d |
d1 |
d2 |
d3 |
l2 |
l3 |
l4 |
L |
L9 |
L9c |
S |
S2 |
S3 |
|
|
公称 尺寸 |
极限 偏差 |
|||||||||||||||||
|
L |
25 |
6 |
M12×1.5 |
12.7 |
M10×1 |
4 |
10 |
+0.022 0 |
4 |
11.5 |
10 |
18.5 |
33.5 |
18.5 |
26.5 |
14 |
17 |
14 |
|
8 |
M14×1.5 |
14.2 |
M12×1.5 |
6 |
12 |
+0.027 0 |
6 |
12.5 |
11.5 |
22.5 |
39 |
19.5 |
27.5 |
17 |
19 |
17 |
||
|
10 |
M16×1.5 |
16.5 |
M14×1.5 |
8 |
14 |
7 |
15 |
13 |
24 |
42 |
22 |
30 |
19 |
22 |
19 |
|||
|
12 |
M18×1.5 |
20.3 |
M16×1.5 |
10 |
16 |
9 |
17.5 |
15.5 |
27 |
49 |
24.5 |
32.5 |
22 |
27 |
22 |
|||
|
(14) |
M20×1.5 |
22.6 |
M18×1.5 |
11 |
18 |
10 |
19 |
17.5 |
30 |
53.5 |
26 |
34 |
24 |
30 |
24 |
|||
|
15 |
M22×1.5 |
22.6 |
M18×1.5 |
12 |
18 |
11 |
20 |
17.5 |
30 |
53.5 |
27 |
35 |
27 |
30 |
24 |
|||
|
(16) |
M24×1.5 |
24.1 |
M20×1.5 |
14 |
20 |
+0.033 0 |
12 |
20.5 |
18.5 |
31 |
56 |
28 |
37 |
30 |
32 |
27 |
||
|
16 |
18 |
M26×1.5 |
30 |
M22×1.5 |
15 |
22 |
14 |
22.5 |
21 |
34 |
62 |
30 |
39 |
32 |
36 |
27 |
||
|
22 |
M30×2 |
34 |
M26×1.5 |
19 |
26 |
18 |
27 |
23.5 |
39.5 |
70 |
34.5 |
43.5 |
36 |
41 |
32 |
|||
|
10 |
28 |
M36×2 |
41 |
M33×2 |
24 |
33 |
+0.039 0 |
23 |
29.5 |
26 |
42 |
76 |
37 |
46 |
41 |
46 |
41 |
|
|
35 |
M45×2 |
19 |
M42×2 |
30 |
42 |
30 |
33 |
30.5 |
46.5 |
86 |
43.5 |
54.5 |
50 |
55 |
50 |
|||
|
42 |
M52×2 |
62 |
M48×2 |
36 |
48 |
36 |
40 |
38 |
55.5 |
104.5 |
51 |
63 |
60 |
70 |
55 |
|||
|
S |
40 |
6 |
M14×1.5 |
14 |
M12×1.5 |
4 |
12 |
+0.027 0 |
4 |
16 |
13 |
24 |
43 |
23 |
31 |
17 |
22 |
17 |
|
8 |
M16×1.5 |
15.3 |
M14×1.5 |
5 |
14 |
5 |
17 |
14 |
25 |
47 |
24 |
32 |
19 |
24 |
19 |
|||
|
10 |
M18×1.5 |
17.2 |
M16×1.5 |
7 |
16 |
7 |
18 |
15.5 |
28 |
52 |
25.5 |
34.5 |
22 |
27 |
22 |
|||
|
12 |
M20×1.5 |
19.1 |
M18×1.5 |
8 |
18 |
8 |
19.5 |
17.5 |
31.5 |
59 |
27 |
36 |
24 |
30 |
24 |
|||
|
(14) |
M22×1.5 |
23 |
M20×1.5 |
9 |
20 |
+0.033 0 |
9 |
23.5 |
20.5 |
34.5 |
65 |
31 |
40 |
27 |
36 |
27 |
||
|
16 |
M24×1.5 |
23 |
M22×1.5 |
12 |
22 |
12 |
23.5 |
21 |
36 |
67 |
32 |
42 |
30 |
36 |
27 |
|||
|
20 |
M30×2 |
29 |
M27×2 |
16 |
27 |
15 |
28.5 |
26 |
44.5 |
82.5 |
39 |
50 |
36 |
46 |
32 |
|||
|
25 |
25 |
M36×2 |
37.6 |
M33×2 |
20 |
33 |
+0.039 0 |
20 |
31 |
28 |
46.5 |
88.5 |
43 |
55 |
46 |
50 |
41 |
|
|
16 |
30 |
M42×2 |
50 |
M42×2 |
25 |
42 |
25 |
36.5 |
33 |
52 |
99 |
50 |
63 |
50 |
60 |
50 |
||
|
38 |
M52×2 |
58.4 |
M48×2 |
32 |
48 |
32 |
41 |
38 |
59.5 |
114 |
57 |
72 |
60 |
70 |
55 |
|||
|
注:尽可能不采用括号内的规格。 |
||||||||||||||||||


