|
开口型沉头抽芯铆钉51级(GB/T 12617.4—2006) |
|||||||||||||||||
|
|
|||||||||||||||||
|
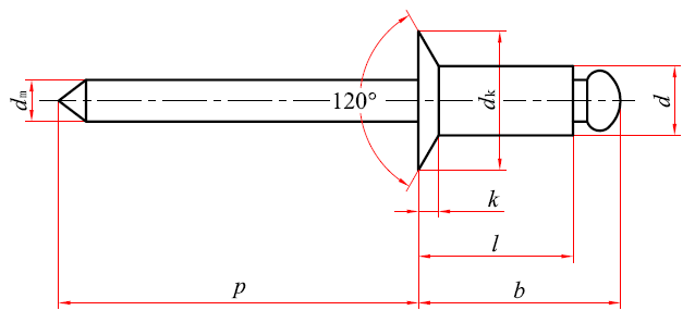
标记示例: 公称直径d=4mm、公称长度l=12mm、钉体由奥氏体不锈钢(A2)制造、钉芯由奥氏体不锈钢(A2)制造、性能等级为51级的开口型沉头抽芯铆钉的标记: 抽芯铆钉 GB/T 12617.4 4×12 mm |
|||||||||||||||||
|
钉体 |
d |
公称 |
3 |
3.2 |
4 |
4.8 |
5 |
||||||||||
|
max |
3.08 |
3.28 |
4.08 |
4.88 |
5.08 |
||||||||||||
|
min |
2.85 |
3.05 |
3.85 |
4.65 |
4.85 |
||||||||||||
|
dk |
max |
6.3 |
6.7 |
8.4 |
10.1 |
10.5 |
|||||||||||
|
min |
5.4 |
5.8 |
6.9 |
8.3 |
8.7 |
||||||||||||
|
k |
max |
1.3 |
1.3 |
1.7 |
2 |
2.1 |
|||||||||||
|
钉芯 |
dm |
max |
2.05 |
2.15 |
2.75 |
3.2 |
3.25 |
||||||||||
|
p |
min |
25 |
27 |
||||||||||||||
|
盲区 长度 |
b |
max |
lmax+4 |
lmax+4 |
lmax+4.5 |
lmax+5 |
lmax+5 |
||||||||||
|
铆钉长度l |
推荐的铆接范围 |
||||||||||||||||
|
公称=min |
max |
||||||||||||||||
|
6 |
7 |
1.5~3.0 |
1.0~2.5 |
— |
|||||||||||||
|
8 |
9 |
3.0~5.0 |
2.5~4.5 |
2.5~4.0 |
|||||||||||||
|
10 |
11 |
5.0~6.5 |
4.5~6.5 |
4.0~6.0 |
|||||||||||||
|
12 |
13 |
6.5~8.5 |
6.5~8.5 |
6.0~8.0 |
|||||||||||||
|
14 |
15 |
8.5~10.5 |
8.5~10.0 |
— |
|||||||||||||
|
16 |
17 |
10.5~12.5 |
10.0~12.0 |
8.0~11.0 |
|||||||||||||
|
18 |
19 |
— |
— |
11.0~13.0 |
|||||||||||||
|
机械性能等级与材料组合 |
|||||||||||||||||
|
性能 等级 |
钉 体 材 料 |
钉 芯 材 料 |
|||||||||||||||
|
种 类 |
材料牌号 |
标准编号 |
种 类 |
材料牌号 |
标准编号 |
||||||||||||
|
51 |
不锈钢 |
0Cr18Ni9 1Cr18Ni9 |
GB/T 1220 |
不锈钢 |
0Cr18Ni9 2Cr13 |
GB/T 4232 |
|||||||||||
|
剪切载荷、拉力载荷与钉芯断裂载荷 N |
|||||||||||||||||
|
公称直径d /mm |
剪切载荷 min |
拉力载荷 min |
钉芯断裂载荷 max |
||||||||||||||
|
3 |
1800 |
2200 |
4100 |
||||||||||||||
|
3.2 |
1900 |
2500 |
4500 |
||||||||||||||
|
4 |
2700 |
3500 |
6500 |
||||||||||||||
|
4.8 |
4000 |
5000 |
8500 |
||||||||||||||
|
5 |
4700 |
5800 |
9000 |
||||||||||||||

