|
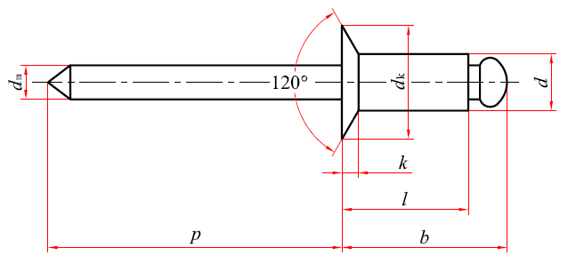
开口型沉头抽芯铆钉12级(GB/T 12617.3—2006) |
|||||||||||||||||
|
|
|||||||||||||||||
|
标记示例: 公称直径d=4mm、公称长度l=12mm、钉体由铝合金(AlA)制造、钉芯由铝合金(AlA)制造、性能等级为12级的开口型沉头抽芯铆钉的标记: 抽芯铆钉 GB/T 12617.3 4×12 mm |
|||||||||||||||||
|
钉体 |
d |
公称 |
2.4 |
3.2 |
4 |
4.8 |
6.4 |
||||||||||
|
max |
2.48 |
3.28 |
4.08 |
4.88 |
6.48 |
||||||||||||
|
min |
2.25 |
3.05 |
3.85 |
4.65 |
6.25 |
||||||||||||
|
dk |
max |
5.0 |
6.7 |
8.4 |
10.1 |
13.4 |
|||||||||||
|
min |
4.2 |
5.8 |
6.9 |
8.3 |
11.6 |
||||||||||||
|
k |
max |
1 |
1.3 |
1.7 |
2 |
2.7 |
|||||||||||
|
钉芯 |
dm |
max |
1.6 |
2.1 |
2.55 |
3.05 |
4 |
||||||||||
|
p |
min |
25 |
27 |
||||||||||||||
|
盲区长度 |
b |
max |
lmax+3 |
lmax+3 |
lmax+3.5 |
lmax+4 |
lmax+5.5 |
||||||||||
|
铆钉长度l |
推荐的铆接范围 |
||||||||||||||||
|
公称=min |
max |
||||||||||||||||
|
6 |
7 |
1.5~4.0 |
2.5~3.5 |
— |
— |
— |
|||||||||||
|
8 |
9 |
— |
3.5~5.0 |
2.0~5.0 |
2.5~4.0 |
— |
|||||||||||
|
10 |
11 |
— |
5.0~7.0 |
5.0~6.5 |
4.0~6.0 |
— |
|||||||||||
|
12 |
13 |
— |
7.0~9.0 |
6.5~8.5 |
6.0~8.0 |
3.0~6.0 |
|||||||||||
|
16 |
17 |
— |
9.0~13.0 |
8.5~12.5 |
8.0~12.0 |
6.0~10.0 |
|||||||||||
|
20 |
21 |
— |
13.0~17.0 |
12.5~16.5 |
12.0~15.0 |
10.0~14.0 |
|||||||||||
|
机械性能等级与材料组合 |
|||||||||||||||||
|
性能 等级 |
钉 体 材 料 |
钉 芯 材 料 |
|||||||||||||||
|
种 类 |
材料牌号 |
标准编号 |
种 类 |
材料牌号 |
标准编号 |
||||||||||||
|
12 |
铝合金 |
5052、5A02 |
GB/T 3190 |
铝合金 |
7A03、5183 |
GB/T 3190 |
|||||||||||
|
剪切载荷、拉力载荷与钉芯断裂载荷 N |
|||||||||||||||||
|
公称直径d /mm |
剪切载荷 min |
拉力载荷 min |
钉芯断裂载荷 max |
||||||||||||||
|
2.4 |
250 |
350 |
1100 |
||||||||||||||
|
3.2 |
500 |
700 |
1800 |
||||||||||||||
|
4 |
850 |
1200 |
2700 |
||||||||||||||
|
4.8 |
1200 |
1700 |
3700 |
||||||||||||||
|
6.4 |
2200 |
3150 |
6300 |
||||||||||||||

