|
开口型沉头抽芯铆钉30级(GB/T 12617.2—2006) |
||||||||||||||||||||
|
|
||||||||||||||||||||
|
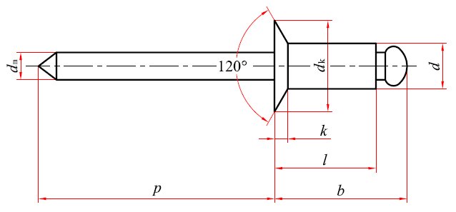
标记示例: 公称直径d=4mm、公称长度l=12mm、钉体由钢(St)制造、钉芯由钢(St)制造、性能等级为30级的开口型沉头抽芯铆钉的标记: 抽芯铆钉 GB/T 12617.2 4×12 mm |
||||||||||||||||||||
|
钉体 |
d |
公称 |
2.4 |
3 |
3.2 |
4 |
4.8 |
5 |
6 |
6.4 |
||||||||||
|
max |
2.48 |
3.08 |
3.28 |
4.08 |
4.88 |
5.08 |
6.08 |
6.48 |
||||||||||||
|
min |
2.25 |
2.85 |
3.05 |
3.85 |
4.65 |
4.85 |
5.85 |
6.25 |
||||||||||||
|
dk |
max |
5.0 |
6.3 |
6.7 |
8.4 |
10.1 |
10.5 |
12.6 |
13.4 |
|||||||||||
|
min |
4.2 |
5.4 |
5.8 |
6.9 |
8.3 |
8.7 |
10.8 |
11.6 |
||||||||||||
|
k |
max |
1 |
1.3 |
1.3 |
1.7 |
2 |
2.1 |
2.5 |
2.7 |
|||||||||||
|
钉芯 |
dm |
max |
1.5 |
2.15 |
2.15 |
2.8 |
3.5 |
3.5 |
3.4 |
4 |
||||||||||
|
p |
min |
25 |
27 |
|||||||||||||||||
|
盲区长度 |
b |
max |
lmax+3.5 |
lmax+3.5 |
lmax+4 |
lmax+4 |
lmax+4.5 |
lmax+4.5 |
lmax+5 |
lmax+5.5 |
||||||||||
|
铆钉长度l |
推荐的铆接范围 |
|||||||||||||||||||
|
公称=min |
max |
|||||||||||||||||||
|
6 |
7 |
1.5~3.5 |
1.5~3.0 |
2.0~3.0 |
— |
— |
— |
|||||||||||||
|
8 |
9 |
3.5~5.5 |
3.0~5.0 |
3.0~5.0 |
2.5~4.0 |
— |
— |
|||||||||||||
|
10 |
11 |
— |
5.0~6.5 |
5.0~6.5 |
4.0~6.0 |
3.0~4.0 |
3.0~4.0 |
|||||||||||||
|
12 |
13 |
5.5~9.5 |
6.5~8.0 |
6.5~8.0 |
6.0~8.0 |
4.0~6.0 |
4.0~6.0 |
|||||||||||||
|
16 |
17 |
— |
8.0~12.0 |
8.0~12.0 |
8.0~11.0 |
6.0~10.0 |
6.0~9.0 |
|||||||||||||
|
20 |
21 |
— |
12.0~16.0 |
12.0~16.0 |
11.0~15.0 |
10.0~14.0 |
9.0~13.0 |
|||||||||||||
|
25 |
26 |
— |
— |
— |
15.0~19.5 |
14.0~19.0 |
13.0~19.0 |
|||||||||||||
|
机械性能等级与材料组合 |
||||||||||||||||||||
|
性能 等级 |
钉 体 材 料 |
钉 芯 材 料 |
||||||||||||||||||
|
种 类 |
材料牌号 |
标准编号 |
种 类 |
材料牌号 |
标准编号 |
|||||||||||||||
|
30 |
碳素钢 |
08F、10 |
GB/T 699 GB/T 3206 |
碳素钢 |
10、15、 35、45 |
GB/T 699 GB/T 3206 |
||||||||||||||
|
剪切载荷、拉力载荷与钉芯断裂载荷 N |
||||||||||||||||||||
|
公称直径d /mm |
剪切载荷 min |
拉力载荷 min |
钉芯断裂载荷 max |
|||||||||||||||||
|
2.4 |
650 |
700 |
2000 |
|||||||||||||||||
|
3 |
950 |
1100 |
3200 |
|||||||||||||||||
|
3.2 |
1100 |
1200 |
4000 |
|||||||||||||||||
|
4 |
1700 |
2200 |
5800 |
|||||||||||||||||
|
4.8 |
2900 |
3100 |
7500 |
|||||||||||||||||
|
5 |
3100 |
4000 |
8000 |
|||||||||||||||||
|
6 |
4300 |
4800 |
12500 |
|||||||||||||||||
|
6.4 |
4900 |
5700 |
13000 |
|||||||||||||||||

