|
开口型沉头抽芯铆钉10、11级(GB/T 12617.1—2006) |
||||||||||||||||||||
|
|
||||||||||||||||||||
|
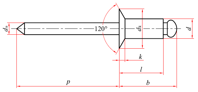
标记示例: 公称直径d=4mm、公称长度l=12mm、钉体由铝合金(AlA)制造、钉芯由钢(St)制造、性能等级为10级的开口型沉头抽芯铆钉的标记: 抽芯铆钉 GB/T 12617.1 4×12 mm |
||||||||||||||||||||
|
钉体 |
d |
公称 |
2.4 |
3 |
3.2 |
4 |
4.8 |
5 |
||||||||||||
|
max |
2.48 |
3.08 |
3.28 |
4.08 |
4.88 |
5.08 |
||||||||||||||
|
min |
2.25 |
2.85 |
3.05 |
3.85 |
4.65 |
4.85 |
||||||||||||||
|
dk |
max |
5.0 |
6.3 |
6.7 |
8.4 |
10.1 |
10.5 |
|||||||||||||
|
min |
4.2 |
5.4 |
5.8 |
6.9 |
8.3 |
8.7 |
||||||||||||||
|
k |
max |
1 |
1.3 |
1.3 |
1.7 |
2 |
2.1 |
|||||||||||||
|
钉芯 |
dm |
max |
1.55 |
2 |
2 |
2.45 |
2.95 |
2.95 |
||||||||||||
|
p |
min |
25 |
27 |
|||||||||||||||||
|
盲区长度 |
b |
max |
lmax+3.5 |
lmax+3.5 |
lmax+4 |
lmax+4 |
lmax+4.5 |
lmax+4.5 |
||||||||||||
|
铆钉长度l |
推荐的铆接范围 |
|||||||||||||||||||
|
公称=min |
max |
|||||||||||||||||||
|
4 |
5 |
1.5~2.0 |
— |
— |
— |
|||||||||||||||
|
6 |
7 |
2.0~4.0 |
2.0~3.5 |
— |
— |
|||||||||||||||
|
8 |
9 |
4.0~6.0 |
3.5~5.0 |
2.0~5.0 |
2.5~4.0 |
|||||||||||||||
|
10 |
11 |
6.0~8.0 |
5.0~7.0 |
5.0~6.5 |
4.0~6.0 |
|||||||||||||||
|
12 |
13 |
8.0~9.5 |
7.0~9.0 |
6.5~8.5 |
6.0~8.0 |
|||||||||||||||
|
16 |
17 |
— |
9.0~13.0 |
8.5~12.5 |
8.0~12.0 |
|||||||||||||||
|
20 |
21 |
— |
13.0~17.0 |
12.5~16.5 |
12.0~15.0 |
|||||||||||||||
|
25 |
26 |
— |
17.0~22.0 |
16.5~21.5 |
15.0~20.0 |
|||||||||||||||
|
30 |
31 |
— |
— |
— |
20.0~25.0 |
|||||||||||||||
|
机械性能等级与材料组合 |
||||||||||||||||||||
|
性能等级 |
钉体材料 |
钉芯材料 |
||||||||||||||||||
|
种类 |
材料牌号 |
标准编号 |
种类 |
材料牌号 |
标准编号 |
|||||||||||||||
|
10 |
铝合金 |
5052、5A02 |
GB/T 3190 |
钢 |
10、15、 35、45 |
GB/T 699 GB/T 3206 |
||||||||||||||
|
11 |
5056、5A05 |
|||||||||||||||||||
|
按GB/T 3098.19规定。ISO 15978未规定机械性能等级与材料牌号 |
||||||||||||||||||||
|
剪切载荷、拉力载荷与钉芯断裂载荷 N |
||||||||||||||||||||
|
公称直径 d/mm |
10级 |
11级 |
钉芯断裂载荷 max |
|||||||||||||||||
|
剪切载荷 min |
拉力载荷 min |
剪切载荷 min |
拉力载荷 min |
|||||||||||||||||
|
2.4 |
250 |
350 |
350 |
550 |
2000 |
|||||||||||||||
|
3 |
400 |
550 |
550 |
850 |
3000 |
|||||||||||||||
|
3.2 |
500 |
700 |
750 |
1100 |
3500 |
|||||||||||||||
|
4 |
850 |
1200 |
1250 |
1800 |
5000 |
|||||||||||||||
|
4.8 |
1200 |
1700 |
1850 |
2600 |
6500 |
|||||||||||||||
|
5 |
1400 |
2000 |
2150 |
3100 |
6500 |
|||||||||||||||
|
按GB/T 3098.19规定。ISO 15978未规定机械性能等级 |
||||||||||||||||||||

