|
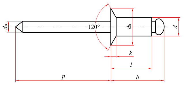
开口型沉头抽芯铆钉20、21、22级(GB/T 12617.5—2006) |
||||||||||||||
|
|
||||||||||||||
|
标记示例: 公称直径d=4mm、公称长度l=12mm、钉体由铜(Cu)制造、钉芯由钢(St)制造、性能等级为20级的开口型沉头抽芯铆钉的标记: 抽芯铆钉 GB/T 12617.5 4×12 mm |
||||||||||||||
|
钉体 |
d |
公称 |
3 |
3.2 |
4 |
4.8 |
||||||||
|
max |
3.08 |
3.28 |
4.08 |
4.88 |
||||||||||
|
min |
2.85 |
3.05 |
3.85 |
4.65 |
||||||||||
|
dk |
max |
6.3 |
6.7 |
8.4 |
10.1 |
|||||||||
|
min |
5.4 |
5.8 |
6.9 |
8.3 |
||||||||||
|
k |
max |
1.3 |
1.3 |
1.7 |
2 |
|||||||||
|
钉芯 |
dm |
max |
2 |
2 |
2.45 |
2.95 |
||||||||
|
p |
min |
25 |
27 |
|||||||||||
|
盲区长度 |
b |
max |
lmax+3.5 |
lmax+4 |
lmax+4 |
lmax+4.5 |
||||||||
|
铆钉长度l |
推荐的铆接范围 |
|||||||||||||
|
公称=min |
max |
|||||||||||||
|
5 |
6 |
1.5~2.0 |
2.0~2.5 |
— |
||||||||||
|
6 |
7 |
2.0~3.0 |
2.5~3.5 |
— |
||||||||||
|
8 |
9 |
2.0~3.0 |
3.5~5.0 |
2.5~4.0 |
||||||||||
|
10 |
11 |
5.0~7.0 |
5.0~7.0 |
4.0~6.0 |
||||||||||
|
12 |
13 |
7.0~9.0 |
7.0~8.5 |
6.0~8.0 |
||||||||||
|
14 |
15 |
9.0~11.0 |
8.5~10.0 |
8.0~10.0 |
||||||||||
|
16 |
17 |
— |
10.0~12.5 |
10.0~12.0 |
||||||||||
|
18 |
19 |
— |
— |
12.0~14.0 |
||||||||||
|
20 |
21 |
— |
— |
14.0~16.0 |
||||||||||
|
机械性能等级与材料组合 |
||||||||||||||
|
性能 等级 |
钉 体 材 料 |
钉 芯 材 料 |
||||||||||||
|
种 类 |
材料牌号 |
标准编号 |
种 类 |
材料牌号 |
标准编号 |
|||||||||
|
20 |
铜 |
T1 T2 T3 |
GB/T 14956 |
钢 |
10、15、 35、45 |
GB/T 699 GB/T 3206 |
||||||||
|
21 |
青铜 |
由供需双方协议 |
||||||||||||
|
22 |
不锈钢 |
0Cr18Ni9 1Cr18Ni9 |
GB/T 4232 |
|||||||||||
|
剪切载荷、拉力载荷与钉芯断裂载荷 N |
||||||||||||||
|
公称直径d /mm |
剪切载荷 min |
拉力载荷 min |
钉芯断裂载荷 max |
|||||||||||
|
3 |
760 |
950 |
3000 |
|||||||||||
|
3.2 |
800 |
1000 |
3000 |
|||||||||||
|
4 |
1500 |
1800 |
4500 |
|||||||||||
|
4.8 |
2000 |
2500 |
5000 |
|||||||||||

