|
带环形座外球面球轴承(带顶丝、带偏心套) (GB/T 7810—2017) |
|||||||||||||||
|
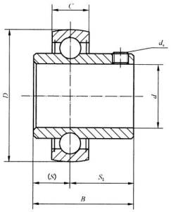
带顶丝外球面球轴承(UC型)
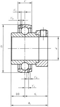
带环形座顶丝外球面球轴承(UCC型)
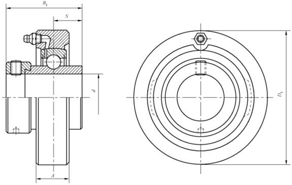
带偏心套外球面球轴承(UEL型)
带环形座偏心套外球面球轴承(UELC型) 符号含义与应用 UC—带顶丝外球面球轴承 UEL—带偏心套外球面球轴承 C—铸造环形座 具有与深沟球轴承相同的载荷能力,调心性能较好,有密封装置,结构紧凑,使用方便。 |
|||||||||||||||
|
轴 承 尺 寸 /mm |
基本额定载荷/kN |
配用偏心套 |
座尺寸/mm |
带座轴承代号 |
轴承代号 |
座代号 |
|||||||||
|
d |
D |
B |
S |
C |
ds |
G |
d1 max |
Cr |
C0r |
代号 |
A |
D1 |
UCC 型 UELC 型 |
UC 型 UEL 型 |
C 型 |
|
12 |
40 |
27.4 |
11.5 |
14 |
M5×0.8 |
4 |
— |
7.35 |
4.78 |
— |
20 |
67 |
UCC 201S |
UC 201S |
C 203 |
|
|
40 |
37.3 |
13.9 |
14 |
— |
— |
28.6 |
7.35 |
4.78 |
E 201S |
20 |
67 |
UELC 201S |
UEL 201S |
C 203 |
|
|
40 |
31.0 |
12.7 |
14 |
M6×1 |
|
|
7.35 |
4.78 |
— |
20 |
72 |
UCC 201 |
UC 201 |
C 203 |
|
|
40 |
43.7 |
17.1 |
14 |
— |
|
|
7.35 |
4.78 |
E
201 |
20 |
72 |
UELC 201 |
UEL 201 |
C 203 |
|
|
|
|
|
|
|
|
|
|
|
|
|
|
|
|
|
|
15 |
40 |
27.4 |
11.5 |
14 |
M5×0.8 |
4 |
— |
7.35 |
4.78 |
— |
20 |
67 |
UCC 202S |
UC 202S |
C 203 |
|
|
40 |
37.3 |
13.9 |
14 |
— |
— |
28.6 |
7.35 |
4.78 |
E 202S |
20 |
67 |
UELC 202S |
UEL 202S |
C 203 |
|
|
40 |
31.0 |
12.7 |
14 |
M6×1 |
|
|
7.35 |
4.78 |
— |
20 |
72 |
UCC 202 |
UC 202 |
C 203 |
|
|
40 |
43.7 |
17.1 |
14 |
— |
|
|
7.35 |
4.78 |
E
201 |
20 |
72 |
UELC 202 |
UEL 202 |
C 203 |
|
|
|
|
|
|
|
|
|
|
|
|
|
|
|
|
|
|
17 |
40 |
27.4 |
11.5 |
14 |
M5×0.8 |
4 |
— |
7.35 |
4.78 |
— |
20 |
67 |
UCC 203S |
UC 203S |
C 203 |
|
|
40 |
37.3 |
13.9 |
14 |
— |
— |
28.6 |
7.35 |
4.78 |
E 203S |
20 |
67 |
UELC 203S |
UEL 203S |
C 203 |
|
|
40 |
31.0 |
12.7 |
14 |
M6×1 |
|
|
7.35 |
4.78 |
— |
20 |
72 |
UCC 203 |
UC 203 |
C 203 |
|
|
40 |
43.7 |
17.1 |
14 |
— |
|
|
7.35 |
4.78 |
E
201 |
20 |
72 |
UELC 203 |
UEL 203 |
C 203 |
|
|
|
|
|
|
|
|
|
|
|
|
|
|
|
|
|
|
20 |
47 |
31.0 |
12.7 |
17 |
M6×1 |
5 |
— |
9.88 |
6.65 |
— |
20 |
72 |
UCC 204 |
UC 204 |
C 204 |
|
|
47 |
43.7 |
17.1 |
17 |
— |
— |
33.3 |
9.88 |
6.65 |
E 204 |
20 |
72 |
UELC 204 |
UEL 204 |
C 204 |
|
|
|
|
|
|
|
|
|
|
|
|
|
|
|
|
|
|
25 |
52 |
34.1 |
14.3 |
17 |
M6×0.75 |
5 |
— |
10.8 |
7.88 |
— |
22 |
80 |
UCC 205 |
UC 205 |
C 205 |
|
|
62 |
38 |
15 |
21 |
M6×0.75 |
6 |
— |
17.2 |
11.5 |
— |
26 |
90 |
UCC 305 |
UC 305 |
C 305 |
|
|
52 |
44.4 |
17.5 |
17 |
— |
— |
38.1 |
10.8 |
7.88 |
E 205 |
22 |
80 |
UELC 205 |
UEL205 |
C 205 |
|
|
62 |
46.8 |
16.7 |
21 |
— |
— |
42.8 |
17.2 |
11.5 |
E 305 |
26 |
90 |
UELC 305 |
UEL305 |
C 305 |
|
|
|
|
|
|
|
|
|
|
|
|
|
|
|
|
|
|
30 |
62 |
38.1 |
15.9 |
19 |
M6×1 |
5 |
— |
15.0 |
11.2 |
— |
27 |
85 |
UCC 206 |
UC 206 |
C 206 |
|
|
72 |
43 |
17 |
23 |
M6×1 |
6 |
— |
20.8 |
15.2 |
— |
28 |
100 |
UCC 306 |
UC 306 |
C 306 |
|
|
62 |
48.4 |
18.3 |
19 |
— |
— |
44.5 |
15.0 |
11.2 |
E 206 |
27 |
85 |
UELC 206 |
UEL 206 |
C 206 |
|
|
72 |
50 |
17.5 |
23 |
— |
— |
50 |
20.8 |
15.2 |
E 306 |
28 |
100 |
UELC 306 |
UEL 306 |
C 306 |
|
|
|
|
|
|
|
|
|
|
|
|
|
|
|
|
|
|
35 |
72 |
42.9 |
17.5 |
20 |
M8×1 |
7 |
— |
19.8 |
15.2 |
— |
28 |
90 |
UCC 207 |
UC 207 |
C 207 |
|
|
80 |
48 |
19 |
25 |
M8×1 |
8 |
— |
25.8 |
19.2 |
— |
32 |
110 |
UCC 307 |
UC 307 |
C 307 |
|
|
72 |
51.1 |
18.8 |
20 |
— |
— |
55.6 |
19.8 |
15.2 |
E 207 |
28 |
30 |
UELC 207 |
UEL 207 |
C 207 |
|
|
80 |
51.6 |
18.3 |
25 |
— |
— |
55 |
25.8 |
19.2 |
E 307 |
32 |
110 |
UELC 307 |
UEL 307 |
C 307 |
|
|
|
|
|
|
|
|
|
|
|
|
|
|
|
|
|
|
40 |
80 |
49.2 |
19 |
21 |
M8×1 |
8 |
— |
22.8 |
18.2 |
— |
30 |
100 |
UCC 208 |
UC 208 |
C 208 |
|
|
90 |
52 |
19 |
27 |
M10×1.25 |
10 |
— |
31.2 |
24.0 |
— |
34 |
120 |
UCC 308 |
UC 308 |
C 308 |
|
|
80 |
56.3 |
21.4 |
21 |
— |
— |
60.3 |
22.8 |
18.2 |
E 208 |
30 |
100 |
UELC 208 |
UEL 208 |
C 208 |
|
|
90 |
57.1 |
19.8 |
27 |
— |
— |
63.5 |
31.2 |
24.0 |
E 308 |
34 |
120 |
UELC 308 |
UEL 308 |
C 308 |
|
|
|
|
|
|
|
|
|
|
|
|
|
|
|
|
|
|
45 |
85 |
49.2 |
19.0 |
22 |
M8×1 |
8 |
— |
24.5 |
20.8 |
— |
31 |
110 |
UCC 209 |
UC 209 |
C 209 |
|
|
100 |
57 |
22 |
30 |
M10×1.25 |
10 |
— |
40.8 |
31.8 |
— |
38 |
130 |
UCC 309 |
UC 309 |
C 309 |
|
|
85 |
56.3 |
21.4 |
22 |
— |
— |
63.5 |
24.5 |
20.8 |
E 209 |
31 |
110 |
UELC 209 |
UEL 209 |
C 209 |
|
|
100 |
58.7 |
19.8 |
30 |
— |
— |
70 |
40.8 |
31.8 |
E 309 |
38 |
130 |
UELC 309 |
UEL 309 |
C 309 |
|
|
|
|
|
|
|
|
|
|
|
|
|
|
|
|
|
|
50 |
90 |
51.6 |
19.0 |
24 |
M10×1.25 |
10 |
— |
27.0 |
23.2 |
— |
33 |
120 |
UCC 210 |
UC 210 |
C 210 |
|
|
110 |
61 |
22 |
32 |
M12×1.5 |
12 |
— |
47.5 |
37.8 |
— |
40 |
140 |
UCC 310 |
UC 310 |
C 310 |
|
|
90 |
62.7 |
24.6 |
24 |
— |
— |
69.9 |
27.0 |
23.2 |
E 210 |
33 |
120 |
UELC 210 |
UEL 210 |
C 210 |
|
|
110 |
66.6 |
24.6 |
32 |
— |
— |
76.2 |
47.5 |
37.8 |
E 310 |
40 |
140 |
UELC 310 |
UEL 310 |
C 310 |
|
|
|
|
|
|
|
|
|
|
|
|
|
|
|
|
|
|
55 |
100 |
55.6 |
22.2 |
25 |
M10×1.25 |
10 |
— |
33.5 |
29.2 |
— |
35 |
125 |
UCC 211 |
UC 211 |
C 211 |
|
|
120 |
66 |
25 |
34 |
M12×1.5 |
12 |
— |
55.0 |
44.8 |
— |
44 |
150 |
UCC 311 |
UC 311 |
C 311 |
|
|
100 |
71.4 |
27.8 |
25 |
— |
— |
76.2 |
33.5 |
29.2 |
E 211 |
35 |
125 |
UELC 211 |
UEL 211 |
C 211 |
|
|
120 |
73 |
27.8 |
34 |
— |
— |
83 |
55.0 |
44.8 |
E 311 |
44 |
150 |
UELC 311 |
UEL 311 |
C 311 |
|
|
|
|
|
|
|
|
|
|
|
|
|
|
|
|
|
|
60 |
110 |
65.1 |
25.4 |
27 |
M10×1.25 |
10 |
— |
36.8 |
32.8 |
— |
38 |
130 |
UCC 212 |
UC 212 |
C 212 |
|
|
130 |
71 |
26 |
36 |
M12×1.5 |
12 |
— |
62.8 |
51.8 |
— |
46 |
160 |
UCC 312 |
UC 312 |
C 312 |
|
|
110 |
77.8 |
31.0 |
27 |
— |
— |
84.2 |
36.8 |
32.8 |
E 212 |
38 |
130 |
UELC 212 |
UEL 212 |
C 212 |
|
|
130 |
79.4 |
30.95 |
36 |
— |
— |
89 |
62.8 |
51.8 |
E 312 |
46 |
160 |
UELC 312 |
UEL 312 |
C 312 |
|
|
|
|
|
|
|
|
|
|
|
|
|
|
|
|
|
|
65 |
120 |
65.1 |
25.4 |
28 |
M10×1.25 |
10 |
— |
44.0 |
40.0 |
— |
40 |
140 |
UCC 213 |
UC 213 |
C 213 |
|
|
140 |
75 |
30 |
38 |
M12×1.5 |
12 |
— |
72.2 |
60.5 |
— |
50 |
170 |
UCC 313 |
UC 313 |
C 313 |
|
|
120 |
85.7 |
34.1 |
28 |
— |
— |
86 |
44.0 |
40.0 |
E 213 |
40 |
140 |
UELC 213 |
UEL 213 |
C 213 |
|
|
140 |
85.7 |
32.55 |
38 |
— |
— |
97 |
72.2 |
60.5 |
E 313 |
50 |
170 |
UELC 313 |
UEL 313 |
C 313 |
|
|
|
|
|
|
|
|
|
|
|
|
|
|
|
|
|
|
70 |
150 |
78 |
33 |
40 |
M12×1.5 |
12 |
— |
80.2 |
68.0 |
— |
52 |
180 |
UCC 314 |
UC 314 |
C 314 |
|
|
150 |
92.1 |
34.15 |
40 |
— |
— |
102 |
80.2 |
68.0 |
E 314 |
52 |
180 |
UELC 314 |
UEL 314 |
C 314 |
|
|
|
|
|
|
|
|
|
|
|
|
|
|
|
|
|
|
75 |
160 |
82 |
32 |
42 |
M14×1.5 |
14 |
— |
87.2 |
76.8 |
— |
55 |
190 |
UCC 315 |
UC 315 |
C 315 |
|
|
160 |
100 |
37.3 |
42 |
— |
— |
113 |
87.2 |
76.8 |
E 315 |
55 |
190 |
UELC 315 |
UEL 315 |
C 315 |
|
|
|
|
|
|
|
|
|
|
|
|
|
|
|
|
|
|
80 |
170 |
86 |
34 |
44 |
M14×1.5 |
14 |
— |
94.5 |
86.5 |
— |
60 |
200 |
UCC 316 |
UC 316 |
C 316 |
|
|
170 |
106.4 |
40.5 |
44 |
— |
— |
119 |
94.5 |
86.5 |
E 316 |
60 |
200 |
UELC 316 |
UEL 316 |
C 316 |
|
|
|
|
|
|
|
|
|
|
|
|
|
|
|
|
|
|
85 |
180 |
96 |
40 |
46 |
M16×1.5 |
16 |
— |
102 |
96.5 |
— |
64 |
215 |
UCC 317 |
UC 317 |
C 317 |
|
|
180 |
109.5 |
42.05 |
46 |
— |
— |
127 |
102 |
96.5 |
E 317 |
64 |
215 |
UELC 317 |
UEL 317 |
C 317 |
|
|
|
|
|
|
|
|
|
|
|
|
|
|
|
|
|
|
90 |
190 |
96 |
40 |
48 |
M16×1.5 |
16 |
— |
110 |
108 |
— |
66 |
225 |
UCC 318 |
UC 318 |
C 318 |
|
|
190 |
115.9 |
43.65 |
48 |
— |
— |
133 |
110 |
108 |
E 318 |
66 |
225 |
UELC 318 |
UEL 318 |
C 318 |
|
|
|
|
|
|
|
|
|
|
|
|
|
|
|
|
|
|
95 |
200 |
103 |
41 |
50 |
M16×1.5 |
16 |
— |
120 |
122 |
— |
72 |
240 |
UCC 319 |
UC 319 |
C 319 |
|
|
200 |
122.3 |
38.9 |
50 |
— |
— |
140 |
120 |
122 |
E 319 |
72 |
240 |
UELC 319 |
UEL 319 |
C 319 |
|
|
|
|
|
|
|
|
|
|
|
|
|
|
|
|
|
|
100 |
215 |
108 |
42 |
54 |
M18×1.5 |
18 |
— |
132 |
140 |
— |
75 |
260 |
UCC 320 |
UC 320 |
C 320 |
|
|
215 |
128.6 |
50 |
54 |
— |
— |
146 |
132 |
140 |
E 320 |
75 |
260 |
UELC 320 |
UEL 320 |
C 320 |
|
|
|
|
|
|
|
|
|
|
|
|
|
|
|
|
|
|
105 |
225 |
112 |
44 |
56 |
M18×1.5 |
18 |
— |
142 |
152 |
— |
75 |
260 |
UCC 321 |
UC 321 |
C 321 |
|
|
|
|
|
|
|
|
|
|
|
|
|
|
|
|
|
|
110 |
240 |
117 |
46 |
60 |
M18×1.5 |
18 |
— |
158 |
178 |
— |
80 |
300 |
UCC 322 |
UC 322 |
C 322 |
|
|
|
|
|
|
|
|
|
|
|
|
|
|
|
|
|
|
120 |
260 |
126 |
51 |
64 |
M18×1.5 |
18 |
— |
175 |
208 |
— |
90 |
320 |
UCC 324 |
UC 324 |
C 324 |
|
|
|
|
|
|
|
|
|
|
|
|
|
|
|
|
|
|
130 |
280 |
135 |
54 |
68 |
M20×1.5 |
20 |
— |
195 |
242 |
— |
100 |
340 |
UCC 326 |
UC 326 |
C 326 |
|
|
|
|
|
|
|
|
|
|
|
|
|
|
|
|
|
|
140 |
300 |
145 |
59 |
72 |
M20×1.5 |
20 |
— |
212 |
272 |
— |
100 |
360 |
UCC 328 |
UC 328 |
C 328 |




