|
带菱形座外球面球轴承(带顶丝、带偏心套) (GB/T 7810—2017) |
|||||||||||||||||||||
|
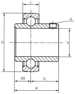
带顶丝外球面球轴承(UC型)
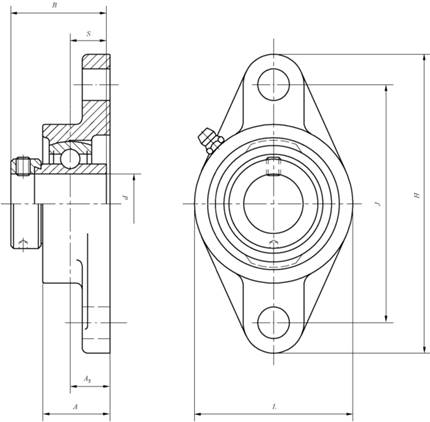
带菱形座顶丝外球面球轴承(UCFLU型)
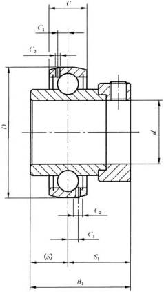
带偏心套外球面球轴承(UEL型)
带菱形座偏心套外球面球轴承(UELFLU型) 符号含义与应用 UC—带顶丝外球面球轴承 FLU—铸造菱形座 UEL—带偏心套外球面球轴承 具有与深沟球轴承相同的载荷能力,调心性能较好,有密封装置,结构紧凑,使用方便。 |
|||||||||||||||||||||
|
轴 承 尺 寸 /mm |
基本额定 载荷/kN |
配用偏 心套 |
座 尺 寸 /mm |
带座轴承 代 号 |
轴承代号 |
座代号 |
|||||||||||||||
|
d |
D |
B |
S |
C |
ds |
G |
d1 max |
Cr |
C0r |
代号 |
A max |
A1 max |
A2 |
H max |
J |
L max |
N |
UCFLU 型 UELFLU 型 |
UC 型 UEL 型 |
FLU型 |
|
|
min |
max |
||||||||||||||||||||
|
12 |
40 |
27.4 |
11.5 |
14 |
M6×1 |
4 |
— |
7.35 |
4.78 |
— |
32 |
13 |
17 |
99 |
76.5 |
61 |
10.5 |
12.43 |
UCFLU 201 |
UC 201 |
FLU 203 |
|
|
40 |
37.3 |
13.9 |
14 |
— |
— |
28.6 |
7.35 |
4.78 |
E 201 |
32 |
13 |
17 |
99 |
76.5 |
61 |
10.5 |
12.43 |
UELFLU 201 |
UEL 201 |
FLU 203 |
|
|
|
|
|
|
|
|
|
|
|
|
|
|
|
|
|
|
|
|
|
|
|
|
15 |
40 |
27.4 |
11.5 |
14 |
M6×1 |
4 |
— |
7.35 |
4.78 |
— |
32 |
13 |
17 |
99 |
76.5 |
61 |
10.5 |
12.43 |
UCFLU 202 |
UC 202 |
FLU 203 |
|
|
40 |
37.3 |
13.9 |
14 |
— |
— |
28.6 |
7.35 |
4.78 |
E 202 |
32 |
13 |
17 |
99 |
76.5 |
61 |
10.5 |
12.43 |
UELFLU 202 |
UEL 202 |
FLU 203 |
|
|
|
|
|
|
|
|
|
|
|
|
|
|
|
|
|
|
|
|
|
|
|
|
17 |
40 |
27.4 |
11.5 |
14 |
M6×1 |
4 |
— |
7.35 |
4.78 |
— |
32 |
13 |
17 |
99 |
76.5 |
61 |
10.5 |
12.43 |
UCFLU 203 |
UC 203 |
FLU 203 |
|
|
40 |
37.3 |
13.9 |
14 |
— |
— |
28.6 |
7.35 |
4.78 |
E 203 |
32 |
13 |
17 |
99 |
76.5 |
61 |
10.5 |
12.43 |
UELFLU 203 |
UEL 203 |
FLU 203 |
|
|
|
|
|
|
|
|
|
|
|
|
|
|
|
|
|
|
|
|
|
|
|
|
20 |
47 |
31.0 |
12.7 |
17 |
M6×1 |
5 |
— |
9.88 |
6.65 |
— |
34 |
15 |
19 |
113 |
90 |
62 |
10.5 |
12.43 |
UCFLU 204 |
UC 204 |
FLU 204 |
|
|
47 |
43.7 |
17.1 |
17 |
— |
— |
33.3 |
9.88 |
6.65 |
E 204 |
34 |
15 |
19 |
113 |
90 |
62 |
10.5 |
12.43 |
UELFLU 204 |
UEL 204 |
FLU 204 |
|
|
|
|
|
|
|
|
|
|
|
|
|
|
|
|
|
|
|
|
|
|
|
|
25 |
52 |
34.1 |
14.3 |
17 |
M6×1 |
5 |
— |
10.8 |
7.88 |
— |
35 |
15 |
19 |
125 |
90 |
70 |
11.5 |
12.43 |
UCFLU 205 |
UC 205 |
FLU 205 |
|
|
62 |
38 |
15 |
21 |
M6×1 |
6 |
— |
17.2 |
11.5 |
— |
29 |
13 |
16 |
150 |
113 |
80 |
19 |
UCFLU 305 |
UC 305 |
FLU 305 |
|
|
|
52 |
44.4 |
17.5 |
17 |
— |
— |
38.1 |
10.8 |
7.88 |
E 205 |
35 |
15 |
19 |
125 |
99 |
70 |
11.5 |
12.43 |
UELFLU 205 |
UEL205 |
FLU 205 |
|
|
62 |
46.8 |
16.7 |
21 |
— |
— |
42.8 |
17.2 |
11.5 |
E 305 |
29 |
13 |
16 |
150 |
113 |
80 |
19 |
UELFLU 305 |
UEL305 |
FLU 305 |
|
|
|
|
|
|
|
|
|
|
|
|
|
|
|
|
|
|
|
|
|
|
|
|
|
30 |
62 |
38.1 |
15.9 |
19 |
M6×1 |
5 |
— |
15.0 |
11.2 |
— |
38 |
16 |
20 |
142 |
116.5 |
83 |
11.5 |
12.43 |
UCFLU 206 |
UC 206 |
FLU 206 |
|
|
72 |
43 |
17 |
23 |
M6×1 |
6 |
— |
20.8 |
15.2 |
— |
32 |
15 |
18 |
180 |
134 |
90 |
23 |
UCFLU 306 |
UC 306 |
FLU 306 |
|
|
|
62 |
48.4 |
18.3 |
19 |
— |
— |
44.5 |
15.0 |
11.2 |
E 206 |
38 |
16 |
20 |
142 |
116.5 |
83 |
11.5 |
12.43 |
UELFLU 206 |
UEL 206 |
FLU 206 |
|
|
72 |
50 |
17.5 |
23 |
— |
— |
50 |
20.8 |
15.2 |
E 306 |
32 |
15 |
18 |
180 |
134 |
90 |
23 |
UELFLU 306 |
UEL 306 |
FLU 306 |
|
|
|
|
|
|
|
|
|
|
|
|
|
|
|
|
|
|
|
|
|
|
|
|
|
35 |
72 |
42.9 |
17.5 |
20 |
M8×1 |
7 |
— |
19.8 |
15.2 |
— |
38 |
17 |
21 |
156 |
130 |
96 |
13 |
14.93 |
UCFLU 207 |
UC 207 |
FLU 207 |
|
|
80 |
48 |
19 |
25 |
M8×1 |
8 |
— |
25.8 |
19.2 |
— |
36 |
16 |
20 |
185 |
141 |
100 |
23 |
UCFLU 307 |
UC 307 |
FLU 307 |
|
|
|
72 |
51.1 |
18.8 |
20 |
— |
— |
55.6 |
19.8 |
15.2 |
E 207 |
38 |
17 |
21 |
156 |
130 |
96 |
13 |
14.93 |
UELFLU 207 |
UEL 207 |
FLU 207 |
|
|
80 |
51.6 |
18.3 |
25 |
— |
— |
55 |
25.8 |
19.2 |
E 307 |
36 |
16 |
20 |
185 |
141 |
100 |
23 |
UELFLU 307 |
UEL 307 |
FLU 307 |
|
|
|
|
|
|
|
|
|
|
|
|
|
|
|
|
|
|
|
|
|
|
|
|
|
40 |
80 |
49.2 |
19 |
21 |
M8×1 |
8 |
— |
22.8 |
18.2 |
— |
43 |
17 |
24 |
172 |
143.5 |
105 |
13 |
14.93 |
UCFLU 208 |
UC 208 |
FLU 208 |
|
|
90 |
52 |
19 |
27 |
M10×1.25 |
10 |
— |
31.2 |
24.0 |
— |
40 |
17 |
23 |
200 |
158 |
112 |
23 |
UCFLU 308 |
UC 308 |
FLU 308 |
|
|
|
80 |
56.3 |
21.4 |
21 |
— |
— |
60.3 |
22.8 |
18.2 |
E 208 |
43 |
17 |
24 |
172 |
143.5 |
105 |
13 |
14.93 |
UELFLU 208 |
UEL 208 |
FLU 208 |
|
|
90 |
57.1 |
19.8 |
27 |
— |
— |
63.5 |
31.2 |
24.0 |
E 308 |
40 |
17 |
23 |
200 |
158 |
112 |
23 |
UELFLU 308 |
UEL 308 |
FLU 308 |
|
|
|
|
|
|
|
|
|
|
|
|
|
|
|
|
|
|
|
|
|
|
|
|
|
45 |
85 |
49.2 |
19.0 |
22 |
M8×1 |
8 |
— |
24.5 |
20.8 |
— |
45 |
18 |
24 |
180 |
148.5 |
112 |
13 |
16.93 |
UCFLU 209 |
UC 209 |
FLU 209 |
|
|
100 |
57 |
22 |
30 |
M10×1.25 |
10 |
— |
40.8 |
31.8 |
— |
44 |
18 |
25 |
230 |
177 |
125 |
25 |
UCFLU 309 |
UC 309 |
FLU 309 |
|
|
|
85 |
56.3 |
21.4 |
22 |
— |
— |
63.5 |
24.5 |
20.8 |
E 209 |
45 |
18 |
24 |
180 |
148.5 |
112 |
13 |
16.93 |
UELFLU 209 |
UEL 209 |
FLU 209 |
|
|
100 |
58.7 |
19.8 |
30 |
— |
— |
70 |
40.8 |
31.8 |
E 309 |
44 |
18 |
25 |
230 |
177 |
125 |
25 |
UELFLU 309 |
UEL 309 |
FLU 309 |
|
|
|
|
|
|
|
|
|
|
|
|
|
|
|
|
|
|
|
|
|
|
|
|
|
50 |
90 |
51.6 |
19.0 |
24 |
M10×1.25 |
10 |
— |
27.0 |
23.2 |
— |
48 |
20 |
28 |
190 |
157 |
117 |
17 |
19.02 |
UCFLU 210 |
UC 210 |
FLU 210 |
|
|
110 |
61 |
22 |
32 |
M12×1.5 |
12 |
— |
47.5 |
37.8 |
— |
48 |
19 |
28 |
240 |
187 |
140 |
17 |
25 |
UCFLU 310 |
UC 310 |
FLU 310 |
|
|
90 |
62.7 |
24.6 |
24 |
— |
— |
69.9 |
27.0 |
23.2 |
E 210 |
48 |
20 |
28 |
190 |
157 |
117 |
|
19.02 |
UELFLU 210 |
UEL 210 |
FLU 210 |
|
|
110 |
66.6 |
24.6 |
32 |
— |
— |
76.2 |
47.5 |
37.8 |
E 310 |
48 |
19 |
28 |
240 |
187 |
140 |
25 |
UELFLU 310 |
UEL 310 |
FLU 310 |
|
|
|
|
|
|
|
|
|
|
|
|
|
|
|
|
|
|
|
|
|
|
|
|
|
55 |
100 |
55.6 |
22.2 |
25 |
M10×1.25 |
10 |
— |
33.5 |
29.2 |
— |
51 |
21 |
31 |
222 |
184 |
134 |
17 |
19.02 |
UCFLU 211 |
UC 211 |
FLU 211 |
|
|
120 |
66 |
25 |
34 |
M12×1.5 |
12 |
— |
55.0 |
44.8 |
— |
52 |
20 |
30 |
250 |
198 |
150 |
25 |
UCFLU 311 |
UC 311 |
FLU 311 |
|
|
|
100 |
71.4 |
27.8 |
25 |
— |
— |
76.2 |
33.5 |
29.2 |
E 211 |
51 |
21 |
31 |
222 |
184 |
134 |
17 |
19.02 |
UELFLU 211 |
UEL 211 |
FLU 211 |
|
|
120 |
73 |
27.8 |
34 |
— |
— |
83 |
55.0 |
44.8 |
E 311 |
52 |
20 |
30 |
250 |
198 |
150 |
25 |
UELFLU 311 |
UEL 311 |
FLU 311 |
|
|
|
|
|
|
|
|
|
|
|
|
|
|
|
|
|
|
|
|
|
|
|
|
|
60 |
110 |
65.1 |
25.4 |
27 |
M10×1.25 |
10 |
— |
36.8 |
32.8 |
— |
60 |
21 |
34 |
238 |
202 |
142 |
17 |
19.02 |
UCFLU 212 |
UC 212 |
FLU 212 |
|
|
130 |
71 |
26 |
36 |
M12×1.5 |
12 |
— |
62.8 |
51.8 |
— |
56 |
22 |
33 |
270 |
212 |
160 |
31 |
UCFLU 312 |
UC 312 |
FLU 312 |
|
|
|
110 |
77.8 |
31.0 |
27 |
— |
— |
84.2 |
36.8 |
32.8 |
E 212 |
60 |
21 |
34 |
238 |
202 |
142 |
17 |
19.02 |
UELFLU 212 |
UEL 212 |
FLU 212 |
|
|
130 |
79.4 |
30.95 |
36 |
— |
— |
89 |
62.8 |
51.8 |
E 312 |
56 |
22 |
33 |
270 |
212 |
160 |
31 |
UELFLU 312 |
UEL 312 |
FLU 312 |
|
|
|
|
|
|
|
|
|
|
|
|
|
|
|
|
|
|
|
|
|
|
|
|
|
65 |
140 |
75 |
30 |
38 |
M12×1.5 |
12 |
— |
72.2 |
60.5 |
— |
58 |
25 |
33 |
295 |
240 |
175 |
31 |
UCFLU 313 |
UC 313 |
FLU 313 |
|
|
|
140 |
85.7 |
32.55 |
38 |
— |
— |
97 |
72.2 |
60.5 |
E 313 |
58 |
25 |
33 |
295 |
240 |
175 |
31 |
UELFLU 313 |
UEL 313 |
FLU 313 |
|
|
|
|
|
|
|
|
|
|
|
|
|
|
|
|
|
|
|
|
|
|
|
|
|
70 |
150 |
78 |
33 |
40 |
M12×1.5 |
12 |
— |
80.2 |
68.0 |
— |
61 |
28 |
36 |
315 |
250 |
185 |
35 |
UCFLU 314 |
UC 314 |
FLU 314 |
|
|
|
150 |
92.1 |
34.15 |
40 |
— |
— |
102 |
80.2 |
68.0 |
E 314 |
61 |
28 |
36 |
315 |
250 |
185 |
35 |
UELFLU 314 |
UEL 314 |
FLU 314 |
|
|
|
|
|
|
|
|
|
|
|
|
|
|
|
|
|
|
|
|
|
|
|
|
|
75 |
160 |
82 |
32 |
42 |
M14×1.5 |
14 |
— |
87.2 |
76.8 |
— |
66 |
30 |
39 |
320 |
260 |
195 |
35 |
UCFLU 315 |
UC 315 |
FLU 315 |
|
|
|
160 |
100 |
37.3 |
42 |
— |
— |
113 |
87.2 |
76.8 |
E 315 |
66 |
30 |
39 |
320 |
260 |
195 |
35 |
UELFLU 315 |
UEL 315 |
FLU 315 |
|
|
|
|
|
|
|
|
|
|
|
|
|
|
|
|
|
|
|
|
|
|
|
|
|
80 |
170 |
86 |
34 |
44 |
M14×1.5 |
14 |
— |
94.5 |
86.5 |
— |
68 |
32 |
38 |
355 |
285 |
210 |
38 |
UCFLU 316 |
UC 316 |
FLU 316 |
|
|
|
170 |
106.4 |
40.5 |
44 |
— |
— |
119 |
94.5 |
86.5 |
E 316 |
68 |
32 |
38 |
355 |
285 |
210 |
38 |
UELFLU 316 |
UEL 316 |
FLU 316 |
|
|
|
|
|
|
|
|
|
|
|
|
|
|
|
|
|
|
|
|
|
|
|
|
|
85 |
180 |
96 |
40 |
46 |
M16×1.5 |
16 |
— |
102 |
96.5 |
— |
74 |
32 |
44 |
370 |
300 |
220 |
38 |
UCFLU 317 |
UC 317 |
FLU 317 |
|
|
|
180 |
109.5 |
42.05 |
46 |
— |
— |
127 |
102 |
96.5 |
E 317 |
74 |
32 |
44 |
370 |
300 |
220 |
38 |
UELFLU 317 |
UEL 317 |
FLU 317 |
|
|
|
|
|
|
|
|
|
|
|
|
|
|
|
|
|
|
|
|
|
|
|
|
|
90 |
190 |
96 |
40 |
48 |
M16×1.5 |
16 |
— |
110 |
108 |
— |
76 |
36 |
44 |
385 |
315 |
235 |
38 |
UCFLU 318 |
UC 318 |
FLU 318 |
|
|
|
190 |
115.9 |
43.65 |
48 |
— |
— |
133 |
110 |
108 |
E 318 |
76 |
36 |
44 |
385 |
315 |
235 |
38 |
UELFLU 318 |
UEL 318 |
FLU 318 |
|
|
|
|
|
|
|
|
|
|
|
|
|
|
|
|
|
|
|
|
|
|
|
|
|
95 |
200 |
103 |
41 |
50 |
M16×1.5 |
16 |
— |
120 |
122 |
— |
94 |
40 |
59 |
405 |
330 |
250 |
41 |
UCFLU 319 |
UC 319 |
FLU 319 |
|
|
|
200 |
122.3 |
38.9 |
50 |
— |
— |
140 |
120 |
122 |
E 319 |
94 |
40 |
59 |
405 |
330 |
250 |
41 |
UELFLU 319 |
UEL 319 |
FLU 319 |
|
|
|
|
|
|
|
|
|
|
|
|
|
|
|
|
|
|
|
|
|
|
|
|
|
100 |
215 |
108 |
42 |
54 |
M18×1.5 |
18 |
— |
132 |
140 |
— |
94 |
40 |
59 |
440 |
360 |
270 |
44 |
UCFLU 320 |
UC 320 |
FLU 320 |
|
|
|
215 |
128.6 |
50 |
54 |
— |
— |
146 |
132 |
140 |
E 320 |
94 |
40 |
59 |
440 |
360 |
270 |
44 |
UELFLU 320 |
UEL 320 |
FLU 320 |
|
|
|
|
|
|
|
|
|
|
|
|
|
|
|
|
|
|
|
|
|
|
|
|
|
105 |
225 |
112 |
44 |
56 |
M18×1.5 |
18 |
— |
142 |
152 |
|
94 |
40 |
59 |
440 |
360 |
270 |
44 |
UCFLU 321 |
UC 321 |
FLU 321 |
|
|
|
|
|
|
|
|
|
|
|
|
|
|
|
|
|
|
|
|
|
|
|
|
|
110 |
240 |
117 |
46 |
60 |
M18×1.5 |
18 |
— |
158 |
178 |
|
96 |
42 |
60 |
470 |
390 |
300 |
44 |
UCFLU 322 |
UC 322 |
FLU 322 |
|
|
|
|
|
|
|
|
|
|
|
|
|
|
|
|
|
|
|
|
|
|
|
|
|
120 |
260 |
126 |
51 |
64 |
M18×1.5 |
18 |
— |
175 |
208 |
|
110 |
48 |
65 |
520 |
430 |
330 |
47 |
UCFLU 324 |
UC 324 |
FLU 324 |
|
|
|
|
|
|
|
|
|
|
|
|
|
|
|
|
|
|
|
|
|
|
|
|
|
130 |
280 |
135 |
54 |
68 |
M20×1.5 |
20 |
— |
195 |
242 |
|
115 |
50 |
65 |
550 |
460 |
360 |
47 |
UCFLU 326 |
UC 326 |
FLU 326 |
|
|
|
|
|
|
|
|
|
|
|
|
|
|
|
|
|
|
|
|
|
|
|
|
|
140 |
300 |
145 |
59 |
72 |
M20×1.5 |
20 |
— |
212 |
272 |
|
125 |
60 |
75 |
600 |
500 |
400 |
51 |
UCFLU 328 |
UC 328 |
FLU 328 |
|
|
注:FLU 300型座中A、H、L 尺寸为公称尺寸,不是最大值,N 尺寸为公称尺寸,不是最小值。 |
|||||||||||||||||||||




