|
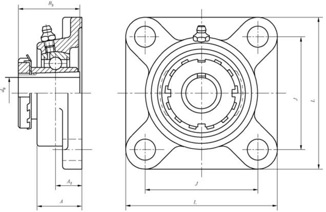
带方形座外球面球轴承(带紧定套) (GB/T 7810—2017) |
||||||||||||||||||||
|
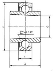
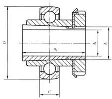
有圆锥孔外球面球轴承(UK型)
带紧定套外球面球轴承(UK+H型) 带滑块座紧定套外球面球轴承(UKFU+H型) 符号含义与应用 UK—带圈锥孔外球面球轴承 H—紧定套 FU—铸造方形座 具有与深沟球轴承相同的载荷能力,调心性能较好,有密封装置,结构紧凑,使用方便。 |
||||||||||||||||||||
|
轴 承 尺 寸 /mm |
配用件代号 |
基本额定 载荷/kN |
座 尺 寸 /mm |
带座轴承代号 |
轴承代号 |
座代号 |
||||||||||||||
|
dz |
D |
d0 |
B2 |
B |
C |
轴承 |
紧定套 |
Cr |
C0r |
A max |
A1 max |
A2 |
J |
L max |
N |
UKFU + H 型 |
UK + H 型 |
FU 型 |
||
|
min |
max |
min |
max |
|||||||||||||||||
|
25 |
52 |
20 |
35 |
15 |
27 |
17 |
UK 205 |
H 2305 |
10.8 |
7.88 |
35 |
15 |
19 |
70 |
97 |
11.5 |
12.43 |
UKFU 205+H 2305 |
UK 205+H 2305 |
FU 205 |
|
|
62 |
20 |
35 |
21 |
27 |
21 |
UK 305 |
H 2305 |
17.2 |
11.5 |
29 |
13 |
16 |
80 |
110 |
16 |
UKFU 305+H 2305 |
UK 305+H 2305 |
FU 305 |
|
|
|
|
|
|
|
|
|
|
|
|
|
|
|
|
|
|
|
|
|
|
|
|
30 |
62 |
25 |
38 |
16 |
30 |
19 |
UK 206 |
H 2306 |
15.0 |
11.2 |
38 |
16 |
20 |
82.5 |
110 |
11.5 |
12.43 |
UKFU 206+H 2306 |
UK 206+H 2306 |
FU 206 |
|
|
72 |
25 |
38 |
23 |
30 |
23 |
UK 306 |
H 2306 |
20.8 |
15.2 |
32 |
15 |
18 |
95 |
125 |
16 |
UKFU 306+H 2306 |
UK 306+H 2306 |
FU 306 |
|
|
|
|
|
|
|
|
|
|
|
|
|
|
|
|
|
|
|
|
|
|
|
|
35 |
72 |
30 |
43 |
17 |
34 |
20 |
UK 207 |
H 2307 |
19.8 |
15.2 |
38 |
17 |
21 |
92 |
119 |
13 |
14.93 |
UKFU 207+H 2307 |
UK 207+H 2307 |
FU 207 |
|
|
80 |
30 |
43 |
26 |
34 |
25 |
UK 307 |
H 2307 |
25.8 |
19.2 |
36 |
16 |
20 |
100 |
135 |
19 |
UKFU 307+H 2307 |
UK 307+H 2307 |
FU 307 |
|
|
|
|
|
|
|
|
|
|
|
|
|
|
|
|
|
|
|
|
|
|
|
|
40 |
80 |
35 |
46 |
18 |
36 |
21 |
UK 208 |
H 2308 |
22.8 |
18.2 |
43 |
17 |
24 |
101.5 |
132 |
13 |
14.93 |
UKFU 208+H 2308 |
UK 208+H 2308 |
FU 208 |
|
|
90 |
35 |
46 |
26 |
36 |
27 |
UK 308 |
H 2308 |
31.2 |
24.0 |
40 |
17 |
23 |
112 |
150 |
19 |
UKFU 308+H 2308 |
UK 308+H 2308 |
FU 308 |
|
|
|
|
|
|
|
|
|
|
|
|
|
|
|
|
|
|
|
|
|
|
|
|
45 |
85 |
40 |
50 |
19 |
39 |
22 |
UK 209 |
H 2309 |
24.5 |
20.8 |
45 |
18 |
24 |
105 |
139 |
13 |
16.93 |
UKFU 209+H 2309 |
UK 209+H 2309 |
FU 209 |
|
|
100 |
40 |
50 |
28 |
39 |
30 |
UK 309 |
H 2309 |
40.8 |
31.8 |
44 |
18 |
25 |
125 |
160 |
19 |
UKFU 309+H 2309 |
UK 309+H 2309 |
FU 309 |
|
|
|
|
|
|
|
|
|
|
|
|
|
|
|
|
|
|
|
|
|
|
|
|
50 |
90 |
45 |
55 |
20 |
43 |
24 |
UK 210 |
H 2310 |
27.0 |
23.2 |
48 |
20 |
28 |
111 |
145 |
17 |
19.02 |
UKFU 210+H 2310 |
UK 210+H 2310 |
FU 210 |
|
|
110 |
45 |
55 |
30 |
43 |
32 |
UK 310 |
H 2310 |
47.5 |
37.8 |
48 |
19 |
28 |
132 |
175 |
23 |
UKFU 310+H 2310 |
UK 310+H 2310 |
FU 310 |
|
|
|
|
|
|
|
|
|
|
|
|
|
|
|
|
|
|
|
|
|
|
|
|
55 |
100 |
50 |
59 |
21 |
47 |
25 |
UK 211 |
H 2311 |
33.5 |
29.2 |
51 |
21 |
31 |
130 |
164 |
17 |
19.02 |
UKFU 211+H 2311 |
UK 211+H 2311 |
FU 211 |
|
|
120 |
50 |
59 |
33 |
47 |
34 |
UK 311 |
H 2311 |
55.0 |
44.8 |
52 |
20 |
30 |
140 |
185 |
23 |
UKFU 311+H 2311 |
UK 311+H 2311 |
FU 311 |
|
|
|
|
|
|
|
|
|
|
|
|
|
|
|
|
|
|
|
|
|
|
|
|
60 |
110 |
55 |
62 |
22 |
49 |
27 |
UK 212 |
H 2312 |
36.8 |
32.8 |
60 |
21 |
34 |
143 |
177 |
17 |
19.02 |
UKFU 212+H 2312 |
UK 212+H 2312 |
FU 212 |
|
|
130 |
55 |
62 |
34 |
49 |
36 |
UK 312 |
H 2312 |
62.8 |
51.8 |
56 |
22 |
33 |
150 |
195 |
23 |
UKFU 312+H 2312 |
UK 312+H 2312 |
FU 312 |
|
|
|
|
|
|
|
|
|
|
|
|
|
|
|
|
|
|
|
|
|
|
|
|
65 |
120 |
60 |
65 |
23 |
51 |
28 |
UK 213 |
H 2313 |
44.0 |
40.0 |
52 |
24 |
34 |
149.5 |
189 |
17 |
19.02 |
UKFU 213+H 2313 |
UK 213+H 2313 |
FU 213 |
|
|
140 |
60 |
65 |
36 |
51 |
38 |
UK 313 |
H 2313 |
72.2 |
60.5 |
58 |
22 |
33 |
166 |
208 |
23 |
UKFU 313+H 2313 |
UK 313+H 2313 |
FU 313 |
|
|
|
|
|
|
|
|
|
|
|
|
|
|
|
|
|
|
|
|
|
|
|
|
75 |
130 |
65 |
73 |
25 |
58 |
30 |
UK 215 |
H 2315 |
50.8 |
49.5 |
58 |
24 |
35 |
159 |
202 |
17 |
24.52 |
UKFU 215+H 2315 |
UK 215+H 2315 |
FU 215 |
|
|
160 |
65 |
73 |
40 |
58 |
42 |
UK 315 |
H 2315 |
87.2 |
76.8 |
66 |
25 |
39 |
184 |
236 |
25 |
UKFU 315+H 2315 |
UK 315+H 2315 |
FU 315 |
|
|
|
|
|
|
|
|
|
|
|
|
|
|
|
|
|
|
|
|
|
|
|
|
80 |
140 |
70 |
78 |
26 |
61 |
33 |
UK 216 |
H 2316 |
55.0 |
54.2 |
65 |
24 |
35 |
165 |
213 |
21 |
24.52 |
UKFU 216+H 2316 |
UK 216+H 2316 |
FU 216 |
|
|
170 |
70 |
78 |
42 |
61 |
44 |
UK 316 |
H 2316 |
94.5 |
86.5 |
68 |
27 |
38 |
196 |
250 |
31 |
UKFU 316+H 2316 |
UK 316+H 2316 |
FU 316 |
|
|
|
|
|
|
|
|
|
|
|
|
|
|
|
|
|
|
|
|
|
|
|
|
85 |
150 |
75 |
82 |
28 |
64 |
35 |
UK 217 |
H 2317 |
64.0 |
63.8 |
75 |
26 |
36 |
175 |
222 |
21 |
24.52 |
UKFU 217+H 2317 |
UK 217+H 2317 |
FU 217 |
|
|
180 |
75 |
82 |
45 |
64 |
46 |
UK 317 |
H 2317 |
102 |
96.5 |
74 |
27 |
44 |
204 |
260 |
31 |
UKFU 317+H 2317 |
UK 317+H 2317 |
FU 317 |
|
|
|
|
|
|
|
|
|
|
|
|
|
|
|
|
|
|
|
|
|
|
|
|
95 |
200 |
85 |
90 |
49 |
71 |
50 |
UK 319 |
H 2319 |
120 |
122 |
76 |
30 |
44 |
216 |
280 |
35 |
UKFU 318+H 2318 |
UK 318+H 2318 |
FU 318 |
|
|
|
|
|
|
|
|
|
|
|
|
|
|
|
|
|
|
|
|
|
|
|
|
100 |
215 |
90 |
97 |
51 |
77 |
54 |
UK 320 |
H 2320 |
132 |
140 |
94 |
30 |
59 |
228 |
290 |
35 |
UKFU 319+H 2319 |
UK 319+H 2319 |
FU 319 |
|
|
|
215 |
90 |
97 |
51 |
77 |
54 |
UK 320 |
H 2320 |
132 |
140 |
94 |
32 |
59 |
242 |
310 |
38 |
UKFU 320+H 2320 |
UK 320+H 2320 |
FU 320 |
|
|
|
|
|
|
|
|
|
|
|
|
|
|
|
|
|
|
|
|
|
|
|
|
110 |
240 |
100 |
105 |
56 |
84 |
60 |
UK 322 |
H 2322 |
158 |
178 |
96 |
35 |
60 |
266 |
340 |
41 |
UKFU 322+H 2322 |
UK 322+H 2322 |
FU 322 |
|
|
|
|
|
|
|
|
|
|
|
|
|
|
|
|
|
|
|
|
|
|
|
|
120 |
260 |
110 |
112 |
60 |
90 |
64 |
UK 324 |
H 2324 |
175 |
208 |
110 |
40 |
65 |
290 |
370 |
41 |
UKFU 324+H 2324 |
UK 324+H 2324 |
FU 324 |
|
|
|
|
|
|
|
|
|
|
|
|
|
|
|
|
|
|
|
|
|
|
|
|
130 |
280 |
115 |
121 |
65 |
98 |
68 |
UK 326 |
H 2326 |
195 |
242 |
115 |
45 |
65 |
320 |
410 |
41 |
UKFU 326+H 2326 |
UK 326+H 2326 |
FU 326 |
|
|
|
|
|
|
|
|
|
|
|
|
|
|
|
|
|
|
|
|
|
|
|
|
140 |
300 |
125 |
131 |
70 |
107 |
72 |
UK 328 |
H 2328 |
212 |
272 |
125 |
55 |
75 |
350 |
450 |
41 |
UKFU 328+H 2328 |
UK 328+H 2328 |
FU 328 |
|
|
注:FU 300 型座中A、A1、L 尺寸为公称尺寸,不是最大值,N 尺寸为公称尺寸,不是最小值。 |
||||||||||||||||||||



