|
带滑块座外球面球轴承(带紧定套) (GB/T 7810—2017) |
||||||||||||||||||||||||||
|
有圆锥孔外球面球轴承(UK型)
带紧定套外球面球轴承(UK+H型)
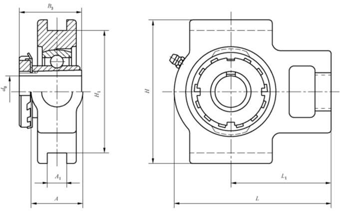
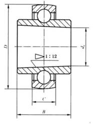
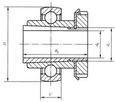
带滑块座紧定套外球面球轴承(UKT+H型) 符号含义与应用 UK—带圈锥孔外球面球轴承 H—紧定套 K—铸造滑块座 具有与深沟球轴承相同的载荷能力,调心性能较好,有密封装置,结构紧凑,使用方便。 |
||||||||||||||||||||||||||
|
轴 承 尺 寸 /mm |
配用件代号 |
基本额定 载荷/kN |
座 尺 寸 /mm |
带座轴承代号 |
轴承代号 |
座代号 |
||||||||||||||||||||
|
dz |
D |
d0 |
B2 |
B |
C |
轴承 |
紧定套 |
Cr |
C0r |
A max |
A1 |
A2 max |
H max |
H1 |
H2 max |
L max |
L1 max |
L2 min |
L3 max |
N min |
N1 min |
N2 min |
UKK+H 型 |
UK+H 型 |
K 型 |
|
|
min |
max |
|||||||||||||||||||||||||
|
25 |
52 |
20 |
35 |
15 |
27 |
17 |
UK205 |
H2305 |
10.8 |
7.88 |
51 |
13.5 |
38 |
94 |
76 |
64 |
104 |
69 |
9 |
59 |
18 |
15 |
30 |
UKK205+H2305 |
UK205+H2305 |
K205 |
|
|
62 |
20 |
35 |
21 |
27 |
21 |
UK305 |
H2305 |
17.2 |
11.5 |
36 |
12 |
26 |
89 |
80 |
62 |
122 |
76 |
12 |
65 |
26 |
16 |
36 |
UKK305+H2305 |
UK305+H2305 |
K305 |
|
|
|
|
|
|
|
|
|
|
|
|
|
|
|
|
|
|
|
|
|
|
|
|
|
|
|
|
|
30 |
62 |
25 |
38 |
16 |
30 |
19 |
UK206 |
H2306 |
15.0 |
11.2 |
53 |
13.5 |
38 |
107 |
89 |
66 |
118 |
74 |
9 |
66 |
19 |
15 |
36 |
UKK206+H2306 |
UK206+H2306 |
K206 |
|
|
72 |
25 |
38 |
23 |
30 |
23 |
UK306 |
H2306 |
20.8 |
15.2 |
41 |
16 |
28 |
100 |
90 |
70 |
137 |
85 |
14 |
74 |
28 |
18 |
41 |
UKK306+H2306 |
UK306+H2306 |
K306 |
|
|
|
|
|
|
|
|
|
|
|
|
|
|
|
|
|
|
|
|
|
|
|
|
|
|
|
|
|
35 |
72 |
30 |
43 |
17 |
34 |
20 |
UK207 |
H2307 |
19.8 |
15.2 |
53 |
13.5 |
38 |
107 |
89 |
66 |
132 |
81 |
10 |
72 |
19 |
15 |
36 |
UKK207+H2307 |
UK207+H2307 |
K207 |
|
|
80 |
30 |
43 |
26 |
34 |
25 |
UK307 |
H2307 |
25.8 |
19.2 |
45 |
16 |
32 |
111 |
100 |
75 |
150 |
94 |
15 |
80 |
30 |
20 |
45 |
UKK307+H2307 |
UK307+H2307 |
K307 |
|
|
|
|
|
|
|
|
|
|
|
|
|
|
|
|
|
|
|
|
|
|
|
|
|
|
|
|
|
40 |
80 |
35 |
46 |
18 |
36 |
21 |
UK208 |
H2308 |
22.8 |
18.2 |
67 |
17.5 |
44 |
124 |
101 |
85 |
146 |
91 |
14 |
84 |
27 |
18 |
47 |
UKK208+H2308 |
UK208+H2308 |
K208 |
|
|
90 |
35 |
46 |
26 |
36 |
27 |
UK308 |
H2308 |
31.2 |
24.0 |
50 |
18 |
34 |
124 |
112 |
83 |
162 |
100 |
17 |
89 |
32 |
22 |
50 |
UKK308+H2308 |
UK308+H2308 |
K308 |
|
|
|
|
|
|
|
|
|
|
|
|
|
|
|
|
|
|
|
|
|
|
|
|
|
|
|
|
|
45 |
85 |
40 |
50 |
19 |
39 |
22 |
UK209 |
H2309 |
24.5 |
20.8 |
67 |
17.5 |
44 |
124 |
101 |
85 |
149 |
91 |
14 |
84 |
27 |
18 |
47 |
UKK209+H2309 |
UK209+H2309 |
K209 |
|
|
100 |
40 |
50 |
28 |
39 |
30 |
UK309 |
H2309 |
40.8 |
31.8 |
55 |
18 |
38 |
138 |
125 |
90 |
178 |
110 |
18 |
97 |
34 |
24 |
55 |
UKK309+H2309 |
UK309+H2309 |
K309 |
|
|
|
|
|
|
|
|
|
|
|
|
|
|
|
|
|
|
|
|
|
|
|
|
|
|
|
|
|
50 |
90 |
45 |
55 |
20 |
43 |
24 |
UK210 |
H2310 |
27.0 |
23.2 |
67 |
17.5 |
50 |
124 |
101 |
85 |
153 |
92 |
14 |
88 |
27 |
18 |
47 |
UKK210+H2310 |
UK210+H2310 |
K210 |
|
|
110 |
45 |
55 |
30 |
43 |
32 |
UK310 |
H2310 |
47.5 |
37.8 |
61 |
20 |
40 |
151 |
140 |
98 |
191 |
117 |
20 |
106 |
37 |
27 |
61 |
UKK310+H2310 |
UK310+H2310 |
K310 |
|
|
|
|
|
|
|
|
|
|
|
|
|
|
|
|
|
|
|
|
|
|
|
|
|
|
|
|
|
55 |
100 |
50 |
59 |
21 |
47 |
25 |
UK211 |
H2311 |
33.5 |
29.2 |
72 |
27 |
56 |
152 |
130 |
104 |
191 |
120 |
17 |
104 |
34 |
24 |
62 |
UKK211+H2311 |
UK211+H2311 |
K211 |
|
|
120 |
50 |
59 |
33 |
47 |
34 |
UK311 |
H2311 |
55.0 |
44.8 |
66 |
22 |
44 |
163 |
150 |
105 |
207 |
127 |
21 |
115 |
39 |
29 |
66 |
UKK311+H2311 |
UK311+H2311 |
K311 |
|
|
|
|
|
|
|
|
|
|
|
|
|
|
|
|
|
|
|
|
|
|
|
|
|
|
|
|
|
60 |
110 |
55 |
62 |
22 |
49 |
27 |
UK212 |
H2312 |
36.8 |
32.8 |
72 |
27 |
56 |
152 |
130 |
104 |
196 |
120 |
17 |
104 |
34 |
29 |
62 |
UKK212+H2312 |
UK212+H2312 |
K212 |
|
|
130 |
55 |
62 |
34 |
49 |
36 |
UK312 |
H2312 |
62.8 |
51.8 |
71 |
22 |
46 |
178 |
160 |
113 |
220 |
135 |
23 |
123 |
41 |
31 |
71 |
UKK312+H2312 |
UK312+H2312 |
K312 |
|
|
|
|
|
|
|
|
|
|
|
|
|
|
|
|
|
|
|
|
|
|
|
|
|
|
|
|
|
65 |
140 |
60 |
65 |
36 |
51 |
38 |
UK313 |
H2313 |
72.2 |
60.5 |
80 |
26 |
50 |
190 |
170 |
116 |
238 |
146 |
25 |
134 |
43 |
32 |
70 |
UKK313+H2313 |
UK313+H2313 |
K313 |
|
|
|
|
|
|
|
|
|
|
|
|
|
|
|
|
|
|
|
|
|
|
|
|
|
|
|
|
|
75 |
160 |
65 |
73 |
40 |
58 |
42 |
UK315 |
H2315 |
87.2 |
76.8 |
90 |
26 |
55 |
216 |
192 |
132 |
262 |
160 |
25 |
150 |
46 |
36 |
85 |
UKK315+H2315 |
UK315+H2315 |
K315 |
|
|
|
|
|
|
|
|
|
|
|
|
|
|
|
|
|
|
|
|
|
|
|
|
|
|
|
|
|
80 |
170 |
70 |
78 |
42 |
61 |
44 |
UK316 |
H2316 |
94.5 |
86.5 |
102 |
30 |
60 |
230 |
204 |
150 |
282 |
174 |
28 |
160 |
53 |
42 |
98 |
UKK316+H2316 |
UK316+H2316 |
K316 |
|
|
|
|
|
|
|
|
|
|
|
|
|
|
|
|
|
|
|
|
|
|
|
|
|
|
|
|
|
85 |
180 |
75 |
82 |
45 |
64 |
46 |
UK317 |
H2317 |
102 |
96.5 |
102 |
32 |
64 |
240 |
214 |
152 |
298 |
183 |
30 |
170 |
53 |
42 |
98 |
UKK317+H2317 |
UK317+H2317 |
K317 |
|
|
|
|
|
|
|
|
|
|
|
|
|
|
|
|
|
|
|
|
|
|
|
|
|
|
|
|
|
90 |
190 |
80 |
86 |
47 |
68 |
48 |
UK318 |
H2318 |
110 |
108 |
110 |
32 |
66 |
255 |
228 |
160 |
312 |
192 |
30 |
175 |
57 |
46 |
106 |
UKK318+H2318 |
UK318+H2318 |
K318 |
|
|
|
|
|
|
|
|
|
|
|
|
|
|
|
|
|
|
|
|
|
|
|
|
|
|
|
|
|
95 |
200 |
85 |
90 |
49 |
71 |
50 |
UK319 |
H2319 |
120 |
122 |
110 |
35 |
72 |
270 |
240 |
165 |
322 |
197 |
31 |
180 |
57 |
46 |
106 |
UKK319+H2319 |
UK319+H2319 |
K319 |
|
|
|
|
|
|
|
|
|
|
|
|
|
|
|
|
|
|
|
|
|
|
|
|
|
|
|
|
|
100 |
215 |
90 |
97 |
51 |
77 |
54 |
UK320 |
H2320 |
132 |
140 |
120 |
35 |
75 |
290 |
260 |
175 |
345 |
210 |
32 |
200 |
59 |
48 |
115 |
UKK320+H2320 |
UK320+H2320 |
K320 |
|
|
|
|
|
|
|
|
|
|
|
|
|
|
|
|
|
|
|
|
|
|
|
|
|
|
|
|
|
110 |
240 |
100 |
105 |
56 |
84 |
60 |
UK322 |
H2322 |
158 |
178 |
130 |
38 |
80 |
320 |
285 |
185 |
385 |
235 |
38 |
215 |
65 |
52 |
125 |
UKK322+H2322 |
UK322+H2322 |
K322 |
|
|
|
|
|
|
|
|
|
|
|
|
|
|
|
|
|
|
|
|
|
|
|
|
|
|
|
|
|
120 |
260 |
110 |
112 |
60 |
90 |
64 |
UK324 |
H2324 |
175 |
208 |
140 |
45 |
90 |
355 |
320 |
210 |
432 |
267 |
42 |
230 |
70 |
60 |
140 |
UKK324+H2324 |
UK324+H2324 |
K324 |
|
|
|
|
|
|
|
|
|
|
|
|
|
|
|
|
|
|
|
|
|
|
|
|
|
|
|
|
|
130 |
280 |
115 |
121 |
65 |
98 |
68 |
UK326 |
H2326 |
195 |
242 |
150 |
50 |
100 |
385 |
350 |
220 |
465 |
285 |
45 |
240 |
75 |
65 |
150 |
UKK326+H2326 |
UK326+H2326 |
K326 |
|
|
|
|
|
|
|
|
|
|
|
|
|
|
|
|
|
|
|
|
|
|
|
|
|
|
|
|
|
140 |
300 |
125 |
131 |
70 |
107 |
72 |
UK328 |
H2328 |
212 |
272 |
155 |
50 |
100 |
415 |
380 |
230 |
515 |
315 |
50 |
255 |
80 |
70 |
160 |
UKK328+H2328 |
UK328+H2328 |
K328 |



