|
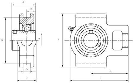
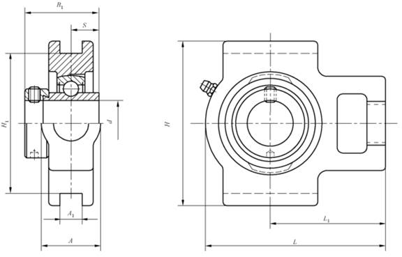
带滑块座外球面球轴承(带顶丝、带偏心套) (GB/T 7810—2017) |
||||||||||||||||||||||||||
|
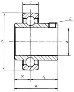
带顶丝外球面球轴承(UC型)
带滑块座顶丝外球面球轴承(UCT型)
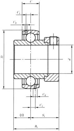
带偏心套外球面球轴承(UEL型)
带滑块座偏心套外球面球轴承(UELT型) 符号含义与应用: K—铸造滑块座 UC—带顶丝外球面球轴承 UEL—带偏心套外球面球轴承 具有与深沟球轴承相同的载荷能力,调心性能较好,有密封装置,结构紧凑,使用方便。 |
||||||||||||||||||||||||||
|
轴 承 尺 寸 /mm |
基本额定载荷 /kN |
配用偏 心 套 |
座 尺 寸 /mm |
带座轴承 代 号 |
轴承代号 |
座代号 |
||||||||||||||||||||
|
d |
D |
B |
S |
C |
ds |
G |
d1 max |
Cr |
C0r |
代号 |
A max |
A1 |
A2 max |
H max |
H1 |
H2 max |
L max |
L1 max |
L2 min |
L3 max |
N min |
N1 min |
N2 min |
UCK 型 UELK 型 |
UC 型 UEL 型 |
K 型 |
|
20 |
47 |
31.0 |
12.7 |
17 |
M6×1 |
5 |
— |
9.88 |
6.65 |
— |
51 |
13.5 |
36 |
94 |
76 |
64 |
104 |
69 |
9 |
59 |
18 |
15 |
30 |
UCK 204 |
UC 204 |
K 204 |
|
|
47 |
43.7 |
17.1 |
17 |
— |
— |
33.3 |
9.88 |
6.65 |
E 204 |
51 |
13.5 |
36 |
94 |
76 |
64 |
104 |
69 |
9 |
59 |
18 |
15 |
30 |
UELK 204 |
UEL 204 |
K 204 |
|
|
|
|
|
|
|
|
|
|
|
|
|
|
|
|
|
|
|
|
|
|
|
|
|
|
|
|
|
25 |
52 |
34.1 |
14.3 |
17 |
M6×1 |
5 |
— |
10.8 |
7.88 |
— |
51 |
13.5 |
38 |
94 |
76 |
64 |
104 |
69 |
9 |
59 |
18 |
15 |
30 |
UCK 205 |
UC 205 |
K 205 |
|
|
62 |
38 |
15 |
21 |
M6×1 |
6 |
— |
17.2 |
11.5 |
— |
36 |
12 |
26 |
89 |
80 |
62 |
122 |
76 |
12 |
65 |
26 |
16 |
36 |
UCK 305 |
UC 305 |
K 305 |
|
|
52 |
44.4 |
17.5 |
17 |
— |
— |
38.1 |
10.8 |
7.88 |
E 205 |
51 |
13.5 |
38 |
94 |
76 |
64 |
104 |
69 |
9 |
59 |
18 |
15 |
30 |
UELK 205 |
UEL 205 |
K 205 |
|
|
62 |
46.8 |
16.7 |
21 |
— |
— |
42.8 |
17.2 |
11.5 |
E 305 |
36 |
12 |
26 |
89 |
80 |
62 |
122 |
76 |
12 |
65 |
26 |
16 |
36 |
UELK 305 |
UEL 305 |
K 305 |
|
|
|
|
|
|
|
|
|
|
|
|
|
|
|
|
|
|
|
|
|
|
|
|
|
|
|
|
|
30 |
62 |
38.1 |
15.9 |
19 |
M6×1 |
5 |
— |
15.0 |
11.2 |
— |
53 |
13.5 |
38 |
107 |
89 |
66 |
118 |
74 |
9 |
66 |
19 |
15 |
36 |
UCK 206 |
UC 206 |
K 206 |
|
|
72 |
43 |
17 |
23 |
M6×1 |
6 |
— |
20.8 |
15.2 |
— |
41 |
16 |
28 |
100 |
90 |
70 |
137 |
85 |
14 |
74 |
28 |
18 |
41 |
UCK 306 |
UC 306 |
K 306 |
|
|
62 |
48.4 |
18.3 |
19 |
— |
— |
44.5 |
15.0 |
11.2 |
E 206 |
53 |
13.5 |
38 |
107 |
89 |
66 |
118 |
74 |
9 |
66 |
19 |
15 |
36 |
UELK 206 |
UEL 206 |
K 206 |
|
|
72 |
50 |
17.5 |
23 |
— |
— |
50 |
20.8 |
15.2 |
E 306 |
41 |
16 |
28 |
100 |
90 |
70 |
137 |
85 |
14 |
74 |
28 |
18 |
41 |
UELK 306 |
UEL 306 |
K 306 |
|
|
|
|
|
|
|
|
|
|
|
|
|
|
|
|
|
|
|
|
|
|
|
|
|
|
|
|
|
35 |
72 |
42.9 |
17.5 |
20 |
M8×1 |
7 |
— |
19.8 |
15.2 |
— |
53 |
13.5 |
38 |
107 |
89 |
66 |
132 |
81 |
10 |
72 |
19 |
15 |
36 |
UCK 207 |
UC 207 |
K 207 |
|
|
80 |
48 |
19 |
25 |
M8×1 |
8 |
— |
25.8 |
19.2 |
— |
45 |
16 |
32 |
111 |
100 |
75 |
150 |
94 |
15 |
80 |
30 |
20 |
45 |
UCK 307 |
UC 307 |
K 307 |
|
|
72 |
51.1 |
18.8 |
20 |
— |
— |
55.6 |
19.8 |
15.2 |
E 207 |
53 |
13.5 |
38 |
107 |
89 |
66 |
132 |
81 |
10 |
72 |
19 |
15 |
36 |
UELK 207 |
UEL 207 |
K 207 |
|
|
80 |
51.6 |
18.3 |
25 |
— |
— |
55 |
25.8 |
19.2 |
E 307 |
45 |
16 |
32 |
111 |
100 |
75 |
150 |
94 |
15 |
80 |
30 |
20 |
45 |
UELK 307 |
UEL 307 |
K 307 |
|
|
|
|
|
|
|
|
|
|
|
|
|
|
|
|
|
|
|
|
|
|
|
|
|
|
|
|
|
40 |
80 |
49.2 |
19 |
21 |
M8×1 |
8 |
— |
22.8 |
18.2 |
— |
67 |
17.5 |
44 |
124 |
101 |
85 |
146 |
91 |
14 |
84 |
27 |
18 |
47 |
UCK 208 |
UC 208 |
K 208 |
|
|
90 |
52 |
19 |
27 |
M10×1.25 |
10 |
— |
31.2 |
24.0 |
— |
50 |
18 |
34 |
124 |
112 |
83 |
162 |
100 |
17 |
89 |
32 |
22 |
50 |
UCK 308 |
UC 308 |
K 308 |
|
|
80 |
56.3 |
21.4 |
21 |
— |
— |
60.3 |
22.8 |
18.2 |
E 208 |
67 |
17.5 |
44 |
124 |
101 |
85 |
146 |
91 |
14 |
84 |
27 |
18 |
47 |
UELK 208 |
UEL 208 |
K 208 |
|
|
90 |
57.1 |
19.8 |
27 |
— |
— |
63.5 |
31.2 |
24.0 |
E 308 |
50 |
18 |
34 |
124 |
112 |
83 |
162 |
100 |
17 |
89 |
32 |
22 |
50 |
UELK 308 |
UEL 308 |
K 308 |
|
|
|
|
|
|
|
|
|
|
|
|
|
|
|
|
|
|
|
|
|
|
|
|
|
|
|
|
|
45 |
85 |
49.2 |
19.0 |
22 |
M8×1 |
8 |
— |
24.5 |
20.8 |
— |
67 |
17.5 |
44 |
124 |
101 |
85 |
149 |
91 |
14 |
84 |
27 |
18 |
47 |
UCK 209 |
UC 209 |
K 209 |
|
|
100 |
57 |
22 |
30 |
M10×1.25 |
10 |
— |
40.8 |
31.8 |
— |
55 |
18 |
38 |
138 |
125 |
90 |
178 |
110 |
18 |
97 |
34 |
24 |
55 |
UCK 309 |
UC 309 |
K 309 |
|
|
85 |
56.3 |
21.4 |
22 |
— |
— |
63.5 |
24.5 |
20.8 |
E 209 |
67 |
17.5 |
44 |
124 |
101 |
85 |
149 |
91 |
14 |
84 |
27 |
18 |
47 |
UELK 209 |
UEL 209 |
K 209 |
|
|
100 |
58.7 |
19.8 |
30 |
— |
— |
70 |
40.8 |
31.8 |
E 309 |
55 |
18 |
38 |
138 |
125 |
90 |
178 |
110 |
18 |
97 |
34 |
24 |
55 |
UELK 309 |
UEL 309 |
K 309 |
|
|
|
|
|
|
|
|
|
|
|
|
|
|
|
|
|
|
|
|
|
|
|
|
|
|
|
|
|
50 |
90 |
51.6 |
19.0 |
24 |
M10×1.25 |
10 |
— |
27.0 |
23.2 |
— |
67 |
17.5 |
50 |
124 |
101 |
85 |
153 |
92 |
14 |
88 |
27 |
18 |
47 |
UCK 210 |
UC 210 |
K 210 |
|
|
110 |
61 |
22 |
32 |
M12×1.5 |
12 |
— |
47.5 |
37.8 |
— |
61 |
20 |
40 |
151 |
140 |
98 |
191 |
117 |
20 |
106 |
37 |
27 |
61 |
UCK 310 |
UC 310 |
K 310 |
|
|
90 |
62.7 |
24.6 |
24 |
— |
— |
69.9 |
27.0 |
23.2 |
E 210 |
67 |
17.5 |
50 |
124 |
101 |
85 |
153 |
92 |
14 |
88 |
27 |
18 |
47 |
UELK 210 |
UEL 210 |
K 210 |
|
|
110 |
66.6 |
24.6 |
32 |
— |
— |
76.2 |
47.5 |
37.8 |
E 310 |
61 |
20 |
40 |
151 |
140 |
98 |
191 |
117 |
20 |
106 |
37 |
27 |
61 |
UELK 310 |
UEL 310 |
K 310 |
|
|
|
|
|
|
|
|
|
|
|
|
|
|
|
|
|
|
|
|
|
|
|
|
|
|
|
|
|
55 |
100 |
55.6 |
22.2 |
25 |
M10×1.25 |
10 |
— |
33.5 |
29.2 |
— |
72 |
27 |
56 |
152 |
130 |
104 |
191 |
120 |
17 |
104 |
34 |
24 |
62 |
UCK 211 |
UC 211 |
K 211 |
|
|
120 |
66 |
25 |
34 |
M12×1.5 |
12 |
— |
55.0 |
44.8 |
— |
66 |
22 |
44 |
163 |
150 |
105 |
207 |
127 |
21 |
115 |
39 |
29 |
66 |
UCK 311 |
UC 311 |
K 311 |
|
|
100 |
71.4 |
27.8 |
25 |
— |
— |
76.2 |
33.5 |
29.2 |
E 211 |
72 |
27 |
56 |
152 |
130 |
104 |
191 |
120 |
17 |
104 |
34 |
24 |
62 |
UELK 211 |
UEL 211 |
K 211 |
|
|
120 |
73 |
27.8 |
34 |
— |
— |
83 |
55.0 |
44.8 |
E 311 |
66 |
22 |
44 |
163 |
150 |
105 |
207 |
127 |
21 |
115 |
39 |
29 |
66 |
UELK 311 |
UEL 311 |
K 311 |
|
|
|
|
|
|
|
|
|
|
|
|
|
|
|
|
|
|
|
|
|
|
|
|
|
|
|
|
|
60 |
110 |
65.1 |
25.4 |
27 |
M10×1.25 |
10 |
— |
36.8 |
32.8 |
— |
72 |
27 |
56 |
152 |
130 |
104 |
196 |
120 |
17 |
104 |
34 |
29 |
62 |
UCK 212 |
UC 212 |
K 212 |
|
|
130 |
71 |
26 |
36 |
M12×1.5 |
12 |
— |
62.8 |
51.8 |
— |
71 |
22 |
46 |
178 |
160 |
113 |
220 |
135 |
23 |
123 |
41 |
31 |
71 |
UCK 312 |
UC 312 |
K 312 |
|
|
110 |
77.8 |
31.0 |
27 |
— |
— |
84.2 |
36.8 |
32.8 |
E 212 |
72 |
27 |
56 |
152 |
130 |
104 |
196 |
120 |
17 |
104 |
34 |
29 |
62 |
UELK 212 |
UEL 212 |
K 212 |
|
|
130 |
79.4 |
30.95 |
36 |
— |
— |
89 |
62.8 |
51.8 |
E 312 |
71 |
22 |
46 |
178 |
160 |
113 |
220 |
135 |
23 |
123 |
41 |
31 |
71 |
UELK 312 |
UEL 312 |
K 312 |
|
|
|
|
|
|
|
|
|
|
|
|
|
|
|
|
|
|
|
|
|
|
|
|
|
|
|
|
|
65 |
140 |
75 |
30 |
38 |
M12×1.5 |
12 |
— |
72.2 |
60.5 |
— |
80 |
26 |
50 |
190 |
170 |
116 |
238 |
146 |
25 |
134 |
43 |
32 |
70 |
UCK 313 |
UC 313 |
K 313 |
|
|
140 |
85.7 |
32.55 |
38 |
— |
— |
97 |
72.2 |
60.5 |
E 313 |
80 |
26 |
50 |
190 |
170 |
116 |
238 |
146 |
25 |
134 |
43 |
32 |
70 |
UELK 313 |
UEL 313 |
K 313 |
|
|
|
|
|
|
|
|
|
|
|
|
|
|
|
|
|
|
|
|
|
|
|
|
|
|
|
|
|
70 |
150 |
78 |
33 |
40 |
M12×1.5 |
12 |
— |
80.2 |
68.0 |
— |
90 |
26 |
52 |
202 |
180 |
130 |
252 |
155 |
25 |
140 |
46 |
36 |
85 |
UCK 314 |
UC 314 |
K 314 |
|
|
150 |
92.1 |
34.15 |
40 |
— |
— |
102 |
80.2 |
68.0 |
E 314 |
90 |
26 |
52 |
202 |
180 |
130 |
252 |
155 |
25 |
140 |
46 |
36 |
85 |
UELK 314 |
UEL 314 |
K 314 |
|
|
|
|
|
|
|
|
|
|
|
|
|
|
|
|
|
|
|
|
|
|
|
|
|
|
|
|
|
75 |
160 |
82 |
32 |
42 |
M14×1.5 |
14 |
— |
87.2 |
76.8 |
— |
90 |
26 |
55 |
216 |
192 |
132 |
262 |
160 |
25 |
150 |
46 |
36 |
85 |
UCK 315 |
UC 315 |
K 315 |
|
|
160 |
100 |
37.3 |
42 |
— |
— |
113 |
87.2 |
76.8 |
E 315 |
90 |
26 |
55 |
216 |
192 |
132 |
262 |
160 |
25 |
150 |
46 |
36 |
85 |
UELK 315 |
UEL 315 |
K 315 |
|
|
|
|
|
|
|
|
|
|
|
|
|
|
|
|
|
|
|
|
|
|
|
|
|
|
|
|
|
80 |
170 |
86 |
34 |
44 |
M14×1.5 |
14 |
— |
94.5 |
86.5 |
— |
102 |
30 |
60 |
230 |
204 |
150 |
282 |
174 |
28 |
160 |
53 |
42 |
98 |
UCK 316 |
UC 316 |
K 316 |
|
|
170 |
106.4 |
40.5 |
44 |
— |
— |
119 |
94.5 |
86.5 |
E 316 |
102 |
30 |
60 |
230 |
204 |
150 |
282 |
174 |
28 |
160 |
53 |
42 |
98 |
UELK 316 |
UEL 316 |
K 316 |
|
|
|
|
|
|
|
|
|
|
|
|
|
|
|
|
|
|
|
|
|
|
|
|
|
|
|
|
|
85 |
180 |
96 |
40 |
46 |
M16×1.5 |
16 |
— |
102 |
96.5 |
— |
102 |
32 |
64 |
240 |
214 |
152 |
298 |
183 |
30 |
170 |
53 |
42 |
98 |
UCK 317 |
UC 317 |
K 317 |
|
|
180 |
109.5 |
42.05 |
46 |
— |
— |
127 |
102 |
96.5 |
E 317 |
102 |
32 |
64 |
240 |
214 |
152 |
298 |
183 |
30 |
170 |
53 |
42 |
98 |
UELK 317 |
UEL 317 |
K 317 |
|
|
|
|
|
|
|
|
|
|
|
|
|
|
|
|
|
|
|
|
|
|
|
|
|
|
|
|
|
90 |
190 |
96 |
40 |
48 |
M16×1.5 |
16 |
— |
110 |
108 |
— |
110 |
32 |
66 |
255 |
228 |
160 |
312 |
192 |
30 |
175 |
57 |
46 |
106 |
UCK 318 |
UC 318 |
K 318 |
|
|
190 |
115.9 |
43.65 |
48 |
— |
— |
133 |
110 |
108 |
E 318 |
110 |
32 |
66 |
255 |
228 |
160 |
312 |
192 |
30 |
175 |
57 |
46 |
106 |
UELK 318 |
UEL 318 |
K 318 |
|
|
|
|
|
|
|
|
|
|
|
|
|
|
|
|
|
|
|
|
|
|
|
|
|
|
|
|
|
95 |
200 |
103 |
41 |
50 |
M16×1.5 |
16 |
— |
120 |
122 |
— |
110 |
35 |
72 |
270 |
240 |
165 |
322 |
197 |
31 |
180 |
57 |
46 |
106 |
UCK 319 |
UC 319 |
K 319 |
|
|
200 |
122.3 |
38.9 |
50 |
— |
— |
140 |
120 |
122 |
E 319 |
110 |
35 |
72 |
270 |
240 |
165 |
322 |
197 |
31 |
180 |
57 |
46 |
106 |
UELK 319 |
UEL 319 |
K 319 |
|
|
|
|
|
|
|
|
|
|
|
|
|
|
|
|
|
|
|
|
|
|
|
|
|
|
|
|
|
100 |
215 |
108 |
42 |
54 |
M18×1.5 |
18 |
— |
132 |
140 |
— |
120 |
35 |
75 |
290 |
260 |
175 |
345 |
210 |
32 |
200 |
59 |
48 |
115 |
UCK 320 |
UC 320 |
K 320 |
|
|
215 |
128.6 |
50 |
54 |
— |
— |
146 |
132 |
140 |
E 320 |
120 |
35 |
75 |
290 |
260 |
175 |
345 |
210 |
32 |
200 |
59 |
48 |
115 |
UELK 320 |
UEL 320 |
K 320 |
|
|
|
|
|
|
|
|
|
|
|
|
|
|
|
|
|
|
|
|
|
|
|
|
|
|
|
|
|
105 |
225 |
112 |
44 |
56 |
M18×1.5 |
18 |
— |
142 |
152 |
— |
120 |
35 |
75 |
290 |
260 |
175 |
345 |
210 |
32 |
200 |
59 |
48 |
115 |
UCK 321 |
UC 321 |
K 321 |
|
|
|
|
|
|
|
|
|
|
|
|
|
|
|
|
|
|
|
|
|
|
|
|
|
|
|
|
|
110 |
240 |
117 |
46 |
60 |
M18×1.5 |
18 |
— |
158 |
178 |
— |
130 |
38 |
80 |
320 |
285 |
185 |
385 |
235 |
38 |
215 |
65 |
52 |
125 |
UCK 322 |
UC 322 |
K 322 |
|
|
|
|
|
|
|
|
|
|
|
|
|
|
|
|
|
|
|
|
|
|
|
|
|
|
|
|
|
120 |
260 |
126 |
51 |
64 |
M18×1.5 |
18 |
— |
175 |
208 |
— |
140 |
45 |
90 |
355 |
320 |
210 |
432 |
267 |
42 |
230 |
70 |
60 |
140 |
UCK 324 |
UC 324 |
K 324 |
|
|
|
|
|
|
|
|
|
|
|
|
|
|
|
|
|
|
|
|
|
|
|
|
|
|
|
|
|
130 |
280 |
135 |
54 |
68 |
M20×1.5 |
20 |
— |
195 |
242 |
— |
150 |
50 |
100 |
385 |
350 |
220 |
465 |
285 |
45 |
240 |
75 |
65 |
150 |
UCK 326 |
UC 326 |
K 326 |
|
|
|
|
|
|
|
|
|
|
|
|
|
|
|
|
|
|
|
|
|
|
|
|
|
|
|
|
|
140 |
300 |
145 |
59 |
72 |
M20×1.5 |
20 |
— |
212 |
272 |
— |
155 |
50 |
100 |
415 |
380 |
230 |
515 |
315 |
50 |
255 |
80 |
70 |
160 |
UCK 328 |
UC 328 |
K 328 |




