|
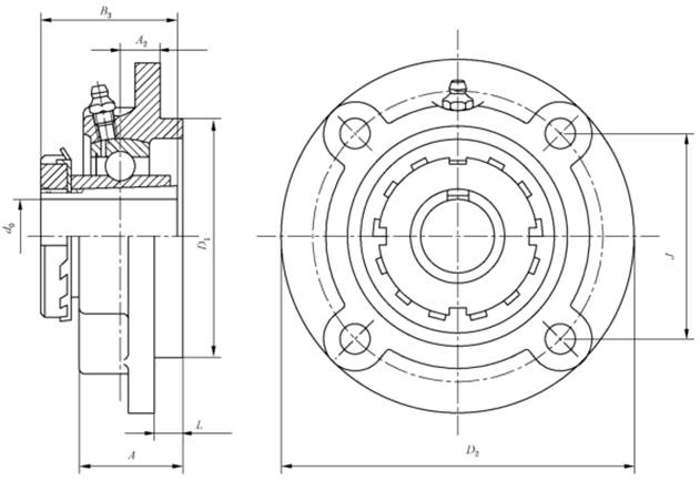
带凸台圆形座外球面球轴承(带紧定套) (GB/T 7810—2017) |
||||||||||||||||||||||
|
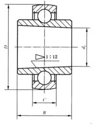
有圆锥孔外球面球轴承(UK型)
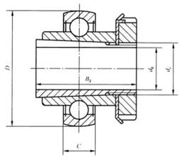
带紧定套外球面球轴承(UK+H型) 带凸台圆形座紧定套外球面球轴承(UKFC+H型) 符号含义与应用 UK—带圈锥孔外球面球轴承 H—紧定套 FC—铸造凸台圆形座 具有与深沟球轴承相同的载荷能力,调心性能较好,有密封装置,结构紧凑,使用方便。 |
||||||||||||||||||||||
|
轴 承 尺 寸 /mm |
配用件代号 |
基本额定 载荷/kN |
座 尺 寸 /mm |
带座轴承代号 |
轴承代号 |
座代号 |
||||||||||||||||
|
dz |
D |
d0 |
B2 |
B |
C |
轴承 |
紧定套 |
Cr |
C0r |
A |
A1 |
A2 |
D1 |
D2 max |
H1 |
J |
N max |
P |
UKFC+H 型 |
UK+H 型 |
FC 型 |
|
|
min |
max |
|||||||||||||||||||||
|
25 |
52 |
20 |
35 |
15 |
27 |
17 |
UK205 |
H2305 |
10.8 |
7.88 |
27 |
21 |
10 |
70 |
115 |
7 |
63.6 |
12 |
90 |
UKFC 205+H 2305 |
UK 205+H 2305 |
FC 205 |
|
30 |
62 |
25 |
38 |
16 |
30 |
19 |
UK206 |
H2306 |
15.0 |
11.2 |
31 |
23 |
10 |
80 |
125 |
8 |
70.7 |
12 |
100 |
UKFC 206+H 2306 |
UK 206+H 2306 |
FC 206 |
|
35 |
72 |
30 |
43 |
17 |
34 |
26 |
UK207 |
H2307 |
19.8 |
15.2 |
34 |
26 |
11 |
90 |
135 |
9 |
77.8 |
14 |
110 |
UKFC 207+H 2307 |
UK 207+H 2307 |
FC 207 |
|
40 |
80 |
35 |
46 |
18 |
36 |
21 |
UK208 |
H2308 |
22.8 |
18.2 |
36 |
26 |
11 |
100 |
145 |
9 |
84.8 |
14 |
120 |
UKFC 208+H 2308 |
UK 208+H 2308 |
FC 208 |
|
45 |
85 |
40 |
50 |
19 |
39 |
22 |
UK209 |
H2309 |
24.5 |
20.8 |
38 |
26 |
10 |
105 |
160 |
14 |
93.3 |
16 |
132 |
UKFC 209+H 2309 |
UK 209+H 2309 |
FC 209 |
|
50 |
90 |
45 |
55 |
20 |
43 |
24 |
UK210 |
H2310 |
27.0 |
23.2 |
40 |
28 |
10 |
110 |
165 |
14 |
97.6 |
16 |
138 |
UKFC 210+H 2310 |
UK 210+H 2310 |
FC 210 |
|
55 |
100 |
50 |
59 |
21 |
47 |
25 |
UK211 |
H2311 |
33.5 |
29.2 |
43 |
31 |
13 |
125 |
185 |
15 |
106.1 |
19 |
150 |
UKFC 211+H 2311 |
UK 211+H 2311 |
FC 211 |
|
60 |
110 |
55 |
62 |
22 |
49 |
27 |
UK212 |
H2312 |
36.8 |
32.8 |
48 |
36 |
17 |
135 |
195 |
15 |
113.1 |
19 |
160 |
UKFC 212+H 2312 |
UK212+H 2312 |
FC 212 |
|
65 |
120 |
60 |
65 |
23 |
51 |
28 |
UK213 |
H2313 |
44.0 |
40.0 |
50 |
36 |
16 |
145 |
205 |
15 |
120.2 |
19 |
170 |
UKFC 213+H 2313 |
UK 213+H 2313 |
FC 213 |
|
75 |
130 |
65 |
73 |
25 |
58 |
30 |
UK215 |
H2315 |
50.8 |
49.5 |
56 |
40 |
18 |
160 |
220 |
18 |
130.1 |
19 |
184 |
UKFC 215+H 2315 |
UK 215+H 2315 |
FC 215 |
|
80 |
140 |
70 |
78 |
26 |
61 |
33 |
UK216 |
H2316 |
55.0 |
54.2 |
58 |
42 |
18 |
170 |
240 |
18 |
141.4 |
23 |
200 |
UKFC 216+H 2316 |
UK 216+H 2316 |
FC 216 |
|
85 |
150 |
75 |
82 |
28 |
64 |
35 |
UK217 |
H2317 |
64.0 |
63.8 |
63 |
45 |
18 |
180 |
250 |
20 |
147.1 |
23 |
208 |
UKFC 217+H 2317 |
UK 217+H 2317 |
FC 217 |
|
90 |
160 |
80 |
86 |
30 |
68 |
37 |
UK218 |
H2318 |
73.8 |
71.5 |
68 |
50 |
22 |
190 |
265 |
20 |
155.5 |
23 |
220 |
UKFC 218+H 2318 |
UK 218+H 2318 |
FC 218 |



