|
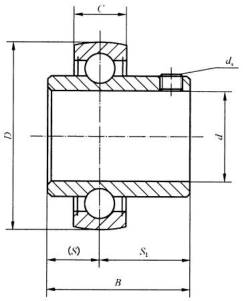
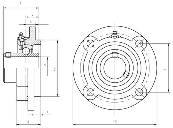
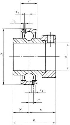
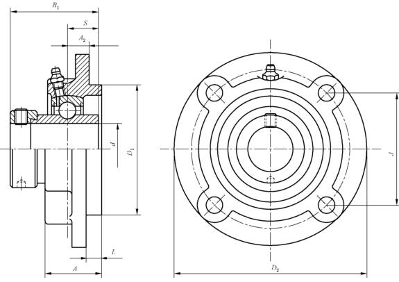
带凸台圆形座外球面球轴承(带顶丝、带偏心套) (GB/T 7810—2017) |
||||||||||||||||||||||
|
带顶丝外球面球轴承(UC型)
带凸台圆形座顶丝外球面球轴承(UCFC型)
带偏心套外球面球轴承(UEL型)
带带凸台圆形座偏心套外球面球轴承(UELFU型) 符号含义与应用 FC—铸造凸台圆形座 UC—带顶丝外球面球轴承 UEL—带偏心套外球面球轴承 具有与深沟球轴承相同的载荷能力,调心性能较好,有密封装置,结构紧凑,使用方便。 |
||||||||||||||||||||||
|
轴 承 尺 寸 /mm |
基本额定 载荷/kN |
配用偏 心套 |
座 尺 寸 /mm |
带座轴承 代号 |
轴承 代号 |
座代号 |
||||||||||||||||
|
d |
D |
B |
S |
C |
ds |
G |
d1 max |
Cr |
C0r |
代号 |
A max |
A1 |
A2 |
D1 |
D2 max |
H1 |
J |
N min |
P |
UCFC 型 UELFC 型 |
UC 型 UEL 型 |
FC 型 |
|
12 |
40 |
27.4 |
11.5 |
14 |
M5×0.8 |
4 |
— |
7.35 |
4.78 |
— |
23 |
19 |
9 |
58 |
97 |
6 |
53.0 |
12 |
75 |
UCFC 201S |
UC 201 |
FC 203 |
|
|
40 |
37.3 |
13.9 |
14 |
— |
— |
28.6 |
7.35 |
4.78 |
E 201S |
23 |
19 |
9 |
58 |
97 |
6 |
53.0 |
12 |
75 |
UELFC 201S |
UEL 201 |
FC 203 |
|
|
40 |
31.0 |
12.7 |
|
M6×1 |
— |
— |
7.35 |
4.78 |
— |
25.5 |
20.5 |
10 |
62 |
100 |
6 |
55.1 |
— |
— |
UCFC 201 |
UC 201 |
FC 203 |
|
|
40 |
43.7 |
17.1 |
|
— |
— |
33.3 |
7.35 |
4.78 |
E
201 |
25.5 |
20.5 |
10 |
62 |
100 |
6 |
55.1 |
— |
— |
UELFC 201 |
UEL 201 |
FC 203 |
|
|
|
|
|
|
|
|
|
|
|
|
|
|
|
|
|
|
|
|
|
|
|
|
|
15 |
40 |
27.4 |
11.5 |
14 |
M5×0.8 |
4 |
— |
7.35 |
4.78 |
— |
23 |
19 |
9 |
58 |
97 |
6 |
53.0 |
12 |
75 |
UCFC 202S |
UC 202 |
FC 203 |
|
|
40 |
37.3 |
13.9 |
14 |
— |
— |
28.6 |
7.35 |
4.78 |
E 202S |
23 |
19 |
9 |
58 |
97 |
6 |
53.0 |
12 |
75 |
UELFC 202S |
UEL 202 |
FC 203 |
|
|
40 |
31.0 |
12.7 |
|
M6×1 |
— |
— |
7.35 |
4.78 |
— |
25.5 |
20.5 |
10 |
62 |
100 |
6 |
55.1 |
— |
— |
UCFC 202 |
UC 202 |
FC 203 |
|
|
40 |
43.7 |
17.1 |
|
— |
— |
33.3 |
7.35 |
4.78 |
E
202 |
25.5 |
20.5 |
10 |
62 |
100 |
6 |
55.1 |
— |
— |
UELFC 202 |
UEL 202 |
FC 203 |
|
|
|
|
|
|
|
|
|
|
|
|
|
|
|
|
|
|
|
|
|
|
|
|
|
17 |
40 |
27.4 |
11.5 |
14 |
M5×0.8 |
4 |
— |
7.35 |
4.78 |
— |
23 |
19 |
9 |
58 |
97 |
6 |
53.0 |
12 |
75 |
UCFC 203S |
UC 203 |
FC 203 |
|
|
40 |
37.3 |
13.9 |
14 |
— |
— |
28.6 |
7.35 |
4.78 |
E 203S |
23 |
19 |
9 |
58 |
97 |
6 |
53.0 |
12 |
75 |
UELFC 203S |
UEL 203 |
FC 203 |
|
|
40 |
31.0 |
12.7 |
|
M6×1 |
— |
— |
7.35 |
4.78 |
— |
25.5 |
20.5 |
10 |
62 |
100 |
6 |
55.1 |
— |
— |
UCFC 203 |
UC 203 |
FC 203 |
|
|
40 |
43.7 |
17.1 |
|
— |
— |
33.3 |
7.35 |
4.78 |
E
203 |
25.5 |
20.5 |
10 |
62 |
100 |
6 |
55.1 |
— |
— |
UELFC 203 |
UEL 203 |
FC 203 |
|
|
|
|
|
|
|
|
|
|
|
|
|
|
|
|
|
|
|
|
|
|
|
|
|
20 |
47 |
31.0 |
12.7 |
17 |
M6×1 |
5 |
— |
9.88 |
6.65 |
— |
25.5 |
20.5 |
10 |
62 |
100 |
7 |
55.1 |
12 |
78 |
UCFC 204 |
UC 204 |
FC 204 |
|
|
47 |
43.7 |
17.1 |
17 |
— |
— |
33.3 |
9.88 |
6.65 |
E 204 |
25.5 |
20.5 |
10 |
62 |
100 |
7 |
55.1 |
12 |
78 |
UELFC 204 |
UEL 204 |
FC 204 |
|
|
|
|
|
|
|
|
|
|
|
|
|
|
|
|
|
|
|
|
|
|
|
|
|
25 |
52 |
34.1 |
14.3 |
17 |
M6×1 |
5 |
— |
10.8 |
7.88 |
— |
27 |
21 |
10 |
70 |
115 |
7 |
63.6 |
12 |
90 |
UCFC 205 |
UC 205 |
FC 205 |
|
|
52 |
44.4 |
17.5 |
17 |
— |
— |
38.1 |
10.8 |
7.88 |
E 205 |
27 |
21 |
10 |
70 |
115 |
7 |
63.6 |
12 |
90 |
UELFC 205 |
UEL 205 |
FC 205 |
|
|
|
|
|
|
|
|
|
|
|
|
|
|
|
|
|
|
|
|
|
|
|
|
|
30 |
62 |
38.1 |
15.9 |
19 |
M6×1 |
5 |
— |
15.0 |
11.2 |
— |
31 |
23 |
10 |
80 |
125 |
8 |
70.7 |
12 |
100 |
UCFC 206 |
UC 206 |
FC 206 |
|
|
62 |
48.4 |
18.3 |
19 |
— |
— |
44.5 |
15.0 |
11.2 |
E 206 |
31 |
23 |
10 |
80 |
125 |
8 |
70.7 |
12 |
100 |
UELFC 206 |
UEL 206 |
FC 206 |
|
|
|
|
|
|
|
|
|
|
|
|
|
|
|
|
|
|
|
|
|
|
|
|
|
35 |
72 |
42.9 |
17.5 |
20 |
M8×1 |
7 |
— |
19.8 |
15.2 |
— |
34 |
26 |
11 |
90 |
135 |
9 |
77.8 |
14 |
110 |
UCFC 207 |
UC 207 |
FC 207 |
|
|
72 |
51.1 |
18.8 |
20 |
— |
— |
55.6 |
19.8 |
15.2 |
E 207 |
34 |
26 |
11 |
90 |
135 |
9 |
77.8 |
14 |
110 |
UELFC 207 |
UEL 207 |
FC 207 |
|
|
|
|
|
|
|
|
|
|
|
|
|
|
|
|
|
|
|
|
|
|
|
|
|
40 |
80 |
49.2 |
19 |
21 |
M8×1 |
8 |
— |
22.8 |
18.2 |
— |
36 |
26 |
11 |
100 |
145 |
9 |
84.8 |
14 |
120 |
UCFC 208 |
UC 208 |
FC 208 |
|
|
80 |
56.3 |
21.4 |
21 |
— |
— |
60.3 |
22.8 |
18.2 |
E 208 |
36 |
26 |
11 |
100 |
145 |
9 |
84.8 |
14 |
120 |
UELFC 208 |
UEL 208 |
FC 208 |
|
|
|
|
|
|
|
|
|
|
|
|
|
|
|
|
|
|
|
|
|
|
|
|
|
45 |
85 |
49.2 |
19.0 |
22 |
M8×1 |
8 |
— |
24.5 |
20.8 |
— |
38 |
26 |
10 |
105 |
160 |
14 |
93.3 |
16 |
132 |
UCFC 209 |
UC 209 |
FC 209 |
|
|
85 |
56.3 |
21.4 |
22 |
— |
— |
63.5 |
24.5 |
20.8 |
E 209 |
38 |
26 |
10 |
105 |
160 |
14 |
93.3 |
16 |
132 |
UELFC 209 |
UEL 209 |
FC 209 |
|
|
|
|
|
|
|
|
|
|
|
|
|
|
|
|
|
|
|
|
|
|
|
|
|
50 |
90 |
51.6 |
19.0 |
24 |
M10×1.25 |
10 |
— |
27.0 |
23.2 |
— |
40 |
28 |
10 |
110 |
165 |
14 |
97.6 |
16 |
138 |
UCFC 210 |
UC 210 |
FC 210 |
|
|
90 |
62.7 |
24.6 |
24 |
— |
— |
69.9 |
27.0 |
23.2 |
E 210 |
40 |
28 |
10 |
110 |
165 |
14 |
97.6 |
16 |
138 |
UELFC 210 |
UEL 210 |
FC 210 |
|
|
|
|
|
|
|
|
|
|
|
|
|
|
|
|
|
|
|
|
|
|
|
|
|
55 |
100 |
55.6 |
22.2 |
25 |
M10×1.25 |
10 |
— |
33.5 |
29.2 |
— |
43 |
31 |
13 |
125 |
185 |
15 |
106.1 |
19 |
150 |
UCFC 211 |
UC 211 |
FC 211 |
|
|
100 |
71.4 |
27.8 |
25 |
— |
— |
76.2 |
33.5 |
29.2 |
E 211 |
43 |
31 |
13 |
125 |
185 |
15 |
106.1 |
19 |
150 |
UELFC 211 |
UEL 211 |
FC 211 |
|
|
|
|
|
|
|
|
|
|
|
|
|
|
|
|
|
|
|
|
|
|
|
|
|
60 |
110 |
65.1 |
25.4 |
27 |
M10×1.25 |
10 |
— |
36.8 |
32.8 |
— |
48 |
36 |
17 |
135 |
195 |
15 |
113.1 |
19 |
160 |
UCFC 212 |
UC 212 |
FC 212 |
|
|
110 |
77.8 |
31.0 |
27 |
— |
— |
84.2 |
36.8 |
32.8 |
E 212 |
48 |
36 |
17 |
135 |
195 |
15 |
113.1 |
19 |
160 |
UELFC 212 |
UEL 212 |
FC 212 |
|
|
|
|
|
|
|
|
|
|
|
|
|
|
|
|
|
|
|
|
|
|
|
|
|
65 |
120 |
65.1 |
25.4 |
28 |
M10×1.25 |
10 |
— |
44.0 |
40.0 |
— |
50 |
36 |
16 |
145 |
205 |
15 |
120.2 |
19 |
170 |
UCFC 213 |
UC 213 |
FC 213 |
|
|
120 |
85.7 |
34.1 |
28 |
— |
— |
86 |
44.0 |
40.0 |
E 213 |
50 |
36 |
16 |
145 |
205 |
15 |
120.2 |
19 |
170 |
UELFC 213 |
UEL 213 |
FC 213 |
|
|
|
|
|
|
|
|
|
|
|
|
|
|
|
|
|
|
|
|
|
|
|
|
|
70 |
125 |
74.6 |
30.2 |
29 |
M12×1.5 |
12 |
— |
46.8 |
45.0 |
— |
54 |
40 |
17 |
150 |
215 |
18 |
125.1 |
19 |
177 |
UCFC 214 |
UC 214 |
FC 214 |
|
|
125 |
85.7 |
34.1 |
29 |
— |
— |
90 |
46.8 |
45.0 |
E 214 |
54 |
40 |
17 |
150 |
215 |
18 |
125.1 |
19 |
177 |
UELFC 214 |
UEL 214 |
FC 214 |
|
|
|
|
|
|
|
|
|
|
|
|
|
|
|
|
|
|
|
|
|
|
|
|
|
75 |
130 |
77.8 |
33.3 |
30 |
M12×1.5 |
12 |
— |
50.8 |
49.5 |
— |
56 |
40 |
18 |
165 |
220 |
18 |
130.1 |
19 |
184 |
UCFC 215 |
UC 215 |
FC 215 |
|
|
130 |
92.1 |
37.3 |
30 |
— |
— |
102 |
50.8 |
49.5 |
E 215 |
56 |
40 |
18 |
165 |
220 |
18 |
130.1 |
19 |
184 |
UELFC 215 |
UEL 215 |
FC 215 |
|
|
|
|
|
|
|
|
|
|
|
|
|
|
|
|
|
|
|
|
|
|
|
|
|
80 |
140 |
82.6 |
33.3 |
33 |
M12×1.5 |
12 |
— |
55.0 |
54.2 |
— |
58 |
42 |
18 |
170 |
240 |
18 |
141.4 |
23 |
200 |
UCFC 216 |
UC 216 |
FC 216 |
|
|
|
|
|
|
|
|
|
|
|
|
|
|
|
|
|
|
|
|
|
|
|
|
|
85 |
150 |
85.7 |
34.1 |
35 |
M12×1.5 |
12 |
— |
64.0 |
63.8 |
— |
63 |
45 |
18 |
180 |
250 |
20 |
147.1 |
23 |
208 |
UCFC 217 |
UC 217 |
FC 217 |
|
|
|
|
|
|
|
|
|
|
|
|
|
|
|
|
|
|
|
|
|
|
|
|
|
90 |
160 |
96.0 |
39.7 |
37 |
M12×1.5 |
12 |
— |
73.8 |
71.5 |
— |
68 |
50 |
22 |
190 |
265 |
20 |
155.5 |
23 |
200 |
UCFC 218 |
UC 218 |
FC 218 |




