|
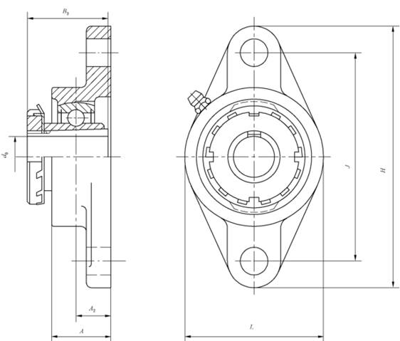
带菱形座外球面球轴承(带紧定套) (GB/T 7810—2017) |
|||||||||||||||||||||
|
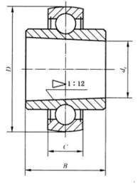
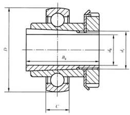
有圆锥孔外球面球轴承(UK型)
带紧定套外球面球轴承(UK+H型) 带菱形座紧定套外球面球轴承(UKFLU+H型) 符号含义与应用 UK—带圈锥孔外球面球轴承 H—紧定套 FLU—铸造菱形座 具有与深沟球轴承相同的载荷能力,调心性能较好,有密封装置,结构紧凑,使用方便。 |
|||||||||||||||||||||
|
轴 承 尺 寸 /mm |
配用件代号 |
基本额定 载荷/kN |
座 尺 寸 /mm |
带座轴承代号 |
轴承代号 |
座代号 |
|||||||||||||||
|
dz |
D |
d0 |
B2 |
B |
C |
轴承 |
紧定套 |
Cr |
C0r |
A max |
A1 max |
A2 |
H max |
J |
L max |
N |
UKFLU+H 型 |
UK+H 型 |
FLU 型 |
||
|
min |
max |
min |
max |
||||||||||||||||||
|
25 |
52 |
20 |
35 |
15 |
27 |
17 |
UK205 |
H2305 |
10.8 |
7.88 |
35 |
15 |
19 |
125 |
99 |
70 |
11.5 |
12.43 |
UKFLU205+H2305 |
UK205+H2305 |
FLU205 |
|
|
62 |
20 |
35 |
21 |
27 |
21 |
UK305 |
H2305 |
17.2 |
11.5 |
29 |
13 |
16 |
150 |
113 |
80 |
19 |
UKFLU305+H2305 |
UK305+H2305 |
FLU305 |
|
|
30 |
62 |
25 |
38 |
16 |
30 |
19 |
UK206 |
H2306 |
15.0 |
11.2 |
38 |
16 |
20 |
142 |
116.5 |
83 |
11.5 |
12.43 |
UKFLU206+H2306 |
UK206+H2306 |
FLU206 |
|
|
72 |
25 |
38 |
23 |
30 |
23 |
UK306 |
H2306 |
20.8 |
15.2 |
32 |
15 |
18 |
180 |
134 |
90 |
23 |
UKFLU306+H2306 |
UK306+H2306 |
FLU306 |
|
|
35 |
72 |
30 |
43 |
17 |
34 |
20 |
UK207 |
H2307 |
19.8 |
15.2 |
38 |
17 |
21 |
156 |
130 |
96 |
13 |
14.93 |
UKFLU207+H2307 |
UK207+H2307 |
FLU207 |
|
|
80 |
30 |
43 |
26 |
34 |
25 |
UK307 |
H2307 |
25.8 |
19.2 |
36 |
16 |
20 |
185 |
141 |
100 |
23 |
UKFLU307+H2307 |
UK307+H2307 |
FLU307 |
|
|
40 |
80 |
35 |
46 |
18 |
36 |
21 |
UK208 |
H2308 |
22.8 |
18.2 |
43 |
17 |
24 |
172 |
143.5 |
105 |
13 |
14.93 |
UKFLU208+H2308 |
UK208+H2308 |
FLU208 |
|
|
90 |
35 |
46 |
26 |
36 |
27 |
UK308 |
H2308 |
31.2 |
24.0 |
40 |
17 |
23 |
200 |
158 |
112 |
23 |
UKFLU308+H2308 |
UK308+H2308 |
FLU308 |
|
|
45 |
85 |
40 |
50 |
19 |
39 |
22 |
UK209 |
H2309 |
24.5 |
20.8 |
45 |
18 |
24 |
180 |
148.5 |
112 |
13 |
16.93 |
UKFLU209+H2309 |
UK209+H2309 |
FLU209 |
|
|
100 |
40 |
50 |
28 |
39 |
30 |
UK309 |
H2309 |
40.8 |
31.8 |
44 |
18 |
25 |
230 |
177 |
125 |
25 |
UKFLU309+H2309 |
UK309+H2309 |
FLU309 |
|
|
50 |
90 |
45 |
55 |
20 |
43 |
24 |
UK210 |
H2310 |
27.0 |
23.2 |
48 |
20 |
28 |
190 |
157 |
117 |
17 |
19.02 |
UKFLU210+H2310 |
UK210+H2310 |
FLU210 |
|
|
110 |
45 |
55 |
30 |
43 |
32 |
UK310 |
H2310 |
47.5 |
37.8 |
48 |
19 |
28 |
240 |
187 |
140 |
25 |
UKFLU310+H2310 |
UK310+H2310 |
FLU310 |
|
|
55 |
100 |
50 |
59 |
21 |
47 |
25 |
UK211 |
H2311 |
33.5 |
29.2 |
51 |
21 |
31 |
222 |
184 |
134 |
17 |
19.02 |
UKFLU211+H2311 |
UK211+H2311 |
FLU211 |
|
|
120 |
50 |
59 |
33 |
47 |
34 |
UK311 |
H2311 |
55.0 |
44.8 |
52 |
20 |
30 |
250 |
198 |
150 |
25 |
UKFLU311+H2311 |
UK311+H2311 |
FLU311 |
|
|
60 |
110 |
55 |
62 |
22 |
49 |
27 |
UK212 |
H2312 |
36.8 |
32.8 |
60 |
21 |
34 |
238 |
202 |
142 |
17 |
19.02 |
UKFLU212+H2312 |
UK210+H2312 |
FLU212 |
|
|
130 |
55 |
62 |
34 |
49 |
36 |
UK312 |
H2312 |
62.8 |
51.8 |
56 |
20 |
33 |
270 |
212 |
160 |
31 |
UKFLU312+H2312 |
UK312+H2312 |
FLU312 |
|
|
65 |
140 |
60 |
65 |
36 |
51 |
38 |
UK313 |
H2313 |
72.2 |
60.5 |
58 |
25 |
33 |
295 |
240 |
175 |
31 |
UKFLU313+H2313 |
UK313+H2313 |
FLU313 |
|
|
75 |
160 |
65 |
73 |
40 |
58 |
42 |
UK315 |
H2315 |
87.2 |
76.8 |
66 |
30 |
39 |
320 |
260 |
195 |
35 |
UKFLU315+H2315 |
UK315+H2315 |
FLU315 |
|
|
80 |
170 |
70 |
78 |
42 |
61 |
44 |
UK316 |
H2316 |
94.5 |
86.5 |
68 |
32 |
38 |
355 |
285 |
210 |
38 |
UKFLU316+H2316 |
UK316+H2316 |
FLU316 |
|
|
85 |
180 |
75 |
82 |
45 |
64 |
46 |
UK317 |
H2317 |
102 |
96.5 |
74 |
32 |
44 |
370 |
300 |
220 |
38 |
UKFLU317+H2317 |
UK317+H2317 |
FLU317 |
|
|
90 |
190 |
80 |
86 |
47 |
68 |
48 |
UK318 |
H2318 |
110 |
108 |
76 |
36 |
44 |
385 |
315 |
235 |
38 |
UKFLU318+H2318 |
UK318+H2318 |
FLU318 |
|
|
95 |
200 |
85 |
90 |
49 |
71 |
50 |
UK319 |
H2319 |
120 |
122 |
94 |
40 |
59 |
405 |
330 |
250 |
41 |
UKFLU319+H2319 |
UK319+H2319 |
FLU319 |
|
|
100 |
215 |
90 |
97 |
51 |
77 |
54 |
UK320 |
H2320 |
132 |
140 |
94 |
40 |
59 |
440 |
360 |
270 |
44 |
UKFLU320+H2320 |
UK320+H2320 |
FLU320 |
|
|
110 |
240 |
100 |
105 |
56 |
84 |
60 |
UK322 |
H2322 |
158 |
178 |
96 |
42 |
60 |
470 |
390 |
300 |
44 |
UKFLU322+H2322 |
UK322+H2322 |
FLU322 |
|
|
120 |
260 |
110 |
112 |
60 |
90 |
64 |
UK324 |
H2324 |
175 |
208 |
110 |
48 |
65 |
520 |
430 |
330 |
47 |
UKFLU324+H2324 |
UK324+H2324 |
FLU324 |
|
|
130 |
280 |
115 |
121 |
65 |
98 |
68 |
UK326 |
H2326 |
195 |
242 |
115 |
50 |
65 |
550 |
460 |
360 |
47 |
UKFLU326+H2326 |
UK326+H2326 |
FLU326 |
|
|
140 |
300 |
125 |
131 |
70 |
107 |
72 |
UK328 |
H2328 |
212 |
272 |
125 |
60 |
75 |
600 |
500 |
400 |
51 |
UKFLU328+H2328 |
UK328+H2328 |
FLU328 |
|
|
注:FLU 300 型座中,A、H、L尺寸为公称尺寸,不是最大值,N 尺寸为公称尺寸,不是最小值。 |
|||||||||||||||||||||



