|
带方形座外球面球轴承(带顶丝、带偏心套) (GB/T 7810—2017) |
|||||||||||||||||||||||||||||||||||||||||
|
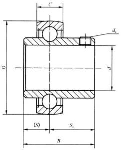
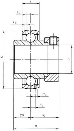
带顶丝外球面球轴承(UC型)
带方形座顶丝外球面球轴承(UCFU型)
带偏心套外球面球轴承(UEL型) 带方形座偏心套外球面球轴承(UELFU型) 符号含义与应用 FU—铸造方形座 UC—带顶丝外球面球轴承 UEL—带偏心套外球面球轴承 具有与深沟球轴承相同的载荷能力,调心性能较好,有密封装置,结构紧凑,使用方便。 |
|||||||||||||||||||||||||||||||||||||||||
|
轴 承 尺 寸 /mm |
基本额定 载荷/kN |
配用偏 心套 |
座 尺 寸 /mm |
带座轴承 代号 |
轴承 代号 |
座代号 |
|||||||||||||||||||||||||||||||||||
|
d |
D |
B |
S |
C |
ds |
G |
d1 max |
Cr |
C0r |
代号 |
A max |
A1 max |
A2 |
J |
L max |
N |
UCFU型 UELFU型 |
UC型 UEL型 |
FU 型 |
||||||||||||||||||||||
|
min |
max |
||||||||||||||||||||||||||||||||||||||||
|
12 |
47 |
27.4 |
11.5 |
12 |
M5×0.8 |
4 |
— |
7.35 |
4.78 |
— |
32 |
13 |
17 |
54 |
78 |
10.5 |
12.43 |
UCFU201S |
UC201S |
FU203 |
|||||||||||||||||||||
|
|
40 |
37.3 |
13.9 |
12 |
— |
— |
28.6 |
7.35 |
4.78 |
E 201S |
32 |
13 |
17 |
54 |
78 |
11.5 |
UELFU201S |
UEL201S |
FU203 |
||||||||||||||||||||||
|
|
31.0 |
12.7 |
11.5 |
14 |
M6×1 |
— |
— |
7.35 |
4.78 |
— |
34 |
— |
19 |
63.5 |
88 |
10.5 12.43 |
UCFU201 |
UC201 |
FU203 |
||||||||||||||||||||||
|
|
43.7 |
17.1 |
13.9 |
14 |
— |
— |
33.3 |
7.35 |
4.78 |
E
201 |
34 |
— |
19 |
63.5 |
88 |
11.5 |
UELFU201 |
UEL201 |
FU203 |
||||||||||||||||||||||
|
|
|
|
|
|
|
|
|
|
|
|
|
|
|
|
|
|
|
|
|
|
|||||||||||||||||||||
|
15 |
47 |
27.4 |
11.5 |
12 |
M5×0.8 |
4 |
— |
7.35 |
4.78 |
— |
32 |
13 |
17 |
54 |
78 |
10.5 |
12.43 |
UCFU202S |
UC202 |
FU203 |
|||||||||||||||||||||
|
|
40 |
37.3 |
13.9 |
12 |
— |
— |
28.6 |
7.35 |
4.78 |
E 202S |
32 |
13 |
17 |
54 |
78 |
11.5 |
UELFU202S |
UEL202 |
FU203 |
||||||||||||||||||||||
|
|
31.0 |
12.7 |
11.5 |
14 |
M6×1 |
— |
— |
7.35 |
4.78 |
— |
34 |
— |
19 |
63.5 |
88 |
10.5 12.43 |
UCFU202 |
UC202 |
FU203 |
||||||||||||||||||||||
|
|
43.7 |
17.1 |
13.9 |
14 |
— |
— |
33.3 |
7.35 |
4.78 |
E
202 |
34 |
— |
19 |
63.5 |
88 |
11.5 |
UELFU202 |
UEL202 |
FU203 |
||||||||||||||||||||||
|
|
|
|
|
|
|
|
|
|
|
|
|
|
|
|
|
|
|
|
|
|
|||||||||||||||||||||
|
17 |
47 |
27.4 |
11.5 |
14 |
M5×0.8 |
4 |
— |
7.35 |
4.78 |
— |
32 |
13 |
17 |
54 |
78 |
10.5 |
12.43 |
UCFU203S |
UC203 |
FU203 |
|||||||||||||||||||||
|
|
40 |
37.3 |
13.9 |
14 |
— |
— |
28.6 |
7.35 |
4.78 |
E 203S |
32 |
13 |
17 |
54 |
78 |
11.5 |
UELFU203S |
UEL203 |
FU203 |
||||||||||||||||||||||
|
|
31.0 |
12.7 |
11.5 |
|
M6×1 |
— |
— |
7.35 |
4.78 |
— |
34 |
— |
19 |
63.5 |
88 |
10.5 12.43 |
UCFU203 |
UC203 |
FU203 |
||||||||||||||||||||||
|
|
43.7 |
17.1 |
13.9 |
|
— |
— |
33.3 |
7.35 |
4.78 |
E
203 |
34 |
— |
19 |
63.5 |
88 |
11.5 |
UELFU203 |
UEL203 |
FU203 |
||||||||||||||||||||||
|
|
|
|
|
|
|
|
|
|
|
|
|
|
|
|
|
|
|
|
|
|
|||||||||||||||||||||
|
20 |
47 |
31.0 |
12.7 |
17 |
M6×1 |
5 |
— |
9.88 |
6.65 |
— |
34 |
15 |
19 |
63.5 |
88 |
10.5 |
12.43 |
UCFU204 |
UC204 |
FU204 |
|||||||||||||||||||||
|
|
47 |
43.7 |
17.1 |
17 |
— |
— |
33.3 |
9.88 |
6.65 |
E 204 |
34 |
15 |
19 |
63.5 |
88 |
11.5 |
UELFU204 |
UEL204 |
FU204 |
||||||||||||||||||||||
|
|
|
|
|
|
|
|
|
|
|
|
|
|
|
|
|
|
|
|
|
|
|||||||||||||||||||||
|
25 |
52 |
34.1 |
14.3 |
17 |
M6×1 |
5 |
— |
10.8 |
7.88 |
— |
35 |
15 |
19 |
70 |
97 |
11.5 |
12.43 |
UCFU205 |
UC205 |
FU205 |
|||||||||||||||||||||
|
|
62 |
38 |
15 |
21 |
M6×1 |
6 |
— |
17.2 |
11.5 |
— |
29 |
13 |
17 |
80 |
112 |
16 |
UCFU305 |
UC305 |
FU305 |
||||||||||||||||||||||
|
|
52 |
44.4 |
17.5 |
17 |
— |
— |
38.1 |
10.8 |
7.88 |
E 205 |
35 |
15 |
19 |
70 |
97 |
11.5 |
12.43 |
UELFU205 |
UEL205 |
FU205 |
|||||||||||||||||||||
|
|
62 |
46.8 |
16.7 |
21 |
— |
— |
42.8 |
17.2 |
11.5 |
E 305 |
29 |
13 |
17 |
80 |
112 |
16 |
UELFU305 |
UEL305 |
FU305 |
||||||||||||||||||||||
|
|
|
|
|
|
|
|
|
|
|
|
|
|
|
|
|
|
|
|
|
|
|||||||||||||||||||||
|
30 |
62 |
38.1 |
15.9 |
19 |
M6×1 |
5 |
— |
15.0 |
11.2 |
— |
38 |
16 |
20 |
82.5 |
110 |
11.5 |
12.43 |
UCFU206 |
UC206 |
FU206 |
|||||||||||||||||||||
|
|
72 |
43 |
17 |
23 |
M6×1 |
6 |
— |
20.8 |
15.2 |
— |
32 |
15 |
18 |
95 |
127 |
16 |
UCFU306 |
UC306 |
FU306 |
||||||||||||||||||||||
|
|
62 |
48.4 |
18.3 |
19 |
— |
— |
44.5 |
15.0 |
11.2 |
E 206 |
38 |
16 |
20 |
82.5 |
110 |
11.5 |
12.43 |
UELFU206 |
UEL206 |
FU206 |
|||||||||||||||||||||
|
|
72 |
50 |
17.5 |
23 |
— |
— |
50 |
20.8 |
15.2 |
E 306 |
32 |
15 |
18 |
95 |
127 |
16 |
UELFU306 |
UEL306 |
FU306 |
||||||||||||||||||||||
|
|
|
|
|
|
|
|
|
|
|
|
|
|
|
|
|
|
|
|
|
|
|||||||||||||||||||||
|
35 |
72 |
42.9 |
17.5 |
20 |
M8×1 |
7 |
— |
19.8 |
15.2 |
— |
38 |
17 |
21 |
92 |
119 |
13 |
14.93 |
UCFU207 |
UC207 |
FU207 |
|||||||||||||||||||||
|
|
80 |
48 |
19 |
25 |
M8×1 |
8 |
— |
25.8 |
19.2 |
— |
36 |
16 |
20 |
100 |
137 |
19 |
UCFU307 |
UC307 |
FU307 |
||||||||||||||||||||||
|
|
72 |
51.1 |
18.8 |
20 |
— |
— |
55.6 |
19.8 |
15.2 |
E 207 |
38 |
17 |
21 |
92 |
119 |
13 |
14.93 |
UELFU207 |
UEL207 |
FU207 |
|||||||||||||||||||||
|
|
80 |
51.6 |
18.3 |
25 |
— |
— |
55 |
25.8 |
19.2 |
E 307 |
36 |
16 |
20 |
100 |
137 |
19 |
UELFU307 |
UEL307 |
FU307 |
||||||||||||||||||||||
|
|
|
|
|
|
|
|
|
|
|
|
|
|
|
|
|
|
|
|
|
|
|||||||||||||||||||||
|
40 |
80 |
49.2 |
19 |
21 |
M8×1 |
8 |
— |
22.8 |
18.2 |
— |
43 |
17 |
24 |
101.5 |
132 |
13 |
14.93 |
UCFU208 |
UC208 |
FU208 |
|||||||||||||||||||||
|
|
90 |
52 |
19 |
27 |
M10×1.25 |
10 |
— |
31.2 |
24.0 |
— |
40 |
17 |
23 |
112 |
152 |
19 |
UCFU308 |
UC308 |
FU308 |
||||||||||||||||||||||
|
|
80 |
56.3 |
21.4 |
21 |
— |
— |
60.3 |
22.8 |
18.2 |
E 208 |
43 |
17 |
24 |
101.5 |
132 |
13 |
14.93 |
UELFU208 |
UEL208 |
FU208 |
|||||||||||||||||||||
|
|
90 |
57.1 |
19.8 |
27 |
— |
— |
63.5 |
31.2 |
24.0 |
E 308 |
40 |
17 |
23 |
112 |
152 |
19 |
UELFU308 |
UEL308 |
FU308 |
||||||||||||||||||||||
|
|
|
|
|
|
|
|
|
|
|
|
|
|
|
|
|
|
|
|
|
|
|||||||||||||||||||||
|
45 |
85 |
49.2 |
19.0 |
22 |
M8×1 |
8 |
— |
24.5 |
20.8 |
— |
45 |
18 |
24 |
105 |
139 |
13 |
16.93 |
UCFU209 |
UC209 |
FU209 |
|||||||||||||||||||||
|
|
100 |
57 |
22 |
30 |
M10×1.25 |
10 |
— |
40.8 |
31.8 |
— |
44 |
18 |
25 |
125 |
162 |
19 |
UCFU309 |
UC309 |
FU309 |
||||||||||||||||||||||
|
|
85 |
56.3 |
21.4 |
22 |
— |
— |
63.5 |
24.5 |
20.8 |
E 209 |
45 |
18 |
24 |
105 |
139 |
13 |
16.93 |
UELFU209 |
UEL209 |
FU209 |
|||||||||||||||||||||
|
|
100 |
58.7 |
19.8 |
30 |
— |
— |
70 |
40.8 |
31.8 |
E 309 |
44 |
18 |
25 |
125 |
162 |
19 |
UELFU309 |
UEL309 |
FU309 |
||||||||||||||||||||||
|
|
|
|
|
|
|
|
|
|
|
|
|
|
|
|
|
|
|
|
|
|
|||||||||||||||||||||
|
50 |
90 |
51.6 |
19.0 |
24 |
M10×1.25 |
10 |
— |
27.0 |
23.2 |
— |
48 |
20 |
28 |
111 |
145 |
17 |
19.02 |
UCFU210 |
UC210 |
FU210 |
|||||||||||||||||||||
|
|
110 |
61 |
22 |
32 |
M12×1.5 |
12 |
— |
47.5 |
37.8 |
— |
48 |
19 |
28 |
132 |
177 |
23 |
UCFU310 |
UC310 |
FU310 |
||||||||||||||||||||||
|
|
90 |
62.7 |
24.6 |
24 |
— |
— |
69.9 |
27.0 |
23.2 |
E 210 |
48 |
20 |
28 |
111 |
145 |
17 |
19.02 |
UELFU210 |
UEL210 |
FU210 |
|||||||||||||||||||||
|
|
110 |
66.6 |
24.6 |
32 |
— |
— |
76.2 |
47.5 |
37.8 |
E 310 |
48 |
19 |
28 |
132 |
177 |
23 |
UELFU310 |
UEL310 |
FU310 |
||||||||||||||||||||||
|
|
|
|
|
|
|
|
|
|
|
|
|
|
|
|
|
|
|
|
|
|
|||||||||||||||||||||
|
55 |
100 |
55.6 |
22.2 |
25 |
M10×1.25 |
10 |
— |
33.5 |
29.2 |
— |
51 |
21 |
31 |
130 |
164 |
17 |
19.02 |
UCFU211 |
UC211 |
FU211 |
|||||||||||||||||||||
|
|
120 |
66 |
25 |
34 |
M12×1.5 |
12 |
— |
55.0 |
44.8 |
— |
52 |
20 |
30 |
140 |
187 |
23 |
UCFU311 |
UC311 |
FU311 |
||||||||||||||||||||||
|
|
100 |
71.4 |
27.8 |
25 |
— |
— |
76.2 |
33.5 |
29.2 |
E 211 |
51 |
21 |
31 |
130 |
164 |
17 |
19.02 |
UELFU211 |
UEL211 |
FU211 |
|||||||||||||||||||||
|
|
120 |
73 |
27.8 |
34 |
— |
— |
83 |
55.0 |
44.8 |
E 311 |
52 |
20 |
30 |
140 |
187 |
23 |
UELFU311 |
UEL311 |
FU311 |
||||||||||||||||||||||
|
|
|
|
|
|
|
|
|
|
|
|
|
|
|
|
|
|
|
|
|
|
|||||||||||||||||||||
|
60 |
110 |
65.1 |
25.4 |
27 |
M10×1.25 |
10 |
— |
36.8 |
32.8 |
— |
60 |
21 |
34 |
143 |
177 |
17 |
19.02 |
UCFU212 |
UC212 |
FU212 |
|||||||||||||||||||||
|
|
130 |
71 |
26 |
36 |
M12×1.5 |
12 |
— |
62.8 |
51.8 |
— |
56 |
22 |
33 |
150 |
197 |
23 |
UCFU312 |
UC312 |
FU312 |
||||||||||||||||||||||
|
|
110 |
77.8 |
31.0 |
27 |
— |
— |
84.2 |
36.8 |
32.8 |
E 212 |
60 |
21 |
34 |
143 |
177 |
17 |
19.02 |
UELFU212 |
UEL212 |
FU212 |
|||||||||||||||||||||
|
|
130 |
79.4 |
30.95 |
36 |
— |
— |
89 |
62.8 |
51.8 |
E 312 |
56 |
22 |
33 |
150 |
197 |
23 |
UELFU312 |
UEL312 |
FU312 |
||||||||||||||||||||||
|
|
|
|
|
|
|
|
|
|
|
|
|
|
|
|
|
|
|
|
|
|
|||||||||||||||||||||
|
65 |
120 |
65.1 |
25.4 |
28 |
M10×1.25 |
10 |
— |
44.0 |
40.0 |
— |
52 |
24 |
35 |
150 |
188 |
17 |
19.02 |
UCFU213 |
UC213 |
FU213 |
|||||||||||||||||||||
|
|
140 |
75 |
30 |
38 |
M12×1.5 |
12 |
— |
72.2 |
60.5 |
— |
58 |
25 |
33 |
166 |
210 |
23 |
UCFU313 |
UC313 |
FU313 |
||||||||||||||||||||||
|
|
120 |
85.7 |
34.1 |
28 |
— |
— |
86 |
44.0 |
40.0 |
E 213 |
52 |
24 |
35 |
150 |
188 |
17 |
19.02 |
UELFU213 |
UEL213 |
FU213 |
|||||||||||||||||||||
|
|
140 |
85.7 |
32.55 |
38 |
— |
— |
97 |
72.2 |
60.5 |
E 313 |
58 |
25 |
33 |
166 |
210 |
23 |
UELFU313 |
UEL313 |
FU313 |
||||||||||||||||||||||
|
|
|
|
|
|
|
|
|
|
|
|
|
|
|
|
|
|
|
|
|
|
|||||||||||||||||||||
|
70 |
125 |
74.6 |
30.2 |
29 |
M12×1.5 |
12 |
— |
46.8 |
45.0 |
— |
54 |
24 |
35 |
152 |
193 |
17 |
19.93 |
UCFU214 |
UC214 |
FU214 |
|||||||||||||||||||||
|
|
150 |
78 |
33 |
40 |
M12×1.5 |
12 |
— |
80.2 |
68.0 |
— |
61 |
28 |
36 |
178 |
228 |
25 |
UCFU314 |
UC314 |
FU314 |
||||||||||||||||||||||
|
|
125 |
85.7 |
34.1 |
29 |
— |
— |
90 |
46.8 |
45.0 |
E 214 |
54 |
24 |
35 |
152 |
193 |
17 |
19.93 |
UELFU214 |
UEL214 |
FU214 |
|||||||||||||||||||||
|
|
150 |
92.1 |
34.15 |
40 |
— |
— |
102 |
80.2 |
68.0 |
E 314 |
61 |
28 |
36 |
178 |
228 |
25 |
UELFU314 |
UEL314 |
FU314 |
||||||||||||||||||||||
|
|
|
|
|
|
|
|
|
|
|
|
|
|
|
|
|
|
|
|
|
|
|||||||||||||||||||||
|
75 |
130 |
77.8 |
33.3 |
30 |
M12×1.5 |
12 |
— |
50.8 |
49.5 |
— |
58 |
24 |
38 |
152 |
198 |
17 |
24.52 |
UCFU215 |
UC215 |
FU215 |
|||||||||||||||||||||
|
|
160 |
82 |
32 |
42 |
M14×1.5 |
14 |
— |
87.2 |
76.8 |
— |
66 |
30 |
39 |
184 |
238 |
25 |
UCFU315 |
UC315 |
FU315 |
||||||||||||||||||||||
|
|
130 |
92.1 |
37.3 |
30 |
— |
— |
102 |
50.8 |
49.5 |
E 215 |
58 |
24 |
38 |
152 |
198 |
17 |
24.52 |
UELFU215 |
UEL215 |
FU215 |
|||||||||||||||||||||
|
|
160 |
100 |
37.3 |
42 |
— |
— |
113 |
87.2 |
76.8 |
E 315 |
66 |
30 |
39 |
184 |
238 |
25 |
UELFU315 |
UEL315 |
FU315 |
||||||||||||||||||||||
|
轴 承 尺 寸 /mm |
基本额定 载荷/kN |
配用偏 心套 |
座 尺 寸 /mm |
带座轴承 代号 |
轴承 代号 |
座代号 |
|||||||||||||||||||||||||||||||||||
|
d |
D |
B |
S |
C |
ds |
G |
d1 max |
Cr |
C0r |
代号 |
A max |
A1 max |
A2 |
J |
L max |
N |
UCFU型 UELFU型 |
UC型 UEL型 |
FU 型 |
||||||||||||||||||||||
|
min |
max |
min |
max |
||||||||||||||||||||||||||||||||||||||
|
80 |
140 |
82.6 |
33.3 |
33 |
M12×1.5 |
12 |
— |
55.0 |
54.2 |
— |
65 |
24 |
34 |
166 |
213 |
21 |
24.52 |
UCFU216 |
UC216 |
FU216 |
|||||||||||||||||||||
|
|
170 |
86 |
34 |
44 |
M14×1.5 |
14 |
— |
94.5 |
86.5 |
— |
68 |
32 |
41 |
196 |
252 |
31 |
UCFU316 |
UC316 |
FU316 |
||||||||||||||||||||||
|
|
170 |
106.4 |
40.5 |
44 |
— |
— |
119 |
94.5 |
86.5 |
E 316 |
68 |
32 |
41 |
196 |
252 |
31 |
UELFU216 |
UEL216 |
FU216 |
||||||||||||||||||||||
|
|
|
|
|
|
|
|
|
|
|
|
|
|
|
|
|
|
|
|
|
||||||||||||||||||||||
|
85 |
150 |
85.7 |
34.1 |
35 |
M12×1.5 |
12 |
— |
64.0 |
63.8 |
— |
75 |
26 |
36 |
172 |
220 |
21 |
24.52 |
UCFU217 |
UC217 |
FU217 |
|||||||||||||||||||||
|
|
180 |
96 |
40 |
46 |
M16×1.5 |
16 |
— |
102 |
96.5 |
— |
74 |
32 |
44 |
204 |
263 |
31 |
UCFU317 |
UC317 |
FU317 |
||||||||||||||||||||||
|
|
180 |
109.5 |
42.05 |
46 |
— |
— |
127 |
102 |
96.5 |
E 317 |
74 |
32 |
44 |
204 |
263 |
31 |
UELFU317 |
UEL317 |
FU317 |
||||||||||||||||||||||
|
|
|
|
|
|
|
|
|
|
|
|
|
|
|
|
|
|
|
|
|
||||||||||||||||||||||
|
90 |
160 |
96.0 |
39.7 |
37 |
M12×1.5 |
12 |
— |
73.8 |
71.5 |
— |
75 |
27 |
42 |
187 |
240 |
21 |
24.52 |
UCFU218 |
UC218 |
FU218 |
|||||||||||||||||||||
|
|
190 |
96 |
40 |
48 |
M16×1.5 |
16 |
— |
110 |
108 |
— |
76 |
36 |
44 |
216 |
283 |
35 |
UCFU318 |
UC318 |
FU318 |
||||||||||||||||||||||
|
|
190 |
115.9 |
43.65 |
48 |
— |
— |
133 |
110 |
108 |
E 318 |
76 |
30 |
44 |
216 |
283 |
35 |
UELFU318 |
UEL318 |
FU318 |
||||||||||||||||||||||
|
|
|
|
|
|
|
|
|
|
|
|
|
|
|
|
|
|
|
|
|
||||||||||||||||||||||
|
95 |
200 |
103 |
41 |
50 |
M16×1.5 |
16 |
— |
120 |
122 |
— |
94 |
30 |
59 |
228 |
293 |
35 |
UCFU319 |
UC319 |
FU319 |
||||||||||||||||||||||
|
|
200 |
122.3 |
38.9 |
50 |
— |
— |
140 |
120 |
122 |
E 319 |
94 |
30 |
59 |
228 |
293 |
35 |
UELFU319 |
UEL319 |
FU319 |
||||||||||||||||||||||
|
|
|
|
|
|
|
|
|
|
|
|
|
|
|
|
|
|
|
|
|
||||||||||||||||||||||
|
100 |
108 |
108 |
42 |
34 |
51 |
M12×1.5 |
12 |
— |
95 |
92 |
— |
80 |
29 |
44 |
210 |
270 |
25 |
28.52 |
UCFU220 |
UC220 |
FU220 |
||||||||||||||||||||
|
|
215 |
108 |
42 |
54 |
M18×1.5 |
18 |
— |
132 |
140 |
— |
94 |
32 |
59 |
242 |
313 |
38 |
UCFU320 |
UC320 |
FU320 |
||||||||||||||||||||||
|
|
215 |
128.6 |
50 |
54 |
— |
— |
146 |
132 |
140 |
E 320 |
94 |
32 |
59 |
242 |
313 |
38 |
UELFU320 |
UEL320 |
FU320 |
||||||||||||||||||||||
|
|
|
|
|
|
|
|
|
|
|
|
|
|
|
|
|
|
|
|
|
||||||||||||||||||||||
|
105 |
225 |
112 |
44 |
56 |
M18×1.5 |
18 |
— |
142 |
152 |
— |
94 |
32 |
59 |
242 |
313 |
38 |
UCFU321 |
UC321 |
FU321 |
||||||||||||||||||||||
|
|
|
|
|
|
|
|
|
|
|
|
|
|
|
|
|
|
|
|
|
||||||||||||||||||||||
|
110 |
240 |
117 |
46 |
60 |
M18×1.5 |
18 |
— |
158 |
178 |
— |
96 |
35 |
60 |
266 |
343 |
41 |
UCFU322 |
UC322 |
FU322 |
||||||||||||||||||||||
|
|
|
|
|
|
|
|
|
|
|
|
|
|
|
|
|
|
|
|
|
||||||||||||||||||||||
|
120 |
260 |
126 |
51 |
64 |
M18×1.5 |
18 |
— |
175 |
208 |
— |
110 |
40 |
65 |
290 |
370 |
41 |
UCFU324 |
UC324 |
FU324 |
||||||||||||||||||||||
|
|
|
|
|
|
|
|
|
|
|
|
|
|
|
|
|
|
|
|
|
||||||||||||||||||||||
|
130 |
280 |
135 |
54 |
68 |
M20×1.5 |
20 |
— |
195 |
242 |
— |
115 |
45 |
65 |
320 |
414 |
41 |
UCFU326 |
UC326 |
FU326 |
||||||||||||||||||||||
|
|
|
|
|
|
|
|
|
|
|
|
|
|
|
|
|
|
|
|
|
||||||||||||||||||||||
|
140 |
300 |
145 |
59 |
72 |
M20×1.5 |
20 |
— |
212 |
272 |
— |
125 |
55 |
75 |
350 |
454 |
41 |
UCFU328 |
UC328 |
FU328 |
||||||||||||||||||||||
|
注:FU 300 型座中A、A1、L 尺寸为公称尺寸,不是最大值,N 尺寸为公称尺寸,不是最小值。 |
|||||||||||||||||||||||||||||||||||||||||




