|
带立式座外球面球轴承(带紧定套) (GB/T 7810—2017) |
||||||||||||||||||||||||||||||||||||||||
|
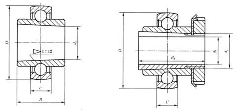
有圆锥孔外球面球轴承(UK型) 带紧定套外球面球轴承(UK+H型) 带立式座紧定套外球面球轴承(UKP+H型) 符号意义与应用 UK—带圈锥孔外球面球轴承 H—紧定套 P—铸造立式座 具有与深沟球轴承相同的载荷能力,调心性能较好,有密封装置,结构紧凑,使用方便。 UK型、UK+H型的尺寸与基本额定载荷符合GB/T 3882。 |
||||||||||||||||||||||||||||||||||||||||
|
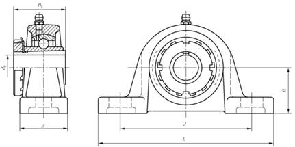
轴 承 尺 寸 /mm |
配用件代号 |
基本额定 载荷/kN |
座 尺 寸 /mm |
带座轴承代号 |
轴承代号 |
座代号 |
||||||||||||||||||||||||||||||||||
|
dz |
D |
d0 |
B2 |
B |
C |
轴承 |
紧定套 |
Cr |
C0r |
A max |
H |
H1 max |
N |
N1 min |
J |
L max |
UKP+H 型 |
UK+H 型 |
P 型 |
|||||||||||||||||||||
|
min |
max |
min |
max |
|||||||||||||||||||||||||||||||||||||
|
25 |
52 |
20 |
35 |
15 |
27 |
17 |
UK 205 |
H 2305 |
10.8 |
7.88 |
39 |
36.5 |
17 |
10.5 |
12.43 |
16 |
105 |
142 |
UKP 205+H 2305 |
UK 205+H 2305 |
P205 |
|||||||||||||||||||
|
|
62 |
20 |
35 |
21 |
27 |
21 |
UK 305 |
H 2305 |
17.2 |
11.5 |
45 |
45 |
17 |
17 |
20 |
132 |
175 |
UKP 305+H 2305 |
UK 305+H 2305 |
P305 |
||||||||||||||||||||
|
30 |
62 |
25 |
38 |
16 |
30 |
19 |
UK 206 |
H 2306 |
15.0 |
11.2 |
48 |
42.9 |
20 |
13 |
14.93 |
19 |
121 |
167 |
UKP 206+H 2306 |
UK 206+H 2306 |
P206 |
|||||||||||||||||||
|
|
72 |
25 |
38 |
23 |
30 |
23 |
UK 306 |
H 2306 |
20.8 |
15.2 |
50 |
50 |
20 |
17 |
20 |
140 |
180 |
UKP 306+H 2306 |
UK 306+H 2306 |
P306 |
||||||||||||||||||||
|
35 |
72 |
30 |
43 |
17 |
34 |
20 |
UK 207 |
H 2307 |
19.8 |
15.2 |
48 |
47.6 |
20 |
13 |
14.93 |
19 |
126 |
172 |
UKP 207+H 2307 |
UK 207+H 2307 |
P207 |
|||||||||||||||||||
|
|
80 |
30 |
43 |
26 |
34 |
25 |
UK 307 |
H 2307 |
25.8 |
19.2 |
56 |
56 |
22 |
17 |
25 |
160 |
210 |
UKP 307+H 2307 |
UK 307+H 2307 |
P307 |
||||||||||||||||||||
|
40 |
80 |
35 |
46 |
18 |
36 |
21 |
UK 208 |
H 2308 |
22.8 |
18.2 |
55 |
49.2 |
20 |
13 |
14.93 |
19 |
136 |
186 |
UKP 208+H 2308 |
UK 208+H 2308 |
P208 |
|||||||||||||||||||
|
|
90 |
35 |
46 |
26 |
36 |
27 |
UK 308 |
H 2308 |
31.2 |
24.0 |
60 |
60 |
24 |
17 |
27 |
170 |
220 |
UKP 308+H 2308 |
UK 308+H 2308 |
P308 |
||||||||||||||||||||
|
45 |
85 |
40 |
50 |
19 |
39 |
22 |
UK 209 |
H 2309 |
24.5 |
20.8 |
55 |
54 |
22 |
13 |
14.93 |
19 |
146 |
192 |
UKP 209+H 2309 |
UK 209+H 2309 |
P209 |
|||||||||||||||||||
|
|
100 |
40 |
50 |
28 |
39 |
30 |
UK 309 |
H 2309 |
40.8 |
31.8 |
67 |
67 |
26 |
20 |
30 |
190 |
245 |
UKP 309+H 2309 |
UK 309+H 2309 |
P309 |
||||||||||||||||||||
|
50 |
90 |
45 |
55 |
20 |
43 |
24 |
UK 210 |
H 2310 |
27.0 |
23.2 |
61 |
57.2 |
23 |
17 |
19.02 |
20.5 |
159 |
208 |
UKP 210+H 2310 |
UK 210+H 2310 |
P210 |
|||||||||||||||||||
|
|
110 |
45 |
55 |
30 |
43 |
32 |
UK 310 |
H 2310 |
47.5 |
37.8 |
75 |
75 |
29 |
20 |
35 |
212 |
275 |
UKP 310+H 2310 |
UK 310+H 2310 |
P310 |
||||||||||||||||||||
|
55 |
100 |
50 |
59 |
21 |
47 |
25 |
UK 211 |
H 2311 |
33.5 |
29.2 |
61 |
63.5 |
25 |
17 |
19.02 |
20.5 |
172 |
233 |
UKP 211+H 2311 |
UK 211+H 2311 |
P211 |
|||||||||||||||||||
|
|
120 |
50 |
59 |
33 |
47 |
34 |
UK 311 |
H 2311 |
55.0 |
44.8 |
80 |
80 |
32 |
20 |
38 |
236 |
310 |
UKP 311+H 2311 |
UK 311+H 2311 |
P311 |
||||||||||||||||||||
|
60 |
110 |
55 |
62 |
22 |
49 |
27 |
UK 212 |
H 2312 |
36.8 |
32.8 |
71 |
69.9 |
27 |
17 |
19.02 |
22 |
186 |
243 |
UKP 212+H 2312 |
UK 212+H 2312 |
P212 |
|||||||||||||||||||
|
|
130 |
55 |
62 |
34 |
49 |
36 |
UK 312 |
H 2312 |
62.8 |
51.8 |
85 |
85 |
34 |
25 |
38 |
250 |
330 |
UKP 312+H 2312 |
UK 312+H 2312 |
P312 |
||||||||||||||||||||
|
65 |
120 |
60 |
65 |
23 |
51 |
28 |
UK 213 |
H 2313 |
44.0 |
40.0 |
73 |
76.2 |
34 |
21 |
24.52 |
24 |
203 |
268 |
UKP 213+H 2313 |
UK 213+H 2313 |
P213 |
|||||||||||||||||||
|
|
140 |
60 |
65 |
36 |
51 |
38 |
UK 313 |
H 2313 |
72.2 |
60.5 |
90 |
90 |
37 |
25 |
38 |
260 |
340 |
UKP 313+H 2313 |
UK 313+H 2313 |
P313 |
||||||||||||||||||||
|
75 |
130 |
65 |
73 |
25 |
58 |
30 |
UK 215 |
H 2315 |
50.8 |
49.5 |
83 |
82.6 |
35 |
21 |
24.52 |
24 |
217 |
300 |
UKP 215+H 2315 |
UK 215+H 2315 |
P215 |
|||||||||||||||||||
|
|
160 |
65 |
73 |
40 |
58 |
42 |
UK 315 |
H 2315 |
87.2 |
76.8 |
100 |
100 |
41 |
27 |
40 |
290 |
380 |
UKP 315+H 2315 |
UK 315+H 2315 |
P315 |
||||||||||||||||||||
|
80 |
140 |
70 |
78 |
26 |
61 |
33 |
UK 216 |
H 2316 |
55.0 |
54.2 |
84 |
88.9 |
38 |
21 |
24.52 |
24 |
232 |
305 |
UKP 216+H 2316 |
UK 216+H 2316 |
P216 |
|||||||||||||||||||
|
|
170 |
70 |
78 |
42 |
61 |
44 |
UK 316 |
H 2316 |
94.5 |
86.5 |
110 |
106 |
46 |
27 |
40 |
300 |
400 |
UKP 316+H 2316 |
UK 316+H 2316 |
P316 |
||||||||||||||||||||
|
85 |
150 |
75 |
82 |
28 |
64 |
35 |
UK 217 |
H 2317 |
64.0 |
63.8 |
95 |
95.2 |
41 |
21 |
24.52 |
24 |
247 |
330 |
UKP 217+H 2317 |
UK 217+H 2317 |
P217 |
|||||||||||||||||||
|
|
180 |
75 |
82 |
45 |
64 |
46 |
UK 317 |
H 2317 |
102 |
96.5 |
110 |
112 |
46 |
33 |
45 |
320 |
420 |
UKP 317+H 2317 |
UK 317+H 2317 |
P317 |
||||||||||||||||||||
|
90 |
160 |
80 |
86 |
30 |
68 |
37 |
UK 218 |
H 2318 |
73.8 |
71.5 |
100 |
101.6 |
44 |
25 |
28.52 |
34 |
262 |
356 |
UKP 218+H 2318 |
UK 218+H 2318 |
P218 |
|||||||||||||||||||
|
|
190 |
80 |
86 |
47 |
68 |
48 |
UK 318 |
H 2318 |
110 |
108 |
110 |
118 |
51 |
33 |
45 |
330 |
430 |
UKP 318+H 2318 |
UK 318+H 2318 |
P318 |
||||||||||||||||||||
|
轴 承 尺 寸 /mm |
配用件代号 |
基本额定载荷/kN |
座 尺 寸 /mm |
带座轴承代号 |
轴承代号 |
座代号 |
||||||||||||||||||||||||||||||||||
|
dz |
D |
d0 |
B2 |
B |
C |
轴承 |
紧定套 |
Cr |
C0r |
A max |
H |
H1 max |
N |
N1 |
J |
L max |
UKP+H 型 |
UK+H 型 |
P 型 |
|||||||||||||||||||||
|
min |
max |
|||||||||||||||||||||||||||||||||||||||
|
95 |
200 |
85 |
90 |
49 |
71 |
50 |
UK319 |
H2319 |
120 |
122 |
120 |
125 |
51 |
36 |
50 |
360 |
470 |
UKP319+H2319 |
UK319+H2319 |
P319 |
||||||||||||||||||||
|
100 |
215 |
90 |
97 |
51 |
77 |
54 |
UK320 |
H2320 |
132 |
140 |
120 |
140 |
56 |
36 |
50 |
380 |
490 |
UKP320+H2320 |
UK320+H2320 |
P320 |
||||||||||||||||||||
|
110 |
240 |
100 |
105 |
56 |
84 |
60 |
UK322 |
H2322 |
158 |
178 |
140 |
150 |
61 |
40 |
55 |
400 |
520 |
UKP322+H2322 |
UK322+H2322 |
P322 |
||||||||||||||||||||
|
120 |
260 |
110 |
112 |
60 |
90 |
64 |
UK324 |
H2324 |
175 |
208 |
140 |
160 |
71 |
40 |
55 |
450 |
570 |
UKP324+H2324 |
UK324+H2324 |
P324 |
||||||||||||||||||||
|
130 |
280 |
115 |
121 |
65 |
98 |
68 |
UK326 |
H2326 |
195 |
242 |
140 |
180 |
81 |
40 |
55 |
480 |
600 |
UKP326+H2326 |
UK326+H2326 |
P326 |
||||||||||||||||||||
|
140 |
300 |
125 |
131 |
70 |
107 |
72 |
UK328 |
H2328 |
212 |
272 |
140 |
200 |
81 |
40 |
55 |
500 |
620 |
UKP328+H2328 |
UK328+H2328 |
P328 |
||||||||||||||||||||
|
注:P 300型座中A、H1、L尺寸为公称尺寸,不是最大值,N1尺寸为公称尺寸,不是最小值。 |
||||||||||||||||||||||||||||||||||||||||


