|
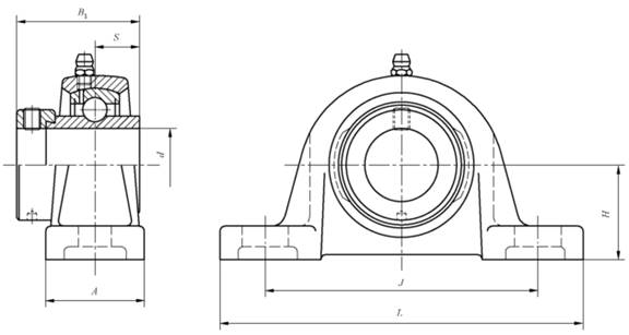
带立式座外球面球轴承(带顶丝UCP、带偏心套UELP) (GB/T 7810—2017) |
|||||||||||||||||||||
|
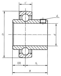
带顶丝外球面球轴承(UC型) 带立式座顶丝外球面球轴承(UCP型)
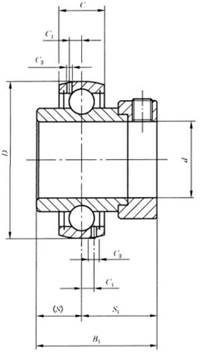
带偏心套外球面球轴承(UEL型) 带立式座偏心套外球面球轴承(UELP型) |
|||||||||||||||||||||
|
符号意义与应用 U—表示带座外球面球面球轴承,后面均同 UC—带顶丝外球面球轴承 UEL—带偏心套外球面球轴承 P—铸造立式座 具有与深沟球轴承相同的载荷能力,调心性能较好,有密封装置,结构紧凑,使用方便。 UC型、UEL型的尺寸与基本额定载荷等符合GB/T 3882。 |
|||||||||||||||||||||
|
轴 承 尺 寸 /mm |
基本额定 载荷/kN |
配用 偏心套 |
座 尺 寸 /mm |
带座轴承 代号 |
轴承 代号 |
座代号 |
|||||||||||||||
|
d |
D |
B |
S |
C |
ds |
G |
d1 max |
Cr |
C0r |
代号 |
A max |
H |
H1 max |
N |
N1 min |
J |
L max |
UCP型 UELP型 |
UC型 UEL型 |
P型 |
|
|
min |
max |
||||||||||||||||||||
|
12 |
40 |
27.4 |
11.5 |
14 |
M5×0.8 |
4 |
— |
7.35 |
4.78 |
— |
39 |
30.2 |
17 |
10.5 |
12.43 |
16 |
96 |
129 |
UCP201S |
UC201S |
P203 |
|
|
40 |
37.3 |
13.9 |
14 |
— |
— |
28.6 |
7.35 |
4.78 |
E 201S |
39 |
30.2 |
17 |
10.5 |
12.43 |
16 |
96 |
129 |
UELP201S |
UEL201S |
P203 |
|
|
40 |
31.0 |
12.7 |
14 |
M6×1 |
— |
— |
7.35 |
4.78 |
— |
39 |
30.2 |
17 |
10.5 |
12.43 |
16 |
96 |
129 |
UCP201 |
UC201 |
P203 |
|
|
40 |
43.7 |
17.1 |
14 |
— |
— |
33.3 |
7.35 |
4.78 |
E 201 |
39 |
30.2 |
17 |
10.5 |
12.43 |
16 |
96 |
129 |
UELP201 |
UEL201 |
P203 |
|
|
|
|
|
|
|
|
|
|
|
|
|
|
|
|
|
|
|
|
|
|
|
|
15 |
40 |
27.4 |
11.5 |
14 |
M5×0.8 |
4 |
— |
7.35 |
4.78 |
— |
39 |
30.2 |
17 |
10.5 |
12.43 |
16 |
96 |
129 |
UCP202S |
UC202S |
P203 |
|
|
40 |
37.3 |
13.9 |
14 |
— |
— |
28.6 |
7.35 |
4.78 |
E
202S |
39 |
30.2 |
17 |
10.5 |
12.43 |
16 |
96 |
129 |
UELP202S |
UEL202S |
P203 |
|
|
40 |
31.0 |
12.7 |
14 |
M6×1 |
— |
— |
7.35 |
4.78 |
— |
39 |
30.2 |
17 |
10.5 |
12.43 |
16 |
96 |
129 |
UCP202 |
UC202 |
|
|
|
40 |
43.7 |
17.1 |
14 |
— |
— |
33.3 |
7.35 |
4.78 |
E
202 |
39 |
30.2 |
17 |
10.5 |
12.43 |
16 |
96 |
129 |
UELP202 |
UEL202 |
|
|
|
|
|
|
|
|
|
|
|
|
|
|
|
|
|
|
|
|
|
|
|
|
|
17 |
40 |
27.4 |
11.5 |
14 |
M5×0.8 |
4 |
— |
7.35 |
4.78 |
— |
39 |
30.2 |
17 |
10.5 |
12.43 |
16 |
96 |
129 |
UCP203S |
UC203S |
P203 |
|
|
40 |
37.3 |
13.9 |
14 |
— |
— |
28.6 |
7.35 |
4.78 |
E
203S |
39 |
30.2 |
17 |
10.5 |
12.43 |
16 |
96 |
129 |
UELP203S |
UEL203S |
P203 |
|
|
40 |
31.0 |
12.7 |
14 |
M6×1 |
— |
— |
7.35 |
4.78 |
— |
39 |
30.2 |
17 |
10.5 |
12.43 |
16 |
96 |
129 |
UCP203 |
UC203 |
|
|
|
40 |
43.7 |
17.1 |
14 |
— |
— |
33.3 |
7.35 |
4.78 |
E
203 |
39 |
30.2 |
17 |
10.5 |
12.43 |
16 |
96 |
129 |
UELP203 |
UEL203 |
|
|
|
|
|
|
|
|
|
|
|
|
|
|
|
|
|
|
|
|
|
|
|
|
|
20 |
47 |
31.0 |
12.7 |
17 |
M6×1 |
5 |
— |
9.88 |
6.65 |
— |
39 |
33.3 |
17 |
10.5 |
12.43 |
16 |
96 |
134 |
UCP204 |
UC204 |
P204 |
|
|
47 |
43.7 |
17.1 |
17 |
— |
— |
33.3 |
9.88 |
6.65 |
E 204 |
39 |
33.3 |
17 |
10.5 |
12.43 |
16 |
96 |
134 |
UELP204 |
UEL204 |
P204 |
|
|
|
|
|
|
|
|
|
|
|
|
|
|
|
|
|
|
|
|
|
|
|
|
25 |
52 |
34.1 |
14.3 |
17 |
M6×1 |
5 |
— |
10.8 |
7.88 |
— |
39 |
36.5 |
17 |
10.5 |
12.43 |
16 |
105 |
142 |
UCP205 |
UC205 |
P205 |
|
|
62 |
38 |
15 |
21 |
M6×1 |
6 |
— |
17.2 |
11.5 |
— |
45 |
45 |
17 |
17 |
20 |
132 |
177 |
UCP305 |
UC305 |
P305 |
|
|
|
52 |
44.4 |
17.5 |
17 |
— |
— |
38.1 |
10.8 |
7.88 |
E 205 |
39 |
36.5 |
17 |
10.5 |
12.43 |
16 |
105 |
142 |
UELP205 |
UEL205 |
P205 |
|
|
62 |
46.8 |
16.7 |
21 |
— |
— |
42.8 |
17.2 |
11.5 |
E 305 |
45 |
45 |
17 |
17 |
20 |
132 |
177 |
UELP305 |
UEL305 |
P305 |
|
|
|
|
|
|
|
|
|
|
|
|
|
|
|
|
|
|
|
|
|
|
|
|
|
30 |
62 |
38.1 |
15.9 |
19 |
M6×1 |
5 |
— |
15.0 |
11.2 |
— |
48 |
42.9 |
20 |
13 |
14.93 |
19 |
121 |
167 |
UCP206 |
UC206 |
P206 |
|
|
72 |
43 |
17 |
23 |
M6×1 |
6 |
— |
20.8 |
15.2 |
— |
50 |
50 |
20 |
17 |
20 |
140 |
182 |
UCP306 |
UC306 |
P306 |
|
|
|
62 |
48.4 |
18.3 |
19 |
— |
— |
44.5 |
15.0 |
11.2 |
E 206 |
48 |
42.9 |
20 |
13 |
14.93 |
19 |
121 |
167 |
UELP206 |
UEL206 |
P206 |
|
|
72 |
50 |
17.5 |
23 |
— |
— |
50 |
20.8 |
15.2 |
E 306 |
50 |
50 |
20 |
17 |
20 |
140 |
182 |
UELP306 |
UEL306 |
P306 |
|
|
|
|
|
|
|
|
|
|
|
|
|
|
|
|
|
|
|
|
|
|
|
|
|
35 |
72 |
42.9 |
17.5 |
20 |
M8×1 |
7 |
— |
19.8 |
15.2 |
— |
48 |
47.6 |
20 |
13 |
14.93 |
19 |
126 |
172 |
UCP207 |
UC207 |
P207 |
|
|
80 |
48 |
19 |
25 |
M8×1 |
8 |
— |
25.8 |
19.2 |
— |
56 |
56 |
22 |
17 |
25 |
160 |
212 |
UCP307 |
UC307 |
P307 |
|
|
|
72 |
51.1 |
18.8 |
20 |
— |
— |
55.6 |
19.8 |
15.2 |
E 207 |
48 |
47.6 |
20 |
13 |
14.93 |
19 |
126 |
172 |
UELP207 |
UEL207 |
P207 |
|
|
80 |
51.6 |
18.3 |
25 |
— |
— |
55 |
25.8 |
19.2 |
E 307 |
56 |
56 |
22 |
17 |
25 |
160 |
212 |
UELP307 |
UEL307 |
P307 |
|
|
|
|
|
|
|
|
|
|
|
|
|
|
|
|
|
|
|
|
|
|
|
|
|
40 |
80 |
49.2 |
19 |
21 |
M8×1 |
8 |
— |
22.8 |
18.2 |
— |
55 |
49.2 |
20 |
13 |
14.93 |
19 |
136 |
186 |
UCP208 |
UC208 |
P208 |
|
|
90 |
52 |
19 |
27 |
M10×1.25 |
10 |
— |
31.2 |
24.0 |
— |
60 |
60 |
24 |
17 |
27 |
170 |
222 |
UCP308 |
UC308 |
P308 |
|
|
|
80 |
56.3 |
21.4 |
21 |
— |
— |
60.3 |
22.8 |
18.2 |
E 208 |
55 |
49.2 |
20 |
13 |
14.93 |
19 |
136 |
186 |
UELP208 |
UEL208 |
P208 |
|
|
90 |
57.1 |
19.8 |
27 |
— |
— |
63.5 |
31.2 |
24.0 |
E 308 |
60 |
60 |
24 |
17 |
27 |
170 |
222 |
UELP308 |
UEL308 |
P308 |
|
|
|
|
|
|
|
|
|
|
|
|
|
|
|
|
|
|
|
|
|
|
|
|
|
45 |
85 |
49.2 |
19.0 |
22 |
M8×1 |
8 |
— |
24.5 |
20.8 |
— |
55 |
54 |
22 |
13 |
14.93 |
19 |
146 |
192 |
UCP209 |
UC209 |
P209 |
|
|
100 |
57 |
22 |
30 |
M10×1.25 |
10 |
— |
40.8 |
31.8 |
— |
67 |
67 |
26 |
20 |
30 |
190 |
247 |
UCP309 |
UC309 |
P309 |
|
|
|
85 |
56.3 |
21.4 |
22 |
— |
— |
63.5 |
24.5 |
20.8 |
E 209 |
55 |
54 |
22 |
13 |
14.93 |
19 |
146 |
192 |
UELP209 |
UEL209 |
P209 |
|
|
100 |
58.7 |
19.8 |
30 |
— |
— |
70 |
40.8 |
31.8 |
E 309 |
67 |
67 |
26 |
20 |
30 |
190 |
247 |
UELP309 |
UEL309 |
P309 |
|
|
|
|
|
|
|
|
|
|
|
|
|
|
|
|
|
|
|
|
|
|
|
|
|
50 |
90 |
51.6 |
19.0 |
24 |
M10×1.25 |
10 |
— |
27.0 |
23.2 |
— |
61 |
57.2 |
23 |
17 |
19.05 |
20.5 |
159 |
208 |
UCP210 |
UC210 |
P210 |
|
|
110 |
61 |
22 |
32 |
M12×1.5 |
12 |
— |
47.5 |
37.8 |
— |
75 |
75 |
29 |
20 |
35 |
212 |
278 |
UCP310 |
UC310 |
P310 |
|
|
|
90 |
62.7 |
24.6 |
24 |
— |
— |
69.9 |
27.0 |
23.2 |
E 210 |
61 |
57.2 |
23 |
17 |
19.02 |
20.5 |
159 |
208 |
UELP210 |
UEL210 |
P210 |
|
|
110 |
66.6 |
24.6 |
32 |
— |
— |
76.2 |
47.5 |
37.8 |
E 310 |
75 |
75 |
29 |
20 |
35 |
212 |
278 |
UELP310 |
UEL310 |
P310 |
|
|
|
|
|
|
|
|
|
|
|
|
|
|
|
|
|
|
|
|
|
|
|
|
|
55 |
100 |
55.6 |
22.2 |
25 |
M10×1.25 |
10 |
— |
33.5 |
29.2 |
— |
61 |
63.5 |
25 |
17 |
19.02 |
20.5 |
172 |
233 |
UCP211 |
UC211 |
P211 |
|
|
120 |
66 |
25 |
34 |
M12×1.5 |
12 |
— |
55.0 |
44.8 |
— |
80 |
80 |
32 |
20 |
38 |
236 |
313 |
UCP311 |
UC311 |
P311 |
|
|
|
100 |
71.4 |
27.8 |
25 |
— |
— |
76.2 |
33.5 |
29.2 |
E 211 |
61 |
63.5 |
25 |
17 |
19.02 |
20.5 |
172 |
233 |
UELP211 |
UEL211 |
P211 |
|
|
120 |
73 |
27.8 |
34 |
— |
— |
83 |
55.0 |
44.8 |
E 311 |
80 |
80 |
32 |
20 |
38 |
236 |
313 |
UELP311 |
UEL311 |
P311 |
|
|
|
|
|
|
|
|
|
|
|
|
|
|
|
|
|
|
|
|
|
|
|
|
|
60 |
110 |
65.1 |
25.4 |
27 |
M10×1.25 |
10 |
— |
36.8 |
32.8 |
— |
71 |
69.9 |
27 |
17 |
19.02 |
22 |
186 |
243 |
UCP212 |
UC212 |
P212 |
|
|
130 |
71 |
26 |
36 |
M12×1.5 |
12 |
— |
62.8 |
51.8 |
— |
85 |
85 |
34 |
25 |
38 |
250 |
333 |
UCP312 |
UC312 |
P312 |
|
|
|
110 |
77.8 |
31.0 |
27 |
— |
— |
84.2 |
36.8 |
32.8 |
E 212 |
71 |
69.9 |
27 |
17 |
19.02 |
22 |
186 |
243 |
UELP212 |
UEL212 |
P212 |
|
|
130 |
79.4 |
30.95 |
36 |
— |
— |
89 |
62.8 |
51.8 |
E 312 |
85 |
85 |
34 |
25 |
38 |
250 |
333 |
UELP312 |
UEL312 |
P312 |
|
|
|
|
|
|
|
|
|
|
|
|
|
|
|
|
|
|
|
|
|
|
|
|
|
65 |
120 |
65.1 |
25.4 |
28 |
M10×1.25 |
10 |
— |
44.0 |
40.0 |
— |
73 |
76.2 |
34 |
21 |
24.52 |
24 |
203 |
268 |
UCP213 |
UC213 |
P213 |
|
|
140 |
75 |
30 |
38 |
M12×1.5 |
12 |
— |
72.2 |
60.5 |
— |
90 |
90 |
37 |
25 |
38 |
260 |
343 |
UCP313 |
UC313 |
P313 |
|
|
|
120 |
85.7 |
34.1 |
28 |
— |
— |
86 |
44.0 |
40.0 |
E 213 |
73 |
76.2 |
34 |
21 |
24.52 |
24 |
203 |
268 |
UELP213 |
UEL213 |
P213 |
|
|
140 |
85.7 |
32.55 |
38 |
— |
— |
97 |
72.2 |
60.5 |
E 313 |
90 |
90 |
37 |
25 |
38 |
260 |
343 |
UELP313 |
UEL313 |
P313 |
|
|
|
|
|
|
|
|
|
|
|
|
|
|
|
|
|
|
|
|
|
|
|
|
|
70 |
125 |
74.6 |
30.2 |
29 |
M12×1.5 |
12 |
— |
46.8 |
45.0 |
— |
74 |
79.4 |
34 |
21 |
24.52 |
24 |
210 |
274 |
UCP214 |
UC214 |
P214 |
|
|
150 |
78 |
33 |
40 |
M12×1.5 |
12 |
— |
80.2 |
68.0 |
— |
90 |
95 |
41 |
27 |
40 |
280 |
363 |
UCP314 |
UC314 |
P314 |
|
|
|
125 |
85.7 |
34.1 |
29 |
— |
— |
90 |
46.8 |
45.0 |
E 214 |
74 |
79.4 |
34 |
21 |
24.52 |
24 |
210 |
274 |
UELP214 |
UEL214 |
P214 |
|
|
150 |
92.1 |
34.15 |
40 |
— |
— |
102 |
80.2 |
68.0 |
E 314 |
90 |
95 |
41 |
27 |
40 |
280 |
363 |
UELP314 |
UEL314 |
P314 |
|
|
|
|
|
|
|
|
|
|
|
|
|
|
|
|
|
|
|
|
|
|
|
|
|
75 |
130 |
77.8 |
33.3 |
30 |
M12×1.5 |
12 |
— |
50.8 |
49.5 |
— |
83 |
82.6 |
35 |
21 |
24.52 |
24 |
217 |
300 |
UCP215 |
UC215 |
P215 |
|
|
160 |
82 |
32 |
42 |
M14×1.5 |
14 |
— |
87.2 |
76.8 |
— |
100 |
100 |
41 |
27 |
40 |
290 |
383 |
UCP315 |
UC315 |
P315 |
|
|
|
130 |
92.1 |
37.3 |
30 |
— |
— |
102 |
50.8 |
49.5 |
E 215 |
83 |
82.6 |
35 |
21 |
24.52 |
24 |
217 |
300 |
UELP215 |
UEL215 |
P215 |
|
|
160 |
100 |
37.3 |
42 |
— |
— |
113 |
87.2 |
76.8 |
E 315 |
100 |
100 |
41 |
27 |
40 |
290 |
383 |
UELP315 |
UEL315 |
P315 |
|
|
|
|
|
|
|
|
|
|
|
|
|
|
|
|
|
|
|
|
|
|
|
|
|
80 |
140 |
82.6 |
33.3 |
33 |
M12×1.5 |
12 |
— |
55.0 |
54.2 |
— |
84 |
88.9 |
38 |
21 |
24.52 |
24 |
232 |
305 |
UCP216 |
UC216 |
P216 |
|
|
170 |
86 |
34 |
44 |
M14×1.5 |
14 |
— |
94.5 |
86.5 |
— |
110 |
106 |
46 |
27 |
40 |
300 |
403 |
UCP316 |
UC316 |
P316 |
|
|
|
170 |
106.4 |
40.5 |
44 |
— |
— |
119 |
94.5 |
86.5 |
E 316 |
110 |
106 |
46 |
27 |
40 |
300 |
403 |
UELP316 |
UEL316 |
P316 |
|
|
|
|
|
|
|
|
|
|
|
|
|
|
|
|
|
|
|
|
|
|
|
|
|
85 |
150 |
85.7 |
34.1 |
35 |
M12×1.5 |
12 |
— |
64.0 |
63.8 |
— |
95 |
95.2 |
41 |
21 |
24.52 |
24 |
247 |
330 |
UCP217 |
UC217 |
P217 |
|
|
180 |
96 |
40 |
46 |
M16×1.5 |
16 |
— |
102 |
96.5 |
— |
110 |
112 |
46 |
33 |
45 |
320 |
424 |
UCP317 |
UC317 |
P317 |
|
|
|
180 |
109.5 |
42.05 |
46 |
— |
— |
127 |
102 |
96.5 |
E 317 |
110 |
112 |
46 |
33 |
45 |
320 |
424 |
UELP317 |
UEL317 |
P317 |
|
|
|
|
|
|
|
|
|
|
|
|
|
|
|
|
|
|
|
|
|
|
|
|
|
90 |
160 |
96.0 |
39.7 |
37 |
M12×1.5 |
12 |
— |
73.8 |
71.5 |
— |
100 |
101.6 |
44 |
25 |
28.52 |
34 |
262 |
356 |
UCP218 |
UC218 |
P218 |
|
|
190 |
96 |
40 |
48 |
M16×1.5 |
16 |
— |
110 |
108 |
— |
110 |
118 |
51 |
33 |
45 |
330 |
434 |
UCP318 |
UC318 |
P318 |
|
|
|
190 |
115.9 |
43.65 |
48 |
— |
— |
133 |
110 |
108 |
E 318 |
110 |
118 |
51 |
33 |
45 |
330 |
434 |
UELP318 |
UEL318 |
P318 |
|
|
|
|
|
|
|
|
|
|
|
|
|
|
|
|
|
|
|
|
|
|
|
|
|
95 |
200 |
103 |
41 |
50 |
M16×1.5 |
16 |
— |
120 |
122 |
— |
120 |
125 |
51 |
36 |
50 |
360 |
474 |
UCP319 |
UC319 |
P319 |
|
|
|
200 |
122.3 |
38.9 |
50 |
— |
— |
140 |
120 |
122 |
E 319 |
120 |
125 |
51 |
36 |
50 |
360 |
474 |
UELP319 |
UEL319 |
P319 |
|
|
|
|
|
|
|
|
|
|
|
|
|
|
|
|
|
|
|
|
|
|
|
|
|
100 |
215 |
108 |
42 |
54 |
M18×1.5 |
18 |
— |
132 |
140 |
— |
120 |
140 |
56 |
36 |
50 |
380 |
494 |
UCP320 |
UC320 |
P320 |
|
|
|
215 |
128.6 |
50 |
54 |
— |
— |
146 |
132 |
140 |
E 320 |
120 |
140 |
56 |
36 |
50 |
380 |
494 |
UELP320 |
UEL320 |
P320 |
|
|
|
|
|
|
|
|
|
|
|
|
|
|
|
|
|
|
|
|
|
|
|
|
|
105 |
225 |
112 |
44 |
56 |
M18×1.5 |
18 |
— |
142 |
152 |
— |
120 |
140 |
56 |
36 |
50 |
380 |
494 |
UCP321 |
UC321 |
P321 |
|
|
|
|
|
|
|
|
|
|
|
|
|
|
|
|
|
|
|
|
|
|
|
|
|
110 |
240 |
117 |
46 |
60 |
M18×1.5 |
18 |
— |
158 |
178 |
— |
140 |
150 |
61 |
40 |
55 |
400 |
524 |
UCP322 |
UC322 |
P322 |
|
|
|
|
|
|
|
|
|
|
|
|
|
|
|
|
|
|
|
|
|
|
|
|
|
120 |
260 |
126 |
51 |
64 |
M18×1.5 |
18 |
— |
175 |
208 |
— |
140 |
160 |
71 |
40 |
55 |
450 |
574 |
UCP324 |
UC324 |
P324 |
|
|
|
|
|
|
|
|
|
|
|
|
|
|
|
|
|
|
|
|
|
|
|
|
|
130 |
280 |
135 |
54 |
68 |
M20×1.5 |
20 |
— |
195 |
242 |
— |
140 |
180 |
81 |
40 |
55 |
480 |
604 |
UCP326 |
UC326 |
P326 |
|
|
|
|
|
|
|
|
|
|
|
|
|
|
|
|
|
|
|
|
|
|
|
|
|
140 |
300 |
145 |
59 |
72 |
M20×1.5 |
20 |
— |
212 |
272 |
— |
140 |
200 |
81 |
40 |
55 |
500 |
624 |
UCP328 |
UC328 |
P328 |
|
|
注:P 300 型座中 A、H1、L 尺寸为公称尺寸,不是最大值,N1 尺寸为公称尺寸,不是最小值。 |
|||||||||||||||||||||




