|
推力圆柱滚子轴承 (GB/T 4663—2017) |
|||||||||||||||
|
单向推力圆柱滚子轴承 |
轴向当量动载荷:Pa=Fa 轴向当量静载荷:P0a=Fa 最小轴向载荷:
式中 n——转速,r/min 应用 能承受较大的单向轴向载荷,限制单向位移 |
||||||||||||||
|
基本尺寸 /mm |
基本额定载荷 /kN |
最小载 荷常数 |
极限转速 /r·min-1 |
重量 /kg |
轴承 代号 |
其他尺寸 /mm |
安装尺寸 /mm |
||||||||
|
d |
D |
T |
Ca |
C0a |
A |
脂 |
油 |
W≈ |
80000型 |
D1 min |
d1 max |
r min |
da min |
Da max |
ra max |
|
10 |
24 |
9 |
|
|
|
|
|
|
81100 |
11 |
24 |
0.3 |
|
|
|
|
|
26 |
11 |
|
|
|
|
|
|
81200 |
12 |
26 |
0.6 |
|
|
|
|
|
|
|
|
|
|
|
|
|
|
|
|
|
|
|
|
|
12 |
26 |
9 |
|
|
|
|
|
|
81101 |
13 |
26 |
0.3 |
|
|
|
|
|
28 |
11 |
|
|
|
|
|
|
81201 |
14 |
28 |
0.6 |
|
|
|
|
|
|
|
|
|
|
|
|
|
|
|
|
|
|
|
|
|
15 |
28 |
9 |
|
|
|
|
|
|
81102 |
16 |
28 |
0.3 |
|
|
|
|
|
32 |
12 |
|
|
|
|
|
|
81202 |
17 |
32 |
0.6 |
|
|
|
|
|
|
|
|
|
|
|
|
|
|
|
|
|
|
|
|
|
17 |
30 |
9 |
|
|
|
|
|
|
81103 |
18 |
30 |
0.3 |
|
|
|
|
|
35 |
12 |
|
|
|
|
|
|
81203 |
19 |
35 |
0.6 |
|
|
|
|
|
|
|
|
|
|
|
|
|
|
|
|
|
|
|
|
|
20 |
35 |
10 |
|
|
|
|
|
|
81104 |
21 |
35 |
0.3 |
|
|
|
|
|
40 |
14 |
|
|
|
|
|
|
81204 |
22 |
40 |
0.6 |
|
|
|
|
|
|
|
|
|
|
|
|
|
|
|
|
|
|
|
|
|
25 |
42 |
11 |
|
|
|
|
|
|
81105 |
26 |
42 |
0.6 |
|
|
|
|
|
47 |
15 |
|
|
|
|
|
|
81205 |
27 |
47 |
0.6 |
|
|
|
|
|
|
|
|
|
|
|
|
|
|
|
|
|
|
|
|
|
30 |
47 |
11 |
|
|
|
|
|
|
81106 |
32 |
47 |
0.6 |
|
|
|
|
|
52 |
16 |
|
|
|
|
|
|
81206 |
32 |
52 |
0.6 |
|
|
|
|
|
|
|
|
|
|
|
|
|
|
|
|
|
|
|
|
|
35 |
52 |
12 |
|
|
|
|
|
|
81107 |
37 |
52 |
0.6 |
|
|
|
|
|
62 |
18 |
|
|
|
|
|
|
81207 |
42 |
68 |
1 |
|
|
|
|
|
|
|
|
|
|
|
|
|
|
|
|
|
|
|
|
|
40 |
60 |
13 |
37.2 |
115 |
0.002 |
1700 |
2400 |
0.12 |
81108 |
42 |
60 |
0.6 |
58 |
42 |
0.6 |
|
|
68 |
19 |
68.2 |
190 |
0.004 |
1200 |
1800 |
0.27 |
81208 |
42 |
68 |
1 |
66 |
43 |
1 |
|
|
|
|
|
|
|
|
|
|
|
|
|
|
|
|
|
|
45 |
65 |
14 |
|
|
|
|
|
|
81109 |
47 |
60 |
0.6 |
|
|
|
|
|
73 |
20 |
|
|
|
|
|
|
81209 |
47 |
73 |
1 |
|
|
|
|
|
|
|
|
|
|
|
|
|
|
|
|
|
|
|
|
|
50 |
70 |
14 |
|
|
|
|
|
|
81110 |
52 |
70 |
0.6 |
|
|
|
|
78 |
22 |
77.0 |
235 |
0.005 |
1000 |
1600 |
0.45 |
81210 |
52 |
78 |
1 |
75 |
53 |
1 |
|
|
|
|
|
|
|
|
|
|
|
|
|
|
|
|
|
|
|
55 |
78 |
16 |
56.5 |
215 |
0.005 |
1400 |
2000 |
0.24 |
81111 |
57 |
78 |
0.6 |
77 |
57 |
0.6 |
|
|
90 |
25 |
104 |
318 |
0.009 |
950 |
1500 |
0.71 |
81211 |
57 |
90 |
1 |
85 |
59 |
1 |
|
|
|
|
|
|
|
|
|
|
|
|
|
|
|
|
|
|
60 |
85 |
17 |
|
|
|
|
|
|
81112 |
62 |
85 |
1 |
|
|
|
|
|
95 |
26 |
|
|
|
|
|
|
81212 |
62 |
951 |
|
|
|
|
|
|
|
|
|
|
|
|
|
|
|
|
|
|
|
|
|
|
65 |
90 |
18 |
65.8 |
235 |
0.006 |
1200 |
1800 |
0.381 |
81113 |
67 |
90 |
1 |
87 |
67 |
1 |
|
|
100 |
27 |
112 |
362 |
0.012 |
850 |
1300 |
0.874 |
81213 |
67 |
100 |
1 |
96 |
69 |
1 |
|
|
|
|
|
|
|
|
|
|
|
|
|
|
|
|
|
|
70 |
95 |
18 |
|
|
|
|
|
|
81114 |
72 |
92 |
1 |
|
|
|
|
|
105 |
27 |
|
|
|
|
|
|
81214 |
72 |
105 |
1 |
|
|
|
|
|
|
|
|
|
|
|
|
|
|
|
|
|
|
|
|
|
75 |
100 |
19 |
|
|
|
|
|
|
81115 |
77 |
100 |
1 |
|
|
|
|
|
110 |
27 |
125 |
430 |
0.017 |
750 |
1100 |
0.98 |
81215 |
77 |
110 |
1 |
106 |
79 |
1 |
|
|
|
|
|
|
|
|
|
|
|
|
|
|
|
|
|
|
80 |
105 |
19 |
|
|
|
|
|
|
81116 |
82 |
105 |
1 |
|
|
|
|
|
115 |
28 |
|
|
|
|
|
|
81216 |
82 |
115 |
1 |
|
|
|
|
|
|
|
|
|
|
|
|
|
|
|
|
|
|
|
|
|
85 |
110 |
19 |
75.0 |
302 |
0.008 |
900 |
1400 |
0.45 |
81117 |
87 |
110 |
1 |
108 |
87 |
1 |
|
|
125 |
31 |
152 |
550 |
0.026 |
670 |
950 |
1.44 |
81217 |
88 |
125 |
1 |
119 |
90 |
1 |
|
|
|
|
|
|
|
|
|
|
|
|
|
|
|
|
|
|
90 |
120 |
22 |
105 |
408 |
0.015 |
850 |
1300 |
0.67 |
81118 |
92 |
120 |
1 |
117 |
93 |
1 |
|
|
135 |
35 |
|
|
|
|
|
|
81218 |
93 |
135 |
1.1 |
|
|
|
|
|
|
|
|
|
|
|
|
|
|
|
|
|
|
|
|
|
100 |
135 |
25 |
|
|
|
|
|
|
81120 |
102 |
135 |
1 |
|
|
|
|
|
150 |
38 |
228 |
840 |
0.059 |
560 |
850 |
2.58 |
81220 |
103 |
150 |
1.1 |
142 |
107 |
1 |
|
|
|
|
|
|
|
|
|
|
|
|
|
|
|
|
|
|
110 |
145 |
25 |
|
|
|
|
|
|
81122 |
112 |
145 |
1 |
|
|
|
|
|
160 |
38 |
|
|
|
|
|
|
81222 |
113 |
160 |
1.1 |
|
|
|
|
|
|
|
|
|
|
|
|
|
|
|
|
|
|
|
|
|
120 |
155 |
25 |
155 |
660 |
0.036 |
700 |
1000 |
1.36 |
81124 |
122 |
155 |
1 |
151 |
124 |
1 |
|
|
170 |
39 |
|
|
|
|
|
|
81224 |
123 |
170 |
1.1 |
|
|
|
|
|
|
|
|
|
|
|
|
|
|
|
|
|
|
|
|
|
130 |
170 |
30 |
|
|
|
|
|
|
81126 |
132 |
170 |
1 |
|
|
|
|
|
190 |
45 |
368 |
1420 |
0.164 |
450 |
700 |
4.59 |
81226 |
133 |
187 |
1.5 |
181 |
137 |
1.5 |
|
|
|
|
|
|
|
|
|
|
|
|
|
|
|
|
|
|
140 |
180 |
31 |
|
|
|
|
|
|
81128 |
142 |
178 |
1 |
|
|
|
|
|
200 |
46 |
|
|
|
|
|
|
81228 |
143 |
197 |
1.5 |
|
|
|
|
|
|
|
|
|
|
|
|
|
|
|
|
|
|
|
|
|
150 |
190 |
31 |
|
|
|
|
|
|
81130 |
152 |
188 |
1 |
|
|
|
|
|
215 |
50 |
|
|
|
|
|
|
81230 |
153 |
212 |
1.5 |
|
|
|
|
|
|
|
|
|
|
|
|
|
|
|
|
|
|
|
|
|
160 |
200 |
31 |
|
|
|
|
|
|
81132 |
162 |
198 |
1 |
|
|
|
|
|
225 |
51 |
|
|
|
|
|
|
81232 |
163 |
222 |
1.5 |
|
|
|
|
|
|
|
|
|
|
|
|
|
|
|
|
|
|
|
|
|
170 |
215 |
34 |
|
|
|
|
|
|
81134 |
172 |
213 |
1.1 |
|
|
|
|
|
240 |
55 |
|
|
|
|
|
|
81234 |
173 |
237 |
1.5 |
|
|
|
|
|
|
|
|
|
|
|
|
|
|
|
|
|
|
|
|
|
180 |
225 |
34 |
|
|
|
|
|
|
81136 |
183 |
222 |
1.1 |
|
|
|
|
|
250 |
56 |
|
|
|
|
|
|
81236 |
183 |
247 |
1.5 |
|
|
|
|
|
|
|
|
|
|
|
|
|
|
|
|
|
|
|
|
|
190 |
240 |
37 |
|
|
|
|
|
|
81138 |
193 |
237 |
1.1 |
|
|
|
|
|
270 |
62 |
|
|
|
|
|
|
81238 |
194 |
267 |
2 |
|
|
|
|
|
|
|
|
|
|
|
|
|
|
|
|
|
|
|
|
|
200 |
250 |
37 |
|
|
|
|
|
|
81140 |
203 |
247 |
1.1 |
|
|
|
|
|
280 |
62 |
|
|
|
|
|
|
81240 |
204 |
277 |
2 |
|
|
|
|
|
|
|
|
|
|
|
|
|
|
|
|
|
|
|
|
|
220 |
270 |
37 |
|
|
|
|
|
|
81144 |
223 |
267 |
1.1 |
|
|
|
|
|
300 |
63 |
|
|
|
|
|
|
81244 |
224 |
297 |
2 |
|
|
|
|
|
|
|
|
|
|
|
|
|
|
|
|
|
|
|
|
|
240 |
300 |
45 |
|
|
|
|
|
|
81148 |
243 |
297 |
1.5 |
|
|
|
|
|
340 |
78 |
|
|
|
|
|
|
81248 |
244 |
335 |
2 |
|
|
|
|
|
|
|
|
|
|
|
|
|
|
|
|
|
|
|
|
|
260 |
320 |
45 |
|
|
|
|
|
|
81152 |
263 |
317 |
1.5 |
|
|
|
|
|
360 |
79 |
|
|
|
|
|
|
81252 |
264 |
355 |
2.1 |
|
|
|
|
|
|
|
|
|
|
|
|
|
|
|
|
|
|
|
|
|
280 |
350 |
53 |
|
|
|
|
|
|
81156 |
283 |
347 |
1.5 |
|
|
|
|
|
380 |
80 |
|
|
|
|
|
|
81256 |
284 |
375 |
2.1 |
|
|
|
|
|
|
|
|
|
|
|
|
|
|
|
|
|
|
|
|
|
300 |
380 |
62 |
|
|
|
|
|
|
81160 |
304 |
376 |
2 |
|
|
|
|
|
420 |
95 |
|
|
|
|
|
|
81260 |
304 |
415 |
3 |
|
|
|
|
|
|
|
|
|
|
|
|
|
|
|
|
|
|
|
|
|
320 |
400 |
63 |
|
|
|
|
|
|
81164 |
324 |
396 |
2 |
|
|
|
|
|
440 |
95 |
|
|
|
|
|
|
81264 |
325 |
435 |
3 |
|
|
|
|
|
|
|
|
|
|
|
|
|
|
|
|
|
|
|
|
|
340 |
420 |
64 |
|
|
|
|
|
|
81168 |
344 |
416 |
2 |
|
|
|
|
|
460 |
96 |
|
|
|
|
|
|
81268 |
345 |
455 |
3 |
|
|
|
|
|
|
|
|
|
|
|
|
|
|
|
|
|
|
|
|
|
360 |
440 |
65 |
|
|
|
|
|
|
81172 |
364 |
436 |
2 |
|
|
|
|
|
500 |
110 |
|
|
|
|
|
|
81272 |
365 |
495 |
4 |
|
|
|
|
|
|
|
|
|
|
|
|
|
|
|
|
|
|
|
|
|
380 |
460 |
65 |
|
|
|
|
|
|
81176 |
384 |
456 |
2 |
|
|
|
|
|
520 |
112 |
|
|
|
|
|
|
81276 |
385 |
515 |
4 |
|
|
|
|
|
|
|
|
|
|
|
|
|
|
|
|
|
|
|
|
|
400 |
480 |
65 |
|
|
|
|
|
|
81180 |
404 |
476 |
2 |
|
|
|
|
|
540 |
112 |
|
|
|
|
|
|
81280 |
405 |
535 |
4 |
|
|
|
|
|
|
|
|
|
|
|
|
|
|
|
|
|
|
|
|
|
420 |
500 |
65 |
|
|
|
|
|
|
81184 |
424 |
495 |
2 |
|
|
|
|
|
580 |
130 |
|
|
|
|
|
|
81284 |
425 |
575 |
5 |
|
|
|
|
|
|
|
|
|
|
|
|
|
|
|
|
|
|
|
|
|
440 |
540 |
80 |
|
|
|
|
|
|
81188 |
444 |
535 |
2.1 |
|
|
|
|
|
600 |
130 |
|
|
|
|
|
|
81288 |
445 |
595 |
5 |
|
|
|
|
|
|
|
|
|
|
|
|
|
|
|
|
|
|
|
|
|
460 |
560 |
80 |
|
|
|
|
|
|
81192 |
464 |
555 |
2.1 |
|
|
|
|
|
620 |
130 |
|
|
|
|
|
|
81292 |
465 |
615 |
5 |
|
|
|
|
|
|
|
|
|
|
|
|
|
|
|
|
|
|
|
|
|
480 |
580 |
80 |
|
|
|
|
|
|
81196 |
484 |
575 |
2.1 |
|
|
|
|
|
650 |
135 |
|
|
|
|
|
|
81296 |
485 |
645 |
5 |
|
|
|
|
|
|
|
|
|
|
|
|
|
|
|
|
|
|
|
|
|
500 |
600 |
80 |
|
|
|
|
|
|
811/500 |
504 |
595 |
2.1 |
|
|
|
|
|
670 |
135 |
|
|
|
|
|
|
812/500 |
505 |
665 |
5 |
|
|
|
|
|
|
|
|
|
|
|
|
|
|
|
|
|
|
|
|
|
530 |
640 |
85 |
|
|
|
|
|
|
811/530 |
534 |
635 |
3 |
|
|
|
|
|
710 |
140 |
|
|
|
|
|
|
812/530 |
535 |
705 |
5 |
|
|
|
|
|
|
|
|
|
|
|
|
|
|
|
|
|
|
|
|
|
560 |
670 |
85 |
|
|
|
|
|
|
811/560 |
564 |
665 |
3 |
|
|
|
|
|
750 |
150 |
|
|
|
|
|
|
812/560 |
565 |
745 |
5 |
|
|
|
|
|
|
|
|
|
|
|
|
|
|
|
|
|
|
|
|
|
600 |
710 |
85 |
|
|
|
|
|
|
811/600 |
604 |
705 |
3 |
|
|
|
|
|
800 |
160 |
|
|
|
|
|
|
812/600 |
605 |
795 |
5 |
|
|
|
|
|
|
|
|
|
|
|
|
|
|
|
|
|
|
|
|
|
630 |
750 |
95 |
|
|
|
|
|
|
811/630 |
634 |
745 |
3 |
|
|
|
|
|
850 |
175 |
|
|
|
|
|
|
812/630 |
635 |
845 |
6 |
|
|
|
|
|
|
|
|
|
|
|
|
|
|
|
|
|
|
|
|
|
670 |
800 |
105 |
|
|
|
|
|
|
811/670 |
674 |
795 |
4 |
|
|
|
|
|
900 |
180 |
|
|
|
|
|
|
812/670 |
675 |
895 |
6 |
|
|
|
|
|
|
|
|
|
|
|
|
|
|
|
|
|
|
|
|
|
710 |
850 |
112 |
|
|
|
|
|
|
811/710 |
714 |
845 |
4 |
|
|
|
|
|
950 |
190 |
|
|
|
|
|
|
812/710 |
715 |
945 |
6 |
|
|
|
|
|
|
|
|
|
|
|
|
|
|
|
|
|
|
|
|
|
750 |
900 |
120 |
|
|
|
|
|
|
811/750 |
755 |
895 |
4 |
|
|
|
|
|
1000 |
195 |
|
|
|
|
|
|
812/750 |
755 |
995 |
6 |
|
|
|
|
|
|
|
|
|
|
|
|
|
|
|
|
|
|
|
|
|
800 |
950 |
120 |
|
|
|
|
|
|
811/800 |
805 |
945 |
4 |
|
|
|
|
|
1060 |
205 |
|
|
|
|
|
|
812/800 |
805 |
1055 |
7.5 |
|
|
|
|
|
|
|
|
|
|
|
|
|
|
|
|
|
|
|
|
|
850 |
1000 |
120 |
|
|
|
|
|
|
811/850 |
855 |
955 |
4 |
|
|
|
|
|
1120 |
212 |
|
|
|
|
|
|
812/850 |
855 |
1115 |
7.5 |
|
|
|
|
|
|
|
|
|
|
|
|
|
|
|
|
|
|
|
|
|
900 |
1060 |
130 |
|
|
|
|
|
|
811/900 |
1054 |
906 |
5 |
|
|
|
|
|
1180 |
220 |
|
|
|
|
|
|
812/900 |
905 |
1175 |
7.5 |
|
|
|
|
|
|
|
|
|
|
|
|
|
|
|
|
|
|
|
|
|
950 |
1120 |
135 |
|
|
|
|
|
|
811/950 |
1114 |
956 |
5 |
|
|
|
|
|
1250 |
236 |
|
|
|
|
|
|
812/950 |
955 |
1245 |
7.5 |
|
|
|
|
|
|
|
|
|
|
|
|
|
|
|
|
|
|
|
|
|
1000 |
1180 |
140 |
|
|
|
|
|
|
811/1000 |
1005 |
1175 |
5 |
|
|
|
|
|
1320 |
250 |
|
|
|
|
|
|
812/1000 |
1005 |
1315 |
9.5 |
|
|
|
|
|
|
|
|
|
|
|
|
|
|
|
|
|
|
|
|
|
1060 |
1250 |
150 |
|
|
|
|
|
|
811/1060 |
1065 |
1245 |
5 |
|
|
|
|
|
1400 |
265 |
|
|
|
|
|
|
812/1060 |
1065 |
1395 |
9.5 |
|
|
|
|
|
|
|
|
|
|
|
|
|
|
|
|
|
|
|
|
|
1120 |
1320 |
160 |
|
|
|
|
|
|
811/1120 |
1125 |
1315 |
5 |
|
|
|
|
|
|
|
|
|
|
|
|
|
|
|
|
|
|
|
|
|
1180 |
1400 |
175 |
|
|
|
|
|
|
811/1180 |
1185 |
1395 |
6 |
|
|
|
|
|
|
|
|
|
|
|
|
|
|
|
|
|
|
|
|
|
1250 |
1460 |
175 |
|
|
|
|
|
|
811/1250 |
1255 |
1455 |
6 |
|
|
|
|
|
|
|
|
|
|
|
|
|
|
|
|
|
|
|
|
|
1320 |
1540 |
175 |
|
|
|
|
|
|
811/1320 |
1325 |
1535 |
6 |
|
|
|
|
|
|
|
|
|
|
|
|
|
|
|
|
|
|
|
|
|
1400 |
1630 |
180 |
|
|
|
|
|
|
811/1400 |
1410 |
1620 |
6 |
|
|
|
|
|
|
|
|
|
|
|
|
|
|
|
|
|
|
|
|
|
1500 |
1750 |
195 |
|
|
|
|
|
|
811/1500 |
1510 |
1740 |
6 |
|
|
|
|
|
|
|
|
|
|
|
|
|
|
|
|
|
|
|
|
|
1600 |
1850 |
195 |
|
|
|
|
|
|
811/1600 |
1610 |
1840 |
6 |
|
|
|
|
|
|
|
|
|
|
|
|
|
|
|
|
|
|
|
|
|
1700 |
1970 |
212 |
|
|
|
|
|
|
811/1700 |
1710 |
1960 |
7.5 |
|
|
|
|
|
|
|
|
|
|
|
|
|
|
|
|
|
|
|
|
|
1800 |
2080 |
220 |
|
|
|
|
|
|
811/1800 |
1810 |
2070 |
7.5 |
|
|
|

|
|
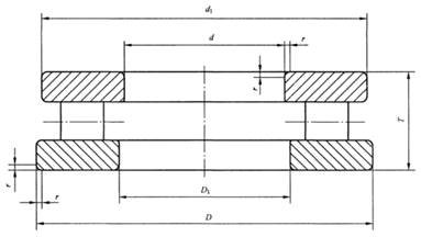
双向推力圆柱滚子轴承
|
轴承型号 |
da |
d2 |
D |
D1smin |
d3max |
T1 |
rsminb |
r1sminb |
|
82211 |
55 |
45 |
90 |
57 |
90 |
45 |
1 |
0.6 |
|
|
|
|
|
|
|
|
|
|
|
82212 |
60 |
50 |
95 |
62 |
95 |
46 |
1 |
0.6 |
|
|
|
|
|
|
|
|
|
|
|
82213 |
65 |
55 |
100 |
67 |
100 |
47 |
1 |
0.6 |
|
|
|
|
|
|
|
|
|
|
|
82214 |
70 |
55 |
105 |
72 |
105 |
47 |
1 |
1 |
|
|
|
|
|
|
|
|
|
|
|
82215 |
75 |
60 |
110 |
77 |
110 |
47 |
1 |
1 |
|
|
|
|
|
|
|
|
|
|
|
82216 |
80 |
65 |
115 |
82 |
115 |
48 |
1 |
1 |
|
|
|
|
|
|
|
|
|
|
|
82217 |
85 |
70 |
125 |
88 |
125 |
55 |
1 |
1 |
|
|
|
|
|
|
|
|
|
|
|
82218 |
90 |
75 |
135 |
93 |
135 |
62 |
1.1 |
1 |
|
|
|
|
|
|
|
|
|
|
|
82220 |
100 |
85 |
150 |
103 |
150 |
67 |
1.1 |
1 |
|
|
|
|
|
|
|
|
|
|
|
82222 |
110 |
95 |
160 |
113 |
160 |
67 |
1.1 |
1 |
|
|
|
|
|
|
|
|
|
|
|
82224 |
120 |
100 |
170 |
123 |
170 |
68 |
1.1 |
1.1 |
|
|
|
|
|
|
|
|
|
|
|
82226 |
130 |
110 |
190 |
133 |
189.5 |
80 |
1.5 |
1.1 |
|
|
|
|
|
|
|
|
|
|
|
82228 |
140 |
120 |
200 |
143 |
199.5 |
81 |
1.5 |
1.1 |
|
|
|
|
|
|
|
|
|
|
|
82230 |
150 |
130 |
215 |
153 |
214.5 |
89 |
1.5 |
1.1 |
|
|
|
|
|
|
|
|
|
|
|
82232 |
160 |
140 |
225 |
163 |
224.5 |
90 |
1.5 |
1.1 |
|
|
|
|
|
|
|
|
|
|
|
82234 |
170 |
150 |
240 |
173 |
239.5 |
97 |
1.5 |
1.1 |
|
|
|
|
|
|
|
|
|
|
|
82236 |
180 |
150 |
250 |
183 |
249 |
98 |
1.5 |
2 |
|
|
|
|
|
|
|
|
|
|
|
82238 |
190 |
160 |
270 |
194 |
269 |
109 |
2 |
2 |
|
|
|
|
|
|
|
|
|
|
|
82240 |
200 |
170 |
280 |
204 |
279 |
109 |
2 |
2 |
|
|
|
|
|
|
|
|
|
|
|
82244 |
220 |
190 |
300 |
224 |
299 |
110 |
2 |
2 |

