|
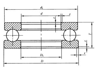
单向推力球轴承 (GB/T 301—2015) |
|||||||||||||||
|
单向推力球轴承51000行 |
应 用 单向推力球轴承只能承受一个方向的轴向载荷,可限制轴和壳体一个方向的轴向位移。为了防止钢球和沟道间引起过大的滑动,必须使轴承在运行中保持最小的轴向载荷。 |
||||||||||||||
|
轴向当量动载荷:Pa=Fa 轴向当量静载荷:P0a=Fa 最小轴向载荷 式中 n——转速,r/min |
|||||||||||||||
|
基本尺寸 /mm |
基本额定载荷 /kN |
最小载 荷常数 |
极限转速 /r·min-1 |
重量 /kg |
轴承代号 |
其他尺寸 /mm |
安装尺寸 /mm |
||||||||
|
d |
D |
T |
Ca |
C0a |
A |
脂 |
油 |
W ≈ |
51000型 |
d1 min |
D1 max |
r min |
da min |
Da max |
ra max |
|
100 |
135 |
25 |
85.0 |
268 |
0.37 |
1600 |
2400 |
0.95 |
51120 |
102 |
135 |
1 |
121 |
114 |
1 |
|
|
150 |
38 |
132 |
375 |
0.75 |
1100 |
1700 |
2.21 |
51220 |
103 |
150 |
1.1 |
130 |
120 |
1 |
|
|
170 |
55 |
235 |
595 |
1.88 |
800 |
1200 |
4.86 |
51320 |
103 |
170 |
1.5 |
142 |
128 |
1.5 |
|
|
210 |
85 |
400 |
1080 |
6.17 |
600 |
850 |
13.3 |
51420 |
103 |
205 |
3 |
165 |
145 |
2.5 |
|
|
|
|
|
|
|
|
|
|
|
|
|
|
|
|
|
|
110 |
145 |
25 |
87.0 |
288 |
0.43 |
1500 |
2200 |
1.03 |
51122 |
112 |
145 |
1 |
131 |
124 |
1 |
|
|
160 |
38 |
138 |
412 |
0.89 |
1000 |
1600 |
2.39 |
51222 |
113 |
160 |
1.1 |
140 |
130 |
1 |
|
|
190 |
63 |
278 |
755 |
2.97 |
700 |
1100 |
7.05 |
51322 |
113 |
187 |
2 |
158 |
142 |
2 |
|
|
230 |
95 |
490 |
1390 |
10.4 |
530 |
750 |
20.0 |
51422 |
113 |
225 |
3 |
181 |
159 |
2.5 |
|
|
|
|
|
|
|
|
|
|
|
|
|
|
|
|
|
|
120 |
155 |
25 |
87.0 |
298 |
0.48 |
1400 |
2000 |
1.10 |
51124 |
122 |
155 |
1 |
141 |
134 |
1 |
|
|
170 |
39 |
135 |
412 |
0.96 |
950 |
1500 |
2.62 |
51224 |
123 |
170 |
1.1 |
150 |
140 |
1 |
|
|
210 |
70 |
330 |
945 |
4.58 |
670 |
950 |
9.54 |
51324 |
123 |
205 |
2.1 |
173 |
157 |
2.1 |
|
|
250 |
102 |
412 |
1220 |
12.4 |
480 |
670 |
25.5 |
51424 |
123 |
245 |
4 |
196 |
174 |
3 |
|
|
|
|
|
|
|
|
|
|
|
|
|
|
|
|
|
|
130 |
170 |
30 |
108 |
375 |
0.74 |
1300 |
1900 |
1.70 |
51126 |
132 |
170 |
1 |
154 |
146 |
1 |
|
|
190 |
45 |
188 |
575 |
1.75 |
900 |
1400 |
3.93 |
51226 |
133 |
187 |
1.5 |
166 |
154 |
1.5 |
|
|
225 |
75 |
358 |
1070 |
5.91 |
600 |
850 |
11.7 |
51326 |
134 |
220 |
2.1 |
186 |
169 |
2.1 |
|
|
270 |
110 |
630 |
2010 |
21.1 |
430 |
600 |
32.0 |
51426 |
134 |
265 |
4 |
212 |
188 |
3 |
|
|
|
|
|
|
|
|
|
|
|
|
|
|
|
|
|
|
140 |
180 |
31 |
110 |
402 |
0.84 |
1200 |
1800 |
1.85 |
51128 |
142 |
178 |
1 |
164 |
156 |
1 |
|
|
200 |
46 |
190 |
598 |
1.96 |
850 |
1300 |
4.27 |
51228 |
143 |
197 |
1.5 |
176 |
164 |
1.5 |
|
|
240 |
80 |
395 |
1230 |
7.84 |
560 |
800 |
14.1 |
51328 |
144 |
235 |
2.1 |
199 |
181 |
2.1 |
|
|
280 |
112 |
630 |
2010 |
22.2 |
400 |
560 |
32.2 |
51428 |
144 |
275 |
4 |
222 |
198 |
3 |
|
|
|
|
|
|
|
|
|
|
|
|
|
|
|
|
|
|
150 |
190 |
31 |
110 |
415 |
0.93 |
1100 |
1700 |
1.95 |
51130 |
152 |
188 |
1 |
174 |
166 |
1 |
|
|
215 |
50 |
242 |
768 |
3.06 |
800 |
1200 |
5.52 |
51230 |
153 |
212 |
1.5 |
189 |
176 |
1.5 |
|
|
250 |
80 |
405 |
1310 |
8.80 |
530 |
750 |
14.9 |
51330 |
154 |
245 |
2.1 |
209 |
191 |
2.1 |
|
|
300 |
120 |
670 |
2240 |
27.9 |
380 |
530 |
38.2 |
51430 |
154 |
295 |
4 |
238 |
212 |
3 |
|
|
|
|
|
|
|
|
|
|
|
|
|
|
|
|
|
|
160 |
200 |
31 |
110 |
428 |
1.01 |
1000 |
1600 |
2.06 |
51132 |
162 |
198 |
1 |
184 |
176 |
1 |
|
|
225 |
51 |
240 |
768 |
3.23 |
750 |
1100 |
5.91 |
51232 |
163 |
222 |
1.5 |
199 |
186 |
1.5 |
|
|
270 |
87 |
470 |
1570 |
12.8 |
500 |
700 |
18.9 |
51332 |
164 |
265 |
3 |
225 |
205 |
2.5 |
|
|
320 |
130 |
|
|
|
|
|
|
51432 |
164 |
315 |
5 |
|
|
|
|
|
|
|
|
|
|
|
|
|
|
|
|
|
|
|
|
|
170 |
215 |
34 |
135 |
528 |
1.48 |
950 |
1500 |
2.71 |
51134 |
172 |
213 |
1.1 |
197 |
188 |
1 |
|
|
240 |
55 |
280 |
915 |
4.48 |
700 |
1000 |
7.31 |
51234 |
173 |
237 |
1.5 |
212 |
198 |
1.5 |
|
|
280 |
87 |
470 |
1580 |
13.8 |
480 |
670 |
22.5 |
51334 |
174 |
275 |
3 |
235 |
215 |
2.5 |
|
|
340 |
135 |
|
|
|
|
|
|
51434 |
174 |
335 |
5 |
|
|
|
|
|
|
|
|
|
|
|
|
|
|
|
|
|
|
|
|
|
180 |
225 |
34 |
135 |
528 |
1.56 |
900 |
1400 |
2.77 |
51136 |
183 |
222 |
1.1 |
207 |
198 |
1 |
|
|
250 |
56 |
285 |
958 |
4.91 |
670 |
950 |
7.84 |
51236 |
183 |
247 |
1.5 |
222 |
208 |
1.5 |
|
|
300 |
95 |
518 |
1820 |
17.9 |
430 |
600 |
28.7 |
51336 |
184 |
295 |
3 |
251 |
229 |
2.5 |
|
|
360 |
140 |
|
|
|
|
|
|
51436 |
184 |
355 |
5 |
|
|
|
|
|
|
|
|
|
|
|
|
|
|
|
|
|
|
|
|
|
190 |
240 |
37 |
172 |
678 |
2.41 |
850 |
1300 |
3.61 |
51138 |
193 |
237 |
1.1 |
220 |
210 |
1 |
|
|
270 |
62 |
328 |
1160 |
6.97 |
630 |
900 |
10.5 |
51238 |
194 |
267 |
2 |
238 |
222 |
2 |
|
|
320 |
105 |
608 |
2220 |
26.7 |
400 |
560 |
41.1 |
51338 |
195 |
315 |
4 |
266 |
244 |
3 |
|
|
|
|
|
|
|
|
|
|
|
|
|
|
|
|
|
|
200 |
250 |
37 |
172 |
698 |
2.60 |
800 |
1200 |
3.77 |
51140 |
203 |
247 |
1.1 |
230 |
220 |
1 |
|
|
280 |
62 |
332 |
1210 |
7.59 |
600 |
850 |
11.0 |
51240 |
204 |
277 |
2 |
248 |
232 |
2 |
|
|
340 |
110 |
600 |
2220 |
28.0 |
360 |
500 |
44.0 |
51340 |
205 |
335 |
4 |
282 |
258 |
3 |
|
|
|
|
|
|
|
|
|
|
|
|
|
|
|
|
|
|
220 |
270 |
37 |
188 |
782 |
3.35 |
750 |
1100 |
4.60 |
51144 |
223 |
267 |
1.1 |
250 |
240 |
1 |
|
|
300 |
63 |
365 |
1360 |
10.3 |
560 |
800 |
13.7 |
51244 |
224 |
297 |
2 |
268 |
252 |
2 |
|
|
360 |
112 |
|
|
|
|
|
|
51344 |
225 |
355 |
4 |
|
|
|
|
|
|
|
|
|
|
|
|
|
|
|
|
|
|
|
|
|
240 |
300 |
45 |
258 |
1040 |
5.95 |
700 |
1000 |
7.6 |
51148 |
243 |
297 |
1.5 |
276 |
264 |
1.5 |
|
|
340 |
78 |
468 |
1870 |
19.0 |
450 |
630 |
23.6 |
51248 |
244 |
335 |
2.1 |
299 |
281 |
2.1 |
|
|
380 |
112 |
692 |
2870 |
44.1 |
320 |
450 |
51 |
51348 |
245 |
375 |
4 |
322 |
298 |
3 |
|
|
|
|
|
|
|
|
|
|
|
|
|
|
|
|
|
|
260 |
320 |
45 |
270 |
1140 |
6.99 |
670 |
950 |
8.10 |
51152 |
263 |
317 |
1.5 |
296 |
284 |
1.5 |
|
|
360 |
79 |
488 |
2050 |
22.3 |
430 |
600 |
25.5 |
51252 |
264 |
355 |
2.1 |
319 |
301 |
2.1 |
|
|
|
|
|
|
|
|
|
|
|
|
|
|
|
|
|
|
280 |
350 |
53 |
338 |
1430 |
11.2 |
560 |
800 |
12.2 |
51156 |
283 |
347 |
1.5 |
322 |
308 |
1.5 |
|
|
380 |
80 |
490 |
2140 |
24.7 |
400 |
560 |
27.8 |
51256 |
284 |
375 |
2.1 |
339 |
321 |
2.1 |
|
|
|
|
|
|
|
|
|
|
|
|
|
|
|
|
|
|
300 |
380 |
62 |
415 |
1860 |
18.5 |
500 |
700 |
17.5 |
51160 |
304 |
376 |
2 |
348 |
332 |
2 |
|
|
420 |
95 |
578 |
2670 |
39.3 |
360 |
560 |
42.5 |
51260 |
304 |
415 |
3 |
371 |
349 |
2.5 |
|
|
|
|
|
|
|
|
|
|
|
|
|
|
|
|
|
|
320 |
400 |
63 |
418 |
1920 |
20.2 |
480 |
670 |
18.9 |
51164 |
324 |
396 |
2 |
368 |
352 |
2 |
|
|
440 |
95 |
612 |
2920 |
45.3 |
340 |
480 |
45.5 |
51264 |
325 |
435 |
3 |
391 |
369 |
2.5 |
|
|
|
|
|
|
|
|
|
|
|
|
|
|
|
|
|
|
340 |
420 |
64 |
428 |
2050 |
22.7 |
450 |
630 |
20.5 |
51168 |
344 |
416 |
2 |
388 |
372 |
2 |
|
|
460 |
96 |
620 |
3040 |
49.6 |
320 |
450 |
52 |
51268 |
345 |
455 |
3 |
411 |
389 |
2.5 |
|
|
540 |
160 |
1120 |
5720 |
175 |
150 |
220 |
145 |
51368 |
345 |
535 |
5 |
460 |
420 |
4 |
|
|
|
|
|
|
|
|
|
|
|
|
|
|
|
|
|
|
360 |
440 |
65 |
432 |
2110 |
24.6 |
430 |
600 |
22 |
51172 |
364 |
436 |
2 |
408 |
392 |
2 |
|
|
500 |
110 |
775 |
3940 |
84.0 |
260 |
380 |
70.9 |
51272 |
365 |
495 |
4 |
442 |
418 |
3 |
|
|
|
|
|
|
|
|
|
|
|
|
|
|
|
|
|
|
380 |
460 |
65 |
440 |
2210 |
26.0 |
430 |
600 |
23.0 |
51176 |
384 |
456 |
2 |
428 |
412 |
2 |
|
|
520 |
112 |
788 |
4120 |
91.5 |
240 |
360 |
73.0 |
51276 |
385 |
515 |
4 |
463 |
437 |
3 |
|
|
|
|
|
|
|
|
|
|
|
|
|
|
|
|
|
|
400 |
480 |
65 |
452 |
2320 |
28.0 |
400 |
560 |
23.7 |
51180 |
404 |
476 |
2 |
448 |
432 |
2 |
|
|
|
|
|
|
|
|
|
|
|
|
|
|
|
|
|
|
420 |
500 |
65 |
462 |
2480 |
33.3 |
380 |
530 |
25.2 |
51184 |
424 |
495 |
2 |
468 |
452 |
2 |
|
|
|
|
|
|
|
|
|
|
|
|
|
|
|
|
|
|
440 |
540 |
80 |
527 |
3000 |
47.0 |
360 |
500 |
42.0 |
51188 |
444 |
536 |
2.1 |
499 |
481 |
2.1 |
|
|
|
|
|
|
|
|
|
|
|
|
|
|
|
|
|
|
460 |
560 |
80 |
578 |
3310 |
58.9 |
320 |
450 |
43 |
51192 |
464 |
555 |
2.1 |
519 |
501 |
2.1 |
|
|
|
|
|
|
|
|
|
|
|
|
|
|
|
|
|
|
480 |
580 |
80 |
592 |
3490 |
53.0 |
300 |
430 |
43.9 |
51196 |
484 |
575 |
2.1 |
539 |
521 |
2.1 |
|
|
|
|
|
|
|
|
|
|
|
|
|
|
|
|
|
|
500 |
600 |
80 |
595 |
3570 |
68.8 |
280 |
400 |
47.2 |
511/500 |
504 |
595 |
2.1 |
559 |
541 |
2.1 |
|
|
|
|
|
|
|
|
|
|
|
|
|
|
|
|
|
|
530 |
640 |
85 |
708 |
4000 |
80.0 |
260 |
380 |
57.3 |
511/530 |
534 |
635 |
3 |
595 |
575 |
2.5 |
|
|
|
|
|
|
|
|
|
|
|
|
|
|
|
|
|
|
630 |
750 |
95 |
|
|
|
|
|
|
511/630 |
634 |
745 |
3 |
|
|
|
|
|
|
|
|
|
|
|
|
|
|
|
|
|
|
|
|
|
670 |
800 |
105 |
860 |
5020 |
206 |
160 |
240 |
105 |
511/670 |
674 |
795 |
4 |
747 |
723 |
3 |

