|
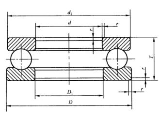
单向推力球轴承 (GB/T 301—2015) |
|||||||||||||||
|
单向推力球轴承51000行 |
应 用 单向推力球轴承只能承受一个方向的轴向载荷,可限制轴和壳体一个方向的轴向位移。为了防止钢球和沟道间引起过大的滑动,必须使轴承在运行中保持最小的轴向载荷。 |
||||||||||||||
|
轴向当量动载荷:Pa=Fa 轴向当量静载荷:P0a=Fa 最小轴向载荷 式中 n——转速,r/min |
|||||||||||||||
|
基本尺寸 /mm |
基本额定载荷 /kN |
最小载 荷常数 |
极限转速 /r·min-1 |
重量 /kg |
轴承代号 |
其他尺寸 /mm |
安装尺寸 /mm |
||||||||
|
d |
D |
T |
Ca |
C0a |
A |
脂 |
油 |
W ≈ |
51000型 |
D1 min |
d1s max |
r min |
da min |
Da max |
ra max |
|
10 |
24 |
9 |
10.0 |
14.0 |
0.001 |
6300 |
9000 |
0.019 |
51100 |
11 |
24 |
0.3 |
18 |
16 |
0.3 |
|
|
26 |
11 |
12.5 |
17.0 |
0.002 |
6000 |
8000 |
0.028 |
51200 |
12 |
26 |
0.6 |
20 |
16 |
0.6 |
|
|
|
|
|
|
|
|
|
|
|
|
|
|
|
|
|
|
12 |
26 |
9 |
10.2 |
15.2 |
0.001 |
6000 |
8500 |
0.021 |
51101 |
13 |
26 |
0.3 |
20 |
18 |
0.3 |
|
|
28 |
11 |
13.2 |
19.0 |
0.002 |
5300 |
7500 |
0.031 |
51201 |
14 |
28 |
0.6 |
22 |
18 |
0.6 |
|
|
|
|
|
|
|
|
|
|
|
|
|
|
|
|
|
|
15 |
28 |
9 |
10.5 |
16.8 |
0.002 |
5600 |
8000 |
0.022 |
51102 |
16 |
28 |
0.3 |
23 |
20 |
0.3 |
|
|
32 |
12 |
16.5 |
24.8 |
0.003 |
4800 |
6700 |
0.041 |
51202 |
17 |
32 |
0.6 |
25 |
22 |
0.6 |
|
|
|
|
|
|
|
|
|
|
|
|
|
|
|
|
|
|
17 |
30 |
9 |
10.8 |
18.2 |
0.002 |
5300 |
7500 |
0.024 |
51103 |
18 |
30 |
0.3 |
25 |
22 |
0.3 |
|
|
35 |
12 |
17.0 |
27.2 |
0.004 |
4500 |
6300 |
0.048 |
51203 |
19 |
35 |
0.6 |
28 |
24 |
0.6 |
|
|
|
|
|
|
|
|
|
|
|
|
|
|
|
|
|
|
20 |
35 |
10 |
14.2 |
24.5 |
0.004 |
4800 |
6700 |
0.036 |
51104 |
21 |
35 |
0.3 |
29 |
26 |
0.3 |
|
|
40 |
14 |
22.2 |
37.5 |
0.007 |
3800 |
5300 |
0.075 |
51204 |
22 |
40 |
0.6 |
32 |
28 |
0.6 |
|
|
47 |
18 |
35.0 |
55.8 |
0.016 |
3600 |
4500 |
0.15 |
51304 |
22 |
47 |
1 |
36 |
31 |
1 |
|
|
|
|
|
|
|
|
|
|
|
|
|
|
|
|
|
|
25 |
42 |
11 |
15.2 |
30.2 |
0.005 |
4300 |
6000 |
0.055 |
51105 |
26 |
42 |
0.6 |
35 |
32 |
0.6 |
|
|
47 |
15 |
27.8 |
50.5 |
0.013 |
3400 |
4800 |
0.11 |
51205 |
27 |
47 |
0.6 |
38 |
34 |
0.6 |
|
|
52 |
18 |
35.5 |
61.5 |
0.021 |
3000 |
4300 |
0.17 |
51305 |
27 |
52 |
1 |
41 |
36 |
1 |
|
|
60 |
24 |
55.5 |
89.2 |
0.044 |
2200 |
3400 |
0.31 |
51405 |
27 |
60 |
1 |
46 |
39 |
1 |
|
|
|
|
|
|
|
|
|
|
|
|
|
|
|
|
|
|
30 |
47 |
11 |
16.0 |
34.2 |
0.007 |
4000 |
5600 |
0.062 |
51106 |
32 |
47 |
0.6 |
40 |
37 |
0.6 |
|
|
52 |
16 |
28.0 |
54.2 |
0.016 |
3200 |
4500 |
0.13 |
51206 |
32 |
52 |
0.6 |
43 |
39 |
0.6 |
|
|
60 |
21 |
42.8 |
78.5 |
0.033 |
2400 |
3600 |
0.26 |
51306 |
32 |
60 |
1 |
48 |
42 |
1 |
|
|
70 |
28 |
72.5 |
125 |
0.082 |
1900 |
3000 |
0.51 |
51406 |
32 |
70 |
1 |
54 |
46 |
1 |
|
|
|
|
|
|
|
|
|
|
|
|
|
|
|
|
|
|
35 |
52 |
12 |
18.2 |
41.5 |
0.010 |
3800 |
5300 |
0.077 |
51107 |
37 |
52 |
0.6 |
45 |
42 |
0.6 |
|
|
62 |
18 |
39.2 |
78.2 |
0.033 |
2800 |
4000 |
0.21 |
51207 |
37 |
62 |
1 |
51 |
46 |
1 |
|
|
68 |
24 |
55.2 |
105 |
0.059 |
2000 |
3200 |
0.37 |
51307 |
37 |
68 |
1 |
55 |
48 |
1 |
|
|
80 |
32 |
86.8 |
155 |
0.13 |
1700 |
2600 |
0.76 |
51407 |
37 |
80 |
1.1 |
62 |
53 |
1 |
|
|
|
|
|
|
|
|
|
|
|
|
|
|
|
|
|
|
40 |
60 |
13 |
26.8 |
62.8 |
0.021 |
3400 |
4800 |
0.11 |
51108 |
42 |
60 |
0.6 |
52 |
48 |
0.6 |
|
|
68 |
19 |
47.0 |
98.2 |
0.050 |
2400 |
3600 |
0.26 |
51208 |
42 |
68 |
1 |
57 |
51 |
1 |
|
|
78 |
26 |
69.2 |
135 |
0.096 |
1900 |
3000 |
0.53 |
51308 |
42 |
78 |
1 |
63 |
55 |
1 |
|
|
90 |
36 |
112 |
205 |
0.22 |
1500 |
2200 |
1.06 |
51408 |
42 |
90 |
1.1 |
70 |
60 |
1 |
|
|
|
|
|
|
|
|
|
|
|
|
|
|
|
|
|
|
45 |
65 |
14 |
27.0 |
66.0 |
0.024 |
3200 |
4500 |
0.14 |
51109 |
47 |
65 |
0.6 |
57 |
53 |
0.6 |
|
|
73 |
20 |
47.8 |
105 |
0.059 |
2200 |
3400 |
0.30 |
51209 |
47 |
73 |
1 |
62 |
56 |
1 |
|
|
85 |
28 |
75.8 |
150 |
0.13 |
1700 |
2600 |
0.66 |
51309 |
47 |
85 |
1 |
69 |
61 |
1 |
|
|
100 |
39 |
140 |
262 |
0.36 |
1400 |
2000 |
1.41 |
51409 |
47 |
100 |
1.1 |
78 |
67 |
1 |
|
|
|
|
|
|
|
|
|
|
|
|
|
|
|
|
|
|
50 |
70 |
14 |
27.2 |
69.2 |
0.027 |
3000 |
4300 |
0.15 |
51110 |
52 |
70 |
0.6 |
62 |
58 |
0.6 |
|
|
78 |
22 |
48.5 |
112 |
0.068 |
2000 |
3200 |
0.37 |
51210 |
52 |
78 |
1 |
67 |
61 |
1 |
|
|
95 |
31 |
96.5 |
202 |
0.21 |
1600 |
2400 |
0.92 |
51310 |
52 |
95 |
1.1 |
77 |
68 |
1 |
|
|
110 |
43 |
160 |
302 |
0.50 |
1300 |
1900 |
1.86 |
51410 |
52 |
110 |
1.5 |
86 |
74 |
1.5 |
|
|
|
|
|
|
|
|
|
|
|
|
|
|
|
|
|
|
55 |
78 |
16 |
33.8 |
89.2 |
0.043 |
2800 |
4000 |
0.22 |
51111 |
57 |
78 |
0.6 |
69 |
64 |
0.6 |
|
|
90 |
25 |
67.5 |
158 |
0.13 |
2900 |
3000 |
0.58 |
51211 |
57 |
90 |
1 |
76 |
69 |
1 |
|
|
105 |
35 |
115 |
242 |
0.31 |
1500 |
2200 |
1.28 |
51311 |
57 |
105 |
1.1 |
85 |
75 |
1 |
|
|
120 |
48 |
182 |
355 |
0.68 |
1100 |
1700 |
2.51 |
51411 |
57 |
120 |
1.5 |
94 |
81 |
1.5 |
|
|
|
|
|
|
|
|
|
|
|
|
|
|
|
|
|
|
60 |
85 |
17 |
40.2 |
108 |
0.063 |
2600 |
3800 |
0.27 |
51112 |
62 |
85 |
1 |
75 |
70 |
1 |
|
|
95 |
26 |
73.5 |
178 |
0.16 |
1800 |
2800 |
0.66 |
51212 |
62 |
95 |
1 |
81 |
74 |
1 |
|
|
110 |
35 |
118 |
262 |
0.35 |
1400 |
2000 |
1.37 |
51312 |
62 |
110 |
1.1 |
90 |
80 |
1 |
|
|
130 |
51 |
200 |
395 |
0.88 |
1000 |
1600 |
3.08 |
51412 |
62 |
130 |
1.5 |
102 |
88 |
1.5 |
|
|
|
|
|
|
|
|
|
|
|
|
|
|
|
|
|
|
65 |
90 |
18 |
40.5 |
112 |
0.07 |
2400 |
3600 |
0.31 |
51113 |
67 |
90 |
1 |
80 |
75 |
1 |
|
|
100 |
27 |
74.8 |
188 |
0.18 |
1700 |
2600 |
0.72 |
51213 |
67 |
100 |
1 |
86 |
79 |
1 |
|
|
115 |
36 |
115 |
262 |
0.38 |
1300 |
1900 |
1.48 |
51313 |
67 |
115 |
1.1 |
95 |
85 |
1 |
|
|
140 |
56 |
215 |
448 |
1.14 |
900 |
1400 |
3.91 |
51413 |
68 |
140 |
2 |
110 |
95 |
2 |
|
|
|
|
|
|
|
|
|
|
|
|
|
|
|
|
|
|
70 |
95 |
18 |
40.8 |
115 |
0.078 |
2200 |
3400 |
0.33 |
51114 |
72 |
95 |
1 |
85 |
80 |
1 |
|
|
105 |
27 |
73.5 |
188 |
0.19 |
1600 |
2400 |
0.75 |
51214 |
72 |
105 |
1 |
91 |
84 |
1 |
|
|
125 |
40 |
148 |
340 |
0.60 |
1200 |
1800 |
1.98 |
51314 |
72 |
125 |
1.1 |
103 |
92 |
1 |
|
|
150 |
60 |
255 |
560 |
1.71 |
850 |
1300 |
4.85 |
51414 |
73 |
150 |
2 |
118 |
102 |
2 |
|
|
|
|
|
|
|
|
|
|
|
|
|
|
|
|
|
|
75 |
100 |
19 |
48.2 |
140 |
0.11 |
2000 |
3200 |
0.38 |
51115 |
77 |
100 |
1 |
90 |
85 |
1 |
|
|
110 |
27 |
74.8 |
198 |
0.21 |
1500 |
2200 |
0.82 |
51215 |
77 |
110 |
1 |
96 |
89 |
1 |
|
|
135 |
44 |
162 |
380 |
0.77 |
1100 |
1700 |
2.58 |
51315 |
77 |
135 |
1.5 |
111 |
99 |
1.5 |
|
|
160 |
65 |
268 |
615 |
2.00 |
800 |
1200 |
6.08 |
51415 |
78 |
160 |
2 |
125 |
110 |
2 |
|
|
|
|
|
|
|
|
|
|
|
|
|
|
|
|
|
|
80 |
105 |
19 |
48.5 |
145 |
0.12 |
1900 |
3000 |
0.40 |
51116 |
82 |
105 |
1 |
95 |
90 |
1 |
|
|
115 |
28 |
83.8 |
222 |
0.27 |
1400 |
2000 |
0.90 |
51216 |
82 |
115 |
1 |
101 |
94 |
1 |
|
|
140 |
44 |
160 |
380 |
0.81 |
1000 |
1600 |
2.69 |
51316 |
82 |
140 |
1.5 |
116 |
104 |
1.5 |
|
|
170 |
68 |
292 |
692 |
2.55 |
750 |
1100 |
7.12 |
51416 |
83 |
170 |
2.1 |
133 |
117 |
2.1 |
|
|
|
|
|
|
|
|
|
|
|
|
|
|
|
|
|
|
85 |
110 |
19 |
49.2 |
150 |
0.13 |
1800 |
2800 |
0.42 |
51117 |
87 |
110 |
1 |
100 |
95 |
1 |
|
|
125 |
31 |
102 |
280 |
0.41 |
1300 |
1900 |
1.21 |
51217 |
88 |
125 |
1 |
109 |
101 |
1 |
|
|
150 |
49 |
208 |
495 |
1.28 |
950 |
1500 |
3.47 |
51317 |
88 |
150 |
1.5 |
124 |
111 |
1.5 |
|
|
180 |
72 |
318 |
782 |
3.24 |
700 |
1000 |
8.28 |
51417 |
88 |
177 |
2.1 |
141 |
124 |
2.1 |
|
|
|
|
|
|
|
|
|
|
|
|
|
|
|
|
|
|
90 |
120 |
22 |
65.0 |
200 |
0.21 |
1700 |
2600 |
0.65 |
51118 |
92 |
120 |
1 |
108 |
102 |
1 |
|
|
135 |
35 |
115 |
315 |
0.52 |
1200 |
1800 |
1.65 |
51218 |
93 |
135 |
1.1 |
117 |
108 |
1 |
|
|
155 |
50 |
205 |
495 |
1.34 |
900 |
1400 |
3.69 |
51318 |
93 |
155 |
1.5 |
129 |
116 |
1.5 |
|
|
190 |
77 |
325 |
825 |
3.71 |
670 |
950 |
9.86 |
51418 |
93 |
187 |
2.1 |
149 |
131 |
2.1 |

