|
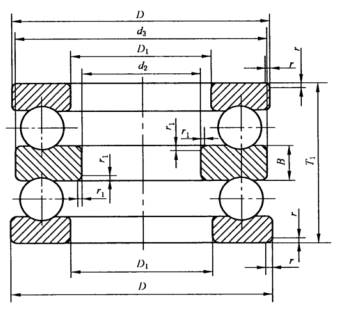
双向推力球轴承 (GB/T 301—2015) |
||||||||||||||||||
|
双向推力球轴承52000型 |
应 用 双向轴承可以承受两个方向的轴向载荷,可限制两个方向的轴向位移。 |
|||||||||||||||||
|
基本尺寸 /mm |
基本额定载荷 /kN |
最小载 荷常数 |
极限转速 /r·min-1 |
重量 /kg |
轴承 代号 |
其他尺寸 /mm |
安装尺寸 /mm |
|||||||||||
|
d |
D |
T1 |
Ca |
C0a |
A |
脂 |
油 |
W ≈ |
52000型 |
d3 max |
D1s min |
B |
r min |
r1 min |
da max |
Da min |
ra |
r1a |
|
10 |
32 |
22 |
16.5 |
24.8 |
0.003 |
4800 |
6700 |
0.08 |
52202 |
17 |
32 |
5 |
0.6 |
0.3 |
15 |
22 |
0.6 |
0.3 |
|
|
|
|
|
|
|
|
|
|
|
|
|
|
|
|
|
|
|
|
|
15 |
40 |
26 |
22.2 |
37.5 |
0.007 |
3800 |
5300 |
0.15 |
52204 |
22 |
40 |
6 |
0.6 |
0.3 |
20 |
28 |
0.6 |
0.3 |
|
|
60 |
45 |
55.5 |
89.2 |
0.044 |
2200 |
3400 |
0.61 |
52405 |
27 |
60 |
11 |
1 |
0.6 |
25 |
39 |
1 |
0.6 |
|
|
|
|
|
|
|
|
|
|
|
|
|
|
|
|
|
|
|
|
|
20 |
47 |
28 |
27.8 |
50.5 |
0.013 |
3400 |
4800 |
0.21 |
52205 |
27 |
47 |
7 |
0.6 |
0.3 |
25 |
34 |
0.6 |
0.3 |
|
|
52 |
34 |
35.5 |
61.5 |
0.021 |
3000 |
4300 |
0.32 |
52305 |
27 |
52 |
8 |
1 |
0.3 |
25 |
36 |
1 |
0.3 |
|
|
70 |
52 |
72.5 |
125 |
0.082 |
1900 |
3000 |
0.97 |
52406 |
32 |
70 |
12 |
1 |
0.6 |
30 |
46 |
1 |
0.6 |
|
|
|
|
|
|
|
|
|
|
|
|
|
|
|
|
|
|
|
|
|
25 |
52 |
29 |
28.0 |
54.2 |
0.016 |
3200 |
4500 |
0.24 |
52206 |
32 |
52 |
7 |
0.6 |
0.3 |
30 |
39 |
0.6 |
0.3 |
|
|
60 |
38 |
42.8 |
78.5 |
0.033 |
2400 |
3600 |
0.47 |
52306 |
32 |
60 |
9 |
1 |
0.3 |
30 |
42 |
1 |
0.3 |
|
|
80 |
59 |
86.8 |
155 |
0.13 |
1700 |
2600 |
1.41 |
52407 |
37 |
80 |
14 |
1.1 |
0.6 |
35 |
53 |
1 |
0.6 |
|
|
|
|
|
|
|
|
|
|
|
|
|
|
|
|
|
|
|
|
|
30 |
62 |
34 |
39.2 |
78.2 |
0.033 |
2800 |
4000 |
0.41 |
52207 |
37 |
62 |
8 |
1 |
0.3 |
35 |
46 |
1 |
0.3 |
|
|
68 |
44 |
55.2 |
105 |
0.059 |
2000 |
3200 |
0.68 |
52307 |
37 |
68 |
10 |
1 |
0.3 |
35 |
48 |
1 |
0.3 |
|
|
68 |
36 |
47.0 |
98.2 |
0.050 |
2400 |
3600 |
0.53 |
52208 |
42 |
68 |
9 |
1 |
0.6 |
40 |
51 |
1 |
0.6 |
|
|
78 |
49 |
69.2 |
135 |
0.098 |
1900 |
3000 |
1.03 |
52308 |
42 |
78 |
12 |
1 |
0.6 |
40 |
55 |
1 |
0.6 |
|
|
90 |
65 |
112 |
205 |
0.22 |
1500 |
2200 |
1.94 |
52408 |
42 |
90 |
15 |
1.1 |
0.6 |
40 |
60 |
1 |
0.6 |
|
|
|
|
|
|
|
|
|
|
|
|
|
|
|
|
|
|
|
|
|
35 |
73 |
37 |
47.8 |
105 |
0.059 |
2200 |
3400 |
0.59 |
52209 |
47 |
73 |
9 |
1 |
0.6 |
45 |
56 |
1 |
0.6 |
|
|
85 |
52 |
75.8 |
150 |
0.13 |
1700 |
2600 |
1.25 |
52309 |
47 |
85 |
12 |
1 |
0.6 |
45 |
61 |
1 |
0.6 |
|
|
100 |
72 |
140 |
262 |
0.36 |
1400 |
2000 |
2.64 |
52409 |
47 |
100 |
17 |
1.1 |
0.6 |
45 |
67 |
1 |
0.6 |
|
|
|
|
|
|
|
|
|
|
|
|
|
|
|
|
|
|
|
|
|
40 |
78 |
39 |
48.5 |
112 |
0.068 |
2000 |
3200 |
0.69 |
52210 |
52 |
78 |
9 |
1 |
0.6 |
50 |
61 |
1 |
0.6 |
|
|
95 |
58 |
96.5 |
202 |
0.21 |
1600 |
2400 |
1.76 |
52310 |
52 |
95 |
14 |
1.1 |
0.6 |
50 |
68 |
1 |
0.6 |
|
|
110 |
78 |
160 |
302 |
0.50 |
1300 |
1900 |
3.40 |
52410 |
52 |
110 |
18 |
1.5 |
0.6 |
50 |
74 |
1.5 |
0.6 |
|
|
|
|
|
|
|
|
|
|
|
|
|
|
|
|
|
|
|
|
|
45 |
90 |
45 |
67.5 |
158 |
0.13 |
1900 |
3000 |
1.17 |
52211 |
57 |
90 |
10 |
1 |
0.6 |
55 |
69 |
1 |
0.6 |
|
|
105 |
64 |
115 |
242 |
0.31 |
1500 |
2200 |
2.38 |
52311 |
57 |
105 |
15 |
1.1 |
0.6 |
55 |
75 |
1 |
0.6 |
|
|
120 |
87 |
182 |
355 |
0.68 |
1100 |
1700 |
4.54 |
52411 |
57 |
120 |
20 |
1.5 |
0.6 |
55 |
81 |
1.5 |
0.6 |
|
|
|
|
|
|
|
|
|
|
|
|
|
|
|
|
|
|
|
|
|
50 |
95 |
46 |
73.5 |
178 |
0.16 |
1800 |
2800 |
1.21 |
52212 |
62 |
95 |
10 |
1 |
0.6 |
60 |
74 |
1 |
0.6 |
|
|
110 |
64 |
118 |
262 |
0.35 |
1400 |
2000 |
2.54 |
52312 |
62 |
110 |
15 |
1.1 |
0.6 |
60 |
80 |
1 |
0.6 |
|
130 |
93 |
200 |
395 |
0.88 |
1000 |
1600 |
5.58 |
52412 |
62 |
130 |
21 |
1.5 |
0.6 |
60 |
88 |
1.5 |
0.6 |
|
|
|
140 |
101 |
215 |
448 |
1.14 |
900 |
1400 |
7.07 |
52413 |
68 |
140 |
23 |
2 |
1 |
65 |
95 |
2 |
1 |
|
|
|
|
|
|
|
|
|
|
|
|
|
|
|
|
|
|
|
|
|
55 |
100 |
47 |
74.8 |
188 |
0.18 |
1700 |
2600 |
1.32 |
52213 |
67 |
100 |
10 |
1 |
0.6 |
65 |
79 |
1 |
0.6 |
|
|
115 |
65 |
115 |
262 |
0.38 |
1300 |
1900 |
2.72 |
52313 |
67 |
115 |
15 |
1.1 |
0.6 |
65 |
85 |
1 |
0.6 |
|
|
105 |
47 |
73.5 |
188 |
0.19 |
1600 |
2400 |
1.42 |
52214 |
72 |
105 |
10 |
1 |
1 |
70 |
84 |
1 |
1 |
|
|
125 |
72 |
148 |
340 |
0.60 |
1200 |
1800 |
3.64 |
52314 |
72 |
125 |
16 |
1.1 |
1 |
70 |
92 |
1 |
1 |
|
|
150 |
107 |
255 |
560 |
1.71 |
850 |
1300 |
8.71 |
52414 |
73 |
150 |
24 |
2 |
1 |
70 |
102 |
2 |
1 |
|
|
|
|
|
|
|
|
|
|
|
|
|
|
|
|
|
|
|
|
|
60 |
110 |
47 |
74.8 |
198 |
0.21 |
1500 |
2200 |
1.50 |
52215 |
77 |
110 |
10 |
1 |
1 |
75 |
89 |
1 |
1 |
|
|
135 |
79 |
162 |
380 |
0.77 |
1100 |
1700 |
4.72 |
52315 |
77 |
135 |
18 |
1.5 |
1 |
75 |
99 |
1.5 |
1 |
|
|
160 |
115 |
268 |
615 |
2.00 |
800 |
1200 |
10.7 |
52415 |
78 |
160 |
26 |
2 |
1 |
75 |
110 |
2 |
1 |
|
|
|
|
|
|
|
|
|
|
|
|
|
|
|
|
|
|
|
|
|
65 |
115 |
48 |
83.8 |
222 |
0.27 |
1400 |
2000 |
1.63 |
52216 |
82 |
115 |
10 |
1 |
1 |
80 |
94 |
1 |
1 |
|
|
140 |
79 |
160 |
380 |
0.81 |
1000 |
1600 |
4.92 |
52316 |
82 |
140 |
18 |
1.5 |
1 |
80 |
104 |
1.5 |
1 |
|
|
170 |
120 |
292 |
692 |
2.55 |
750 |
1100 |
12.5 |
52416 |
83 |
170 |
27 |
2.1 |
1 |
80 |
117 |
2.1 |
1 |
|
|
180 |
128 |
|
|
|
|
|
|
52417 |
88 |
179.5 |
29 |
2.1 |
1 |
|
|
|
|
|
|
|
|
|
|
|
|
|
|
|
|
|
|
|
|
|
|
|
|
|
70 |
125 |
55 |
102 |
280 |
0.41 |
1300 |
1900 |
2.27 |
52217 |
88 |
125 |
12 |
1 |
1 |
85 |
109 |
1 |
1 |
|
|
150 |
87 |
208 |
495 |
1.28 |
950 |
1500 |
6.26 |
52317 |
88 |
150 |
19 |
1.5 |
1 |
85 |
114 |
1.5 |
1 |
|
|
190 |
135 |
325 |
825 |
3.71 |
670 |
950 |
17.3 |
52418 |
93 |
189.5 |
30 |
2.1 |
1.1 |
90 |
131 |
2.1 |
1 |
|
|
|
|
|
|
|
|
|
|
|
|
|
|
|
|
|
|
|
|
|
75 |
135 |
62 |
115 |
315 |
0.52 |
1200 |
1800 |
3.05 |
52218 |
93 |
135 |
14 |
1.1 |
1 |
90 |
108 |
1 |
1 |
|
|
155 |
88 |
205 |
495 |
1.34 |
900 |
1400 |
6.56 |
52318 |
93 |
155 |
19 |
1.5 |
1 |
90 |
116 |
1.5 |
1 |
|
|
|
|
|
|
|
|
|
|
|
|
|
|
|
|
|
|
|
|
|
80 |
210 |
150 |
400 |
1080 |
6.17 |
600 |
850 |
23.5 |
52420 |
103 |
209.5 |
33 |
3 |
1.1 |
100 |
145 |
2.5 |
1 |
|
|
|
|
|
|
|
|
|
|
|
|
|
|
|
|
|
|
|
|
|
85 |
150 |
67 |
132 |
375 |
0.75 |
1100 |
1700 |
4.03 |
52220 |
103 |
150 |
15 |
1.1 |
1 |
100 |
120 |
1 |
1 |
|
|
170 |
97 |
235 |
595 |
1.88 |
800 |
1200 |
8.62 |
52320 |
103 |
170 |
21 |
1.5 |
1 |
100 |
128 |
1.5 |
1 |
|
|
|
|
|
|
|
|
|
|
|
|
|
|
|
|
|
|
|
|
|
90 |
230 |
166 |
490 |
1390 |
10.4 |
530 |
750 |
33.0 |
52422 |
113 |
229 |
37 |
3 |
1.1 |
110 |
159 |
2.5 |
1 |
|
|
|
|
|
|
|
|
|
|
|
|
|
|
|
|
|
|
|
|
|
95 |
160 |
67 |
138 |
412 |
0.89 |
1000 |
1600 |
4.38 |
52222 |
113 |
160 |
15 |
1.1 |
1 |
110 |
130 |
1 |
1 |
|
|
190 |
110 |
278 |
755 |
2.97 |
700 |
1100 |
12.4 |
52322 |
113 |
189.5 |
24 |
2 |
1 |
110 |
142 |
2 |
1 |
|
|
250 |
177 |
|
|
|
|
|
|
52424 |
123 |
249 |
40 |
4 |
1.5 |
|
|
|
|
|
|
|
|
|
|
|
|
|
|
|
|
|
|
|
|
|
|
|
|
|
100 |
170 |
68 |
135 |
412 |
0.96 |
950 |
1500 |
4.82 |
52224 |
123 |
170 |
15 |
1.1 |
1.1 |
120 |
140 |
1 |
1 |
|
|
210 |
123 |
330 |
945 |
4.58 |
670 |
950 |
17.1 |
52324 |
123 |
209.5 |
27 |
2.1 |
1.1 |
120 |
157 |
2.1 |
1 |
|
|
270 |
192 |
630 |
2010 |
21.1 |
430 |
600 |
55.0 |
52426 |
134 |
269 |
42 |
4 |
2 |
130 |
188 |
3 |
2 |
|
|
|
|
|
|
|
|
|
|
|
|
|
|
|
|
|
|
|
|
|
110 |
190 |
80 |
188 |
575 |
1.75 |
900 |
1400 |
7.36 |
52226 |
133 |
189.5 |
18 |
1.5 |
1.1 |
130 |
154 |
1.5 |
1 |
|
|
225 |
130 |
358 |
1070 |
5.91 |
600 |
850 |
20.8 |
52326 |
134 |
224 |
30 |
2.1 |
1.1 |
130 |
169 |
2.1 |
1 |
|
|
280 |
196 |
630 |
2010 |
22.2 |
400 |
560 |
61.2 |
52428 |
144 |
279 |
44 |
4 |
2 |
140 |
198 |
3 |
2 |
|
|
|
|
|
|
|
|
|
|
|
|
|
|
|
|
|
|
|
|
|
120 |
200 |
81 |
190 |
598 |
1.96 |
850 |
1300 |
7.80 |
52228 |
143 |
199.5 |
18 |
1.5 |
1.1 |
140 |
164 |
1.5 |
1 |
|
|
240 |
140 |
395 |
1230 |
7.84 |
560 |
800 |
25.0 |
52328 |
144 |
239 |
31 |
2.1 |
1.1 |
140 |
181 |
2.1 |
1 |
|
|
300 |
209 |
670 |
2240 |
27.9 |
380 |
530 |
68.1 |
52430 |
154 |
299 |
46 |
4 |
2 |
150 |
212 |
3 |
2 |
|
|
|
|
|
|
|
|
|
|
|
|
|
|
|
|
|
|
|
|
|
130 |
215 |
89 |
242 |
768 |
3.06 |
800 |
1200 |
10.3 |
52230 |
153 |
214.5 |
20 |
1.5 |
1.1 |
150 |
176 |
1.5 |
1 |
|
|
250 |
140 |
405 |
1310 |
8.80 |
530 |
750 |
26.4 |
52330 |
154 |
249 |
31 |
2.1 |
1.1 |
150 |
191 |
2.1 |
1 |
|
|
320 |
226 |
|
|
|
|
|
|
52432 |
164 |
319 |
50 |
5 |
2 |
|
|
|
|
|
|
|
|
|
|
|
|
|
|
|
|
|
|
|
|
|
|
|
|
|
135 |
340 |
236 |
|
|
|
|
|
|
52434 |
174 |
339 |
50 |
5 |
2.1 |
|
|
|
|
|
|
|
|
|
|
|
|
|
|
|
|
|
|
|
|
|
|
|
|
|
140 |
225 |
90 |
240 |
768 |
3.23 |
750 |
1100 |
10.9 |
52232 |
163 |
224.5 |
20 |
1.5 |
1.1 |
160 |
186 |
1.5 |
1 |
|
|
270 |
153 |
470 |
1570 |
12.8 |
500 |
700 |
33.6 |
52332 |
164 |
269 |
33 |
3 |
1.1 |
160 |
205 |
2.5 |
1 |
|
|
360 |
245 |
|
|
|
|
|
|
52436 |
184 |
359 |
52 |
5 |
3 |
|
|
|
|
|
|
|
|
|
|
|
|
|
|
|
|
|
|
|
|
|
|
|
|
|
150 |
240 |
97 |
280 |
915 |
4.48 |
700 |
1000 |
13.4 |
52234 |
173 |
239.5 |
21 |
1.5 |
1.1 |
170 |
198 |
1.5 |
1 |
|
|
280 |
153 |
470 |
1580 |
13.8 |
480 |
670 |
15.0 |
52334 |
174 |
279 |
33 |
3 |
1.1 |
170 |
215 |
2.5 |
1 |
|
|
250 |
98 |
285 |
958 |
4.91 |
670 |
950 |
14.6 |
52236 |
183 |
249 |
21 |
1.5 |
2 |
180 |
208 |
1.5 |
2 |
|
|
300 |
165 |
518 |
1820 |
17.9 |
430 |
600 |
49.0 |
52336 |
184 |
299 |
37 |
3 |
2 |
180 |
229 |
2.5 |
2 |
|
|
|
|
|
|
|
|
|
|
|
|
|
|
|
|
|
|
|
|
|
160 |
270 |
109 |
328 |
1160 |
6.97 |
630 |
900 |
19.5 |
52238 |
194 |
269 |
24 |
2 |
2 |
190 |
222 |
2 |
2 |
|
|
320 |
183 |
|
|
|
|
|
|
53238 |
195 |
319 |
40 |
4 |
2 |
|
|
|
|
|
|
|
|
|
|
|
|
|
|
|
|
|
|
|
|
|
|
|
|
|
170 |
280 |
109 |
332 |
1210 |
7.59 |
500 |
850 |
20.4 |
52240 |
204 |
279 |
24 |
2 |
2 |
200 |
232 |
2 |
2 |
|
|
340 |
192 |
|
|
|
|
|
|
53240 |
205 |
339 |
42 |
4 |
2 |
|
|
|
|
|
|
|
|
|
|
|
|
|
|
|
|
|
|
|
|
|
|
|
|
|
190 |
300 |
110 |
|
|
|
|
|
|
52244 |
224 |
299 |
24 |
2 |
2 |
220 |
|
2 |
2 |

