|
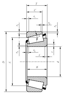
单列圆锥滚子轴承 (GB/T 297—2015) |
|||||||||||||||||||||||||
|
|
径向当量动载荷: 当Fa/Fr≤e,Pr=Fr 当Fa/Fr>e,Pr=0.4Fr+YFa 径向当量静载荷: P0r=0.5Fr+Y0Fa 若P0r<Fr取P0r=Fr 附加轴向力 S≈Fr/(2Y) 最小径向载荷Frmin=0.02Cr |
符号含义及应用 X2—宽度(高度)为非标准 外圈可以和内圈组件分离,能同时承受轴向载荷和径向载荷的联合作用,安装时可以调整游隙的大小,能限制一个方向位移。 |
|||||||||||||||||||||||
|
基本尺寸 /mm |
基本额定 载荷/kN |
极限转速 /r·min-1 |
重量 /kg |
计算系数 |
轴承代号 |
其他尺寸 /mm |
安装尺寸/mm |
||||||||||||||||||
|
d |
D |
T |
B |
C |
Cr |
C0r |
脂 |
油 |
W ≈ |
e |
Y |
Y0 |
30000型 |
a ≈ |
r min |
r1 min |
da min |
db max |
Da min |
Da max |
Db min |
a1 min |
a2 min |
ra max |
rb max |
|
120 |
165 |
29 |
29 |
23 |
172 |
318 |
1800 |
2400 |
1.78 |
0.35 |
1.7 |
1 |
329924 |
29.3 |
1.5 |
1.5 |
127 |
128 |
150 |
157 |
160 |
6 |
6 |
1.5 |
1.5 |
|
|
180 |
38 |
36 |
31 |
198 |
338 |
1700 |
2200 |
3.1 |
0.37 |
1.6 |
0.9 |
32024 X2 |
38.0 |
2.5 |
2 |
— |
— |
— |
— |
— |
6 |
9 |
2.1 |
2 |
|
|
180 |
38 |
38 |
29 |
242 |
405 |
1700 |
2200 |
3.18 |
0.46 |
1.3 |
0.7 |
32024 |
39.3 |
2.5 |
2 |
130 |
131 |
161 |
170 |
173 |
7 |
9 |
2.1 |
2 |
|
|
180 |
48 |
48 |
38 |
298 |
535 |
1700 |
2200 |
4.07 |
0.31 |
2 |
1.1 |
33024 |
35.5 |
2.5 |
2 |
130 |
132 |
160 |
170 |
171 |
6 |
10 |
2.1 |
2 |
|
|
200 |
62 |
62 |
48 |
448 |
778 |
1600 |
2000 |
7.68 |
0.40 |
1.5 |
0.8 |
33124 |
47.6 |
2.5 |
2 |
130 |
130 |
172 |
190 |
192 |
10 |
14 |
2.1 |
2 |
|
|
215 |
43.5 |
40 |
34 |
338 |
482 |
1500 |
1900 |
6.20 |
0.44 |
1.4 |
0.8 |
30224 |
44.1 |
3 |
2.5 |
132 |
139 |
187 |
203 |
203 |
6 |
9.5 |
2.5 |
2.1 |
|
|
215 |
61.5 |
58 |
50 |
478 |
758 |
1500 |
1900 |
9.26 |
0.44 |
1.4 |
0.8 |
32224 |
52.3 |
3 |
2.5 |
132 |
134 |
181 |
203 |
206 |
7 |
11.5 |
2.5 |
2.1 |
|
|
260 |
59.5 |
55 |
46 |
562 |
745 |
1300 |
1700 |
14.2 |
0.35 |
1.7 |
1 |
30324 |
49.0 |
4 |
3 |
134 |
153 |
221 |
246 |
238 |
8 |
13.5 |
3 |
2.5 |
|
|
260 |
68 |
62 |
42 |
535 |
725 |
1300 |
1700 |
15.3 |
0.83 |
0.7 |
0.4 |
31324 |
81.8 |
4 |
3 |
134 |
140 |
203 |
246 |
246 |
9 |
26 |
3 |
2.5 |
|
|
260 |
90.5 |
86 |
69 |
825 |
1230 |
1300 |
1700 |
22.1 |
0.35 |
1.7 |
1 |
32324 |
61.6 |
4 |
3 |
134 |
147 |
213 |
246 |
240 |
9 |
21.5 |
3 |
2.5 |
|
|
|
|
|
|
|
|
|
|
|
|
|
|
|
|
|
|
|
|
|
|
|
|
|
|
|
|
130 |
180 |
32 |
30 |
26 |
142 |
260 |
1700 |
2200 |
2.31 |
0.27 |
2.2 |
1.2 |
32926 X2 |
30.0 |
2 |
1.5 |
— |
— |
— |
— |
— |
5 |
8 |
2 |
1.5 |
|
|
180 |
32 |
32 |
25 |
205 |
380 |
1700 |
2200 |
2.34 |
0.34 |
1.8 |
1 |
32926 |
31.6 |
2 |
1.5 |
140 |
139 |
164 |
171 |
174 |
6 |
7 |
2 |
1.5 |
|
|
200 |
45 |
42 |
36 |
242 |
418 |
1600 |
2000 |
4.46 |
0.35 |
1.7 |
0.9 |
32026 X2 |
42.0 |
2.5 |
2 |
— |
— |
— |
— |
— |
7 |
11 |
2.1 |
2 |
|
|
200 |
45 |
45 |
34 |
335 |
568 |
1600 |
2000 |
4.94 |
0.43 |
1.4 |
0.8 |
32026 |
43.3 |
2.5 |
2 |
140 |
144 |
178 |
190 |
192 |
8 |
11 |
2.1 |
2 |
|
|
200 |
55 |
55 |
43 |
400 |
728 |
1600 |
2000 |
6.14 |
0.34 |
1.8 |
1 |
33026 |
42.0 |
2.5 |
2 |
140 |
140 |
178 |
190 |
192 |
8 |
12 |
2.1 |
2 |
|
|
230 |
43.75 |
40 |
34 |
365 |
520 |
1400 |
1800 |
6.94 |
0.44 |
1.4 |
0.8 |
30226 |
46.1 |
4 |
3 |
144 |
150 |
203 |
216 |
219 |
7 |
10 |
3 |
2.5 |
|
|
230 |
67.75 |
64 |
54 |
552 |
888 |
1400 |
1800 |
11.4 |
0.44 |
1.4 |
0.8 |
32226 |
56.6 |
4 |
3 |
144 |
143 |
193 |
216 |
221 |
7 |
14 |
3 |
2.5 |
|
|
280 |
63.75 |
58 |
49 |
640 |
855 |
1100 |
1500 |
17.3 |
0.35 |
1.7 |
1 |
30326 |
53.2 |
5 |
4 |
145 |
165 |
239 |
262 |
258 |
8 |
15 |
4 |
3 |
|
|
280 |
72 |
66 |
44 |
592 |
805 |
1100 |
1500 |
18.4 |
0.83 |
0.7 |
0.4 |
31326 |
87.2 |
5 |
4 |
147 |
150 |
218 |
262 |
263 |
9 |
28 |
4 |
3 |
|
|
280 |
98.75 |
93 |
78 |
|
|
|
|
|
|
|
|
32326 |
|
5 |
4 |
|
|
|
|
|
|
|
|
|
|
|
|
|
|
|
|
|
|
|
|
|
|
|
|
|
|
|
|
|
|
|
|
|
|
|
|
|
140 |
190 |
32 |
30 |
26 |
145 |
265 |
1600 |
2000 |
2.43 |
0.29 |
2.1 |
1.1 |
32928 X2 |
32.0 |
2 |
1.5 |
— |
— |
— |
— |
— |
5 |
8 |
2 |
1.5 |
|
|
190 |
32 |
32 |
25 |
208 |
392 |
1600 |
2000 |
2.47 |
0.36 |
1.7 |
0.9 |
32928 |
33.8 |
2 |
1.5 |
150 |
150 |
177 |
181 |
184 |
6 |
6 |
2 |
1.5 |
|
|
210 |
45 |
42 |
36 |
258 |
452 |
1400 |
1800 |
5.21 |
0.37 |
1.6 |
0.9 |
32028 X2 |
44.0 |
2.5 |
2 |
— |
— |
— |
— |
— |
7 |
11 |
2.1 |
2 |
|
|
210 |
45 |
45 |
34 |
330 |
568 |
1400 |
1800 |
5.15 |
0.46 |
1.3 |
0.7 |
32028 |
46.0 |
2.5 |
2 |
150 |
153 |
187 |
200 |
202 |
8 |
11 |
2.1 |
2 |
|
|
210 |
56 |
56 |
44 |
408 |
755 |
1400 |
1800 |
6.57 |
0.36 |
1.7 |
0.9 |
33028 |
45.1 |
2.5 |
2 |
150 |
150 |
186 |
200 |
202 |
8 |
12 |
2.1 |
2 |
|
|
250 |
45.75 |
42 |
36 |
408 |
585 |
1200 |
1600 |
8.73 |
0.44 |
1.4 |
0.8 |
30228 |
49.0 |
4 |
3 |
154 |
162 |
219 |
236 |
236 |
9 |
11 |
3 |
2.5 |
|
|
250 |
71.75 |
68 |
58 |
645 |
1050 |
1200 |
1600 |
14.4 |
0.44 |
1.4 |
0.8 |
32228 |
60.7 |
4 |
3 |
154 |
156 |
210 |
236 |
240 |
8 |
14 |
3 |
2.5 |
|
|
300 |
67.75 |
62 |
53 |
722 |
975 |
1000 |
1400 |
21.4 |
0.35 |
1.7 |
1 |
30328 |
56.5 |
5 |
4 |
155 |
176 |
255 |
282 |
275 |
9 |
15 |
4 |
3 |
|
|
300 |
77 |
70 |
47 |
678 |
928 |
1000 |
1400 |
22.8 |
0.83 |
0.7 |
0.4 |
31328 |
94.1 |
5 |
4 |
157 |
162 |
235 |
282 |
283 |
9 |
30 |
4 |
3 |
|
|
300 |
107.75 |
102 |
85 |
|
|
|
|
|
|
|
|
32328 |
|
5 |
4 |
|
|
|
|
|
|
|
|
|
|
|
|
|
|
|
|
|
|
|
|
|
|
|
|
|
|
|
|
|
|
|
|
|
|
|
|
|
150 |
210 |
38 |
36 |
31 |
198 |
368 |
1400 |
1800 |
— |
0.27 |
2.2 |
1.2 |
32930 X2 |
35.6 |
2.5 |
2 |
— |
— |
— |
— |
— |
6 |
9 |
2.1 |
2 |
|
|
210 |
38 |
38 |
30 |
260 |
510 |
1400 |
1800 |
3.87 |
0.33 |
1.8 |
1 |
32930 |
36.4 |
2.5 |
2 |
160 |
162 |
192 |
200 |
202 |
7 |
8 |
2.1 |
2 |
|
|
225 |
48 |
45 |
38 |
292 |
525 |
1300 |
1700 |
6.2 |
0.37 |
1.6 |
0.9 |
32030 X2 |
47.0 |
3 |
2.5 |
— |
— |
— |
— |
— |
7 |
12 |
2.5 |
2.1 |
|
|
225 |
48 |
48 |
36 |
368 |
635 |
1300 |
1700 |
6.25 |
0.46 |
1.3 |
0.7 |
32030 |
49.2 |
3 |
2.5 |
162 |
164 |
200 |
213 |
216 |
8 |
12 |
2.5 |
2.1 |
|
|
225 |
59 |
59 |
46 |
460 |
875 |
1300 |
1700 |
7.98 |
0.36 |
1.7 |
0.9 |
33030 |
48.2 |
3 |
2.5 |
162 |
162 |
200 |
213 |
218 |
9 |
13 |
2.5 |
2.1 |
|
|
270 |
49 |
45 |
38 |
450 |
645 |
1100 |
1500 |
10.8 |
0.44 |
1.4 |
0.8 |
30230 |
52.4 |
4 |
3 |
164 |
174 |
234 |
256 |
252 |
9 |
11 |
3 |
2.5 |
|
|
270 |
77 |
73 |
60 |
720 |
1180 |
1100 |
1500 |
18.2 |
0.44 |
1.4 |
0.8 |
32230 |
65.4 |
4 |
3 |
164 |
168 |
226 |
256 |
256 |
8 |
17 |
3 |
2.5 |
|
|
320 |
72 |
65 |
55 |
802 |
1090 |
950 |
1300 |
25.2 |
0.35 |
1.7 |
1 |
30330 |
60.6 |
5 |
4 |
165 |
190 |
273 |
302 |
294 |
9 |
17 |
4 |
3 |
|
|
320 |
82 |
75 |
50 |
772 |
1070 |
950 |
1300 |
27.4 |
0.83 |
0.7 |
0.4 |
31330 |
100.1 |
5 |
4 |
167 |
173 |
251 |
302 |
302 |
9 |
32 |
4 |
3 |
|
|
320 |
121 |
114 |
95 |
|
|
|
|
|
|
|
|
32330 |
|
5 |
4 |
|
|
|
|
|
|
|
|
|
|
|
|
|
|
|
|
|
|
|
|
|
|
|
|
|
|
|
|
|
|
|
|
|
|
|
|
|
160 |
220 |
38 |
36 |
31 |
218 |
405 |
1300 |
1700 |
3.79 |
0.27 |
2.2 |
1.2 |
32932 X2 |
36.0 |
2.5 |
2 |
— |
— |
— |
— |
— |
6 |
9 |
2.1 |
2 |
|
|
220 |
38 |
38 |
30 |
262 |
525 |
1300 |
1700 |
4.07 |
0.35 |
1.7 |
1 |
32932 |
38.7 |
2.5 |
2 |
170 |
170 |
199 |
210 |
214 |
7 |
8 |
2.1 |
2 |
|
|
240 |
51 |
48 |
41 |
345 |
632 |
1200 |
1600 |
7.7 |
0.37 |
1.6 |
0.9 |
32032 X2 |
50.0 |
3 |
2.5 |
— |
— |
— |
— |
— |
7 |
12 |
2.5 |
2.1 |
|
|
240 |
51 |
51 |
38 |
420 |
735 |
1200 |
1600 |
7.66 |
0.46 |
1.3 |
0.7 |
32032 |
52.6 |
3 |
2.5 |
172 |
175 |
213 |
228 |
231 |
8 |
13 |
2.5 |
2.1 |
|
|
290 |
52 |
48 |
40 |
512 |
738 |
1000 |
1400 |
13.3 |
0.44 |
1.4 |
0.8 |
30232 |
55.5 |
4 |
3 |
174 |
189 |
252 |
276 |
271 |
9 |
12 |
3 |
2.5 |
|
|
290 |
84 |
80 |
67 |
858 |
1430 |
1000 |
1400 |
23.3 |
0.44 |
1.4 |
0.8 |
32232 |
70.9 |
4 |
3 |
174 |
180 |
242 |
276 |
276 |
10 |
17 |
3 |
2.5 |
|
|
340 |
75 |
68 |
58 |
878 |
1190 |
900 |
1200 |
29.5 |
0.35 |
1.7 |
1 |
30332 |
63.3 |
5 |
4 |
175 |
202 |
290 |
320 |
312 |
9 |
17 |
4 |
3 |
|
|
340 |
121 |
114 |
95 |
|
|
|
|
|
|
|
|
32332 |
|
5 |
4 |
|
|
|
|
|
|
|
|
|

