|
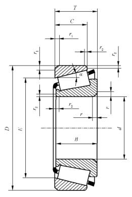
单列圆锥滚子轴承 (GB/T 297—2015) |
|||||||||||||||||||||||||
|
|
径向当量动载荷: 当Fa/Fr≤e,Pr=Fr 当Fa/Fr>e,Pr=0.4Fr+YFa 径向当量静载荷: P0r=0.5Fr+Y0Fa 若P0r<Fr取P0r=Fr 附加轴向力 S≈Fr/(2Y) 最小径向载荷Frmin=0.02Cr |
符号含义及应用 X2—宽度(高度)为非标准 外圈可以和内圈组件分离,能同时承受轴向载荷和径向载荷的联合作用,安装时可以调整游隙的大小,能限制一个方向位移。 |
|||||||||||||||||||||||
|
基本尺寸 /mm |
基本额定 载荷/kN |
极限转速 /r·min-1 |
重量 /kg |
计算系数 |
轴承代号 |
其他尺寸 /mm |
安装尺寸/mm |
||||||||||||||||||
|
d |
D |
T |
B |
C |
Cr |
C0r |
脂 |
油 |
W ≈ |
e |
Y |
Y0 |
30000型 |
a ≈ |
r min |
r1 min |
da min |
db max |
Da min |
Da max |
Db min |
a1 min |
a2 min |
ra max |
rb max |
|
170 |
230 |
38 |
36 |
31 |
222 |
418 |
1200 |
1600 |
3.84 |
0.28 |
2.1 |
1.2 |
32934 X2 |
38.0 |
2.5 |
2 |
— |
— |
— |
— |
— |
6 |
6 |
2.1 |
2 |
|
|
230 |
38 |
38 |
30 |
280 |
560 |
1200 |
1600 |
4.33 |
0.38 |
1.6 |
0.9 |
32934 |
41.9 |
2.5 |
2 |
180 |
183 |
213 |
220 |
222 |
7 |
8 |
2.1 |
2 |
|
|
260 |
57 |
54 |
46 |
385 |
728 |
1100 |
1500 |
10.1 |
0.31 |
1.9 |
1.1 |
32034 X2 |
51.0 |
3 |
2.5 |
— |
— |
— |
— |
— |
8 |
13 |
2.5 |
2.1 |
|
|
260 |
57 |
57 |
43 |
520 |
920 |
1100 |
1500 |
10.4 |
0.44 |
1.4 |
0.7 |
32034 |
56.4 |
3 |
2.5 |
182 |
187 |
230 |
248 |
249 |
10 |
14 |
2.5 |
2.1 |
|
|
310 |
57 |
52 |
43 |
590 |
865 |
1000 |
1300 |
16.6 |
0.44 |
1.4 |
0.8 |
30234 |
60.4 |
5 |
4 |
188 |
201 |
269 |
292 |
290 |
9 |
14 |
4 |
3 |
|
|
310 |
91 |
86 |
71 |
968 |
1640 |
1000 |
1300 |
28.6 |
0.44 |
1.4 |
0.8 |
32234 |
76.3 |
5 |
4 |
188 |
194 |
259 |
292 |
296 |
10 |
20 |
4 |
3 |
|
|
360 |
80 |
72 |
62 |
995 |
1370 |
850 |
1100 |
35.6 |
0.35 |
1.7 |
1 |
30334 |
68.0 |
5 |
4 |
185 |
214 |
307 |
342 |
331 |
10 |
18 |
4 |
3 |
|
|
360 |
127 |
120 |
100 |
|
|
|
|
|
|
|
|
32334 |
|
5 |
4 |
|
|
|
|
|
|
|
|
|
|
|
|
|
|
|
|
|
|
|
|
|
|
|
|
|
|
|
|
|
|
|
|
|
|
|
|
|
180 |
250 |
45 |
45 |
34 |
340 |
708 |
1100 |
1500 |
6.44 |
0.48 |
1.3 |
0.7 |
32936 |
54.0 |
2.5 |
2 |
190 |
193 |
225 |
240 |
241 |
8 |
11 |
2.1 |
2 |
|
|
280 |
64 |
60 |
52 |
502 |
890 |
1000 |
1400 |
14.7 |
0.4 |
1.5 |
0.8 |
32036 X2 |
63 |
3 |
2.5 |
— |
— |
— |
— |
— |
8 |
14 |
2.5 |
2.1 |
|
|
280 |
64 |
64 |
48 |
640 |
1150 |
1000 |
1400 |
14.1 |
0.42 |
1.4 |
0.8 |
32036 |
60.1 |
3 |
2.5 |
192 |
199 |
247 |
268 |
267 |
10 |
16 |
2.5 |
2.1 |
|
|
320 |
57 |
52 |
43 |
610 |
912 |
900 |
1200 |
17.3 |
0.45 |
1.3 |
0.7 |
30236 |
62.8 |
5 |
4 |
198 |
209 |
278 |
302 |
300 |
9 |
14 |
4 |
3 |
|
|
320 |
91 |
86 |
71 |
998 |
1720 |
900 |
1200 |
29.9 |
0.45 |
1.3 |
0.7 |
32236 |
78.8 |
5 |
4 |
198 |
201 |
267 |
302 |
306 |
10 |
20 |
4 |
3 |
|
|
380 |
83 |
75 |
64 |
1090 |
1500 |
900 |
1100 |
40.7 |
0.35 |
1.7 |
1 |
30336 |
70.9 |
5 |
4 |
198 |
228 |
327 |
362 |
351 |
10 |
19 |
4 |
3 |
|
|
380 |
134 |
126 |
106 |
|
|
|
|
|
|
|
|
32336 |
|
5 |
4 |
|
|
|
|
|
|
|
|
|
|
|
|
|
|
|
|
|
|
|
|
|
|
|
|
|
|
|
|
|
|
|
|
|
|
|
|
|
190 |
260 |
45 |
42 |
36 |
292 |
580 |
1000 |
1400 |
6.52 |
0.38 |
1.6 |
0.9 |
32938 X2 |
52.0 |
2.5 |
2 |
— |
— |
— |
— |
— |
7 |
11 |
2.1 |
2 |
|
|
260 |
45 |
45 |
34 |
560 |
740 |
1000 |
1400 |
6.66 |
0.48 |
1.3 |
0.7 |
32938 |
55.2 |
2.5 |
2 |
200 |
204 |
235 |
250 |
251 |
8 |
11 |
2.1 |
2 |
|
|
290 |
64 |
60 |
52 |
502 |
932 |
950 |
1300 |
14.1 |
0.29 |
2.1 |
1.1 |
32038 X2 |
56.0 |
3 |
2.5 |
— |
— |
— |
— |
— |
8 |
14 |
2.5 |
2.1 |
|
|
290 |
64 |
64 |
48 |
652 |
1180 |
950 |
1300 |
14.6 |
0.44 |
1.4 |
0.8 |
32038 |
62.8 |
3 |
2.5 |
202 |
209 |
257 |
278 |
279 |
10 |
16 |
2.5 |
2.1 |
|
|
340 |
60 |
55 |
46 |
698 |
1030 |
850 |
1100 |
20.8 |
0.44 |
1.4 |
0.8 |
30238 |
65.0 |
5 |
4 |
208 |
223 |
298 |
322 |
321 |
9 |
14 |
4 |
3 |
|
|
340 |
97 |
92 |
75 |
1120 |
1900 |
850 |
1100 |
36.1 |
0.44 |
1.4 |
0.8 |
32238 |
82.1 |
5 |
4 |
208 |
214 |
286 |
322 |
326 |
10 |
22 |
4 |
3 |
|
|
400 |
86 |
78 |
65 |
|
|
|
|
|
|
|
|
30338 |
|
6 |
5 |
|
|
|
|
|
|
|
|
|
|
|
400 |
140 |
132 |
109 |
|
|
|
|
|
|
|
|
32338 |
|
6 |
5 |
|
|
|
|
|
|
|
|
|
|
|
|
|
|
|
|
|
|
|
|
|
|
|
|
|
|
|
|
|
|
|
|
|
|
|
|
|
200 |
280 |
51 |
48 |
41 |
345 |
710 |
950 |
1300 |
8.86 |
0.39 |
1.5 |
0.8 |
32940 X2 |
57.0 |
3 |
2.5 |
— |
— |
— |
— |
— |
7 |
12 |
2.5 |
2.1 |
|
|
280 |
51 |
51 |
39 |
460 |
950 |
950 |
1300 |
9.43 |
0.39 |
1.5 |
0.8 |
32940 |
54.2 |
3 |
2.5 |
212 |
214 |
257 |
268 |
271 |
9 |
12 |
2.5 |
2.1 |
|
|
310 |
70 |
66 |
56 |
575 |
1120 |
900 |
1200 |
17.4 |
0.37 |
1.6 |
0.9 |
32040 X2 |
67.0 |
3 |
2.5 |
— |
— |
— |
— |
— |
10 |
16 |
2.5 |
2.1 |
|
|
310 |
70 |
70 |
53 |
782 |
1420 |
900 |
1200 |
18.9 |
0.43 |
1.4 |
0.8 |
32040 |
66.9 |
3 |
2.5 |
212 |
221 |
273 |
298 |
297 |
11 |
17 |
2.5 |
2.1 |
|
|
360 |
64 |
58 |
48 |
765 |
1140 |
800 |
1000 |
24.7 |
0.44 |
1.4 |
0.8 |
30240 |
69.3 |
5 |
4 |
218 |
236 |
315 |
342 |
338 |
9 |
16 |
4 |
3 |
|
|
360 |
104 |
98 |
82 |
1320 |
2180 |
800 |
1000 |
43.2 |
0.41 |
1.5 |
0.8 |
32240 |
85.1 |
5 |
4 |
218 |
222 |
302 |
342 |
342 |
11 |
22 |
4 |
3 |
|
|
420 |
89 |
80 |
67 |
|
|
|
|
|
|
|
|
30340 |
|
6 |
5 |
|
|
|
|
|
|
|
|
|
|
|
420 |
146 |
138 |
115 |
|
|
|
|
|
|
|
|
32340 |
|
6 |
5 |
|
|
|
|
|
|
|
|
|
|
|
|
|
|
|
|
|
|
|
|
|
|
|
|
|
|
|
|
|
|
|
|
|
|
|
|
|
220 |
300 |
51 |
48 |
41 |
372 |
795 |
900 |
1200 |
10.1 |
0.31 |
1.9 |
1.1 |
32944 X2 |
53.0 |
3 |
2.5 |
— |
— |
— |
— |
— |
7 |
12 |
2 |
2.5 |
|
|
300 |
51 |
51 |
39 |
470 |
978 |
900 |
1200 |
10.0 |
0.43 |
1.4 |
0.8 |
32944 |
59.1 |
3 |
2.5 |
232 |
234 |
275 |
288 |
290 |
10 |
12 |
2.5 |
2.1 |
|
|
340 |
76 |
72 |
62 |
702 |
1330 |
800 |
1000 |
22.3 |
0.35 |
1.7 |
0.9 |
32044 X2 |
71.0 |
4 |
3 |
— |
— |
— |
— |
— |
10 |
16 |
3.5 |
2.5 |
|
|
340 |
76 |
76 |
57 |
908 |
1670 |
800 |
1000 |
24.4 |
0.43 |
1.4 |
0.8 |
32044 |
73.0 |
4 |
3 |
234 |
243 |
300 |
326 |
326 |
12 |
19 |
3 |
2.5 |
|
|
400 |
72 |
65 |
54 |
|
|
|
|
|
|
|
|
30244 |
|
4 |
3 |
|
|
|
|
|
|
|
|
|
|
|
400 |
114 |
108 |
90 |
|
|
|
|
|
|
|
|
32244 |
|
5 |
4 |
|
|
|
|
|
|
|
|
|
|
|
460 |
97 |
88 |
73 |
|
|
|
|
|
|
|
|
30344 |
|
6 |
5 |
|
|
|
|
|
|
|
|
|
|
|
460 |
154 |
145 |
122 |
|
|
|
|
|
|
|
|
32344 |
|
6 |
5 |
|
|
|
|
|
|
|
|
|
|
|
|
|
|
|
|
|
|
|
|
|
|
|
|
|
|
|
|
|
|
|
|
|
|
|
|
|
240 |
320 |
51 |
48 |
41 |
390 |
860 |
800 |
1000 |
10.9 |
0.45 |
1.3 |
0.7 |
32948 X2 |
67.0 |
3 |
2.5 |
— |
— |
— |
— |
— |
7 |
12 |
2.5 |
2.1 |
|
|
320 |
51 |
51 |
39 |
520 |
1060 |
800 |
1000 |
10.7 |
0.46 |
1.3 |
0.7 |
32948 |
64.7 |
3 |
2.5 |
252 |
254 |
290 |
308 |
311 |
10 |
12 |
2.5 |
2.1 |
|
|
360 |
76 |
72 |
62 |
710 |
1420 |
700 |
900 |
25.5 |
0.32 |
1.9 |
1 |
32048 X2 |
70.0 |
4 |
3 |
— |
— |
— |
— |
— |
10 |
16 |
3 |
2.5 |
|
|
360 |
76 |
76 |
57 |
920 |
1730 |
700 |
900 |
25.9 |
0.46 |
1.3 |
0.7 |
32048 |
78.4 |
4 |
3 |
254 |
261 |
318 |
346 |
346 |
12 |
19 |
3 |
2.5 |
|
|
440 |
79 |
72 |
60 |
|
|
|
|
|
|
|
|
30248 |
|
5 |
4 |
|
|
|
|
|
|
|
|
|
|
|
440 |
127 |
120 |
100 |
|
|
|
|
|
|
|
|
32248 |
|
5 |
4 |
|
|
|
|
|
|
|
|
|
|
|
500 |
105 |
95 |
80 |
|
|
|
|
|
|
|
|
30348 |
|
6 |
5 |
|
|
|
|
|
|
|
|
|
|
|
500 |
165 |
155 |
132 |
|
|
|
|
|
|
|
|
32348 |
|
6 |
5 |
|
|
|
|
|
|
|
|
|
|
|
|
|
|
|
|
|
|
|
|
|
|
|
|
|
|
|
|
|
|
|
|
|
|
|
|
|
260 |
360 |
63.5 |
60 |
52 |
525 |
1150 |
700 |
900 |
19.2 |
0.3 |
2 |
1.1 |
32952 X2 |
64.0 |
3 |
2.5 |
— |
— |
— |
— |
— |
8 |
14 |
2.5 |
2.1 |
|
|
360 |
63.5 |
63.5 |
48 |
688 |
1470 |
700 |
900 |
18.6 |
0.41 |
1.5 |
0.8 |
32952 |
69.6 |
3 |
2.5 |
272 |
279 |
328 |
348 |
347 |
11 |
15.5 |
2.5 |
2.1 |
|
|
400 |
87 |
82 |
71 |
902 |
1810 |
670 |
850 |
37.8 |
0.3 |
2 |
1.1 |
32052 X2 |
76.0 |
5 |
4 |
— |
— |
— |
— |
— |
12 |
18 |
4 |
3 |
|
|
400 |
87 |
87 |
65 |
1120 |
2170 |
670 |
850 |
38.0 |
0.43 |
1.4 |
0.8 |
32052 |
85.6 |
5 |
4 |
278 |
287 |
352 |
382 |
383 |
14 |
22 |
4 |
3 |
|
|
480 |
89 |
80 |
67 |
|
|
|
|
|
|
|
|
30252 |
|
6 |
5 |
|
|
|
|
|
|
|
|
|
|
|
480 |
137 |
130 |
105 |
|
|
|
|
|
|
|
|
32252 |
|
6 |
5 |
|
|
|
|
|
|
|
|
|
|
|
540 |
13 |
102 |
85 |
|
|
|
|
|
|
|
|
30352 |
|
6 |
6 |
|
|
|
|
|
|
|
|
|
|
|
|
|
|
|
|
|
|
|
|
|
|
|
|
|
|
|
|
|
|
|
|
|
|
|
|
|
280 |
380 |
63.5 |
63.5 |
48 |
745 |
1580 |
630 |
800 |
19.7 |
0.43 |
1.4 |
0.7 |
32956 |
74.5 |
3 |
2.5 |
292 |
298 |
344 |
368 |
368 |
11 |
15 |
2.5 |
2.1 |
|
|
420 |
87 |
82 |
71 |
622 |
1940 |
600 |
750 |
39.6 |
0.37 |
1.6 |
0.9 |
32056 X2 |
87.0 |
5 |
4 |
— |
— |
— |
— |
— |
12 |
18 |
4 |
3 |
|
|
420 |
87 |
87 |
65 |
1190 |
2290 |
600 |
750 |
40.2 |
0.46 |
1.3 |
0.7 |
32056 |
90.3 |
5 |
4 |
298 |
305 |
370 |
402 |
402 |
14 |
22 |
4 |
3 |
|
|
500 |
89 |
80 |
67 |
|
|
|
|
|
|
|
|
30256 |
|
6 |
5 |
|
|
|
|
|
|
|
|
|
|
|
500 |
137 |
130 |
105 |
|
|
|
|
|
|
|
|
32256 |
|
6 |
5 |
|
|
|
|
|
|
|
|
|
|
|
|
|
|
|
|
|
|
|
|
|
|
|
|
|
|
|
|
|
|
|
|
|
|
|
|
|
300 |
420 |
76 |
72 |
62 |
778 |
1700 |
600 |
750 |
30.2 |
0.28 |
2.1 |
1.2 |
32960 X2 |
72.0 |
4 |
3 |
— |
— |
— |
— |
— |
10 |
16 |
3 |
2.5 |
|
|
420 |
76 |
76 |
57 |
1020 |
2200 |
600 |
750 |
31.5 |
0.39 |
1.5 |
0.8 |
32960 |
80.0 |
4 |
3 |
315 |
324 |
379 |
406 |
405 |
13 |
19 |
3 |
2.5 |
|
|
460 |
100 |
95 |
82 |
1050 |
2190 |
560 |
700 |
55.9 |
0.31 |
1.9 |
1.1 |
32060 X2 |
90.0 |
5 |
4 |
— |
— |
— |
— |
— |
14 |
20 |
4 |
3 |
|
|
460 |
100 |
100 |
74 |
1520 |
2940 |
560 |
700 |
57.5 |
0.43 |
1.4 |
0.8 |
32060 |
97.7 |
5 |
4 |
318 |
329 |
404 |
442 |
439 |
15 |
26 |
4 |
3 |
|
|
540 |
149 |
140 |
115 |
|
|
|
|
|
|
|
|
32260 |
|
6 |
5 |
|
|
|
|
|
|
|
|
|
|
|
|
|
|
|
|
|
|
|
|
|
|
|
|
|
|
|
|
|
|
|
|
|
|
|
|
|
320 |
440 |
76 |
72 |
62 |
798 |
1760 |
560 |
700 |
44.7 |
0.3 |
2 |
1.1 |
32964 X2 |
76.0 |
4 |
3 |
— |
— |
— |
— |
— |
10 |
16 |
3 |
2.5 |
|
|
440 |
76 |
76 |
57 |
1040 |
2320 |
560 |
700 |
33.3 |
0.43 |
1.4 |
0.8 |
32964 |
85.1 |
4 |
3 |
335 |
343 |
398 |
426 |
426 |
13 |
19 |
3 |
2.5 |
|
|
480 |
100 |
95 |
82 |
1050 |
2190 |
530 |
670 |
59.1 |
0.42 |
1.4 |
0.8 |
32064 X2 |
106 |
5 |
4 |
— |
— |
— |
— |
— |
14 |
20 |
4 |
3 |
|
|
480 |
100 |
100 |
74 |
1540 |
3000 |
530 |
670 |
60.6 |
0.46 |
1.3 |
0.7 |
32064 |
103.5 |
5 |
4 |
338 |
350 |
424 |
462 |
461 |
15 |
26 |
4 |
3 |
|
|
|
|
|
|
|
|
|
|
|
|
|
|
|
|
|
|
|
|
|
|
|
|
|
|
|
|
340 |
460 |
76 |
72 |
62 |
805 |
1830 |
530 |
670 |
34.3 |
0.31 |
1.9 |
1.1 |
32968 X2 |
80.0 |
4 |
3 |
— |
— |
— |
— |
— |
10 |
16 |
3 |
2.5 |
|
|
460 |
76 |
76 |
57 |
1050 |
2380 |
530 |
670 |
34.8 |
0.44 |
1.4 |
0.8 |
32968 |
90.5 |
4 |
3 |
355 |
362 |
417 |
446 |
446 |
13 |
19 |
3 |
2.5 |
|
|
|
|
|
|
|
|
|
|
|
|
|
|
|
|
|
|
|
|
|
|
|
|
|
|
|
|
360 |
480 |
76 |
72 |
62 |
838 |
1940 |
500 |
630 |
35.8 |
0.33 |
1.8 |
1 |
32972 X2 |
84.0 |
4 |
3 |
— |
— |
— |
— |
— |
10 |
16 |
3 |
2.5 |
|
|
480 |
76 |
76 |
57 |
1060 |
2430 |
500 |
630 |
36.3 |
0.46 |
1.3 |
0.7 |
32972 |
96.2 |
4 |
3 |
375 |
381 |
436 |
466 |
466 |
13 |
19 |
3 |
2.5 |

