|
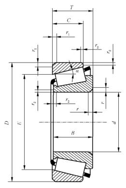
单列圆锥滚子轴承 (GB/T 297—2015) |
|||||||||||||||||||||||||
|
|
径向当量动载荷: 当Fa/Fr≤e,Pr=Fr 当Fa/Fr>e,Pr=0.4Fr+YFa 径向当量静载荷: P0r=0.5Fr+Y0Fa 若P0r<Fr取P0r=Fr 附加轴向力 S≈Fr/(2Y) 最小径向载荷Frmin=0.02Cr |
符号含义及应用 X2—宽度(高度)为非标准 外圈可以和内圈组件分离,能同时承受轴向载荷和径向载荷的联合作用,安装时可以调整游隙的大小,能限制一个方向位移。 |
|||||||||||||||||||||||
|
基本尺寸 /mm |
基本额定 载荷/kN |
极限转速 /r·min-1 |
重量 /kg |
计算系数 |
轴承代号 |
其他尺寸 /mm |
安装尺寸/mm |
||||||||||||||||||
|
d |
D |
T |
B |
C |
Cr |
C0r |
脂 |
油 |
W ≈ |
e |
Y |
Y0 |
30000型 |
a ≈ |
r min |
r1 min |
da min |
db max |
Da min |
Da max |
Db min |
a1 min |
a2 min |
ra max |
rb max |
|
90 |
125 |
23 |
22 |
19 |
77.8 |
140 |
3200 |
3600 |
— |
0.38 |
1.6 |
0.9 |
32918 X2 |
25.0 |
1.5 |
1.5 |
— |
— |
— |
— |
— |
4 |
6 |
1.5 |
1.5 |
|
|
125 |
23 |
23 |
18 |
95.8 |
165 |
3200 |
3600 |
0.796 |
0.34 |
1.8 |
1 |
32918 |
22.2 |
1.5 |
1.5 |
97 |
96 |
113 |
117 |
121 |
4 |
5 |
1.5 |
1.5 |
|
|
140 |
32 |
30 |
26 |
122 |
192 |
2600 |
3400 |
1.7 |
0.34 |
1.8 |
1 |
32018 X2 |
29.0 |
2 |
1.5 |
— |
— |
— |
— |
— |
5 |
8 |
2 |
1.5 |
|
|
140 |
32 |
32 |
24 |
170 |
270 |
2600 |
3400 |
1.72 |
0.42 |
1.4 |
0.8 |
32018 |
30.0 |
2 |
1.5 |
99 |
100 |
125 |
131 |
134 |
6 |
8 |
2 |
1.5 |
|
|
140 |
39 |
39 |
32.5 |
232 |
388 |
2600 |
3400 |
2.20 |
0.27 |
2.2 |
1.2 |
33018 |
27.2 |
2 |
1.5 |
99 |
100 |
127 |
131 |
135 |
7 |
6.5 |
2 |
1.5 |
|
|
150 |
45 |
45 |
35 |
252 |
415 |
2400 |
3200 |
3.13 |
0.4 |
1.5 |
0.8 |
33118 |
34.9 |
2.5 |
2 |
100 |
100 |
130 |
140 |
144 |
7 |
10 |
2.1 |
2 |
|
|
160 |
32.5 |
30 |
26 |
200 |
270 |
2200 |
3000 |
2.54 |
0.42 |
1.4 |
0.8 |
30218 |
32.3 |
2.5 |
2 |
100 |
102 |
140 |
150 |
151 |
5 |
6.5 |
2.1 |
2 |
|
|
160 |
42.5 |
40 |
34 |
270 |
395 |
2200 |
3000 |
3.44 |
0.42 |
1.4 |
0.8 |
32218 |
36.8 |
2.5 |
2 |
100 |
101 |
138 |
150 |
153 |
5 |
8.5 |
2.1 |
2 |
|
|
160 |
55 |
55 |
42 |
330 |
500 |
2200 |
3000 |
4.55 |
0.4 |
1.5 |
0.8 |
33218 |
40.8 |
2.5 |
2 |
100 |
100 |
134 |
150 |
154 |
8 |
13 |
2.1 |
2 |
|
|
190 |
46.5 |
43 |
36 |
342 |
440 |
1900 |
2600 |
5.80 |
0.35 |
1.7 |
1 |
30318 |
37.5 |
4 |
3 |
104 |
113 |
165 |
176 |
178 |
6 |
10.5 |
3 |
2.5 |
|
|
190 |
46.5 |
43 |
30 |
282 |
358 |
1900 |
2600 |
5.46 |
0.83 |
0.7 |
0.4 |
31318 |
58.5 |
4 |
3 |
104 |
102 |
151 |
176 |
181 |
6 |
16.5 |
3 |
2.5 |
|
|
190 |
67.5 |
64 |
53 |
478 |
682 |
1900 |
2600 |
8.81 |
0.35 |
1.7 |
1 |
32318 |
46.2 |
4 |
3 |
104 |
107 |
157 |
176 |
178 |
8 |
14.5 |
3 |
2.5 |
|
|
|
|
|
|
|
|
|
|
|
|
|
|
|
|
|
|
|
|
|
|
|
|
|
|
|
|
95 |
130 |
23 |
23 |
18 |
97.2 |
170 |
2600 |
3400 |
0.831 |
0.36 |
1.7 |
0.9 |
32919 |
23.4 |
1.5 |
1.5 |
102 |
101 |
117 |
122 |
126 |
4 |
5 |
1.5 |
1.5 |
|
|
145 |
32 |
30 |
26 |
122 |
192 |
2400 |
3200 |
1.7 |
0.36 |
1.7 |
0.9 |
32019 X2 |
30.0 |
2 |
1.5 |
— |
— |
— |
— |
— |
5 |
8 |
2 |
1.5 |
|
|
145 |
32 |
32 |
24 |
175 |
280 |
2400 |
3200 |
1.79 |
0.44 |
1.4 |
0.8 |
32019 |
31.4 |
2 |
1.5 |
104 |
105 |
130 |
136 |
140 |
6 |
8 |
2 |
1.5 |
|
|
145 |
39 |
39 |
32.5 |
230 |
390 |
2400 |
3200 |
2.26 |
0.28 |
2.2 |
1.2 |
33019 |
28.4 |
2 |
1.5 |
104 |
104 |
131 |
136 |
139 |
7 |
6.5 |
2 |
1.5 |
|
|
160 |
49 |
49 |
38 |
298 |
498 |
2200 |
3000 |
3.94 |
0.39 |
1.5 |
0.8 |
33119 |
37.3 |
2.5 |
2 |
105 |
105 |
138 |
150 |
154 |
7 |
11 |
2.1 |
2 |
|
|
170 |
34.5 |
32 |
27 |
228 |
308 |
2000 |
2800 |
3.04 |
0.42 |
1.4 |
0.8 |
30219 |
34.2 |
3 |
2.5 |
107 |
108 |
149 |
158 |
160 |
5 |
7.5 |
2.5 |
2.1 |
|
|
170 |
45.5 |
43 |
37 |
302 |
448 |
2000 |
2800 |
4.24 |
0.42 |
1.4 |
0.8 |
32219 |
39.2 |
3 |
2.5 |
107 |
106 |
145 |
158 |
163 |
5 |
8.5 |
2.5 |
2.1 |
|
|
170 |
58 |
58 |
44 |
378 |
568 |
2000 |
2800 |
5.48 |
0.41 |
1.5 |
0.8 |
33219 |
42.7 |
3 |
2.5 |
107 |
105 |
144 |
158 |
163 |
9 |
14 |
2.5 |
2.1 |
|
|
200 |
49.5 |
45 |
38 |
370 |
478 |
1800 |
2400 |
6.80 |
0.35 |
1.7 |
1 |
30319 |
40.1 |
4 |
3 |
109 |
118 |
172 |
186 |
185 |
6 |
11.5 |
3 |
2.5 |
|
|
200 |
49.5 |
45 |
32 |
310 |
400 |
1800 |
2400 |
6.46 |
0.83 |
0.7 |
0.4 |
31319 |
61.2 |
4 |
3 |
109 |
107 |
157 |
186 |
189 |
6 |
17.5 |
3 |
2.5 |
|
|
200 |
71.5 |
67 |
55 |
515 |
738 |
1800 |
2400 |
10.1 |
0.35 |
1.7 |
1 |
32319 |
49.0 |
4 |
3 |
109 |
114 |
166 |
186 |
187 |
8 |
16.5 |
3 |
2.5 |
|
|
|
|
|
|
|
|
|
|
|
|
|
|
|
|
|
|
|
|
|
|
|
|
|
|
|
|
100 |
140 |
25 |
25 |
20 |
128 |
218 |
2400 |
3200 |
1.12 |
0.33 |
1.8 |
1 |
32920 |
24.3 |
1.5 |
1.5 |
107 |
108 |
128 |
132 |
136 |
4 |
5 |
1.5 |
1.5 |
|
|
150 |
32 |
30 |
26 |
125 |
205 |
2200 |
3000 |
1.79 |
0.37 |
1.6 |
0.9 |
32020 X2 |
32.0 |
2 |
1.5 |
— |
— |
— |
— |
— |
5 |
8 |
2 |
1.5 |
|
|
150 |
32 |
32 |
24 |
172 |
282 |
2200 |
3000 |
1.85 |
0.46 |
1.3 |
0.7 |
32020 |
32.8 |
2 |
1.5 |
109 |
109 |
134 |
141 |
144 |
6 |
8 |
2 |
1.5 |
|
|
150 |
39 |
39 |
32.5 |
230 |
390 |
2200 |
3000 |
2.33 |
0.29 |
2.1 |
1.2 |
33020 |
29.1 |
2 |
1.5 |
109 |
108 |
135 |
141 |
143 |
7 |
6.5 |
2 |
1.5 |
|
|
165 |
52 |
52 |
40 |
308 |
528 |
2000 |
2800 |
4.31 |
0.41 |
1.5 |
0.8 |
33120 |
40.3 |
2.5 |
2 |
110 |
110 |
142 |
155 |
159 |
8 |
12 |
2.1 |
2 |
|
|
180 |
37 |
34 |
29 |
255 |
350 |
1900 |
2600 |
3.72 |
0.42 |
1.4 |
0.8 |
30220 |
36.4 |
3 |
2.5 |
112 |
114 |
157 |
168 |
169 |
5 |
8 |
2.5 |
2.1 |
|
|
180 |
49 |
46 |
39 |
340 |
512 |
1900 |
2600 |
5.10 |
0.42 |
1.4 |
0.8 |
32220 |
41.9 |
3 |
2.5 |
112 |
113 |
154 |
168 |
172 |
5 |
10 |
2.5 |
2.1 |
|
|
180 |
63 |
63 |
48 |
438 |
665 |
1900 |
2600 |
6.71 |
0.4 |
1.5 |
0.8 |
33220 |
45.5 |
3 |
2.5 |
112 |
112 |
151 |
168 |
172 |
10 |
15 |
2.5 |
2.1 |
|
|
215 |
51.5 |
47 |
39 |
405 |
525 |
1600 |
2000 |
8.22 |
0.35 |
1.7 |
1 |
30320 |
42.2 |
4 |
3 |
114 |
127 |
184 |
201 |
199 |
6 |
12.5 |
3 |
2.5 |
|
|
215 |
56.5 |
51 |
35 |
372 |
488 |
1600 |
2000 |
8.59 |
0.83 |
0.7 |
0.4 |
31320 |
68.4 |
4 |
3 |
114 |
115 |
168 |
201 |
204 |
7 |
21.5 |
3 |
2.5 |
|
|
215 |
77.5 |
73 |
60 |
600 |
872 |
1600 |
2000 |
13.0 |
0.35 |
1.7 |
1 |
32320 |
52.9 |
4 |
3 |
114 |
122 |
177 |
201 |
201 |
8 |
17.5 |
3 |
2.5 |
|
|
|
|
|
|
|
|
|
|
|
|
|
|
|
|
|
|
|
|
|
|
|
|
|
|
|
|
105 |
145 |
25 |
25 |
20 |
128 |
225 |
2200 |
3000 |
1.16 |
0.34 |
1.8 |
1 |
32921 |
25.4 |
1.5 |
1.5 |
112 |
112 |
132 |
137 |
141 |
5 |
5 |
1.5 |
1.5 |
|
|
160 |
35 |
33 |
28 |
162 |
270 |
2000 |
2800 |
2.5 |
0.36 |
1.7 |
0.9 |
32021 X2 |
33.0 |
2.5 |
2 |
— |
— |
— |
— |
— |
6 |
9 |
2.1 |
2 |
|
|
160 |
35 |
35 |
26 |
205 |
335 |
2000 |
2800 |
2.40 |
0.44 |
1.4 |
0.7 |
32021 |
34.6 |
2.5 |
2 |
115 |
116 |
143 |
150 |
154 |
6 |
9 |
2.1 |
2 |
|
|
160 |
43 |
43 |
34 |
258 |
438 |
2000 |
2800 |
2.97 |
0.28 |
2.1 |
1.2 |
33021 |
30.8 |
2.5 |
2 |
115 |
116 |
145 |
150 |
153 |
7 |
9 |
2.1 |
2 |
|
|
175 |
56 |
56 |
44 |
352 |
608 |
1900 |
2600 |
5.29 |
0.4 |
1.5 |
0.8 |
33121 |
42.9 |
2.5 |
2 |
115 |
115 |
149 |
165 |
170 |
8 |
12 |
2.1 |
2 |
|
|
190 |
39 |
36 |
30 |
285 |
398 |
1800 |
2400 |
4.38 |
0.42 |
1.4 |
0.8 |
30221 |
38.5 |
3 |
2.5 |
117 |
121 |
165 |
178 |
178 |
6 |
9 |
2.5 |
2.1 |
|
|
190 |
53 |
50 |
43 |
380 |
578 |
1800 |
2400 |
6.26 |
0.42 |
1.4 |
0.8 |
32221 |
45.0 |
3 |
2.5 |
117 |
118 |
161 |
178 |
182 |
5 |
10 |
2.5 |
2.1 |
|
|
190 |
68 |
68 |
52 |
498 |
770 |
1800 |
2400 |
8.12 |
0.4 |
1.5 |
0.8 |
33221 |
48.6 |
3 |
2.5 |
117 |
117 |
159 |
178 |
182 |
12 |
16 |
2.5 |
2.1 |
|
|
225 |
53.5 |
49 |
41 |
432 |
562 |
1500 |
1900 |
9.38 |
0.35 |
1.7 |
1 |
30321 |
43.6 |
4 |
3 |
119 |
133 |
193 |
211 |
208 |
7 |
12.5 |
3 |
2.5 |
|
|
225 |
58 |
53 |
36 |
398 |
525 |
1500 |
1900 |
9.58 |
0.83 |
0.7 |
0.4 |
31321 |
70.0 |
4 |
3 |
119 |
121 |
176 |
211 |
213 |
7 |
22 |
3 |
2.5 |
|
|
225 |
81.5 |
77 |
63 |
648 |
945 |
1500 |
1900 |
14.8 |
0.35 |
1.7 |
1 |
32321 |
55.1 |
4 |
3 |
119 |
128 |
185 |
211 |
210 |
8 |
18.5 |
3 |
2.5 |
|
|
|
|
|
|
|
|
|
|
|
|
|
|
|
|
|
|
|
|
|
|
|
|
|
|
|
|
110 |
150 |
25 |
24 |
20 |
85.5 |
148 |
2000 |
2800 |
1.1 |
0.28 |
2.1 |
1.2 |
32922 X2 |
25 |
1.5 |
1.5 |
— |
— |
— |
— |
— |
5 |
7 |
1.5 |
1.5 |
|
|
150 |
25 |
25 |
20 |
130 |
232 |
2000 |
2800 |
1.20 |
0.36 |
1.7 |
0.9 |
32922 |
26.5 |
1.5 |
1.5 |
117 |
117 |
137 |
142 |
146 |
5 |
5 |
1.5 |
1.5 |
|
|
170 |
38 |
36 |
31 |
182 |
302 |
1900 |
2600 |
3.1 |
0.35 |
1.7 |
0.9 |
32022 X2 |
35 |
2.5 |
2 |
— |
— |
— |
— |
— |
6 |
9 |
2.1 |
2 |
|
|
170 |
38 |
38 |
29 |
245 |
402 |
1900 |
2600 |
3.02 |
0.43 |
1.4 |
0.8 |
32022 |
36.6 |
2.5 |
2 |
120 |
122 |
152 |
160 |
163 |
7 |
9 |
2.1 |
2 |
|
|
170 |
47 |
47 |
37 |
288 |
502 |
1900 |
2600 |
3.74 |
0.29 |
2.1 |
1.2 |
33022 |
33.2 |
2.5 |
2 |
120 |
123 |
152 |
160 |
161 |
7 |
10 |
2.1 |
2 |
|
|
180 |
56 |
56 |
43 |
372 |
638 |
1800 |
2400 |
5.50 |
0.42 |
1.4 |
0.8 |
33122 |
44.0 |
2.5 |
2 |
120 |
121 |
155 |
170 |
174 |
9 |
13 |
2.1 |
2 |
|
|
200 |
41 |
38 |
32 |
315 |
445 |
1700 |
2200 |
5.21 |
0.42 |
1.4 |
0.8 |
30222 |
40.4 |
3 |
2.5 |
122 |
128 |
174 |
188 |
189 |
6 |
9 |
2.5 |
2.1 |
|
|
200 |
56 |
53 |
46 |
430 |
665 |
1700 |
2200 |
7.43 |
0.42 |
1.4 |
0.8 |
32222 |
47.3 |
3 |
2.5 |
122 |
124 |
170 |
188 |
192 |
6 |
10 |
2.5 |
2.1 |
|
|
240 |
54.5 |
50 |
42 |
472 |
612 |
1400 |
1800 |
11.0 |
0.35 |
1.7 |
1 |
30322 |
45.1 |
4 |
3 |
124 |
142 |
206 |
226 |
222 |
8 |
12.5 |
3 |
2.5 |
|
|
240 |
63 |
57 |
38 |
458 |
610 |
1400 |
1800 |
12.1 |
0.83 |
0.7 |
0.4 |
31322 |
75.3 |
4 |
3 |
124 |
129 |
188 |
226 |
226 |
7 |
25 |
3 |
2.5 |
|
|
240 |
84.5 |
80 |
65 |
725 |
1060 |
1400 |
1800 |
17.8 |
0.35 |
1.7 |
1 |
32322 |
57.8 |
4 |
3 |
124 |
137 |
198 |
226 |
224 |
9 |
19.5 |
3 |
2.5 |

