|
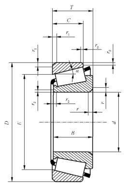
单列圆锥滚子轴承 (GB/T 297—2015) |
|||||||||||||||||||||||||
|
|
径向当量动载荷: 当Fa/Fr≤e,Pr=Fr 当Fa/Fr>e,Pr=0.4Fr+YFa 径向当量静载荷: P0r=0.5Fr+Y0Fa 若P0r<Fr取P0r=Fr 附加轴向力 S≈Fr/(2Y) 最小径向载荷Frmin=0.02Cr |
符号含义及应用 X2—宽度(高度)为非标准 外圈可以和内圈组件分离,能同时承受轴向载荷和径向载荷的联合作用,安装时可以调整游隙的大小,能限制一个方向位移。 |
|||||||||||||||||||||||
|
基本尺寸 /mm |
基本额定 载荷/kN |
极限转速 /r·min-1 |
重量 /kg |
计算系数 |
轴承代号 |
其他尺寸 /mm |
安装尺寸/mm |
||||||||||||||||||
|
d |
D |
T |
B |
C |
Cr |
C0r |
脂 |
油 |
W ≈ |
e |
Y |
Y0 |
30000型 |
a ≈ |
r min |
r1 min |
da min |
db max |
Da min |
Da max |
Db min |
a1 min |
a2 min |
ra max |
rb max |
|
65 |
90 |
17 |
17 |
14 |
45.5 |
73.2 |
3800 |
4800 |
0.295 |
0.35 |
1.7 |
0.9 |
32913 |
16.2 |
1 |
1 |
71 |
70 |
80 |
84 |
87 |
3 |
3 |
1 |
1 |
|
|
100 |
23 |
22 |
19 |
67.0 |
102 |
3600 |
4500 |
0.63 |
0.35 |
1.7 |
0.9 |
32013 X2 |
21.0 |
1.5 |
1.5 |
— |
— |
— |
— |
— |
4 |
6 |
1.5 |
1.5 |
|
|
100 |
23 |
23 |
17.5 |
82.8 |
128 |
3600 |
4500 |
0.620 |
0.46 |
1.3 |
0.7 |
32013 |
22.4 |
1.5 |
1.5 |
72 |
72 |
90 |
93 |
97 |
4 |
5.5 |
1.5 |
1.5 |
|
|
100 |
27 |
27 |
21 |
98.0 |
158 |
3600 |
4500 |
0.732 |
0.35 |
1.7 |
1 |
33013 |
20.9 |
1.5 |
1.5 |
72 |
72 |
89 |
93 |
96 |
5 |
6 |
1.5 |
1.5 |
|
|
110 |
34 |
34 |
26.5 |
142 |
220 |
3400 |
4300 |
1.30 |
0.39 |
1.6 |
0.9 |
33113 |
26.0 |
1.5 |
1.5 |
72 |
73 |
96 |
103 |
106 |
6 |
7.5 |
1.5 |
1.5 |
|
|
120 |
24.75 |
23 |
20 |
120 |
152 |
3200 |
4000 |
1.13 |
0.4 |
1.5 |
0.8 |
30213 |
23.8 |
2 |
1.5 |
74 |
77 |
106 |
111 |
114 |
4 |
5 |
2 |
1.5 |
|
|
120 |
32.75 |
31 |
27 |
160 |
222 |
3200 |
4000 |
1.55 |
0.4 |
1.5 |
0.8 |
32213 |
27.3 |
2 |
1.5 |
74 |
75 |
104 |
111 |
115 |
4 |
6 |
2 |
1.5 |
|
|
120 |
41 |
41 |
32 |
202 |
282 |
3200 |
4000 |
1.99 |
0.39 |
1.5 |
0.9 |
33213 |
29.5 |
2 |
1.5 |
74 |
74 |
102 |
111 |
115 |
7 |
9 |
2 |
1.5 |
|
|
140 |
36 |
33 |
28 |
195 |
242 |
2800 |
3600 |
2.44 |
0.35 |
1.7 |
1 |
30313 |
28.7 |
3 |
2.5 |
77 |
83 |
122 |
128 |
131 |
5 |
8 |
2.5 |
2.1 |
|
|
140 |
36 |
33 |
23 |
165 |
202 |
2800 |
3600 |
2.37 |
0.83 |
0.7 |
0.4 |
31313 |
44.2 |
3 |
2.5 |
77 |
75 |
111 |
128 |
134 |
5 |
13 |
2.5 |
2.1 |
|
|
140 |
51 |
48 |
39 |
260 |
350 |
2800 |
3600 |
3.51 |
0.35 |
1.7 |
1 |
32313 |
34.3 |
3 |
2.5 |
77 |
79 |
117 |
128 |
131 |
6 |
12 |
2.5 |
2.1 |
|
|
|
|
|
|
|
|
|
|
|
|
|
|
|
|
|
|
|
|
|
|
|
|
|
|
|
|
70 |
100 |
20 |
19 |
16 |
53.2 |
85.5 |
3600 |
4500 |
— |
0.33 |
1.8 |
1 |
32914 X2 |
19.0 |
1 |
1 |
— |
— |
— |
— |
— |
4 |
6 |
1 |
1 |
|
|
100 |
20 |
20 |
16 |
70.8 |
115 |
3600 |
4500 |
0.471 |
0.32 |
1.9 |
1 |
32914 |
17.6 |
1 |
1 |
76 |
76 |
90 |
94 |
96 |
4 |
4 |
1 |
1 |
|
|
110 |
25 |
24 |
20 |
83.8 |
128 |
3400 |
4300 |
0.85 |
0.34 |
1.8 |
1 |
32014 X2 |
23.0 |
1.5 |
1.5 |
— |
— |
— |
— |
— |
5 |
7 |
1.5 |
1.5 |
|
|
110 |
25 |
25 |
19 |
105 |
160 |
3400 |
4300 |
0.839 |
0.43 |
1.4 |
0.8 |
32014 |
23.8 |
1.5 |
1.5 |
77 |
78 |
98 |
103 |
105 |
5 |
6 |
1.5 |
1.5 |
|
|
110 |
31 |
31 |
25.5 |
135 |
220 |
3400 |
4300 |
1.07 |
0.28 |
2 |
1 |
33014 |
22.0 |
1.5 |
1.5 |
77 |
79 |
99 |
103 |
105 |
5 |
5.5 |
1.5 |
1.5 |
|
|
120 |
37 |
37 |
29 |
172 |
268 |
3200 |
4000 |
1.70 |
0.39 |
1.5 |
1.2 |
33114 |
28.2 |
2 |
1.5 |
79 |
79 |
104 |
111 |
115 |
6 |
8 |
2 |
1.5 |
|
|
125 |
26.25 |
24 |
21 |
132 |
175 |
3000 |
3800 |
1.26 |
0.42 |
1.4 |
0.8 |
30214 |
25.8 |
2 |
1.5 |
79 |
81 |
110 |
116 |
119 |
4 |
5.5 |
2 |
1.5 |
|
|
125 |
33.25 |
31 |
27 |
168 |
238 |
3000 |
3800 |
1.64 |
0.42 |
1.4 |
0.8 |
32214 |
28.8 |
2 |
1.5 |
79 |
79 |
108 |
116 |
120 |
4 |
6.5 |
2 |
1.5 |
|
|
125 |
41 |
41 |
32 |
208 |
298 |
3000 |
3800 |
2.10 |
0.41 |
1.5 |
0.8 |
33214 |
30.7 |
2 |
1.5 |
79 |
79 |
107 |
116 |
120 |
7 |
9 |
2 |
1.5 |
|
|
150 |
38 |
35 |
30 |
218 |
272 |
2600 |
3400 |
2.98 |
0.35 |
1.7 |
1 |
30314 |
30.7 |
3 |
2.5 |
82 |
89 |
130 |
138 |
141 |
5 |
8 |
2.5 |
2.1 |
|
|
150 |
38 |
35 |
25 |
188 |
230 |
2600 |
3400 |
2.86 |
0.83 |
0.7 |
0.4 |
31314 |
46.8 |
3 |
2.5 |
82 |
80 |
118 |
138 |
143 |
5 |
13 |
2.5 |
2.1 |
|
|
150 |
54 |
51 |
42 |
298 |
408 |
2600 |
3400 |
4.34 |
0.35 |
1.7 |
1 |
32314 |
36.5 |
3 |
2.5 |
82 |
84 |
125 |
138 |
141 |
6 |
12 |
2.5 |
2.1 |
|
|
|
|
|
|
|
|
|
|
|
|
|
|
|
|
|
|
|
|
|
|
|
|
|
|
|
|
75 |
105 |
20 |
20 |
16 |
78.2 |
125 |
3400 |
4300 |
0.490 |
0.33 |
1.8 |
1 |
32915 |
18.5 |
1 |
1 |
81 |
81 |
94 |
99 |
102 |
4 |
4 |
1 |
1 |
|
|
115 |
25 |
24 |
20 |
85.2 |
135 |
3200 |
4000 |
0.88 |
0.35 |
1.7 |
0.9 |
32015 X2 |
24.0 |
1.5 |
1.5 |
— |
— |
— |
— |
— |
5 |
7 |
1.5 |
1.5 |
|
|
115 |
25 |
25 |
19 |
102 |
160 |
3200 |
4000 |
0.875 |
0.46 |
1.3 |
0.7 |
32015 |
25.2 |
1.5 |
1.5 |
82 |
83 |
103 |
108 |
110 |
5 |
6 |
1.5 |
1.5 |
|
|
115 |
31 |
31 |
25.5 |
132 |
220 |
3200 |
4000 |
1.12 |
0.3 |
2 |
1 |
33015 |
22.8 |
1.5 |
1.5 |
82 |
83 |
103 |
108 |
110 |
6 |
5.5 |
1.5 |
1.5 |
|
|
125 |
37 |
37 |
29 |
175 |
280 |
3000 |
3800 |
1.78 |
0.4 |
1.5 |
0.8 |
33115 |
29.4 |
2 |
1.5 |
84 |
84 |
109 |
116 |
120 |
6 |
8 |
2 |
1.5 |
|
|
130 |
27.25 |
25 |
22 |
138 |
185 |
2800 |
3600 |
1.36 |
0.44 |
1.4 |
0.8 |
30215 |
27.4 |
2 |
1.5 |
84 |
85 |
115 |
121 |
125 |
4 |
5.5 |
2 |
1.5 |
|
|
130 |
33.25 |
31 |
27 |
170 |
242 |
2800 |
3600 |
1.74 |
0.44 |
1.4 |
0.8 |
32215 |
30.0 |
2 |
1.5 |
84 |
84 |
115 |
121 |
126 |
4 |
6.5 |
2 |
1.5 |
|
|
130 |
41 |
41 |
31 |
208 |
300 |
2800 |
3600 |
2.17 |
0.43 |
1.4 |
0.8 |
33215 |
31.9 |
2 |
1.5 |
84 |
83 |
111 |
121 |
125 |
7 |
10 |
2 |
1.5 |
|
|
160 |
40 |
37 |
31 |
252 |
318 |
2400 |
3200 |
3.57 |
0.35 |
1.7 |
1 |
30315 |
32.0 |
3 |
2.5 |
87 |
95 |
139 |
148 |
150 |
5 |
9 |
2.5 |
2.1 |
|
|
160 |
40 |
37 |
26 |
208 |
258 |
2400 |
3200 |
3.38 |
0.83 |
0.7 |
0.4 |
31315 |
49.7 |
3 |
2.5 |
87 |
86 |
127 |
148 |
153 |
6 |
14 |
2.5 |
2.1 |
|
|
160 |
58 |
55 |
45 |
348 |
482 |
2400 |
3200 |
5.37 |
0.35 |
1.7 |
1 |
32315 |
39.4 |
3 |
2.5 |
87 |
91 |
133 |
148 |
150 |
7 |
13 |
2.5 |
2.1 |
|
|
|
|
|
|
|
|
|
|
|
|
|
|
|
|
|
|
|
|
|
|
|
|
|
|
|
|
80 |
110 |
20 |
20 |
16 |
79.2 |
128 |
3200 |
4000 |
0.514 |
0.35 |
1.7 |
0.9 |
32916 |
19.6 |
1 |
1 |
86 |
85 |
99 |
104 |
107 |
4 |
4 |
1 |
1 |
|
|
125 |
29 |
27 |
23 |
102 |
162 |
3000 |
3800 |
1.18 |
0.34 |
1.8 |
1 |
32016 X2 |
26.0 |
1.5 |
1.5 |
— |
— |
— |
— |
— |
5 |
8 |
1.5 |
1.5 |
|
|
125 |
29 |
29 |
22 |
140 |
220 |
3000 |
3800 |
1.27 |
0.42 |
1.4 |
0.8 |
32016 |
26.8 |
1.5 |
1.5 |
87 |
89 |
112 |
117 |
120 |
6 |
7 |
1.5 |
1.5 |
|
|
125 |
36 |
36 |
29.5 |
182 |
305 |
3000 |
3800 |
1.63 |
0.28 |
2.2 |
1.2 |
33016 |
25.2 |
1.5 |
1.5 |
87 |
90 |
112 |
117 |
119 |
6 |
7 |
1.5 |
1.5 |
|
|
130 |
37 |
37 |
29 |
180 |
292 |
2800 |
3600 |
1.87 |
0.42 |
1.4 |
0.8 |
33116 |
30.7 |
2 |
1.5 |
89 |
89 |
114 |
121 |
126 |
6 |
8 |
2 |
1.5 |
|
|
140 |
28.25 |
26 |
22 |
160 |
212 |
2600 |
3400 |
1.67 |
0.42 |
1.4 |
0.8 |
30216 |
28.1 |
2.5 |
2 |
90 |
90 |
124 |
130 |
133 |
4 |
6 |
2.1 |
2 |
|
|
140 |
35.25 |
33 |
28 |
198 |
278 |
2600 |
3400 |
2.13 |
0.42 |
1.4 |
0.8 |
32216 |
31.4 |
2.5 |
2 |
90 |
89 |
122 |
130 |
135 |
5 |
7.5 |
2.1 |
2 |
|
|
140 |
46 |
46 |
35 |
245 |
362 |
2600 |
3400 |
2.83 |
0.43 |
1.4 |
0.8 |
33216 |
35.1 |
2.5 |
2 |
90 |
89 |
119 |
130 |
135 |
7 |
11 |
2.1 |
2 |
|
|
170 |
42.5 |
39 |
33 |
278 |
352 |
2200 |
3000 |
4.27 |
0.35 |
1.7 |
1 |
30316 |
34.4 |
3 |
2.5 |
92 |
102 |
148 |
158 |
160 |
5 |
9.5 |
2.5 |
2.1 |
|
|
170 |
42.5 |
39 |
27 |
230 |
288 |
2200 |
3000 |
4.05 |
0.83 |
0.7 |
0.4 |
31316 |
52.8 |
3 |
2.5 |
92 |
91 |
134 |
158 |
161 |
6 |
15.5 |
2.5 |
2.1 |
|
|
170 |
61.5 |
58 |
48 |
388 |
542 |
2200 |
3000 |
6.38 |
0.35 |
1.7 |
1 |
32316 |
42.1 |
3 |
2.5 |
92 |
97 |
142 |
158 |
160 |
7 |
13.5 |
2.5 |
2.1 |
|
|
|
|
|
|
|
|
|
|
|
|
|
|
|
|
|
|
|
|
|
|
|
|
|
|
|
|
85 |
120 |
23 |
22 |
29 |
74.2 |
125 |
3400 |
3800 |
0.73 |
0.26 |
2.3 |
1.3 |
32917 X2 |
21.0 |
1.5 |
1.5 |
— |
— |
— |
— |
— |
4 |
6 |
1.5 |
1.5 |
|
|
120 |
23 |
23 |
18 |
96.8 |
165 |
3400 |
3800 |
0.767 |
0.33 |
1.8 |
1 |
32917 |
21.1 |
1.5 |
1.5 |
92 |
92 |
111 |
113 |
115 |
4 |
5 |
1.5 |
1.5 |
|
|
130 |
29 |
27 |
23 |
105 |
170 |
2800 |
3600 |
1.25 |
0.35 |
1.7 |
0.9 |
32017 X2 |
27.0 |
1.5 |
1.5 |
— |
— |
— |
— |
— |
5 |
8 |
1.5 |
1.5 |
|
|
130 |
29 |
29 |
22 |
140 |
220 |
2800 |
3600 |
1.32 |
0.44 |
1.4 |
0.8 |
32017 |
28.1 |
1.5 |
1.5 |
92 |
94 |
117 |
122 |
125 |
6 |
7 |
1.5 |
1.5 |
|
|
130 |
36 |
36 |
29.5 |
180 |
305 |
2800 |
3600 |
1.69 |
0.29 |
2.1 |
1.1 |
33017 |
26.2 |
1.5 |
1.5 |
92 |
94 |
118 |
122 |
125 |
6 |
6.5 |
1.5 |
1.5 |
|
|
140 |
41 |
41 |
32 |
215 |
355 |
2600 |
3400 |
2.43 |
0.41 |
1.5 |
0.8 |
33117 |
33.1 |
2.5 |
2 |
95 |
95 |
122 |
130 |
135 |
7 |
9 |
2.1 |
2 |
|
|
150 |
30.5 |
28 |
24 |
178 |
238 |
2400 |
3200 |
2.06 |
0.42 |
1.4 |
0.8 |
30217 |
30.3 |
2.5 |
2 |
95 |
96 |
132 |
140 |
142 |
5 |
6.5 |
2.1 |
2 |
|
|
150 |
38.5 |
36 |
30 |
228 |
325 |
2400 |
3200 |
2.68 |
0.42 |
1.4 |
0.8 |
32217 |
33.9 |
2.5 |
2 |
95 |
95 |
130 |
140 |
143 |
5 |
8.5 |
2.1 |
2 |
|
|
150 |
49 |
49 |
37 |
282 |
415 |
2400 |
3200 |
3.52 |
0.42 |
1.4 |
0.8 |
33217 |
36.9 |
2.5 |
2 |
95 |
95 |
128 |
140 |
144 |
7 |
12 |
2.1 |
2 |
|
|
180 |
44.5 |
41 |
34 |
305 |
388 |
2000 |
2800 |
4.96 |
0.35 |
1.7 |
1 |
30317 |
35.9 |
4 |
3 |
99 |
107 |
156 |
166 |
168 |
6 |
10.5 |
3 |
2.5 |
|
|
180 |
44.5 |
41 |
28 |
255 |
318 |
2000 |
2800 |
4.69 |
0.83 |
0.7 |
0.4 |
31317 |
55.6 |
4 |
3 |
99 |
96 |
143 |
166 |
171 |
6 |
16.5 |
3 |
2.5 |
|
|
180 |
63.5 |
60 |
49 |
422 |
592 |
2000 |
2800 |
7.31 |
0.35 |
1.7 |
1 |
32317 |
43.5 |
4 |
3 |
99 |
102 |
150 |
166 |
168 |
8 |
14.5 |
3 |
2.5 |

