|
单列圆锥滚子轴承 (GB/T 297—2015) |
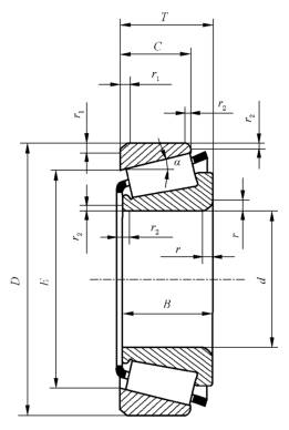
|||||||||||||||||||||||||
|
|
径向当量动载荷: 当Fa/Fr≤e,Pr=Fr 当Fa/Fr>e,Pr=0.4Fr+YFa 径向当量静载荷: P0r=0.5Fr+Y0Fa 若P0r<Fr取P0r=Fr 附加轴向力 S≈Fr/(2Y) 最小径向载荷Frmin=0.02Cr |
符号含义及应用 X2—宽度(高度)为非标准 外圈可以和内圈组件分离,能同时承受轴向载荷和径向载荷的联合作用,安装时可以调整游隙的大小,能限制一个方向位移。 |
|||||||||||||||||||||||
|
基本尺寸 /mm |
基本额定 载荷/kN |
极限转速 /r·min-1 |
重量 /kg |
计算系数 |
轴承代号 |
其他尺寸 /mm |
安装尺寸/mm |
||||||||||||||||||
|
d |
D |
T |
B |
C |
Cr |
C0r |
脂 |
油 |
W ≈ |
e |
Y |
Y0 |
30000型 |
a ≈ |
r min |
r1 min |
da min |
db max |
Da min |
Da max |
Db min |
a1 min |
a2 min |
ra max |
rb max |
|
45 |
68 |
15 |
14 |
12 |
22.2 |
32.8 |
5300 |
6700 |
— |
0.31 |
1.9 |
1.1 |
32909 X2 |
13.0 |
0.6 |
0.6 |
— |
— |
— |
— |
— |
3 |
5 |
0.6 |
0.6 |
|
|
68 |
15 |
15 |
12 |
32.0 |
48.5 |
5300 |
6700 |
0.180 |
0.32 |
1.9 |
1 |
32909 |
12.2 |
0.6 |
0.6 |
50 |
50 |
61 |
63 |
65 |
3 |
3 |
0.6 |
0.6 |
|
|
75 |
20 |
19 |
16 |
44.5 |
62.5 |
5000 |
6300 |
0.32 |
0.3 |
2 |
1.1 |
32009 X2 |
16.0 |
1 |
1 |
— |
— |
— |
— |
— |
4 |
6 |
1 |
1 |
|
|
75 |
20 |
20 |
15.5 |
58.5 |
81.5 |
5000 |
6300 |
0.337 |
0.39 |
1.5 |
0.8 |
32009 |
16.5 |
1 |
1 |
51 |
51 |
67 |
69 |
72 |
4 |
4.5 |
1 |
1 |
|
|
75 |
24 |
24 |
19 |
72.5 |
100 |
5000 |
6300 |
0.398 |
0.32 |
1.9 |
1 |
33009 |
15.9 |
1 |
1 |
51 |
51 |
67 |
69 |
72 |
4 |
5 |
1 |
1 |
|
|
80 |
26 |
26 |
20.5 |
87.0 |
118 |
4500 |
5600 |
0.535 |
0.38 |
1.6 |
1 |
33109 |
19.1 |
1.5 |
1.5 |
52 |
52 |
69 |
73 |
77 |
4 |
5.5 |
1.5 |
1.5 |
|
|
85 |
20.75 |
19 |
16 |
67.8 |
83.5 |
4500 |
5600 |
0.474 |
0.4 |
1.5 |
0.8 |
30209 |
18.6 |
1.5 |
1.5 |
52 |
53 |
74 |
78 |
80 |
3 |
5 |
1.5 |
1.5 |
|
|
85 |
24.75 |
23 |
19 |
80.8 |
105 |
4500 |
5600 |
0.573 |
0.4 |
1.5 |
0.8 |
32209 |
20.1 |
1.5 |
1.5 |
52 |
53 |
73 |
78 |
81 |
3 |
6 |
1.5 |
1.5 |
|
|
85 |
32 |
32 |
25 |
110 |
145 |
4500 |
5600 |
0.771 |
0.39 |
1.5 |
0.9 |
33209 |
21.9 |
1.5 |
1.5 |
52 |
52 |
72 |
78 |
81 |
5 |
7 |
1.5 |
1.5 |
|
|
100 |
27.25 |
25 |
22 |
108 |
130 |
4000 |
5000 |
0.984 |
0.35 |
1.7 |
1 |
30309 |
21.3 |
2 |
1.5 |
54 |
59 |
86 |
91 |
94 |
3 |
5.5 |
2 |
1.5 |
|
|
100 |
27.25 |
25 |
18 |
95.5 |
115 |
4000 |
5000 |
0.944 |
0.83 |
0.7 |
0.4 |
31309 |
31.7 |
2 |
1.5 |
54 |
54 |
79 |
91 |
96 |
4 |
9.5 |
2.0 |
1.5 |
|
|
100 |
38.25 |
36 |
30 |
145 |
188 |
4000 |
5000 |
1.40 |
0.35 |
1.7 |
1 |
32309 |
25.6 |
2 |
1.5 |
54 |
56 |
82 |
91 |
93 |
4 |
8.5 |
2.0 |
1.5 |
|
|
|
|
|
|
|
|
|
|
|
|
|
|
|
|
|
|
|
|
|
|
|
|
|
|
|
|
50 |
72 |
15 |
14 |
12 |
22.2 |
32.8 |
5000 |
6300 |
0.7 |
0.35 |
1.7 |
0.9 |
32910 X2 |
15.0 |
0.6 |
0.6 |
— |
— |
— |
— |
— |
3 |
5 |
0.6 |
0.6 |
|
|
72 |
15 |
15 |
12 |
36.8 |
56.0 |
5000 |
6300 |
0.181 |
0.34 |
1.8 |
1 |
32910 |
13.0 |
0.6 |
0.6 |
55 |
55 |
64 |
67 |
69 |
3 |
3 |
0.6 |
0.6 |
|
|
80 |
20 |
19 |
16 |
45.8 |
66.2 |
4500 |
5600 |
0.31 |
0.32 |
1.9 |
1 |
32010 X2 |
17.0 |
1 |
1 |
— |
— |
— |
— |
— |
4 |
6 |
1 |
1 |
|
|
80 |
20 |
20 |
15.5 |
61.0 |
89.0 |
4500 |
5600 |
0.366 |
0.42 |
1.4 |
0.8 |
32010 |
17.8 |
1 |
1 |
56 |
56 |
72 |
74 |
77 |
4 |
4.5 |
1 |
1 |
|
|
80 |
24 |
24 |
19 |
76.8 |
110 |
4500 |
5600 |
0.433 |
0.32 |
1.9 |
1 |
33010 |
17.0 |
1 |
1 |
56 |
56 |
72 |
74 |
76 |
4 |
5 |
1 |
1 |
|
|
85 |
26 |
26 |
20 |
89.2 |
125 |
4300 |
5300 |
0.572 |
0.41 |
1.5 |
0.8 |
33110 |
20.4 |
1.5 |
1.5 |
57 |
56 |
74 |
78 |
82 |
4 |
6 |
1.5 |
1.5 |
|
|
90 |
21.75 |
20 |
17 |
73.2 |
92.0 |
4300 |
5300 |
0.529 |
0.42 |
1.4 |
0.8 |
30210 |
20.0 |
1.5 |
1.5 |
57 |
58 |
79 |
83 |
86 |
3 |
5 |
1.5 |
1.5 |
|
|
90 |
24.75 |
23 |
19 |
82.8 |
108 |
4300 |
5300 |
0.626 |
0.42 |
1.4 |
0.8 |
32210 |
21.0 |
1.5 |
1.5 |
57 |
57 |
78 |
83 |
86 |
3 |
6 |
1.5 |
1.5 |
|
|
90 |
32 |
32 |
24.5 |
112 |
155 |
4300 |
5300 |
0.825 |
0.41 |
1.5 |
0.8 |
33210 |
23.2 |
1.5 |
1.5 |
57 |
57 |
77 |
83 |
87 |
5 |
7.5 |
1.5 |
1.5 |
|
|
110 |
29.25 |
27 |
23 |
130 |
158 |
3800 |
4800 |
1.28 |
0.35 |
1.7 |
1 |
30310 |
23.0 |
2.5 |
2 |
60 |
65 |
95 |
100 |
103 |
4 |
6.5 |
2 |
2 |
|
|
110 |
29.25 |
27 |
19 |
108 |
128 |
3800 |
4800 |
1.21 |
0.83 |
0.7 |
0.4 |
31310 |
34.8 |
2.5 |
2 |
60 |
58 |
87 |
100 |
105 |
4 |
10.5 |
2 |
2 |
|
|
110 |
42.25 |
40 |
33 |
178 |
235 |
3800 |
4800 |
1.89 |
0.35 |
1.7 |
1 |
32310 |
28.2 |
2.5 |
2 |
60 |
61 |
90 |
100 |
102 |
5 |
9.5 |
2 |
2 |
|
|
|
|
|
|
|
|
|
|
|
|
|
|
|
|
|
|
|
|
|
|
|
|
|
|
|
|
55 |
80 |
17 |
17 |
14 |
41.5 |
66.8 |
4800 |
6000 |
0.262 |
0.31 |
1.9 |
1.1 |
32911 |
14.3 |
1 |
1 |
61 |
60 |
71 |
74 |
77 |
3 |
3 |
1 |
1 |
|
|
90 |
23 |
22 |
19 |
63.8 |
93.2 |
4000 |
5000 |
0.53 |
0.31 |
1.9 |
1.1 |
32011 X2 |
19.0 |
1.5 |
1.5 |
— |
— |
— |
— |
— |
4 |
6 |
1.5 |
1.5 |
|
|
90 |
23 |
23 |
17.5 |
80.2 |
118 |
4000 |
5000 |
0.551 |
0.41 |
1.5 |
0.8 |
32011 |
19.8 |
1.5 |
1.5 |
62 |
63 |
81 |
83 |
86 |
4 |
5.5 |
1.5 |
1.5 |
|
|
90 |
27 |
27 |
21 |
94.8 |
145 |
4000 |
5000 |
0.651 |
0.31 |
1.9 |
1.1 |
33011 |
19.0 |
1.5 |
1.5 |
62 |
63 |
81 |
83 |
86 |
5 |
6 |
1.5 |
1.5 |
|
|
95 |
30 |
30 |
23 |
115 |
165 |
3800 |
4800 |
0.843 |
0.37 |
1.6 |
0.9 |
33111 |
21.9 |
1.5 |
1.5 |
62 |
62 |
83 |
88 |
91 |
5 |
7 |
1.5 |
1.5 |
|
|
100 |
22.75 |
21 |
18 |
90.8 |
115 |
3800 |
4800 |
0.713 |
0.4 |
1.5 |
0.8 |
30211 |
21.0 |
2 |
1.5 |
64 |
64 |
88 |
91 |
95 |
4 |
5 |
2 |
1.5 |
|
|
100 |
26.75 |
25 |
21 |
108 |
142 |
3800 |
4800 |
0.853 |
0.4 |
1.5 |
0.8 |
32211 |
22.8 |
2 |
1.5 |
64 |
62 |
87 |
91 |
96 |
4 |
6 |
2 |
1.5 |
|
|
100 |
35 |
35 |
27 |
142 |
198 |
3800 |
4800 |
1.15 |
0.4 |
1.5 |
0.8 |
33211 |
25.1 |
2 |
1.5 |
64 |
62 |
85 |
91 |
96 |
6 |
8 |
2 |
1.5 |
|
|
120 |
31.5 |
29 |
25 |
152 |
188 |
3400 |
4300 |
1.63 |
0.35 |
1.7 |
1 |
30311 |
24.9 |
2.5 |
2 |
65 |
70 |
104 |
110 |
112 |
4 |
6.5 |
2.5 |
2 |
|
|
120 |
31.5 |
29 |
21 |
130 |
158 |
3400 |
4300 |
1.56 |
0.83 |
0.7 |
0.4 |
31311 |
37.5 |
2.5 |
2 |
65 |
63 |
94 |
110 |
114 |
4 |
10.5 |
2.5 |
2 |
|
|
120 |
45.5 |
43 |
35 |
202 |
270 |
3400 |
4300 |
2.37 |
0.35 |
1.7 |
1 |
32311 |
30.4 |
2.5 |
2 |
62 |
66 |
99 |
110 |
111 |
5 |
10 |
2.5 |
2 |
|
|
|
|
|
|
|
|
|
|
|
|
|
|
|
|
|
|
|
|
|
|
|
|
|
|
|
|
60 |
85 |
17 |
16 |
14 |
34.5 |
56.5 |
4000 |
5000 |
0.24 |
0.38 |
1.6 |
0.9 |
32912 X2 |
18.0 |
1 |
1 |
— |
— |
— |
— |
— |
3 |
5 |
1 |
1 |
|
|
85 |
17 |
17 |
14 |
46.0 |
73.0 |
4000 |
5000 |
0.279 |
0.33 |
1.8 |
1 |
32912 |
15.1 |
1 |
1 |
66 |
65 |
75 |
79 |
82 |
3 |
3 |
1 |
1 |
|
|
95 |
23 |
22 |
19 |
64.8 |
98.0 |
3800 |
4800 |
0.56 |
0.33 |
1.8 |
1 |
32012 X2 |
20.0 |
1.5 |
1.5 |
— |
— |
— |
— |
— |
4 |
6 |
1.5 |
1.5 |
|
|
95 |
23 |
23 |
17.5 |
81.8 |
122 |
3800 |
4800 |
0.584 |
0.43 |
1.4 |
0.8 |
32012 |
20.9 |
1.5 |
1.5 |
67 |
67 |
85 |
88 |
91 |
4 |
5.5 |
1.5 |
1.5 |
|
|
95 |
27 |
27 |
21 |
96.8 |
150 |
3800 |
4800 |
0.691 |
0.33 |
1.8 |
1 |
33012 |
19.8 |
1.5 |
1.5 |
67 |
67 |
85 |
88 |
90 |
5 |
6 |
1.5 |
1.5 |
|
|
100 |
30 |
30 |
23 |
118 |
172 |
3600 |
4500 |
0.895 |
0.4 |
1.5 |
0.8 |
33112 |
23.1 |
1.5 |
1.5 |
67 |
67 |
88 |
93 |
96 |
5 |
7 |
1.5 |
1.5 |
|
|
110 |
23.75 |
22 |
19 |
102 |
130 |
3600 |
4500 |
0.904 |
0.4 |
1.5 |
0.8 |
30212 |
22.3 |
2 |
1.5 |
69 |
69 |
96 |
101 |
103 |
4 |
5 |
2 |
1.5 |
|
|
110 |
29.75 |
28 |
24 |
132 |
180 |
3600 |
4500 |
1.17 |
0.4 |
1.5 |
0.8 |
32212 |
25.0 |
2 |
1.5 |
69 |
68 |
95 |
101 |
105 |
4 |
6 |
2 |
1.5 |
|
|
110 |
38 |
38 |
29 |
165 |
230 |
3600 |
4500 |
1.51 |
0.4 |
1.5 |
0.8 |
33212 |
27.5 |
2 |
1.5 |
69 |
69 |
93 |
101 |
105 |
6 |
9 |
2 |
1.5 |
|
|
130 |
33.5 |
31 |
26 |
170 |
210 |
3200 |
4000 |
1.99 |
0.35 |
1.7 |
1 |
30312 |
26.6 |
3 |
2.5 |
72 |
76 |
112 |
118 |
121 |
5 |
7.5 |
2.5 |
2.1 |
|
|
130 |
33.5 |
31 |
22 |
145 |
178 |
3200 |
4000 |
1.90 |
0.83 |
0.7 |
0.4 |
31312 |
40.4 |
3 |
2.5 |
72 |
69 |
103 |
118 |
124 |
5 |
11.5 |
2.5 |
2.1 |
|
|
130 |
48.5 |
46 |
37 |
228 |
302 |
3200 |
4000 |
2.90 |
0.35 |
1.7 |
1 |
32312 |
32.0 |
3 |
2.5 |
72 |
72 |
107 |
118 |
122 |
6 |
11.5 |
2.5 |
2.1 |

