|
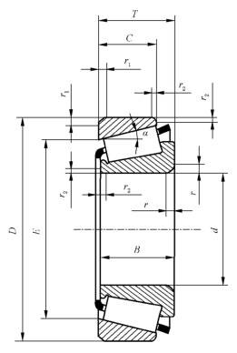
单列圆锥滚子轴承 (GB/T 297—2015) |
|||||||||||||||||||||||||
|
|
径向当量动载荷: 当Fa/Fr≤e,Pr=Fr 当Fa/Fr>e,Pr=0.4Fr+YFa 径向当量静载荷: P0r=0.5Fr+Y0Fa 若P0r<Fr取P0r=Fr 附加轴向力 S≈Fr/(2Y) 最小径向载荷Frmin=0.02Cr |
符号含义及应用 X2—宽度(高度)为非标准 外圈可以和内圈组件分离,能同时承受轴向载荷和径向载荷的联合作用,安装时可以调整游隙的大小,能限制一个方向位移。 |
|||||||||||||||||||||||
|
基本尺寸 /mm |
基本额定 载荷/kN |
极限转速 /r·min-1 |
重量 /kg |
计算系数 |
轴承代号 |
其他尺寸 /mm |
安装尺寸/mm |
||||||||||||||||||
|
d |
D |
T |
B |
C |
Cr |
C0r |
脂 |
油 |
W ≈ |
e |
Y |
Y0 |
30000型 |
a ≈ |
r min |
r1 min |
da min |
db max |
Da min |
Da max |
Db min |
a1 min |
a2 min |
ra max |
rb max |
|
15 |
35 |
11.75 |
11 |
10 |
|
|
|
|
|
|
|
|
30202 |
— |
0.6 |
0.6 |
|
|
|
|
|
|
|
|
|
|
42 |
14.25 |
13 |
11 |
22.8 |
21.5 |
9000 |
12000 |
0.094 |
0.29 |
2.1 |
1.2 |
30302 |
9.6 |
1 |
1 |
21 |
22 |
36 |
36 |
38 |
2 |
3.5 |
1 |
1 |
|
|
|
|
|
|
|
|
|
|
|
|
|
|
|
|
|
|
|
|
|
|
|
|
|
|
|
|
|
17 |
40 |
13.25 |
12 |
11 |
20.8 |
21.8 |
9000 |
12000 |
0.079 |
0.35 |
1.7 |
1 |
30203 |
9.9 |
1 |
1 |
23 |
23 |
34 |
34 |
37 |
2 |
2.5 |
1 |
1 |
|
|
47 |
15.25 |
14 |
12 |
28.2 |
27.2 |
8500 |
11000 |
0.129 |
0.29 |
2.1 |
1.2 |
30303 |
10.4 |
1 |
1 |
23 |
25 |
40 |
41 |
43 |
3 |
3.5 |
1 |
1 |
|
|
40 |
17.25 |
16 |
14 |
|
|
|
|
|
|
|
|
32203 |
11.75 |
1 |
1 |
|
|
|
|
|
|
|
|
|
|
|
47 |
20.25 |
19 |
16 |
35.2 |
36.2 |
8500 |
11000 |
0.173 |
0.29 |
2.1 |
1.2 |
32303 |
12.3 |
1 |
1 |
23 |
24 |
39 |
41 |
43 |
3 |
4.5 |
1 |
1 |
|
|
|
|
|
|
|
|
|
|
|
|
|
|
|
|
|
|
|
|
|
|
|
|
|
|
|
|
20 |
37 |
12 |
12 |
9 |
13.2 |
17.5 |
9500 |
13000 |
0.056 |
0.32 |
1.9 |
1 |
32904 |
8.2 |
0.3 |
0.3 |
— |
— |
— |
— |
— |
— |
— |
0.3 |
0.3 |
|
|
42 |
15 |
15 |
12 |
25.0 |
28.2 |
8500 |
11000 |
0.095 |
0.37 |
1.6 |
0.9 |
32004 |
10.3 |
0.6 |
0.6 |
25 |
25 |
36 |
37 |
39 |
3 |
3 |
0.6 |
0.6 |
|
|
47 |
15.25 |
14 |
12 |
28.2 |
30.5 |
8000 |
10000 |
0.126 |
0.35 |
1.7 |
1 |
30204 |
11.2 |
1 |
1 |
26 |
27 |
40 |
41 |
43 |
2 |
3.5 |
1 |
1 |
|
|
52 |
16.25 |
15 |
13 |
33.0 |
33.2 |
7500 |
9500 |
0.165 |
0.3 |
2 |
1.1 |
30304 |
11.1 |
1.5 |
1.5 |
27 |
28 |
44 |
45 |
48 |
3 |
3.5 |
1.5 |
1.5 |
|
|
47 |
19.25 |
18 |
15 |
|
|
|
|
|
|
|
|
32204 |
12.5 |
1 |
1 |
|
|
|
|
|
|
|
|
|
|
|
52 |
22.25 |
21 |
18 |
42.8 |
46.2 |
7500 |
9500 |
0.230 |
0.3 |
2 |
1.1 |
32304 |
13.6 |
1.5 |
1.5 |
27 |
26 |
43 |
45 |
48 |
3 |
4.5 |
1.5 |
1.5 |
|
|
|
|
|
|
|
|
|
|
|
|
|
|
|
|
|
|
|
|
|
|
|
|
|
|
|
|
22 |
40 |
12 |
12 |
9 |
15.0 |
20.0 |
8500 |
11000 |
0.065 |
0.32 |
1.9 |
1 |
329/22 |
8.5 |
0.3 |
0.3 |
— |
— |
— |
— |
— |
— |
— |
0.3 |
0.3 |
|
|
44 |
15 |
15 |
11.5 |
26.0 |
30.2 |
8000 |
10000 |
0.100 |
0.40 |
1.5 |
0.8 |
320/22 |
10.8 |
0.6 |
0.6 |
27 |
27 |
38 |
39 |
41 |
3 |
3.5 |
0.6 |
0.6 |
|
|
|
|
|
|
|
|
|
|
|
|
|
|
|
|
|
|
|
|
|
|
|
|
|
|
|
|
25 |
42 |
12 |
12 |
9 |
16.0 |
21.0 |
6300 |
10000 |
0.064 |
0.32 |
1.9 |
1 |
32905 |
8.7 |
0.3 |
0.3 |
— |
— |
— |
— |
— |
— |
— |
0.3 |
0.3 |
|
|
47 |
15 |
15 |
11.5 |
28.0 |
34.0 |
7500 |
9500 |
0.11 |
0.43 |
1.4 |
0.8 |
32005 |
11.6 |
0.6 |
0.6 |
30 |
30 |
40 |
42 |
44 |
3 |
3.5 |
0.6 |
0.6 |
|
|
47 |
17 |
17 |
14 |
32.5 |
42.5 |
7500 |
9500 |
0.129 |
0.29 |
2.1 |
1.1 |
33005 |
11.1 |
0.6 |
0.6 |
30 |
30 |
40 |
42 |
45 |
3 |
3 |
0.6 |
0.6 |
|
|
52 |
16.25 |
15 |
13 |
32.2 |
37.0 |
7000 |
9000 |
0.154 |
0.37 |
1.6 |
0.9 |
30205 |
12.5 |
1 |
1 |
31 |
31 |
44 |
46 |
48 |
2 |
3.5 |
1 |
1 |
|
|
52 |
19.25 |
18 |
16 |
|
|
|
|
|
|
|
|
32205 |
13.5 |
1 |
1 |
|
|
|
|
|
|
|
|
|
|
|
52 |
22 |
22 |
18 |
47.0 |
55.8 |
7000 |
9000 |
0.216 |
0.35 |
1.7 |
0.9 |
33205 |
14.0 |
1 |
1 |
31 |
30 |
43 |
46 |
49 |
4 |
4 |
1 |
1 |
|
|
62 |
18.25 |
17 |
15 |
46.8 |
48.0 |
6300 |
8000 |
0.263 |
0.3 |
2 |
1.1 |
30305 |
13.0 |
1.5 |
1.5 |
32 |
34 |
54 |
55 |
58 |
3 |
3.5 |
1.5 |
1.5 |
|
|
62 |
18.25 |
17 |
13 |
40.5 |
46.0 |
6300 |
8000 |
0.262 |
0.83 |
0.7 |
0.4 |
31305 |
20.1 |
1.5 |
1.5 |
32 |
31 |
47 |
55 |
59 |
3 |
5.5 |
1.5 |
1.5 |
|
|
62 |
25.25 |
24 |
20 |
61.5 |
68.8 |
6300 |
8000 |
0.368 |
0.3 |
2 |
1.1 |
32305 |
15.9 |
1.5 |
1.5 |
32 |
32 |
52 |
55 |
58 |
3 |
5.5 |
1.5 |
1.5 |
|
|
|
|
|
|
|
|
|
|
|
|
|
|
|
|
|
|
|
|
|
|
|
|
|
|
|
|
28 |
45 |
12 |
12 |
9 |
16.8 |
22.8 |
7500 |
9500 |
0.069 |
0.32 |
1.9 |
1 |
329/28 |
9.0 |
0.3 |
0.3 |
— |
— |
— |
— |
— |
— |
— |
03 |
03 |
|
|
52 |
16 |
16 |
12 |
31.5 |
40.5 |
6700 |
8500 |
0.142 |
0.43 |
1.4 |
0.8 |
320/28 |
12.6 |
1 |
1 |
34 |
33 |
45 |
46 |
49 |
3 |
4 |
1 |
1 |
|
|
58 |
24 |
24 |
19 |
58.0 |
68.2 |
6300 |
8000 |
0.286 |
0.34 |
1.8 |
1.0 |
332/28 |
15.0 |
1 |
1 |
34 |
33 |
49 |
52 |
55 |
4 |
5 |
1 |
1 |
|
|
|
|
|
|
|
|
|
|
|
|
|
|
|
|
|
|
|
|
|
|
|
|
|
|
|
|
30 |
47 |
12 |
12 |
9 |
17.0 |
23.2 |
7000 |
9000 |
0.072 |
0.32 |
1.9 |
1 |
32906 |
9.2 |
0.3 |
0.3 |
— |
— |
— |
— |
— |
— |
— |
0.3 |
0.3 |
|
|
55 |
17 |
16 |
14 |
27.8 |
35.5 |
6300 |
8000 |
0.16 |
0.26 |
2.3 |
1.3 |
32006 X2 |
12.0 |
1 |
1 |
— |
— |
— |
— |
— |
3 |
5 |
— |
— |
|
|
55 |
17 |
17 |
13 |
35.8 |
46.8 |
6300 |
8000 |
0.170 |
0.43 |
1.4 |
0.8 |
32006 |
13.3 |
1 |
1 |
36 |
35 |
48 |
49 |
52 |
3 |
4 |
1 |
1 |
|
|
55 |
20 |
20 |
16 |
43.8 |
58.8 |
6300 |
8000 |
0.201 |
0.29 |
2.1 |
1.1 |
33006 |
12.8 |
1 |
1 |
36 |
35 |
48 |
49 |
52 |
3 |
4 |
1 |
1 |
|
|
62 |
17.25 |
16 |
14 |
43.2 |
50.5 |
6000 |
7500 |
0.231 |
0.37 |
1.6 |
0.9 |
30206 |
13.8 |
1 |
1 |
36 |
37 |
53 |
56 |
58 |
2 |
3.5 |
1 |
1 |
|
|
62 |
21.25 |
20 |
17 |
51.8 |
63.8 |
6000 |
7500 |
0.287 |
0.37 |
1.6 |
0.9 |
32206 |
15.6 |
1 |
1 |
36 |
36 |
52 |
56 |
58 |
3 |
4.5 |
1 |
1 |
|
|
62 |
25 |
25 |
19.5 |
63.8 |
75.5 |
6000 |
7500 |
0.342 |
0.34 |
1.8 |
1 |
33206 |
15.7 |
1 |
1 |
36 |
36 |
53 |
56 |
59 |
5 |
5.5 |
1 |
1 |
|
|
72 |
20.75 |
19 |
16 |
59.0 |
63.0 |
5600 |
7000 |
0.387 |
0.31 |
1.9 |
1.1 |
30306 |
15.3 |
1.5 |
1.5 |
37 |
40 |
62 |
65 |
66 |
3 |
5 |
1.5 |
1.5 |
|
|
72 |
20.75 |
19 |
14 |
52.5 |
60.5 |
5600 |
7000 |
0.392 |
0.83 |
0.7 |
0.4 |
31306 |
23.1 |
1.5 |
1.5 |
37 |
37 |
55 |
65 |
68 |
3 |
7 |
1.5 |
1.5 |
|
|
72 |
28.75 |
17 |
23 |
81.5 |
96.5 |
5600 |
7000 |
0.562 |
0.31 |
1.9 |
1.1 |
32306 |
18.9 |
1.5 |
1.5 |
37 |
38 |
59 |
65 |
66 |
4 |
6 |
1.5 |
1.5 |
|
|
|
|
|
|
|
|
|
|
|
|
|
|
|
|
|
|
|
|
|
|
|
|
|
|
|
|
32 |
52 |
14 |
14 |
10 |
23.8 |
32.5 |
6300 |
8000 |
0.106 |
0.32 |
1.9 |
1 |
329/32 |
10.2 |
0.6 |
0.6 |
37 |
37 |
46 |
47 |
49 |
3 |
4 |
0.6 |
0.6 |
|
|
58 |
17 |
17 |
13 |
36.5 |
49.2 |
6000 |
7500 |
0.187 |
0.45 |
1.3 |
0.7 |
320/32 |
14.0 |
1 |
1 |
38 |
38 |
50 |
52 |
55 |
3 |
4 |
1 |
1 |
|
|
65 |
18.25 |
17 |
15 |
|
|
|
|
|
|
|
|
302/32 |
|
1 |
1 |
|
|
|
|
|
|
|
|
|
|
|
65 |
26 |
26 |
20.5 |
68.8 |
82.2 |
5600 |
7000 |
0.385 |
0.35 |
1.7 |
1 |
332/32 |
16.6 |
1 |
1 |
38 |
38 |
55 |
59 |
62 |
5 |
5.5 |
1 |
1 |
|
|
|
|
|
|
|
|
|
|
|
|
|
|
|
|
|
|
|
|
|
|
|
|
|
|
|
|
35 |
55 |
14 |
14 |
11.5 |
25.8 |
34.8 |
6000 |
7500 |
0.114 |
0.29 |
2.1 |
1.1 |
32907 |
10.1 |
0.6 |
0.6 |
40 |
40 |
49 |
50 |
52 |
3 |
2.5 |
0.6 |
0.6 |
|
|
62 |
18 |
17 |
15 |
33.8 |
47.2 |
5600 |
7000 |
0.21 |
0.29 |
2.1 |
1.1 |
32007 X2 |
14.0 |
1 |
1 |
— |
— |
— |
— |
— |
3 |
5 |
1 |
1 |
|
|
62 |
18 |
18 |
14 |
43.2 |
59.2 |
5600 |
7000 |
0.224 |
0.44 |
1.4 |
0.8 |
32007 |
15.1 |
1 |
1 |
41 |
40 |
54 |
56 |
59 |
4 |
4 |
1 |
1 |
|
|
62 |
21 |
21 |
17 |
46.8 |
63.2 |
5600 |
7000 |
0.254 |
0.31 |
2 |
1.1 |
33007 |
13.5 |
1 |
1 |
41 |
41 |
54 |
56 |
59 |
3 |
4 |
1 |
1 |
|
|
72 |
18.25 |
17 |
15 |
54.2 |
63.5 |
5300 |
6700 |
0.331 |
0.37 |
1.6 |
0.9 |
30207 |
15.3 |
1.5 |
1.5 |
42 |
44 |
62 |
65 |
67 |
3 |
3.5 |
1.5 |
1.5 |
|
|
72 |
24.25 |
23 |
19 |
70.5 |
89.5 |
5300 |
6700 |
0.445 |
0.37 |
1.6 |
0.9 |
32207 |
17.9 |
1.5 |
1.5 |
42 |
42 |
61 |
65 |
68 |
3 |
5.5 |
1.5 |
1.5 |
|
|
72 |
28 |
28 |
22 |
82.5 |
102 |
5300 |
6700 |
0.515 |
0.35 |
1.7 |
0.9 |
33207 |
18.2 |
1.5 |
1.5 |
42 |
42 |
61 |
65 |
68 |
5 |
6 |
1.5 |
1.5 |
|
|
80 |
22.75 |
21 |
18 |
75.2 |
82.5 |
5000 |
6300 |
0.515 |
0.31 |
1.9 |
1.1 |
30307 |
16.8 |
2 |
1.5 |
44 |
45 |
70 |
71 |
74 |
3 |
5 |
2 |
1.5 |
|
|
80 |
22.75 |
21 |
15 |
65.8 |
76.8 |
5000 |
6300 |
0.514 |
0.83 |
0.7 |
0.4 |
31307 |
25.8 |
2 |
1.5 |
44 |
42 |
62 |
71 |
76 |
4 |
8 |
2 |
1.5 |
|
|
80 |
32.75 |
31 |
25 |
99.0 |
118 |
5000 |
6300 |
0.763 |
0.31 |
1.9 |
1.1 |
32307 |
20.4 |
2 |
1.5 |
44 |
43 |
66 |
71 |
74 |
4 |
8.5 |
2 |
1.5 |
|
|
|
|
|
|
|
|
|
|
|
|
|
|
|
|
|
|
|
|
|
|
|
|
|
|
|
|
40 |
62 |
15 |
14 |
12 |
21.2 |
28.2 |
5600 |
7000 |
0.14 |
0.28 |
2.1 |
1.2 |
32908 X2 |
12.0 |
0.6 |
0.6 |
— |
— |
— |
— |
— |
3 |
5 |
0.6 |
0.6 |
|
|
62 |
15 |
15 |
12 |
31.5 |
46.0 |
5600 |
7000 |
0.155 |
0.29 |
2.1 |
1.1 |
32908 |
11.1 |
0.6 |
0.6 |
45 |
45 |
55 |
57 |
59 |
3 |
3 |
0.6 |
0.6 |
|
|
68 |
19 |
18 |
16 |
39.8 |
55.2 |
5300 |
6700 |
0.27 |
0.3 |
2 |
1.1 |
32008 X2 |
15.0 |
1 |
1 |
— |
— |
— |
— |
— |
3 |
5 |
1 |
1 |
|
|
68 |
19 |
19 |
14.5 |
51.8 |
71.0 |
5300 |
6700 |
0.267 |
0.38 |
1.6 |
0.9 |
32008 |
14.9 |
1 |
1 |
46 |
46 |
60 |
62 |
65 |
4 |
4.5 |
1 |
1 |
|
|
68 |
22 |
22 |
18 |
60.2 |
79.5 |
5300 |
6700 |
0.306 |
0.28 |
2.1 |
1.2 |
33008 |
14.1 |
1 |
1 |
46 |
46 |
60 |
62 |
64 |
3 |
4 |
1 |
1 |
|
|
75 |
26 |
26 |
20.5 |
84.8 |
110 |
5000 |
6300 |
0.496 |
0.36 |
1.7 |
0.9 |
33108 |
18.0 |
1.5 |
1.5 |
47 |
47 |
65 |
68 |
71 |
4 |
5.5 |
1.5 |
1.5 |
|
|
80 |
19.75 |
18 |
16 |
63.0 |
74.0 |
5000 |
6300 |
0.422 |
0.37 |
1.6 |
0.9 |
30208 |
16.9 |
1.5 |
1.5 |
47 |
49 |
69 |
73 |
75 |
3 |
4 |
1.5 |
1.5 |
|
|
80 |
24.75 |
23 |
19 |
77.8 |
77.2 |
5000 |
6300 |
0.532 |
0.37 |
1.6 |
0.9 |
32208 |
18.9 |
1.5 |
1.5 |
47 |
48 |
68 |
73 |
75 |
3 |
6 |
1.5 |
1.5 |
|
|
80 |
32 |
32 |
25 |
105 |
135 |
5000 |
6300 |
0.715 |
0.36 |
1.7 |
0.9 |
33208 |
20.8 |
1.5 |
1.5 |
47 |
47 |
67 |
73 |
76 |
5 |
7 |
1.5 |
1.5 |
|
|
90 |
25.25 |
23 |
20 |
90.8 |
108 |
4500 |
5600 |
0.747 |
0.35 |
1.7 |
1 |
30308 |
19.5 |
2 |
1.5 |
49 |
52 |
77 |
81 |
84 |
3 |
5.5 |
2 |
1.5 |
|
|
90 |
25.25 |
23 |
17 |
81.5 |
96.5 |
4500 |
5600 |
0.727 |
0.83 |
0.7 |
0.4 |
31308 |
29.0 |
2 |
1.5 |
49 |
48 |
71 |
81 |
87 |
4 |
8.5 |
2 |
1.5 |
|
|
90 |
35.25 |
33 |
27 |
115 |
148 |
4500 |
5600 |
1.04 |
0.35 |
1.7 |
1 |
32308 |
23.3 |
2 |
1.5 |
49 |
49 |
73 |
81 |
83 |
4 |
8.5 |
2 |
1.5 |

