|
深沟球轴承 (GB/T 276—2013) |
||||||||||||||||
|
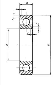
深沟球轴承60000型 |
应用 主要承受纯径向载荷,
也可承受一定的轴向 载荷,承受纯径向载 荷时,接触角为零。 当径向游隙加大时, 具有角接触球轴承的 功能,可承受较大的 轴向载荷。结构简单, 使用方便,应用广泛。 |
|||||||||||||||
|
基本尺寸 /mm |
基本额定载荷 /kN |
极限转速 /r·min-1 |
重量 /kg |
轴承 代号 |
其他尺寸 /mm |
安装尺寸 /mm |
球径 /mm |
球数 |
||||||||
|
d |
D |
B |
Cr |
C0r |
脂 |
油 |
W ≈ |
60000型 |
d2 ≈ |
D2 ≈ |
r min |
da min |
Da max |
ra max |
Dw |
Z |
|
150 |
190 |
20 |
49.1 |
57.1 |
2800 |
3400 |
1.114 |
61830 |
162.3 |
177.8 |
1.1 |
157 |
183 |
1 |
11.906 |
25 |
|
|
210 |
28 |
84.7 |
90.2 |
2600 |
3200 |
2.454 |
61930 |
168.6 |
191.4 |
2 |
160 |
180 |
2 |
17.462 |
18 |
|
|
225 |
24 |
91.9 |
98.5 |
2200 |
3000 |
2.638 |
16030 |
175.6 |
199.4 |
1.1 |
157 |
218 |
1 |
18.256 |
18 |
|
|
225 |
35 |
132 |
125 |
2200 |
3000 |
3.903 |
6030 |
172.0 |
203.0 |
2.1 |
162 |
213 |
2.1 |
23.812 |
14 |
|
|
270 |
45 |
203 |
199 |
1900 |
2600 |
9.78 |
6230 |
189.0 |
231.0 |
3 |
164 |
256 |
2.5 |
35 |
11 |
|
|
320 |
65 |
288 |
295 |
1700 |
2200 |
21.87 |
6330 |
203.6 |
266.5 |
4 |
168 |
302 |
3 |
52.388 |
8 |
|
|
|
|
|
|
|
|
|
|
|
|
|
|
|
|
|
|
|
160 |
200 |
20 |
49.6 |
59.1 |
2600 |
3200 |
1.176 |
61832 |
172.3 |
187.8 |
1.1 |
167 |
193 |
1 |
11.906 |
26 |
|
|
220 |
28 |
86.9 |
95.5 |
2400 |
3000 |
2.589 |
61932 |
178.6 |
201.4 |
2 |
170 |
190 |
2 |
17.462 |
19 |
|
|
240 |
25 |
98.7 |
107 |
2000 |
2800 |
2.835 |
16032 |
187.6 |
212.4 |
1.5 |
169 |
231 |
1.5 |
19.05 |
18 |
|
|
240 |
38 |
145 |
138 |
2000 |
2800 |
4.83 |
6032 |
183.8 |
216.3 |
2.1 |
172 |
228 |
2.1 |
25 |
14 |
|
|
290 |
48 |
215 |
218 |
1800 |
2400 |
12.22 |
6232 |
203.1 |
246.9 |
3 |
174 |
276 |
2.5 |
36.512 |
11 |
|
|
340 |
68 |
313 |
340 |
1600 |
2000 |
26.43 |
6332 |
221.6 |
284.5 |
4 |
178 |
322 |
3 |
52.388 |
9 |
|
|
|
|
|
|
|
|
|
|
|
|
|
|
|
|
|
|
|
170 |
215 |
22 |
61.5 |
73.3 |
2200 |
3000 |
1.545 |
61834 |
183.7 |
201.3 |
1.1 |
177 |
208 |
1 |
13.494 |
25 |
|
|
230 |
28 |
88.8 |
100 |
2000 |
2800 |
2.725 |
61934 |
188.6 |
211.4 |
2 |
180 |
220 |
2 |
17.462 |
20 |
|
|
260 |
28 |
118 |
130 |
1900 |
2600 |
4.157 |
16034 |
201.4 |
228.7 |
1.5 |
179 |
251 |
1.5 |
21 |
18 |
|
|
260 |
42 |
170 |
170 |
1900 |
2600 |
6.50 |
6034 |
196.8 |
233.2 |
2.1 |
182 |
248 |
2.1 |
28 |
14 |
|
|
310 |
52 |
245 |
260 |
1700 |
2200 |
15.241 |
6234 |
216.0 |
264.0 |
4 |
188 |
292 |
3 |
40 |
11 |
|
|
360 |
72 |
335 |
378 |
1500 |
1900 |
31.14 |
6334 |
237.0 |
303.0 |
4 |
188 |
342 |
3 |
55 |
9 |
|
|
|
|
|
|
|
|
|
|
|
|
|
|
|
|
|
|
|
180 |
225 |
22 |
62.3 |
75.9 |
2000 |
2800 |
1.621 |
61836 |
193.7 |
211.3 |
1.1 |
187 |
218 |
1 |
13.494 |
26 |
|
|
250 |
33 |
118 |
133 |
1900 |
2600 |
4.062 |
61936 |
201.6 |
228.5 |
2 |
190 |
240 |
2 |
20.638 |
19 |
|
|
280 |
31 |
144 |
157 |
1800 |
2400 |
5.135 |
16036 |
214.5 |
245.5 |
2 |
190 |
270 |
2 |
23.812 |
17 |
|
|
280 |
46 |
188 |
198 |
1800 |
2400 |
8.51 |
6036 |
212.4 |
251.6 |
2.1 |
192 |
268 |
2.1 |
30.162 |
14 |
|
|
320 |
52 |
262 |
285 |
1600 |
2000 |
15.518 |
6236 |
227.5 |
277.9 |
4 |
198 |
302 |
3 |
42 |
11 |
|
|
380 |
75 |
|
|
|
|
|
6336 |
|
|
4 |
|
|
|
|
|
|
|
|
|
|
|
|
|
|
|
|
|
|
|
|
|
|
|
|
190 |
240 |
24 |
75.1 |
91.6 |
1900 |
2600 |
2.1 |
61838 |
205.2 |
224.9 |
1.5 |
199 |
231 |
1.5 |
15.081 |
25 |
|
|
260 |
33 |
117 |
133 |
1800 |
2400 |
4.216 |
61938 |
211.6 |
238.5 |
2 |
200 |
250 |
2 |
20.638 |
19 |
|
|
290 |
31 |
149 |
168 |
1700 |
2200 |
5.429 |
16038 |
224.5 |
255.5 |
2 |
200 |
280 |
2 |
23.812 |
18 |
|
|
290 |
46 |
188 |
200 |
1700 |
2200 |
8.865 |
6038 |
220.4 |
259.7 |
2.1 |
202 |
278 |
2.1 |
30.162 |
14 |
|
|
340 |
55 |
285 |
322 |
1500 |
1900 |
18.691 |
6238 |
241.2 |
294.6 |
4 |
208 |
322 |
3 |
44.45 |
11 |
|
|
400 |
78 |
|
|
|
|
|
6338 |
|
|
5 |
|
|
|
|
|
|
|
|
|
|
|
|
|
|
|
|
|
|
|
|
|
|
|
|
200 |
250 |
24 |
74.2 |
91.2 |
1800 |
2400 |
2.178 |
61840 |
215.2 |
234.9 |
1.5 |
209 |
241 |
1.5 |
15.081 |
25 |
|
|
280 |
38 |
149 |
168 |
1700 |
2200 |
5.879 |
61940 |
224.5 |
255.5 |
2.1 |
212 |
268 |
2.1 |
23.812 |
18 |
|
|
310 |
34 |
167 |
191 |
1800 |
2000 |
6.624 |
16040 |
238.5 |
271.6 |
2 |
210 |
300 |
2 |
25.4 |
18 |
|
|
310 |
51 |
205 |
225 |
1600 |
2000 |
11.64 |
6040 |
234.2 |
275.8 |
2.1 |
212 |
298 |
2.1 |
32 |
14 |
|
|
360 |
58 |
288 |
332 |
1400 |
1800 |
22.577 |
6240 |
253.0 |
307.0 |
4 |
218 |
342 |
3 |
45 |
11 |
|
|
420 |
80 |
|
|
|
|
|
6340 |
|
|
5 |
|
|
|
|
|
|
|
|
|
|
|
|
|
|
|
|
|
|
|
|
|
|
|
|
220 |
270 |
24 |
76.4 |
97.8 |
1700 |
2200 |
2.369 |
61844 |
235.2 |
254.9 |
1.5 |
229 |
261 |
1.5 |
15.081 |
27 |
|
|
300 |
38 |
152 |
178 |
1600 |
2000 |
6.340 |
61944 |
244.5 |
275.5 |
2.1 |
232 |
288 |
2.1 |
23.812 |
19 |
|
|
340 |
37 |
181 |
216 |
1400 |
1800 |
9.285 |
16044 |
262.5 |
297.6 |
2.1 |
232 |
328 |
2.1 |
26.988 |
18 |
|
|
340 |
56 |
252 |
268 |
1400 |
1800 |
18.0 |
6044 |
257.0 |
304.0 |
3 |
234 |
326 |
2.5 |
— |
— |
|
|
400 |
65 |
355 |
365 |
1200 |
1600 |
36.5 |
6244 |
282.0 |
336.0 |
4 |
238 |
382 |
3 |
— |
— |
|
|
460 |
88 |
|
|
|
|
|
6344 |
|
|
5 |
|
|
|
|
|
|
|
|
|
|
|
|
|
|
|
|
|
|
|
|
|
|
|
|
240 |
300 |
28 |
83.5 |
108 |
1500 |
1900 |
4.50 |
61848 |
259.0 |
282 |
2 |
250 |
290 |
2 |
— |
— |
|
|
320 |
38 |
142 |
178 |
1400 |
1800 |
8.2 |
61948 |
266.0 |
294.0 |
2.1 |
252 |
308 |
2.1 |
— |
— |
|
|
360 |
37 |
172 |
210 |
1200 |
1600 |
14.5 |
16048 |
281.0 |
319 |
2.1 |
252 |
348 |
2.1 |
— |
— |
|
|
360 |
56 |
270 |
292 |
1200 |
1600 |
20.0 |
6048 |
277.0 |
324 |
3 |
254 |
346 |
2.5 |
— |
— |
|
|
440 |
72 |
358 |
467 |
1000 |
1400 |
53.9 |
6248 |
308.0 |
373 |
4 |
258 |
422 |
3 |
— |
— |
|
|
500 |
95 |
|
|
|
|
|
6348 |
|
|
5 |
|
|
|
|
|
|
|
|
|
|
|
|
|
|
|
|
|
|
|
|
|
|
|
|
260 |
320 |
28 |
95 |
128 |
1300 |
1700 |
4.85 |
61852 |
279.0 |
302.0 |
2 |
270 |
310 |
2 |
— |
— |
|
|
360 |
46 |
210 |
268 |
1200 |
1600 |
13.70 |
61952 |
292.0 |
328.0 |
2.1 |
272 |
348 |
2.1 |
— |
— |
|
|
400 |
44 |
235 |
310 |
1100 |
1500 |
22.5 |
16052 |
306.0 |
354.0 |
3 |
274 |
386 |
2.5 |
— |
— |
|
|
400 |
65 |
292 |
372 |
1100 |
1500 |
28.80 |
6052 |
304.0 |
357.0 |
4 |
278 |
382 |
3 |
— |
— |
|
|
480 |
80 |
|
|
|
|
|
6252 |
|
|
5 |
|
|
|
|
|
|
|
540 |
102 |
|
|
|
|
|
6352 |
|
|
6 |
|
|
|
|
|
|
|
|
|
|
|
|
|
|
|
|
|
|
|
|
|
|
|
|
280 |
350 |
33 |
135 |
178 |
1200 |
1600 |
7.4 |
61856 |
302.0 |
329.0 |
2 |
290 |
340 |
2 |
— |
— |
|
|
380 |
46 |
210 |
268 |
1100 |
1400 |
15.0 |
61956 |
312.0 |
349.0 |
2.1 |
292 |
368 |
2.1 |
— |
— |
|
|
420 |
65 |
305 |
408 |
950 |
1300 |
32.10 |
6056 |
324.0 |
376.0 |
4 |
298 |
402 |
3 |
— |
— |
|
|
420 |
44 |
|
|
|
|
|
16056 |
|
|
3 |
|
|
|
|
|
|
|
500 |
80 |
|
|
|
|
|
6256 |
|
|
5 |
|
|
|
|
|
|
|
580 |
108 |
|
|
|
|
|
6356 |
|
|
6 |
|
|
|
|
|
|
|
|
|
|
|
|
|
|
|
|
|
|
|
|
|
|
|
|
300 |
380 |
38 |
162 |
222 |
1100 |
1400 |
11.0 |
61860 |
326.0 |
356.0 |
2.1 |
312 |
368 |
2.1 |
— |
— |
|
|
420 |
56 |
270 |
370 |
1000 |
1300 |
21.10 |
61960 |
338.0 |
382.0 |
3 |
314 |
406 |
2.5 |
— |
— |
|
|
460 |
50 |
|
|
|
|
|
16060 |
|
|
4 |
|
|
|
|
|
|
|
460 |
74 |
|
|
|
|
|
6060 |
|
|
4 |
|
|
|
|
|
|
|
540 |
85 |
|
|
|
|
|
6260 |
|
|
5 |
|
|
|
|
|
|
|
|
|
|
|
|
|
|
|
|
|
|
|
|
|
|
|
|
320 |
400 |
38 |
168 |
235 |
1000 |
1300 |
11.80 |
61864 |
346.0 |
375.0 |
2.1 |
332 |
388 |
2.1 |
— |
— |
|
|
440 |
56 |
275 |
392 |
950 |
1200 |
23.0 |
61964 |
358.0 |
402.0 |
3 |
334 |
426 |
2.5 |
— |
— |
|
|
480 |
74 |
345 |
510 |
900 |
1100 |
48.4 |
6064 |
370.0 |
431.0 |
4 |
338 |
462 |
3 |
— |
— |
|
|
480 |
50 |
|
|
|
|
|
16064 |
|
|
4 |
|
|
|
|
|
|
|
580 |
92 |
|
|
|
|
|
6264 |
|
|
5 |
|
|
|
|
|
|
|
|
|
|
|
|
|
|
|
|
|
|
|
|
|
|
|
|
340 |
420 |
38 |
|
|
|
|
|
61868 |
|
|
2.1 |
|
|
|
|
|
|
460 |
56 |
292 |
418 |
900 |
1100 |
27.0 |
61968 |
378.0 |
422.0 |
3 |
354 |
446 |
2.5 |
— |
— |
|
|
|
520 |
57 |
|
|
|
|
|
16068 |
|
|
4 |
|
|
|
|
|
|
|
520 |
82 |
|
|
|
|
|
6068 |
|
|
5 |
|
|
|
|
|
|
|
|
|
|
|
|
|
|
|
|
|
|
|
|
|
|
|
|
360 |
440 |
38 |
|
|
|
|
|
61872 |
|
|
2.1 |
|
|
|
|
|
|
540 |
82 |
400 |
622 |
750 |
950 |
68.0 |
6072 |
416.0 |
485.0 |
5 |
382 |
518 |
4 |
— |
— |
|
|
|
480 |
56 |
|
|
|
|
|
61972 |
|
|
3 |
|
|
|
|
|
|
|
540 |
57 |
|
|
|
|
|
16072 |
|
|
4 |
|
|
|
|
|
|
|
|
|
|
|
|
|
|
|
|
|
|
|
|
|
|
|
|
380 |
480 |
46 |
235 |
348 |
800 |
1000 |
20.5 |
61876 |
412.0 |
449.0 |
2.1 |
392 |
468 |
2.1 |
— |
— |
|
|
520 |
65 |
|
|
|
|
|
61976 |
|
|
4 |
|
|
|
|
|
|
|
560 |
57 |
|
|
|
|
|
16076 |
|
|
4 |
|
|
|
|
|
|
|
560 |
82 |
|
|
|
|
|
6076 |
|
|
5 |
|
|
|
|
|
|
|
|
|
|
|
|
|
|
|
|
|
|
|
|
|
|
|
|
400 |
500 |
46 |
|
|
|
|
|
61880 |
|
|
2.1 |
|
|
|
|
|
|
600 |
90 |
512 |
868 |
630 |
800 |
89.4 |
6080 |
462.0 |
536.0 |
5 |
422 |
478 |
4 |
— |
— |
|
|
|
540 |
65 |
|
|
|
|
|
61980 |
|
|
4 |
|
|
|
|
|
|
|
|
|
|
|
|
|
|
|
|
|
|
|
|
|
|
|
|
420 |
520 |
46 |
|
|
|
|
|
61884 |
|
|
2.1 |
|
|
|
|
|
|
560 |
65 |
|
|
|
|
|
61984 |
|
|
4 |
|
|
|
|
|
|
|
|
620 |
90 |
|
|
|
|
|
6084 |
|
|
|
|
|
|
|
|
|
|
|
|
|
|
|
|
|
|
|
|
|
|
|
|
|
|
|
440 |
540 |
46 |
|
|
|
|
|
61888 |
|
|
2.1 |
|
|
|
|
|
|
600 |
74 |
|
|
|
|
|
61988 |
|
|
4 |
|
|
|
|
|
|
|
|
650 |
94 |
|
|
|
|
|
6088 |
|
|
6 |
|
|
|
|
|
|
|
|
|
|
|
|
|
|
|
|
|
|
|
|
|
|
|
|
460 |
580 |
56 |
322 |
538 |
600 |
750 |
36.28 |
61892 |
498.0 |
542.0 |
3 |
474 |
566 |
2.5 |
— |
— |
|
|
620 |
74 |
|
|
|
|
|
61992 |
|
|
4 |
|
|
|
|
|
|
|
680 |
100 |
|
|
|
|
|
6092 |
|
|
6 |
|
|
|
|
|
|
|
|
|
|
|
|
|
|
|
|
|
|
|
|
|
|
|
|
480 |
600 |
56 |
|
|
|
|
|
61896 |
|
|
3 |
|
|
|
|
|
|
650 |
78 |
|
|
|
|
|
61996 |
|
|
5 |
|
|
|
|
|
|
|
|
700 |
100 |
|
|
|
|
|
6096 |
|
|
6 |
|
|
|
|
|
|
|
|
|
|
|
|
|
|
|
|
|
|
|
|
|
|
|
|
500 |
620 |
56 |
|
|
|
|
|
618/500 |
|
|
3 |
|
|
|
|
|
|
670 |
78 |
445 |
808 |
500 |
630 |
79.50 |
619/500 |
555.0 |
615.0 |
5 |
522 |
648 |
4 |
— |
— |
|
|
|
720 |
100 |
625 |
1178 |
450 |
560 |
117.00 |
60/500 |
568.0 |
650.0 |
6 |
528 |
692 |
5 |
— |
— |
|
|
|
|
|
|
|
|
|
|
|
|
|
|
|
|
|
|
|
530 |
650 |
56 |
|
|
|
|
|
618/530 |
|
|
3 |
|
|
|
|
|
|
710 |
82 |
|
|
|
|
|
619/530 |
|
|
5 |
|
|
|
|
|
|
|
|
|
|
|
|
|
|
|
|
|
|
|
|
|
|
|
|
|
560 |
680 |
56 |
|
|
|
|
|
618/560 |
|
|
3 |
|
|
|
|
|
|
750 |
85 |
|
|
|
|
|
619/560 |
|
|
5 |
|
|
|
|
|
|
|
|
|
|
|
|
|
|
|
|
|
|
|
|
|
|
|
|
|
600 |
730 |
60 |
|
|
|
|
|
618/600 |
|
|
3 |
|
|
|
|
|
|
800 |
90 |
|
|
|
|
|
619/600 |
|
|
5 |
|
|
|
|
|
|
|
|
|
|
|
|
|
|
|
|
|
|
|
|
|
|
|
|
|
630 |
780 |
69 |
|
|
|
|
|
618/630 |
|
|
4 |
|
|
|
|
|
|
850 |
100 |
|
|
|
|
|
619/630 |
|
|
6 |
|
|
|
|
|
|
|
|
|
|
|
|
|
|
|
|
|
|
|
|
|
|
|
|
|
670 |
820 |
69 |
|
|
|
|
|
618/670 |
|
|
4 |
|
|
|
|
|
|
900 |
103 |
|
|
|
|
|
619/670 |
|
|
6 |
|
|
|
|
|
|
|
|
|
|
|
|
|
|
|
|
|
|
|
|
|
|
|
|
|
710 |
870 |
74 |
|
|
|
|
|
618/710 |
|
|
4 |
|
|
|
|
|
|
950 |
106 |
|
|
|
|
|
619/710 |
|
|
6 |
|
|
|
|
|
|
|
|
|
|
|
|
|
|
|
|
|
|
|
|
|
|
|
|
|
750 |
920 |
78 |
|
|
|
|
|
618/750 |
|
|
5 |
|
|
|
|
|
|
1000 |
112 |
|
|
|
|
|
619/750 |
|
|
6 |
|
|
|
|
|
|
|
|
|
|
|
|
|
|
|
|
|
|
|
|
|
|
|
|
|
800 |
980 |
82 |
|
|
|
|
|
618/800 |
|
|
5 |
|
|
|
|
|
|
1060 |
115 |
|
|
|
|
|
619/800 |
|
|
6 |
|
|
|
|
|
|
|
|
|
|
|
|
|
|
|
|
|
|
|
|
|
|
|
|
|
850 |
1030 |
82 |
|
|
|
|
|
618/850 |
|
|
5 |
|
|
|
|
|
|
|
|
|
|
|
|
|
|
|
|
|
|
|
|
|
|
|
|
900 |
1090 |
85 |
|
|
|
|
|
618/900 |
|
|
5 |
|
|
|
|
|
|
|
|
|
|
|
|
|
|
|
|
|
|
|
|
|
|
|
|
950 |
1150 |
90 |
|
|
|
|
|
618/950 |
|
|
5 |
|
|
|
|
|
|
|
|
|
|
|
|
|
|
|
|
|
|
|
|
|
|
|
|
1000 |
1220 |
100 |
|
|
|
|
|
618/1000 |
|
|
6 |
|
|
|
|
|
|
|
|
|
|
|
|
|
|
|
|
|
|
|
|
|
|
|
|
1060 |
1280 |
100 |
|
|
|
|
|
618/1060 |
|
|
6 |
|
|
|
|
|
|
|
|
|
|
|
|
|
|
|
|
|
|
|
|
|
|
|
|
1120 |
1360 |
106 |
|
|
|
|
|
618/1120 |
|
|
6 |
|
|
|
|
|
|
|
|
|
|
|
|
|
|
|
|
|
|
|
|
|
|
|
|
1180 |
1420 |
106 |
|
|
|
|
|
618/1180 |
|
|
6 |
|
|
|
|
|
|
|
|
|
|
|
|
|
|
|
|
|
|
|
|
|
|
|
|
1250 |
1500 |
112 |
|
|
|
|
|
618/1250 |
|
|
6 |
|
|
|
|
|
|
|
|
|
|
|
|
|
|
|
|
|
|
|
|
|
|
|
|
1320 |
1600 |
122 |
|
|
|
|
|
618/1320 |
|
|
6 |
|
|
|
|
|
|
|
|
|
|
|
|
|
|
|
|
|
|
|
|
|
|
|
|
1400 |
1700 |
132 |
|
|
|
|
|
618/1400 |
|
|
7.5 |
|
|
|
|
|
|
|
|
|
|
|
|
|
|
|
|
|
|
|
|
|
|
|
|
1500 |
1820 |
140 |
|
|
|
|
|
618/1500 |
|
|
7.5 |
|
|
|
|
|
|
注:深沟球轴承有双列型,系列4200A,4300A(A表示无装球缺口),它具有除高于单列深沟球轴承1.62倍的径向承载能力外,还可承受轴向载荷。 |
||||||||||||||||

