|
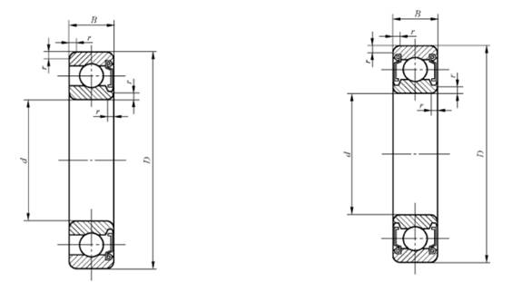
带防尘盖的深沟球轴承 (GB/T 276—2013) |
|||||||||||||||||
|
一面带防尘盖的深沟轴承60000-Z型 两面带防尘盖的深沟球轴承60000-2Z型 |
|||||||||||||||||
|
符号含义及应用 Z—一面带防尘盖 2Z—两面带防尘盖 用于单独润滑较困难、安置润滑油路和检查润滑不方便的情况。制造厂已填注定量、定牌号防锈、润滑两用锂基脂,安装时不需清洗和添加润滑剂。 注:新(尺寸)标准GB/T 276-2013修改了图形的局部结构。本表按《全国滚动轴承产品样本》第2版未作修改。 |
|||||||||||||||||
|
基本尺寸 /mm |
基本额定载荷 /kN |
极限转速 /r·min-1 |
重量 /kg |
轴承代号 |
其他尺寸 /mm |
安装尺寸 /mm |
球径 /mm |
球数 |
|||||||||
|
d |
D |
B |
Cr |
C0r |
脂 |
油 |
W ≈ |
60000-Z型 |
60000-2Z型 |
d2 ≈ |
D3 ≈ |
r min |
da min |
Da max |
ra max |
Dw |
Z |
|
1 |
4 |
1.6 |
|
|
|
|
|
619/1-Z |
619/1-2Z |
|
|
0.1 |
|
|
|
|
|
|
|
|
|
|
|
|
|
|
|
|
|
|
|
|
|
|
|
|
|
1.5 |
5 |
2 |
|
|
|
|
|
619/1.5-Z |
619/1.5-2Z |
|
|
0.15 |
|
|
|
|
|
|
|
|
|
|
|
|
|
|
|
|
|
|
|
|
|
|
|
|
|
2 |
6 |
2.3 |
|
|
|
|
|
619/2-Z |
619/2-2Z |
|
|
0.15 |
|
|
|
|
|
|
|
|
|
|
|
|
|
|
|
|
|
|
|
|
|
|
|
|
|
2.5 |
7 |
2.5 |
|
|
|
|
|
619/2.5-Z |
619/2.5-2Z |
|
|
0.15 |
|
|
|
|
|
|
|
|
|
|
|
|
|
|
|
|
|
|
|
|
|
|
|
|
|
3 |
6 |
2 |
|
|
|
|
|
617/3-Z |
617/3-2Z |
|
|
0.08 |
|
|
|
|
|
|
|
6 |
3 |
|
|
|
|
|
637/3-Z |
637/3-2Z |
|
|
0.08 |
|
|
|
|
|
|
8 |
3 |
0.45 |
0.15 |
38000 |
48000 |
0.0008 |
619/3-Z |
619/3-2Z |
4.5 |
6.8 |
0.15 |
4.2 |
6.8 |
0.15 |
— |
— |
|
|
|
10 |
4 |
0.65 |
0.22 |
38000 |
48000 |
0.002 |
623-Z |
623-2Z |
5.2 |
8.3 |
0.15 |
4.2 |
8.8 |
0.15 |
— |
— |
|
|
13 |
5 |
|
|
|
|
|
633-Z |
633-2Z |
|
|
0.2 |
|
|
|
|
|
|
|
|
|
|
|
|
|
|
|
|
|
|
|
|
|
|
|
|
|
4 |
7 |
2 |
|
|
|
|
|
617/4-Z |
617/4-2Z |
|
|
0.08 |
|
|
|
|
|
|
|
7 |
3 |
|
|
|
|
|
637/4-Z |
637/4-2Z |
|
|
0.08 |
|
|
|
|
|
|
9 |
3.5 |
0.55 |
0.18 |
38000 |
48000 |
0.0008 |
628/4-Z |
628/4-2Z |
5.52 |
7.8 |
0.1 |
4.8 |
8.2 |
0.1 |
— |
— |
|
|
|
11 |
4 |
0.95 |
0.35 |
36000 |
45000 |
0.002 |
619/4-Z |
619/4-2Z |
5.9 |
9.6 |
0.15 |
5.2 |
9.8 |
0.15 |
— |
— |
|
|
12 |
4 |
|
|
|
|
|
604-Z |
604-2Z |
|
|
0.2 |
|
|
|
|
|
|
|
13 |
5 |
1.15 |
0.4 |
36000 |
45000 |
0.0003 |
624-Z |
624-2Z |
6.7 |
10.8 |
0.2 |
5.6 |
11.4 |
0.2 |
— |
— |
|
|
16 |
5 |
1.88 |
0.68 |
32000 |
40000 |
0.005 |
634-Z |
634-2Z |
8.4 |
13.3 |
0.3 |
6.4 |
13.6 |
0.3 |
— |
— |
|
|
|
|
|
|
|
|
|
|
|
|
|
|
|
|
|
|
|
|
5 |
8 |
2 |
|
|
|
|
|
617/5-Z |
617/5-2Z |
|
|
0.08 |
|
|
|
|
|
|
|
8 |
3 |
|
|
|
|
|
637/5-Z |
637/5-2Z |
|
|
0.08 |
|
|
|
|
|
|
13 |
4 |
1.08 |
0.42 |
34000 |
43000 |
0.0025 |
619/5-Z |
619/5-2Z |
7.35 |
10.7 |
0.2 |
6.6 |
11.4 |
0.2 |
— |
— |
|
|
|
14 |
5 |
1.05 |
0.5 |
30000 |
38000 |
0.0045 |
605-Z |
605-2Z |
7.35 |
11.1 |
0.2 |
6.6 |
12.4 |
0.2 |
— |
— |
|
|
16 |
5 |
1.88 |
0.68 |
32000 |
40000 |
0.004 |
625-Z |
625-2Z |
8.4 |
13.3 |
0.3 |
7.4 |
13.6 |
0.3 |
— |
— |
|
|
19 |
6 |
2.80 |
1.02 |
28000 |
36000 |
0.008 |
635-Z |
635-2Z |
10.7 |
16.8 |
0.3 |
7.4 |
17.0 |
0.3 |
— |
— |
|
|
|
|
|
|
|
|
|
|
|
|
|
|
|
|
|
|
|
|
6 |
10 |
2.5 |
|
|
|
|
|
617/6-Z |
617/6-2Z |
|
|
0.1 |
|
|
|
|
|
|
|
10 |
3.5 |
|
|
|
|
|
637/6-Z |
637/6-2Z |
|
|
0.1 |
|
|
|
|
|
|
13 |
5 |
1.08 |
0.42 |
34000 |
43000 |
0.0021 |
628/6-Z |
628/6-2Z |
7.9 |
11.8 |
0.15 |
7.2 |
11.8 |
0.15 |
— |
— |
|
|
|
15 |
5 |
1.48 |
0.60 |
32000 |
40000 |
0.0045 |
619/6-Z |
619/6-2Z |
8.6 |
13 |
0.2 |
7.6 |
13.4 |
0.2 |
— |
— |
|
|
17 |
6 |
1.95 |
0.72 |
30000 |
38000 |
0.006 |
606-Z |
606-2Z |
9.0 |
14.7 |
0.3 |
8.4 |
14.6 |
0.3 |
— |
— |
|
|
19 |
6 |
2.80 |
1.05 |
28000 |
36000 |
0.008 |
626-Z |
626-2Z |
10.7 |
16.8 |
0.3 |
8.4 |
17.0 |
0.3 |
— |
— |
|
|
|
|
|
|
|
|
|
|
|
|
|
|
|
|
|
|
|
|
7 |
11 |
2.5 |
|
|
|
|
|
617/7-Z |
617/7-2Z |
|
|
0.1 |
|
|
|
|
|
|
|
11 |
3.5 |
|
|
|
|
|
634/7-Z |
637/7-2Z |
|
|
0.1 |
|
|
|
|
|
|
14 |
5 |
1.18 |
0.50 |
32000 |
40000 |
0.0024 |
628/7-Z |
628/7-2Z |
9.0 |
12.5 |
0.15 |
8.2 |
12.8 |
0.15 |
— |
— |
|
|
|
17 |
5 |
2.02 |
0.80 |
30000 |
38000 |
0.0057 |
619/7-Z |
619/7-2Z |
9.6 |
15.1 |
0.3 |
9.4 |
15.2 |
0.3 |
— |
— |
|
|
19 |
6 |
2.88 |
1.08 |
28000 |
36000 |
0.007 |
607-Z |
607-2Z |
10.7 |
16.5 |
0.3 |
9.4 |
16.6 |
0.3 |
— |
— |
|
|
22 |
7 |
3.28 |
1.35 |
26000 |
34000 |
0.014 |
627-Z |
627-2Z |
11.8 |
19.3 |
0.3 |
9.4 |
19.6 |
0.3 |
— |
— |
|
|
|
|
|
|
|
|
|
|
|
|
|
|
|
|
|
|
|
|
8 |
12 |
2.5 |
|
|
|
|
|
617/8-Z |
617/8-2 |
|
|
0.1 |
|
|
|
|
|
|
|
12 |
3.5 |
|
|
|
|
|
637/8-Z |
637/8-2Z |
|
|
0.1 |
|
|
|
|
|
|
16 |
5 |
1.32 |
0.65 |
30000 |
38000 |
0.004 |
628/8-Z |
628/8-2Z |
10.8 |
14.5 |
0.2 |
9.6 |
14.4 |
0.2 |
— |
— |
|
|
|
19 |
6 |
2.25 |
0.92 |
28000 |
36000 |
0.0085 |
619/8-Z |
619/8-2Z |
11.0 |
17.1 |
0.3 |
10.4 |
17.2 |
0.3 |
— |
— |
|
|
22 |
7 |
3.32 |
1.38 |
26000 |
34000 |
0.015 |
608-Z |
608-2Z |
11.8 |
19.3 |
0.3 |
10.4 |
19.6 |
0.3 |
— |
— |
|
|
24 |
8 |
3.35 |
1.40 |
24000 |
32000 |
0.016 |
628-Z |
628-2Z |
12.8 |
20.3 |
0.3 |
10.4 |
21.6 |
0.3 |
— |
— |
|
|
|
|
|
|
|
|
|
|
|
|
|
|
|
|
|
|
|
|
9 |
14 |
3 |
|
|
|
|
|
617/9-Z |
617/9-2Z |
|
|
0.1 |
|
|
|
|
|
|
|
14 |
3.5 |
|
|
|
|
|
637/9-Z |
637/9-2Z |
|
|
0.1 |
|
|
|
|
|
|
17 |
5 |
1.60 |
0.72 |
28000 |
36000 |
0.0042 |
628/9-Z |
628/9-2Z |
11.1 |
15.4 |
0.2 |
10.6 |
15.4 |
0.2 |
— |
— |
|
|
|
20 |
6 |
2.48 |
1.08 |
27000 |
34000 |
0.0092 |
619/9-Z |
619/9-2Z |
12.0 |
18.1 |
0.3 |
11.4 |
18.2 |
0.3 |
— |
— |
|
|
24 |
7 |
3.35 |
1.40 |
22000 |
30000 |
0.016 |
609-Z |
609-2Z |
14.2 |
20.3 |
0.3 |
11.4 |
21.6 |
0.3 |
— |
— |
|
|
26 |
8 |
4.45 |
1.95 |
22000 |
30000 |
0.019 |
629-Z |
629-2Z |
14.4 |
22.2 |
0.3 |
11.4 |
23.6 |
0.3 |
— |
— |
|
|
|
|
|
|
|
|
|
|
|
|
|
|
|
|
|
|
|
|
10 |
15 |
3 |
|
|
|
|
|
61700-Z |
61700-2Z |
|
|
0.1 |
|
|
|
|
|
|
|
15 |
4.5 |
|
|
|
|
|
63700-Z |
63700-2Z |
|
|
0.1 |
|
|
|
|
|
|
19 |
5 |
1.8 |
0.93 |
28000 |
36000 |
0.005 |
61800-Z |
61800-2Z |
12.6 |
17.3 |
0.3 |
12.0 |
17 |
0.3 |
2.381 |
11 |
|
|
|
19 |
6 |
1.6 |
0.75 |
26000 |
34000 |
0.0063 |
62800-Z |
62800-2Z |
12.6 |
16.4 |
0.3 |
12.0 |
17 |
0.3 |
— |
— |
|
|
22 |
6 |
2.7 |
1.3 |
25000 |
32000 |
0.008 |
61900-Z |
61900-2Z |
13.5 |
19.4 |
0.3 |
12.4 |
20 |
0.3 |
3.175 |
9 |
|
|
22 |
8 |
2.7 |
1.28 |
25000 |
32000 |
0.015 |
62900-Z |
62900-2Z |
13.5 |
18.5 |
0.3 |
12.4 |
20 |
0.3 |
— |
— |
|
|
26 |
8 |
4.58 |
1.98 |
22000 |
30000 |
0.020 |
6000-Z |
6000-2Z |
14.9 |
22.6 |
0.3 |
12.4 |
23.6 |
0.3 |
4.762 |
7 |
|
|
30 |
9 |
5.10 |
2.38 |
20000 |
26000 |
0.030 |
6200-Z |
6200-2Z |
17.4 |
25.2 |
0.6 |
15 |
26 |
0.6 |
4.762 |
8 |
|
|
35 |
11 |
7.65 |
3.48 |
18000 |
24000 |
0.050 |
6300-Z |
6300-2Z |
19.4 |
29.5 |
0.6 |
15 |
30 |
0.6 |
6.35 |
7 |
|
|
|
|
|
|
|
|
|
|
|
|
|
|
|
|
|
|
|
|
12 |
21 |
5 |
1.9 |
1.0 |
24000 |
32000 |
0.005 |
61801-Z |
61801-2Z |
14.6 |
19.3 |
0.3 |
14 |
19 |
0.3 |
2.381 |
12 |
|
|
24 |
6 |
2.9 |
1.5 |
22000 |
28000 |
0.008 |
61901-Z |
61901-2Z |
15.5 |
21.5 |
0.3 |
14.4 |
22 |
0.3 |
3.175 |
10 |
|
|
28 |
7 |
|
|
|
|
|
16001-Z |
16001-2Z |
|
|
0.3 |
|
|
|
|
|
|
|
28 |
8 |
5.10 |
2.38 |
20000 |
26000 |
0.022 |
6001-Z |
6001-2Z |
17.4 |
24.8 |
0.3 |
14.4 |
25.6 |
0.3 |
4.762 |
8 |
|
|
32 |
10 |
6.82 |
3.05 |
19000 |
24000 |
0.040 |
6201-Z |
6201-2Z |
18.3 |
28.0 |
0.6 |
17 |
28 |
0.6 |
5.953 |
7 |
|
|
37 |
12 |
9.72 |
5.08 |
17000 |
22000 |
0.060 |
6301-Z |
6301-2Z |
19.3 |
31.6 |
1 |
18 |
32 |
1 |
7.938 |
6 |
|
|
|
|
|
|
|
|
|
|
|
|
|
|
|
|
|
|
|
|
15 |
24 |
5 |
2.1 |
1.3 |
22000 |
30000 |
0.005 |
61802-Z |
61802-2Z |
17.6 |
22.3 |
0.3 |
17 |
22 |
0.3 |
2.381 |
14 |
|
|
28 |
7 |
4.3 |
2.3 |
20000 |
26000 |
0.012 |
61902-Z |
61902-2Z |
18.3 |
25.6 |
0.3 |
17.4 |
26 |
0.3 |
3.969 |
10 |
|
|
32 |
8 |
|
|
|
|
|
16002-Z |
16002-2Z |
|
|
0.3 |
|
|
|
|
|
|
|
32 |
9 |
5.58 |
2.85 |
19000 |
24000 |
0.030 |
6002-Z |
6002-2Z |
20.4 |
28.5 |
0.3 |
17.4 |
29.6 |
0.3 |
4.762 |
9 |
|
|
35 |
11 |
7.65 |
3.72 |
18000 |
22000 |
0.040 |
6202-Z |
6202-2Z |
21.6 |
31.3 |
0.6 |
20 |
32.0 |
0.6 |
5.953 |
8 |
|
|
42 |
13 |
11.5 |
5.42 |
16000 |
20000 |
0.080 |
6302-Z |
6302-2Z |
24.3 |
36.6 |
1 |
21 |
37 |
1 |
7.938 |
7 |
|
|
|
|
|
|
|
|
|
|
|
|
|
|
|
|
|
|
|
|
17 |
26 |
5 |
2.2 |
1.5 |
20000 |
28000 |
0.007 |
61803-Z |
61803-2Z |
19.6 |
24.3 |
0.3 |
19 |
24 |
0.3 |
2.381 |
16 |
|
|
30 |
7 |
4.6 |
2.6 |
19000 |
24000 |
0.014 |
61903-Z |
61903-2Z |
20.3 |
27.6 |
0.3 |
19.4 |
28 |
0.3 |
3.969 |
11 |
|
|
35 |
8 |
|
|
|
|
|
16003-Z |
16003-2Z |
|
|
0.3 |
|
|
|
|
|
|
|
35 |
10 |
6.00 |
3.25 |
17000 |
21000 |
0.040 |
6003-Z |
6003-2Z |
22.9 |
31.0 |
0.3 |
19.4 |
32.6 |
0.3 |
4.762 |
10 |
|
|
40 |
12 |
9.58 |
4.78 |
16000 |
20000 |
0.060 |
6203-Z |
6203-2Z |
24.6 |
35.3 |
0.6 |
22 |
36 |
0.6 |
6.747 |
8 |
|
|
47 |
14 |
13.5 |
6.58 |
15000 |
18000 |
0.110 |
6303-Z |
6303-2Z |
26.8 |
40.1 |
1 |
23 |
41 |
1 |
8.731 |
7 |
|
|
62 |
17 |
|
|
|
|
|
6403-Z |
6403-2Z |
|
|
1.1 |
|
|
|
|
|
|
|
|
|
|
|
|
|
|
|
|
|
|
|
|
|
|
|
|
|
20 |
32 |
7 |
3.5 |
2.2 |
18000 |
24000 |
0.015 |
61804-Z |
61804-2Z |
23.5 |
29.7 |
0.3 |
22.4 |
30 |
0.3 |
3.175 |
14 |
|
|
37 |
9 |
6.4 |
3.7 |
17000 |
22000 |
0.031 |
61904-Z |
61904-2Z |
25.2 |
32.9 |
0.3 |
22.4 |
34.6 |
0.3 |
4.762 |
11 |
|
|
42 |
8 |
|
|
|
|
|
16004-Z |
16004-2Z |
|
|
0.3 |
|
|
|
|
|
|
|
42 |
12 |
9.38 |
5.02 |
16000 |
19000 |
0.070 |
6004-Z |
6004-2Z |
26.9 |
37.0 |
0.6 |
25 |
38 |
0.6 |
6.35 |
9 |
|
|
47 |
14 |
12.8 |
6.65 |
14000 |
18000 |
0.10 |
6204-Z |
6204-2Z |
29.3 |
41.6 |
1 |
26 |
42 |
1 |
7.938 |
8 |
|
|
52 |
15 |
15.8 |
7.88 |
13000 |
16000 |
0.140 |
6304-Z |
6304-2Z |
29.8 |
44.4 |
1.1 |
27 |
45 |
1 |
9.525 |
7 |
|
|
72 |
19 |
|
|
|
|
|
6404-Z |
6404-2Z |
|
|
1.1 |
|
|
|
|
|
|
|
|
|
|
|
|
|
|
|
|
|
|
|
|
|
|
|
|
|
22 |
44 |
12 |
|
|
|
|
|
60/22-Z |
60/22-2Z |
|
|
0.6 |
|
|
|
|
|
|
|
50 |
14 |
|
|
|
|
|
62/22-Z |
62/22-2Z |
|
|
1 |
|
|
|
|
|
|
|
56 |
12 |
|
|
|
|
|
63/22-Z |
63/22-2Z |
|
|
1.1 |
|
|
|
|
|
|
|
|
|
|
|
|
|
|
|
|
|
|
|
|
|
|
|
|
|
25 |
37 |
7 |
4.3 |
2.9 |
16000 |
20000 |
0.017 |
61805-Z |
61805-2Z |
28.2 |
34.9 |
0.3 |
27.4 |
35 |
0.3 |
3.500 |
15 |
|
|
42 |
9 |
7.0 |
4.5 |
14000 |
18000 |
0.038 |
61905-Z |
61905-2Z |
30.2 |
37.9 |
0.3 |
27.4 |
40 |
0.3 |
4.762 |
13 |
|
|
47 |
8 |
|
|
|
|
|
16005-Z |
16005-2Z |
|
|
0.3 |
|
|
|
|
|
|
|
47 |
12 |
10.0 |
5.85 |
13000 |
17000 |
0.080 |
6005-Z |
6005-2Z |
31.9 |
42.0 |
0.6 |
30 |
43 |
0.6 |
6.35 |
10 |
|
|
52 |
15 |
14.0 |
7.88 |
12000 |
15000 |
0.120 |
6205-Z |
6205-2Z |
33.8 |
46.4 |
1 |
31 |
47 |
1 |
7.938 |
9 |
|
|
62 |
17 |
22.2 |
11.5 |
10000 |
14000 |
0.220 |
6305-Z |
6305-2Z |
36.0 |
53.2 |
1.1 |
32 |
55 |
1 |
11.5 |
7 |
|
|
80 |
21 |
|
|
|
|
|
6405-Z |
6405-2Z |
|
|
1.5 |
|
|
|
|
|
|
|
|
|
|
|
|
|
|
|
|
|
|
|
|
|
|
|
|
|
28 |
52 |
12 |
|
|
|
|
|
60/28-Z |
60/28-2Z |
|
|
0.6 |
|
|
|
|
|
|
|
58 |
16 |
|
|
|
|
|
62/28-Z |
62/28-2Z |
|
|
1 |
|
|
|
|
|
|
|
|
|
|
|
|
|
|
|
|
|
|
|
|
|
|
|
|
|
30 |
42 |
7 |
4.7 |
3.6 |
13000 |
17000 |
0.019 |
61806-Z |
61806-2Z |
33.2 |
39.9 |
0.3 |
32.4 |
40 |
0.3 |
3.500 |
18 |
|
|
47 |
9 |
7.2 |
5.0 |
12000 |
16000 |
0.043 |
61906-Z |
61906-2Z |
35.2 |
42.9 |
0.3 |
32.4 |
44.6 |
0.3 |
4.762 |
14 |
|
|
55 |
9 |
|
|
|
|
|
16006-Z |
16006-2Z |
|
|
0.3 |
|
|
|
|
|
|
|
55 |
13 |
13.2 |
8.3 |
11000 |
14000 |
0.120 |
6006-Z |
6006-2Z |
38.4 |
49.9 |
1 |
36 |
50 |
1 |
7.144 |
11 |
|
|
62 |
16 |
19.5 |
11.5 |
9500 |
13000 |
0.190 |
6206-Z |
6206-2Z |
40.8 |
54.4 |
1 |
36 |
56 |
1 |
9.525 |
9 |
|
|
72 |
19 |
27.0 |
15.2 |
9000 |
11000 |
0.350 |
6306-Z |
6306-2Z |
44.8 |
61.4 |
1.1 |
37 |
65 |
1 |
12 |
8 |
|
|
90 |
23 |
|
|
|
|
|
6406-Z |
6406-2Z |
|
|
1.5 |
|
|
|
|
|
|
|
|
|
|
|
|
|
|
|
|
|
|
|
|
|
|
|
|
|
32 |
58 |
13 |
|
|
|
|
|
60/32-Z |
60/32-2Z |
|
|
1 |
|
|
|
|
|
|
|
65 |
17 |
|
|
|
|
|
62/32-Z |
62/32-2Z |
|
|
1 |
|
|
|
|
|
|
|
75 |
20 |
|
|
|
|
|
63/32-Z |
63/2-2Z |
|
|
1.1 |
|
|
|
|
|
|
|
|
|
|
|
|
|
|
|
|
|
|
|
|
|
|
|
|
|
35 |
47 |
7 |
4.9 |
4.0 |
11000 |
15000 |
0.023 |
61807-Z |
61807-2Z |
38.2 |
44.9 |
0.3 |
37.4 |
45 |
0.3 |
3.500 |
20 |
|
|
55 |
10 |
9.5 |
6.8 |
10000 |
13000 |
0.078 |
61907-Z |
61907-2Z |
41.1 |
50.3 |
0.6 |
40 |
51 |
0.6 |
5.556 |
14 |
|
|
62 |
9 |
|
|
|
|
|
16007-Z |
16007-2Z |
|
|
0.3 |
|
|
|
|
|
|
|
62 |
14 |
16.2 |
10.5 |
9500 |
12000 |
0.160 |
6007-Z |
6007-2Z |
43.3 |
55.9 |
1 |
41 |
56 |
1 |
8 |
11 |
|
|
72 |
17 |
25.5 |
15.2 |
8500 |
11000 |
0.270 |
6207-Z |
6207-2Z |
46.8 |
62.4 |
1.1 |
42 |
65 |
1 |
11.112 |
9 |
|
|
80 |
21 |
33.4 |
19.2 |
8000 |
9500 |
0.420 |
6307-Z |
6307-2Z |
50.4 |
68.8 |
1.5 |
44 |
71 |
1.5 |
13.494 |
8 |
|
|
100 |
25 |
|
|
|
|
|
6407-Z |
6407-2Z |
|
|
1.5 |
|
|
|
|
|
|
|
|
|
|
|
|
|
|
|
|
|
|
|
|
|
|
|
|
|
40 |
52 |
7 |
5.1 |
4.4 |
10000 |
13000 |
0.026 |
61808-Z |
61808-2Z |
43.2 |
49.9 |
0.3 |
42.4 |
50 |
0.3 |
3.500 |
22 |
|
|
62 |
12 |
13.7 |
9.9 |
9500 |
12000 |
0.103 |
61908-Z |
61908-2Z |
46.3 |
57.1 |
0.6 |
45 |
58 |
0.6 |
6.747 |
14 |
|
|
68 |
9 |
|
|
|
|
|
16008-Z |
16008-2Z |
|
|
0.3 |
|
|
|
|
|
|
|
68 |
15 |
17.0 |
11.8 |
9000 |
11000 |
0.190 |
6008-Z |
6008-2Z |
48.8 |
61.4 |
1 |
46 |
62 |
1 |
8 |
12 |
|
|
80 |
18 |
29.5 |
18.0 |
8000 |
10000 |
0.370 |
6208-Z |
6208-2Z |
52.8 |
69.4 |
1.1 |
47 |
73 |
1 |
12 |
9 |
|
|
90 |
23 |
40.8 |
24.0 |
7000 |
8500 |
0.630 |
6308-Z |
6308-2Z |
56.5 |
77.0 |
1.5 |
49 |
81 |
1.5 |
15.081 |
8 |
|
|
110 |
27 |
|
|
|
|
|
6408-Z |
6408-2Z |
|
|
2 |
|
|
|
|
|

