|
深沟球轴承 (GB/T 276—2013) |
||||||||||||||||
|
深沟球轴承60000型 |
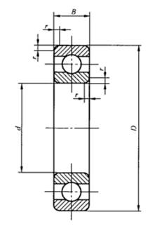
应用 主要承受纯径向载荷,
也可承受一定的轴向 载荷,承受纯径向载 荷时,接触角为零。 当径向游隙加大时, 具有角接触球轴承的 功能,可承受较大的 轴向载荷。结构简单, 使用方便,应用广泛。 |
|||||||||||||||
|
基本尺寸 /mm |
基本额定载荷 /kN |
极限转速 /r·min-1 |
重量 /kg |
轴承 代号 |
其他尺寸 /mm |
安装尺寸 /mm |
球径 /mm |
球数 |
||||||||
|
d |
D |
B |
Cr |
C0r |
脂 |
油 |
W ≈ |
60000型 |
d2 ≈ |
D2 ≈ |
r min |
da min |
Da max |
ra max |
Dw |
Z |
|
75 |
95 |
10 |
12.5 |
12.8 |
6000 |
7000 |
0.147 |
61815 |
81.1 |
88.9 |
0.6 |
79 |
91 |
0.6 |
5.556 |
26 |
|
|
105 |
16 |
24.3 |
22.5 |
5600 |
6700 |
0.355 |
61915 |
84.3 |
95.7 |
1 |
81 |
100 |
1 |
8.731 |
18 |
|
|
115 |
13 |
28.7 |
26.8 |
5300 |
6300 |
0.411 |
16015 |
88.8 |
101.2 |
0.6 |
80 |
110 |
0.6 |
9.525 |
18 |
|
|
115 |
20 |
40.2 |
33.2 |
5300 |
6300 |
0.603 |
6015 |
88.0 |
104.0 |
1.1 |
82 |
108 |
1 |
12.303 |
14 |
|
|
130 |
25 |
66.0 |
49.5 |
4500 |
5600 |
1.171 |
6215 |
94.0 |
115.0 |
1.5 |
84 |
121 |
1.5 |
17.462 |
11 |
|
|
160 |
37 |
113 |
76.8 |
4000 |
4800 |
3.050 |
6315 |
101.3 |
133.7 |
2.1 |
87 |
148 |
2.1 |
26.988 |
8 |
|
|
190 |
45 |
154 |
115 |
3600 |
4300 |
5.739 |
6415 |
112.1 |
155.9 |
3 |
89 |
176 |
2.5 |
36.512 |
7 |
|
|
|
|
|
|
|
|
|
|
|
|
|
|
|
|
|
|
|
80 |
100 |
10 |
12.7 |
13.3 |
5600 |
6700 |
0.155 |
61816 |
86.1 |
93.9 |
0.6 |
84 |
96 |
0.6 |
5.556 |
27 |
|
|
110 |
16 |
24.9 |
23.9 |
5300 |
6300 |
0.375 |
61916 |
89.3 |
100.7 |
1 |
86 |
105 |
1 |
8.731 |
19 |
|
|
125 |
14 |
33.1 |
31.4 |
5000 |
6000 |
0.539 |
16016 |
95.8 |
109.2 |
0.6 |
85 |
120 |
0.6 |
10.319 |
18 |
|
|
125 |
22 |
47.5 |
39.8 |
5000 |
6000 |
0.821 |
6016 |
95.2 |
112.8 |
1.1 |
87 |
118 |
1 |
13.494 |
14 |
|
|
140 |
26 |
71.5 |
54.2 |
4300 |
5300 |
1.448 |
6216 |
100.0 |
122.0 |
2 |
90 |
130 |
2 |
18.256 |
11 |
|
|
170 |
39 |
123 |
86.5 |
3800 |
4500 |
3.610 |
6316 |
107.9 |
142.2 |
2.1 |
92 |
158 |
2.1 |
28.575 |
8 |
|
|
200 |
48 |
163 |
125 |
3400 |
4000 |
6.752 |
6416 |
117.1 |
162.9 |
3 |
94 |
186 |
2.5 |
38.1 |
7 |
|
|
|
|
|
|
|
|
|
|
|
|
|
|
|
|
|
|
|
85 |
110 |
13 |
19.2 |
19.8 |
5000 |
6300 |
0.245 |
61817 |
92.5 |
102.5 |
1 |
90 |
105 |
1 |
7.144 |
24 |
|
|
120 |
18 |
31.9 |
29.7 |
4800 |
6000 |
0.507 |
61917 |
95.8 |
109.2 |
1.1 |
92 |
113.5 |
1 |
10.319 |
17 |
|
|
130 |
14 |
34 |
33.3 |
4500 |
5600 |
0.568 |
16017 |
100.8 |
114.2 |
0.6 |
90 |
125 |
0.6 |
10.319 |
19 |
|
|
130 |
22 |
50.8 |
42.8 |
4500 |
5600 |
0.848 |
6017 |
99.4 |
117.6 |
1.1 |
92 |
123 |
1 |
14 |
14 |
|
|
150 |
28 |
83.2 |
63.8 |
4000 |
5000 |
1.803 |
6217 |
107.1 |
130.9 |
2 |
95 |
140 |
2 |
19.844 |
11 |
|
|
180 |
41 |
132 |
96.5 |
3600 |
4300 |
4.284 |
6317 |
114.4 |
150.6 |
3 |
99 |
166 |
2.5 |
30.162 |
8 |
|
|
210 |
52 |
175 |
138 |
3200 |
3800 |
7.933 |
6417 |
123.5 |
171.5 |
4 |
103 |
192 |
3 |
40 |
7 |
|
|
|
|
|
|
|
|
|
|
|
|
|
|
|
|
|
|
|
90 |
115 |
13 |
19.5 |
20.5 |
4800 |
6000 |
0.258 |
61818 |
97.5 |
107.5 |
1 |
95 |
110 |
1 |
7.144 |
25 |
|
|
125 |
18 |
32.8 |
31.5 |
4500 |
5600 |
0.533 |
61918 |
100.8 |
114.2 |
1.1 |
97 |
118.5 |
1 |
10.319 |
18 |
|
|
140 |
16 |
41.5 |
39.3 |
4300 |
5300 |
0.671 |
16018 |
107.3 |
122.8 |
1 |
96 |
134 |
1 |
11.906 |
17 |
|
|
140 |
24 |
58.0 |
49.8 |
4300 |
5300 |
1.10 |
6018 |
107.2 |
126.8 |
1.5 |
99 |
131 |
1.5 |
15.081 |
14 |
|
|
160 |
30 |
95.8 |
71.5 |
3800 |
4800 |
2.17 |
6218 |
111.7 |
138.4 |
2 |
100 |
150 |
2 |
22.225 |
10 |
|
|
190 |
43 |
145 |
108 |
3400 |
4000 |
4.97 |
6318 |
120.8 |
159.2 |
3 |
104 |
176 |
2.5 |
32 |
8 |
|
|
225 |
54 |
192 |
158 |
2800 |
3600 |
9.56 |
6418 |
131.8 |
183.2 |
4 |
108 |
207 |
3 |
42.862 |
7 |
|
|
|
|
|
|
|
|
|
|
|
|
|
|
|
|
|
|
|
95 |
120 |
13 |
19.8 |
21.3 |
4500 |
5600 |
0.27 |
61819 |
102.5 |
112.5 |
1 |
100 |
115 |
1 |
7.144 |
26 |
|
|
130 |
18 |
33.7 |
33.3 |
4300 |
5300 |
0.56 |
61919 |
105.8 |
119.2 |
1.1 |
102 |
124 |
1 |
10.319 |
19 |
|
|
145 |
16 |
42.7 |
41.9 |
4000 |
5000 |
0.71 |
16019 |
112.3 |
127.8 |
1 |
101 |
139 |
1 |
11.906 |
18 |
|
|
145 |
24 |
57.8 |
50.0 |
4000 |
5000 |
1.15 |
6019 |
110.2 |
129.8 |
1.5 |
104 |
136 |
1.5 |
15.081 |
14 |
|
|
170 |
32 |
110 |
82.8 |
3600 |
4500 |
2.62 |
6219 |
118.1 |
146.9 |
2.1 |
107 |
158 |
2.1 |
24 |
10 |
|
|
200 |
45 |
157 |
122 |
3200 |
3800 |
5.74 |
6319 |
127.1 |
167.9 |
3 |
109 |
186 |
2.5 |
34 |
8 |
|
|
240 |
55 |
|
|
|
|
|
6419 |
|
|
4 |
|
|
|
|
|
|
|
|
|
|
|
|
|
|
|
|
|
|
|
|
|
|
|
|
100 |
125 |
13 |
20.1 |
22.0 |
4300 |
5300 |
0.28 |
61820 |
107.5 |
117.5 |
1 |
105 |
120 |
1 |
7.144 |
27 |
|
|
140 |
20 |
42.7 |
41.9 |
4000 |
5000 |
0.77 |
61920 |
112.3 |
127.8 |
1.1 |
107 |
133 |
1 |
11.906 |
18 |
|
|
150 |
16 |
43.8 |
44.3 |
3800 |
4800 |
0.74 |
16020 |
118.3 |
133.8 |
1 |
106 |
144 |
1 |
11.906 |
19 |
|
|
150 |
24 |
64.5 |
56.2 |
3800 |
4800 |
1.18 |
6020 |
114.6 |
135.4 |
1.5 |
109 |
141 |
1.5 |
16 |
14 |
|
|
180 |
34 |
122 |
92.8 |
3400 |
4300 |
3.19 |
6220 |
124.8 |
155.3 |
2.1 |
112 |
168 |
2.1 |
25.4 |
10 |
|
|
215 |
47 |
173 |
140 |
2800 |
3600 |
7.09 |
6320 |
135.6 |
179.4 |
3 |
114 |
201 |
2.5 |
36.512 |
8 |
|
|
250 |
58 |
223 |
195 |
2400 |
3200 |
12.9 |
6420 |
146.4 |
203.6 |
4 |
118 |
232 |
3 |
47.625 |
7 |
|
|
|
|
|
|
|
|
|
|
|
|
|
|
|
|
|
|
|
105 |
130 |
13 |
20.3 |
22.7 |
4000 |
5000 |
0.30 |
61821 |
112.5 |
122.5 |
1 |
110 |
125 |
1 |
7.144 |
28 |
|
|
145 |
20 |
43.9 |
44.3 |
3800 |
4800 |
0.81 |
61921 |
117.3 |
132.8 |
1.1 |
112 |
138 |
1 |
11.906 |
19 |
|
|
160 |
18 |
51.8 |
50.6 |
3600 |
4500 |
1.00 |
16021 |
123.7 |
141.3 |
1 |
111 |
154 |
1 |
13.494 |
17 |
|
|
160 |
26 |
71.8 |
63.2 |
3600 |
4500 |
1.52 |
6021 |
121.5 |
143.6 |
2 |
115 |
150 |
2 |
17 |
14 |
|
|
190 |
36 |
133 |
105 |
3200 |
4000 |
3.78 |
6221 |
131.3 |
163.7 |
2.1 |
117 |
178 |
2.1 |
26.988 |
10 |
|
|
225 |
49 |
184 |
153 |
2600 |
3200 |
8.05 |
6321 |
142.1 |
187.9 |
3 |
119 |
211 |
2.5 |
38.1 |
8 |
|
|
|
|
|
|
|
|
|
|
|
|
|
|
|
|
|
|
|
110 |
140 |
16 |
28.1 |
30.7 |
3800 |
5000 |
0.50 |
61822 |
119.3 |
130.7 |
1 |
115 |
135 |
1 |
8.731 |
25 |
|
|
150 |
20 |
43.6 |
44.4 |
3600 |
4500 |
0.84 |
61922 |
122.3 |
137.8 |
1.1 |
117 |
143 |
1 |
11.906 |
19 |
|
|
170 |
19 |
57.4 |
56.7 |
3400 |
4300 |
1.27 |
16022 |
130.7 |
149.3 |
1 |
116 |
164 |
1 |
14.288 |
17 |
|
|
170 |
28 |
81.8 |
72.8 |
3400 |
4300 |
1.89 |
6022 |
129.1 |
152.9 |
2 |
120 |
160 |
2 |
18.256 |
14 |
|
|
200 |
38 |
144 |
117 |
3000 |
3800 |
4.42 |
6222 |
138.9 |
173.2 |
2.1 |
122 |
188 |
2.1 |
28.575 |
10 |
|
|
240 |
50 |
205 |
178 |
2400 |
3000 |
9.53 |
6322 |
150.2 |
199.8 |
3 |
124 |
226 |
2.5 |
41.275 |
8 |
|
|
280 |
65 |
225 |
238 |
2000 |
2800 |
18.34 |
6422 |
163.6 |
226.5 |
4 |
128 |
262 |
3 |
52.388 |
7 |
|
|
|
|
|
|
|
|
|
|
|
|
|
|
|
|
|
|
|
120 |
150 |
16 |
28.9 |
32.9 |
3400 |
4300 |
0.54 |
61824 |
129.3 |
140.7 |
1 |
125 |
145 |
1 |
8.731 |
27 |
|
|
165 |
22 |
55.0 |
56.9 |
3200 |
4000 |
1.13 |
61924 |
133.7 |
151.3 |
1.1 |
127 |
158 |
1 |
13.494 |
19 |
|
|
180 |
19 |
58.8 |
60.4 |
3000 |
3800 |
1.374 |
16024 |
140.7 |
159.3 |
1 |
126 |
174 |
1 |
14.288 |
18 |
|
|
180 |
28 |
87.5 |
79.2 |
3000 |
3800 |
1.99 |
6024 |
137.7 |
162.4 |
2 |
130 |
170 |
2 |
19 |
14 |
|
|
215 |
40 |
155 |
131 |
2600 |
3400 |
5.30 |
6224 |
149.4 |
185.6 |
2.1 |
132 |
203 |
2.1 |
30.162 |
10 |
|
|
260 |
55 |
228 |
208 |
2200 |
2800 |
12.2 |
6324 |
163.3 |
216.7 |
3 |
134 |
246 |
2.5 |
44.45 |
8 |
|
|
|
|
|
|
|
|
|
|
|
|
|
|
|
|
|
|
|
130 |
165 |
18 |
37.9 |
42.9 |
3200 |
4000 |
0.736 |
61826 |
140.8 |
154.2 |
1.1 |
137 |
158 |
1 |
10.319 |
25 |
|
|
180 |
24 |
65.1 |
67.2 |
3000 |
3800 |
1.496 |
61926 |
145.2 |
164.8 |
1.5 |
139 |
171 |
1.5 |
15.081 |
18 |
|
|
200 |
22 |
79.7 |
79.2 |
2800 |
3600 |
1.868 |
16026 |
153.6 |
176.4 |
1.1 |
137 |
193 |
1 |
17.462 |
16 |
|
|
200 |
33 |
105 |
96.8 |
2800 |
3600 |
3.08 |
6026 |
151.4 |
178.7 |
2 |
140 |
190 |
2 |
21 |
14 |
|
|
230 |
40 |
165 |
148.0 |
2400 |
3200 |
6.12 |
6226 |
162.9 |
199.1 |
3 |
144 |
216 |
2.5 |
30.162 |
11 |
|
|
280 |
58 |
253 |
242 |
2000 |
2600 |
14.77 |
6326 |
176.2 |
233.8 |
4 |
148 |
262 |
3 |
48 |
8 |
|
|
|
|
|
|
|
|
|
|
|
|
|
|
|
|
|
|
|
140 |
175 |
18 |
38.2 |
44.3 |
3000 |
3800 |
0.784 |
61828 |
150.8 |
164.2 |
1.1 |
147 |
168 |
1 |
10.319 |
26 |
|
|
190 |
24 |
66.6 |
71.2 |
2800 |
3600 |
1.589 |
61928 |
155.2 |
174.8 |
1.5 |
149 |
181 |
1.5 |
15.081 |
19 |
|
|
210 |
22 |
82.1 |
85 |
2400 |
3200 |
2.00 |
16028 |
163.6 |
186.4 |
1.1 |
147 |
203 |
1 |
17.462 |
17 |
|
|
210 |
33 |
116 |
108 |
2400 |
3200 |
3.17 |
6028 |
160.6 |
189.5 |
2 |
150 |
200 |
2 |
22.225 |
14 |
|
|
250 |
42 |
179 |
167 |
2000 |
2800 |
7.77 |
6228 |
175.8 |
214.2 |
3 |
154 |
236 |
2.5 |
32 |
11 |
|
|
300 |
62 |
275 |
272 |
1900 |
2400 |
18.33 |
6328 |
189.5 |
250.5 |
4 |
158 |
282 |
3 |
50.8 |
8 |
|
注:深沟球轴承有双列型,系列4200A,4300A(A表示无装球缺口),它具有除高于单列深沟球轴承1.62倍的径向承载能力外,还可承受轴向载荷。 |
||||||||||||||||

