|
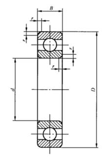
深沟球轴承 (GB/T 276—2013) |
||||||||||||||||
|
深沟球轴承60000型 |
应用 主要承受纯径向载荷,
也可承受一定的轴向 载荷,承受纯径向载 荷时,接触角为零。 当径向游隙加大时, 具有角接触球轴承的 功能,可承受较大的 轴向载荷。结构简单, 使用方便,应用广泛。 |
|||||||||||||||
|
基本尺寸 /mm |
基本额定载荷 /kN |
极限转速 /r·min-1 |
重量 /kg |
轴承 代号 |
其他尺寸 /mm |
安装尺寸 /mm |
球径 /mm |
球数 |
||||||||
|
d |
D |
B |
Cr |
C0r |
脂 |
油 |
W ≈ |
60000型 |
d2 ≈ |
D2 ≈ |
r min |
da min |
Da max |
ra max |
Dw |
Z |
|
30 |
42 |
7 |
4.70 |
3.60 |
13000 |
17000 |
0.019 |
61806 |
33.2 |
38.8 |
0.3 |
32.4 |
40 |
0.3 |
3.500 |
18 |
|
|
47 |
9 |
7.20 |
5.00 |
12000 |
16000 |
0.043 |
61906 |
35.2 |
41.8 |
0.3 |
32.4 |
44.6 |
0.3 |
4.762 |
14 |
|
|
55 |
9 |
11.2 |
7.40 |
11000 |
14000 |
0.084 |
16006 |
38.1 |
47.0 |
0.3 |
32.4 |
52.6 |
0.3 |
6.350 |
12 |
|
|
55 |
13 |
13.2 |
8.30 |
11000 |
14000 |
0.113 |
6006 |
38.4 |
47.7 |
1 |
36 |
50.0 |
1 |
7.144 |
11 |
|
|
62 |
16 |
19.5 |
11.5 |
9500 |
13000 |
0.200 |
6206 |
40.8 |
52.2 |
1 |
36 |
56 |
1 |
9.525 |
9 |
|
|
72 |
19 |
27.0 |
15.2 |
9000 |
11000 |
0.349 |
6306 |
44.8 |
59.2 |
1.1 |
37 |
65 |
1 |
12 |
8 |
|
|
90 |
23 |
47.5 |
24.5 |
8000 |
10000 |
0.710 |
6406 |
48.6 |
71.4 |
1.5 |
39 |
81 |
1.5 |
19.06 |
6 |
|
|
|
|
|
|
|
|
|
|
|
|
|
|
|
|
|
|
|
32 |
58 |
13 |
|
|
|
|
|
60/32 |
|
|
1 |
|
|
|
|
|
|
|
|
|
|
|
|
|
|
|
|
|
|
|
|
|
|
|
|
35 |
47 |
7 |
4.90 |
4.00 |
11000 |
15000 |
0.023 |
61807 |
38.2 |
43.8 |
0.3 |
37.4 |
45 |
0.3 |
3.500 |
20 |
|
|
55 |
10 |
9.50 |
6.80 |
10000 |
13000 |
0.078 |
61907 |
41.1 |
48.9 |
0.6 |
40 |
51 |
0.6 |
5.556 |
14 |
|
|
62 |
9 |
12.2 |
8.80 |
9500 |
12000 |
0.107 |
16007 |
44.6 |
53.5 |
0.3 |
37.4 |
59.6 |
0.3 |
6.350 |
14 |
|
|
62 |
14 |
16.2 |
10.5 |
9500 |
12000 |
0.148 |
6007 |
43.3 |
53.7 |
1 |
41 |
56 |
1 |
8 |
11 |
|
|
72 |
17 |
25.5 |
15.2 |
8500 |
11000 |
0.288 |
6207 |
46.8 |
60.2 |
1.1 |
42 |
65 |
1 |
11.112 |
9 |
|
|
80 |
21 |
33.4 |
19.2 |
8000 |
9500 |
0.455 |
6307 |
50.4 |
66.6 |
1.5 |
44 |
71 |
1.5 |
13.494 |
8 |
|
|
100 |
25 |
56.8 |
29.5 |
6700 |
8500 |
0.926 |
6407 |
54.9 |
80.1 |
1.5 |
44 |
91 |
1.5 |
21 |
6 |
|
|
|
|
|
|
|
|
|
|
|
|
|
|
|
|
|
|
|
40 |
52 |
7 |
5.10 |
4.40 |
10000 |
13000 |
0.026 |
61808 |
43.2 |
48.8 |
0.3 |
42.4 |
50 |
0.3 |
3.500 |
22 |
|
|
62 |
12 |
13.7 |
9.90 |
9500 |
12000 |
0.103 |
61908 |
46.3 |
55.7 |
0.6 |
45 |
58 |
0.6 |
6.747 |
14 |
|
|
68 |
9 |
12.6 |
9.60 |
9000 |
11000 |
0.125 |
16008 |
49.6 |
58.5 |
0.3 |
42.4 |
65.6 |
0.3 |
6.350 |
15 |
|
|
68 |
15 |
17.0 |
11.8 |
9000 |
11000 |
0.185 |
6008 |
48.8 |
59.2 |
1 |
46 |
62 |
1 |
8 |
12 |
|
|
80 |
18 |
29.5 |
18.0 |
8000 |
10000 |
0.368 |
6208 |
52.8 |
67.2 |
1.1 |
47 |
73 |
1 |
12 |
9 |
|
|
90 |
23 |
40.8 |
24.0 |
7000 |
8500 |
0.639 |
6308 |
56.5 |
74.6 |
1.5 |
49 |
81 |
1.5 |
15.081 |
8 |
|
|
110 |
27 |
65.5 |
37.5 |
6300 |
8000 |
1.221 |
6408 |
63.9 |
89.1 |
2 |
50 |
100 |
2 |
21 |
7 |
|
|
|
|
|
|
|
|
|
|
|
|
|
|
|
|
|
|
|
45 |
58 |
7 |
6.40 |
5.60 |
9000 |
12000 |
0.030 |
61809 |
48.3 |
54.7 |
0.3 |
47.4 |
56 |
0.3 |
3.969 |
22 |
|
|
68 |
12 |
14.1 |
10.90 |
8500 |
11000 |
0.123 |
61909 |
51.8 |
61.2 |
0.6 |
50 |
63 |
0.6 |
6.747 |
15 |
|
|
75 |
10 |
15.6 |
12.2 |
8000 |
10000 |
0.155 |
16009 |
55.0 |
65.0 |
0.6 |
50 |
70 |
0.6 |
7.144 |
15 |
|
|
75 |
16 |
21.0 |
14.8 |
8000 |
10000 |
0.230 |
6009 |
54.2 |
65.9 |
1 |
51 |
69 |
1 |
9 |
12 |
|
|
85 |
19 |
31.5 |
20.5 |
7000 |
9000 |
0.416 |
6209 |
58.8 |
73.2 |
1.1 |
52 |
78 |
1 |
12 |
10 |
|
|
100 |
25 |
52.8 |
31.8 |
6300 |
7500 |
0.837 |
6309 |
63.0 |
84.0 |
1.5 |
54 |
91 |
1.5 |
17.462 |
8 |
|
|
120 |
29 |
77.5 |
45.5 |
5600 |
7000 |
1.520 |
6409 |
70.7 |
98.3 |
2 |
55 |
110 |
2 |
23 |
7 |
|
|
|
|
|
|
|
|
|
|
|
|
|
|
|
|
|
|
|
50 |
65 |
7 |
6.6 |
6.1 |
8500 |
10000 |
0.043 |
61810 |
54.3 |
60.7 |
0.3 |
52.4 |
62.6 |
0.3 |
3.969 |
24 |
|
|
72 |
12 |
14.5 |
11.7 |
8000 |
9500 |
0.122 |
61910 |
56.3 |
65.7 |
0.6 |
55 |
68 |
0.6 |
6.747 |
16 |
|
|
80 |
10 |
16.1 |
13.1 |
8000 |
9500 |
0.166 |
16010 |
60.0 |
70.0 |
0.6 |
55 |
75 |
0.6 |
7.144 |
16 |
|
|
80 |
16 |
22.0 |
16.2 |
7000 |
9000 |
0.250 |
6010 |
59.2 |
70.9 |
1 |
56 |
74 |
1 |
9 |
13 |
|
|
90 |
20 |
35.0 |
23.2 |
6700 |
8500 |
0.463 |
6210 |
62.4 |
77.6 |
1.1 |
57 |
83 |
1 |
12.7 |
10 |
|
|
110 |
27 |
61.8 |
38.0 |
6000 |
7000 |
1.082 |
6310 |
69.1 |
91.9 |
2 |
60 |
100 |
2 |
19.05 |
8 |
|
|
130 |
31 |
92.2 |
55.2 |
5300 |
6300 |
1.855 |
6410 |
77.3 |
107.8 |
2.1 |
62 |
118 |
2.1 |
25.4 |
7 |
|
|
|
|
|
|
|
|
|
|
|
|
|
|
|
|
|
|
|
55 |
72 |
9 |
9.1 |
8.4 |
8000 |
9500 |
0.070 |
61811 |
60.2 |
66.9 |
0.3 |
57.4 |
69.6 |
0.3 |
4.762 |
23 |
|
|
80 |
13 |
15.9 |
13.2 |
7500 |
9000 |
0.170 |
61911 |
62.9 |
72.2 |
1 |
61 |
75 |
1 |
7.144 |
16 |
|
|
90 |
11 |
19.4 |
16.2 |
7000 |
8500 |
0.207 |
16011 |
67.3 |
77.7 |
0.6 |
60 |
85 |
0.6 |
7.938 |
16 |
|
|
90 |
18 |
30.2 |
21.8 |
7000 |
8500 |
0.362 |
6011 |
65.4 |
79.7 |
1.1 |
62 |
83 |
1 |
11 |
12 |
|
|
100 |
21 |
43.2 |
29.2 |
6000 |
7500 |
0.603 |
6211 |
68.9 |
86.1 |
1.5 |
64 |
91 |
1.5 |
14.288 |
10 |
|
|
120 |
29 |
71.5 |
44.8 |
5600 |
6700 |
1.367 |
6311 |
76.1 |
100.9 |
2 |
65 |
110 |
2 |
20.638 |
8 |
|
|
140 |
33 |
100 |
62.5 |
4800 |
6000 |
2.316 |
6411 |
82.8 |
115.2 |
2.1 |
67 |
128 |
2.1 |
26.988 |
7 |
|
|
|
|
|
|
|
|
|
|
|
|
|
|
|
|
|
|
|
60 |
78 |
10 |
9.1 |
8.7 |
7000 |
8500 |
0.093 |
61812 |
66.2 |
72.9 |
0.3 |
62.4 |
75.6 |
0.3 |
4.762 |
24 |
|
|
85 |
13 |
16.4 |
14.2 |
6700 |
8000 |
0.181 |
61912 |
67.9 |
77.2 |
1 |
66 |
80 |
1 |
7.144 |
17 |
|
|
95 |
11 |
19.9 |
17.5 |
6300 |
7500 |
0.224 |
16012 |
72.3 |
82.7 |
0.6 |
65 |
90 |
0.6 |
7.938 |
17 |
|
|
95 |
18 |
31.5 |
24.2 |
6300 |
7500 |
0.385 |
6012 |
71.4 |
85.7 |
1.1 |
67 |
89 |
1 |
11 |
13 |
|
|
110 |
22 |
47.8 |
32.8 |
5600 |
7000 |
0.789 |
6212 |
76.0 |
94.1 |
1.5 |
69 |
101 |
1.5 |
15.081 |
10 |
|
|
130 |
31 |
81.8 |
51.8 |
5000 |
6000 |
1.710 |
6312 |
81.7 |
108.4 |
2.1 |
72 |
118 |
2.1 |
22.225 |
8 |
|
|
150 |
35 |
109 |
70.0 |
4500 |
5600 |
2.811 |
6412 |
87.9 |
122.2 |
2.1 |
72 |
138 |
2.1 |
28.575 |
7 |
|
|
|
|
|
|
|
|
|
|
|
|
|
|
|
|
|
|
|
65 |
85 |
10 |
11.9 |
11.5 |
6700 |
8000 |
0.13 |
61813 |
71.1 |
78.9 |
0.6 |
69 |
81 |
0.6 |
5.556 |
23 |
|
|
90 |
13 |
17.4 |
16.0 |
6300 |
7500 |
0.196 |
61913 |
72.9 |
82.2 |
1 |
71 |
85 |
1 |
7.144 |
19 |
|
|
100 |
11 |
20.5 |
18.6 |
6000 |
7000 |
0.241 |
16013 |
77.3 |
87.7 |
0.6 |
70 |
95 |
0.6 |
7.938 |
18 |
|
|
100 |
18 |
32.0 |
24.8 |
6000 |
7000 |
0.410 |
6013 |
75.3 |
89.7 |
1.1 |
72 |
93 |
1 |
11.112 |
13 |
|
|
120 |
23 |
57.2 |
40.0 |
5000 |
6300 |
0.990 |
6213 |
82.5 |
102.5 |
1.5 |
74 |
111 |
1.5 |
16.669 |
10 |
|
|
140 |
33 |
93.8 |
60.5 |
4500 |
5300 |
2.100 |
6313 |
88.1 |
116.9 |
2.1 |
77 |
128 |
2.1 |
24 |
8 |
|
|
160 |
37 |
118 |
78.5 |
4300 |
5300 |
3.342 |
6413 |
94.5 |
130.6 |
2.1 |
77 |
148 |
2.1 |
30.162 |
7 |
|
|
|
|
|
|
|
|
|
|
|
|
|
|
|
|
|
|
|
70 |
90 |
10 |
12.1 |
11.9 |
6300 |
7500 |
0.138 |
61814 |
76.1 |
83.9 |
0.6 |
74 |
86 |
0.6 |
5.556 |
24 |
|
|
100 |
16 |
23.7 |
21.1 |
6000 |
7000 |
0.336 |
61914 |
79.3 |
90.7 |
1 |
76 |
95 |
1 |
8.731 |
17 |
|
|
110 |
13 |
27.9 |
25.0 |
5600 |
6700 |
0.386 |
16014 |
83.8 |
96.2 |
0.6 |
75 |
105 |
0.6 |
9.525 |
17 |
|
|
110 |
20 |
38.5 |
30.5 |
5600 |
6700 |
0.575 |
6014 |
82.0 |
98.0 |
1.1 |
77 |
103 |
1 |
12.303 |
13 |
|
|
125 |
24 |
60.8 |
45.0 |
4800 |
6000 |
1.084 |
6214 |
89.0 |
109.0 |
1.5 |
79 |
116 |
1.5 |
16.669 |
11 |
|
|
150 |
35 |
105 |
68.0 |
4300 |
5000 |
2.550 |
6314 |
94.8 |
125.3 |
2.1 |
82 |
138 |
2.1 |
25.4 |
8 |
|
|
180 |
42 |
140 |
99.5 |
3800 |
4500 |
4.896 |
6414 |
105.6 |
146.4 |
3 |
84 |
166 |
2.5 |
34 |
7 |
|
注:深沟球轴承有双列型,系列4200A,4300A(A表示无装球缺口),它具有除高于单列深沟球轴承1.62倍的径向承载能力外,还可承受轴向载荷。 |
||||||||||||||||

