|
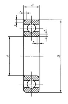
深沟球轴承 (GB/T 276—2013) |
||||||||||||||||
|
深沟球轴承60000型 |
应用 主要承受纯径向载荷,
也可承受一定的轴向 载荷,承受纯径向载 荷时,接触角为零。 当径向游隙加大时, 具有角接触球轴承的 功能,可承受较大的 轴向载荷。结构简单, 使用方便,应用广泛。 |
|||||||||||||||
|
基本尺寸 /mm |
基本额定载荷 /kN |
极限转速 /r·min-1 |
重量 /kg |
轴承 代号 |
其他尺寸 /mm |
安装尺寸 /mm |
球径 /mm |
球数 |
||||||||
|
d |
D |
B |
Cr |
C0r |
脂 |
油 |
W ≈ |
60000型 |
d2 ≈ |
D2 ≈ |
r min |
da min |
Da max |
ra max |
Dw |
Z |
|
0.6. |
2 |
0.8 |
|
|
|
|
|
617/0.6 |
|
|
0.05 |
|
|
|
|
|
|
|
2.5 |
1 |
|
|
|
|
|
618/0.6 |
|
|
0.05 |
|
|
|
|
|
|
|
|
|
|
|
|
|
|
|
|
|
|
|
|
|
|
|
|
1 |
2 |
1 |
|
|
|
|
|
617/1 |
|
|
0.05 |
|
|
|
|
|
|
|
3 |
1 |
|
|
|
|
|
618/1 |
|
|
0.05 |
|
|
|
|
|
|
4 |
1.6 |
|
|
|
|
|
619/1 |
|
|
0.1 |
|
|
|
|
|
|
|
|
|
|
|
|
|
|
|
|
|
|
|
|
|
|
|
|
|
1.5 |
3 |
1 |
|
|
|
|
|
617/1.5 |
|
|
0.05 |
|
|
|
|
|
|
|
3 |
1.8 |
|
|
|
|
|
637/1.5 |
|
|
0.05 |
|
|
|
|
|
|
|
4 |
1.2 |
|
|
|
|
|
618/1.5 |
|
|
0.05 |
|
|
|
|
|
|
5 |
2 |
|
|
|
|
|
619/1.5 |
|
|
0.15 |
|
|
|
|
|
|
|
|
|
|
|
|
|
|
|
|
|
|
|
|
|
|
|
|
|
2 |
4 |
1.2 |
|
|
|
|
|
617/2 |
|
|
0.05 |
|
|
|
|
|
|
|
4 |
2 |
|
|
|
|
|
637/2 |
|
|
0.05 |
|
|
|
|
|
|
|
5 |
1.5 |
|
|
|
|
|
618/2 |
|
|
0.08 |
|
|
|
|
|
|
6 |
2.3 |
|
|
|
|
|
619/2 |
|
|
0.15 |
|
|
|
|
|
|
|
|
|
|
|
|
|
|
|
|
|
|
|
|
|
|
|
|
|
2.5 |
5 |
1.5 |
|
|
|
|
|
617/2.5 |
|
|
0.05 |
|
|
|
|
|
|
|
5 |
2.3 |
|
|
|
|
|
637/2.5 |
|
|
0.08 |
|
|
|
|
|
|
|
6 |
1.8 |
|
|
|
|
|
618/2.5 |
|
|
0.08 |
|
|
|
|
|
|
7 |
2.5 |
|
|
|
|
|
619/2.5 |
|
|
0.15 |
|
|
|
|
|
|
|
|
|
|
|
|
|
|
|
|
|
|
|
|
|
|
|
|
|
3 |
6 |
2 |
|
|
|
|
|
617/3 |
|
|
0.08 |
|
|
|
|
|
|
|
6 |
3 |
|
|
|
|
|
637/3 |
|
|
0.08 |
|
|
|
|
|
|
|
7 |
2 |
|
|
|
|
|
618/3 |
|
|
0.1 |
|
|
|
|
|
|
8 |
3 |
0.45 |
0.15 |
38000 |
48000 |
0.0008 |
619/3 |
4.5 |
6.5 |
0.15 |
4.2 |
6.8 |
0.15 |
— |
— |
|
|
|
10 |
4 |
0.65 |
0.22 |
38000 |
48000 |
0.002 |
623 |
5.2 |
8.1 |
0.15 |
4.2 |
8.8 |
0.15 |
— |
— |
|
|
13 |
5 |
|
|
|
|
|
633 |
|
|
0.2 |
|
|
|
|
|
|
|
|
|
|
|
|
|
|
|
|
|
|
|
|
|
|
|
|
4 |
7 |
2 |
|
|
|
|
|
617/4 |
|
|
0.08 |
|
|
|
|
|
|
|
7 |
3 |
|
|
|
|
|
637/4 |
|
|
0.08 |
|
|
|
|
|
|
|
9 |
2.5 |
|
|
|
|
|
618/4 |
|
|
0.1 |
|
|
|
|
|
|
9 |
3.5 |
0.55 |
0.18 |
38000 |
48000 |
0.0008 |
628/4 |
5.52 |
7.48 |
0.1 |
4.8 |
8.2 |
0.1 |
— |
— |
|
|
|
11 |
4 |
0.95 |
0.35 |
36000 |
45000 |
0.002 |
619/4 |
5.9 |
9.1 |
0.15 |
5.2 |
9.8 |
0.15 |
— |
— |
|
|
12 |
4 |
|
|
|
|
|
604 |
|
|
0.2 |
|
|
|
|
|
|
|
13 |
5 |
1.15 |
0.4 |
36000 |
45000 |
0.0003 |
624 |
6.7 |
10.1 |
0.2 |
5.6 |
11.4 |
0.2 |
— |
— |
|
|
16 |
5 |
1.88 |
0.68 |
32000 |
40000 |
0.005 |
634 |
8.4 |
10.1 |
0.3 |
6.4 |
13.6 |
0.3 |
— |
— |
|
|
|
|
|
|
|
|
|
|
|
|
|
|
|
|
|
|
|
5 |
8 |
2 |
|
|
|
|
|
617/5 |
|
|
0.08 |
|
|
|
|
|
|
|
8 |
3 |
|
|
|
|
|
637/5 |
|
|
0.08 |
|
|
|
|
|
|
|
11 |
3 |
|
|
|
|
|
618/5 |
|
|
0.15 |
|
|
|
|
|
|
13 |
4 |
1.08 |
0.42 |
34000 |
43000 |
0.0025 |
619/5 |
7.35 |
10.1 |
0.2 |
6.6 |
11.4 |
0.2 |
— |
— |
|
|
|
14 |
5 |
1.05 |
0.5 |
30000 |
38000 |
0.0045 |
605 |
7.35 |
10.1 |
0.2 |
6.6 |
12.4 |
0.2 |
— |
— |
|
|
16 |
5 |
1.88 |
0.68 |
32000 |
40000 |
0.004 |
625 |
8.4 |
12.6 |
0.3 |
7.4 |
13.6 |
0.3 |
— |
— |
|
|
19 |
6 |
2.80 |
1.02 |
28000 |
36000 |
0.008 |
635 |
10.7 |
15.3 |
0.3 |
7.4 |
17.0 |
0.3 |
— |
— |
|
|
|
|
|
|
|
|
|
|
|
|
|
|
|
|
|
|
|
6 |
10 |
2.5 |
|
|
|
|
|
617/6 |
|
|
0.1 |
|
|
|
|
|
|
|
10 |
3.5 |
|
|
|
|
|
637/6 |
|
|
0.1 |
|
|
|
|
|
|
|
13 |
3.5 |
|
|
|
|
|
618/6 |
|
|
0.15 |
|
|
|
|
|
|
13 |
5 |
1.08 |
0.42 |
34000 |
43000 |
0.0021 |
628/6 |
7.9 |
11.1 |
0.15 |
7.2 |
11.8 |
0.15 |
— |
— |
|
|
|
15 |
5 |
1.48 |
0.60 |
32000 |
40000 |
0.0045 |
619/6 |
8.6 |
12.4 |
0.2 |
7.6 |
13.4 |
0.2 |
— |
— |
|
|
17 |
6 |
1.95 |
0.72 |
30000 |
38000 |
0.006 |
606 |
9.0 |
14 |
0.3 |
8.4 |
14.6 |
0.3 |
— |
— |
|
|
19 |
6 |
2.80 |
1.05 |
28000 |
36000 |
0.008 |
626 |
10.7 |
15.7 |
0.3 |
8.4 |
17.0 |
0.3 |
— |
— |
|
|
|
|
|
|
|
|
|
|
|
|
|
|
|
|
|
|
|
7 |
11 |
2.5 |
|
|
|
|
|
617/7 |
|
|
0.1 |
|
|
|
|
|
|
|
11 |
3.5 |
|
|
|
|
|
637/7 |
|
|
0.1 |
|
|
|
|
|
|
|
13 |
3.5 |
|
|
|
|
|
618/7 |
|
|
0.15 |
|
|
|
|
|
|
14 |
5 |
1.18 |
0.50 |
32000 |
40000 |
0.0024 |
628/7 |
9.0 |
12 |
0.15 |
8.2 |
12.8 |
0.15 |
— |
— |
|
|
|
17 |
5 |
2.02 |
0.80 |
30000 |
38000 |
0.0057 |
619/7 |
9.6 |
14.4 |
0.3 |
9.4 |
15.2 |
0.3 |
— |
— |
|
|
19 |
6 |
2.88 |
1.08 |
28000 |
36000 |
0.007 |
607 |
10.7 |
15.3 |
0.3 |
9.4 |
16.6 |
0.3 |
— |
— |
|
|
22 |
7 |
3.28 |
1.35 |
26000 |
34000 |
0.014 |
627 |
11.8 |
18.2 |
0.3 |
9.4 |
19.6 |
0.3 |
— |
— |
|
|
|
|
|
|
|
|
|
|
|
|
|
|
|
|
|
|
|
8 |
12 |
2.5 |
|
|
|
|
|
617/8 |
|
|
0.1 |
|
|
|
|
|
|
|
12 |
3.5 |
|
|
|
|
|
637/8 |
|
|
0.1 |
|
|
|
|
|
|
|
16 |
4 |
|
|
|
|
|
618/8 |
|
|
0.2 |
|
|
|
|
|
|
16 |
5 |
1.32 |
0.65 |
30000 |
38000 |
0.004 |
628/8 |
10.8 |
14 |
0.2 |
9.6 |
14.4 |
0.2 |
— |
— |
|
|
|
19 |
6 |
2.25 |
0.92 |
28000 |
36000 |
0.0085 |
619/8 |
11.0 |
16 |
0.3 |
10.4 |
17.2 |
0.3 |
— |
— |
|
|
22 |
7 |
3.32 |
1.38 |
26000 |
34000 |
0.015 |
608 |
11.8 |
18.2 |
0.3 |
10.4 |
19.6 |
0.3 |
— |
— |
|
|
24 |
8 |
3.35 |
1.40 |
24000 |
32000 |
0.016 |
628 |
12.8 |
19.2 |
0.3 |
10.4 |
21.6 |
0.3 |
— |
— |
|
|
|
|
|
|
|
|
|
|
|
|
|
|
|
|
|
|
|
9 |
14 |
2.5 |
|
|
|
|
|
617/9 |
|
|
0.1 |
|
|
|
|
|
|
|
14 |
4.5 |
|
|
|
|
|
637/9 |
|
|
0.1 |
|
|
|
|
|
|
|
17 |
4 |
|
|
|
|
|
618/9 |
|
|
0.2 |
|
|
|
|
|
|
17 |
5 |
1.60 |
0.72 |
28000 |
36000 |
0.0042 |
628/9 |
11.1 |
14.9 |
0.2 |
10.6 |
15.4 |
0.2 |
— |
— |
|
|
|
20 |
6 |
2.48 |
1.08 |
27000 |
34000 |
0.0092 |
619/9 |
12.0 |
17 |
0.3 |
11.4 |
18.2 |
0.3 |
— |
— |
|
|
24 |
7 |
3.35 |
1.40 |
22000 |
30000 |
0.016 |
609 |
14.2 |
19.2 |
0.3 |
11.4 |
21.6 |
0.3 |
— |
— |
|
|
26 |
8 |
4.45 |
1.95 |
22000 |
30000 |
0.019 |
629 |
14.4 |
21.1 |
0.3 |
11.4 |
23.6 |
0.3 |
— |
— |
|
|
|
|
|
|
|
|
|
|
|
|
|
|
|
|
|
|
|
10 |
15 |
3 |
|
|
|
|
|
61700 |
|
|
0.1 |
|
|
|
|
|
|
|
15 |
4.5 |
|
|
|
|
|
63700 |
|
|
0.1 |
|
|
|
|
|
|
|
19 |
5 |
|
|
|
|
|
61800 |
|
|
0.1 |
|
|
|
|
|
|
19 |
5 |
1.80 |
0.93 |
28000 |
36000 |
0.005 |
61800 |
12.6 |
16.4 |
0.3 |
12.0 |
17 |
0.3 |
2.381 |
11 |
|
|
|
22 |
6 |
2.70 |
1.30 |
25000 |
32000 |
0.008 |
61900 |
13.5 |
18.5 |
0.3 |
12.4 |
20 |
0.3 |
3.175 |
9 |
|
|
26 |
8 |
4.58 |
1.98 |
22000 |
30000 |
0.019 |
6000 |
14.9 |
21.3 |
0.3 |
12.4 |
23.6 |
0.3 |
4.762 |
7 |
|
|
30 |
9 |
5.10 |
2.38 |
20000 |
26000 |
0.032 |
6200 |
17.4 |
23.8 |
0.6 |
15.0 |
26 |
0.6 |
4.762 |
8 |
|
|
35 |
11 |
7.65 |
3.48 |
18000 |
24000 |
0.053 |
6300 |
19.4 |
27.6 |
0.6 |
15.0 |
30.0 |
0.6 |
6.35 |
7 |
|
|
|
|
|
|
|
|
|
|
|
|
|
|
|
|
|
|
|
12 |
21 |
5 |
1.90 |
1.00 |
24000 |
32000 |
0.005 |
61801 |
14.6 |
18.4 |
0.3 |
14 |
19 |
0.3 |
2.381 |
12 |
|
|
24 |
6 |
2.90 |
1.50 |
22000 |
28000 |
0.008 |
61901 |
15.5 |
20.6 |
0.3 |
14.4 |
22 |
0.3 |
3.175 |
10 |
|
|
28 |
7 |
5.10 |
2.40 |
20000 |
26000 |
0.015 |
16001 |
16.7 |
23.3 |
0.3 |
14.4 |
25.6 |
0.3 |
4.762 |
8 |
|
|
28 |
8 |
5.10 |
2.38 |
20000 |
26000 |
0.022 |
6001 |
17.4 |
23.8 |
0.3 |
14.4 |
25.6 |
0.3 |
4.762 |
8 |
|
|
32 |
10 |
6.82 |
3.05 |
19000 |
24000 |
0.035 |
6201 |
18.3 |
26.1 |
0.6 |
17.0 |
28 |
0.6 |
5.953 |
7 |
|
|
37 |
12 |
9.72 |
5.08 |
17000 |
22000 |
0.051 |
6301 |
19.3 |
29.7 |
1 |
18.0 |
32 |
1 |
7.938 |
6 |
|
|
|
|
|
|
|
|
|
|
|
|
|
|
|
|
|
|
|
15 |
24 |
5 |
2.10 |
1.30 |
22000 |
30000 |
0.005 |
61802 |
17.6 |
21.4 |
0.3 |
17 |
22 |
0.3 |
2.381 |
14 |
|
|
28 |
7 |
4.30 |
2.30 |
20000 |
26000 |
0.012 |
61902 |
18.3 |
24.7 |
0.3 |
17.4 |
26 |
0.3 |
3.969 |
10 |
|
|
32 |
8 |
5.60 |
2.80 |
19000 |
24000 |
0.023 |
16002 |
20.2 |
26.8 |
0.3 |
17.4 |
29.6 |
0.3 |
4.762 |
9 |
|
|
32 |
9 |
5.58 |
2.85 |
19000 |
24000 |
0.031 |
6002 |
20.4 |
26.6 |
0.3 |
17.4 |
29.6 |
0.3 |
4.762 |
9 |
|
|
35 |
11 |
7.65 |
3.72 |
18000 |
22000 |
0.045 |
6202 |
21.6 |
29.4 |
0.6 |
20.0 |
32 |
0.6 |
5.953 |
8 |
|
|
42 |
13 |
11.5 |
5.42 |
16000 |
20000 |
0.080 |
6302 |
24.3 |
34.7 |
1 |
21.0 |
37 |
1 |
7.938 |
7 |
|
|
|
|
|
|
|
|
|
|
|
|
|
|
|
|
|
|
|
17 |
26 |
5 |
2.20 |
1.5 |
20000 |
28000 |
0.007 |
61803 |
19.6 |
23.4 |
0.3 |
19 |
24 |
0.3 |
2.381 |
16 |
|
|
30 |
7 |
4.60 |
2.6 |
19000 |
24000 |
0.014 |
61903 |
20.3 |
26.7 |
0.3 |
19.4 |
28 |
0.3 |
3.969 |
11 |
|
|
35 |
8 |
6.00 |
3.3 |
18000 |
22000 |
0.028 |
16003 |
22.7 |
29.3 |
0.3 |
19.4 |
32.6 |
0.3 |
4.762 |
10 |
|
|
35 |
10 |
6.00 |
3.25 |
17000 |
21000 |
0.040 |
6003 |
22.9 |
29.1 |
0.3 |
19.4 |
32.6 |
0.3 |
4.762 |
10 |
|
|
40 |
12 |
9.58 |
4.78 |
16000 |
20000 |
0.064 |
6203 |
24.6 |
33.4 |
0.6 |
22.0 |
36 |
0.6 |
6.747 |
8 |
|
|
47 |
14 |
13.5 |
6.58 |
15000 |
18000 |
0.109 |
6303 |
26.8 |
38.2 |
1 |
23.0 |
41.0 |
1 |
8.731 |
7 |
|
|
62 |
17 |
22.7 |
10.8 |
11000 |
15000 |
0.268 |
6403 |
31.9 |
47.1 |
1.1 |
24.0 |
55.0 |
1 |
12.7 |
6 |
|
|
|
|
|
|
|
|
|
|
|
|
|
|
|
|
|
|
|
20 |
32 |
7 |
3.50 |
2.20 |
18000 |
24000 |
0.015 |
61804 |
23.5 |
28.6 |
0.3 |
22.4 |
30 |
0.3 |
3.175 |
14 |
|
|
37 |
9 |
6.40 |
3.70 |
17000 |
22000 |
0.031 |
61904 |
25.2 |
31.8 |
0.3 |
22.4 |
34.6 |
0.3 |
4.762 |
11 |
|
|
42 |
8 |
7.90 |
4.50 |
16000 |
19000 |
0.052 |
16004 |
27.1 |
34.9 |
0.3 |
22.4 |
39.6 |
0.3 |
5.556 |
10 |
|
|
42 |
12 |
9.38 |
5.02 |
16000 |
19000 |
0.068 |
6004 |
26.9 |
35.1 |
0.6 |
25.0 |
38 |
0.6 |
6.35 |
9 |
|
|
47 |
14 |
12.8 |
6.65 |
14000 |
18000 |
0.103 |
6204 |
29.3 |
39.7 |
1 |
26.0 |
42 |
1 |
7.938 |
8 |
|
|
52 |
15 |
15.8 |
7.88 |
13000 |
16000 |
0.142 |
6304 |
29.8 |
42.2 |
1.1 |
27.0 |
45.0 |
1 |
9.525 |
7 |
|
|
72 |
19 |
31.0 |
15.2 |
9500 |
13000 |
0.400 |
6404 |
38.0 |
56.1 |
1.1 |
27.0 |
65.0 |
1 |
15.081 |
6 |
|
|
|
|
|
|
|
|
|
|
|
|
|
|
|
|
|
|
|
22 |
44 |
12 |
|
|
|
|
|
60/22 |
|
|
0.6 |
|
|
|
|
|
|
|
50 |
14 |
|
|
|
|
|
62/22 |
|
|
1 |
|
|
|
|
|
|
|
56 |
16 |
|
|
|
|
|
63/22 |
|
|
1.1 |
|
|
|
|
|
|
|
|
|
|
|
|
|
|
|
|
|
|
|
|
|
|
|
|
25 |
37 |
7 |
4.3 |
2.90 |
16000 |
20000 |
0.017 |
61805 |
28.2 |
33.8 |
0.3 |
27.4 |
35 |
0.3 |
3.500 |
15 |
|
|
42 |
9 |
7.0 |
4.50 |
14000 |
18000 |
0.038 |
61905 |
30.2 |
36.8 |
0.3 |
27.4 |
40 |
0.3 |
4.762 |
13 |
|
|
47 |
8 |
8.8 |
5.60 |
13000 |
17000 |
0.059 |
16005 |
33.1 |
40.9 |
0.3 |
27.4 |
44.6 |
0.3 |
5.556 |
12 |
|
|
47 |
12 |
10.0 |
5.85 |
13000 |
17000 |
0.078 |
6005 |
31.9 |
40.1 |
0.6 |
30 |
43 |
0.6 |
6.35 |
10 |
|
|
52 |
15 |
14.0 |
7.88 |
12000 |
15000 |
0.127 |
6205 |
33.8 |
44.2 |
1 |
31 |
47 |
1 |
7.938 |
9 |
|
|
62 |
17 |
22.2 |
11.5 |
10000 |
14000 |
0.219 |
6305 |
36.0 |
51.0 |
1.1 |
32 |
55 |
1 |
11.5 |
7 |
|
|
80 |
21 |
38.2 |
19.2 |
8500 |
11000 |
0.529 |
6405 |
42.3 |
62.7 |
1.5 |
34 |
71 |
1.5 |
17 |
6 |
|
|
|
|
|
|
|
|
|
|
|
|
|
|
|
|
|
|
|
28 |
52 |
12 |
|
|
|
|
|
60/28 |
|
|
0.6 |
|
|
|
|
|
|
注:深沟球轴承有双列型,系列4200A,4300A(A表示无装球缺口),它具有除高于单列深沟球轴承1.62倍的径向承载能力外,还可承受轴向载荷。 |
||||||||||||||||

