|
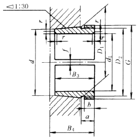
用于内孔锥度为1:30轴承的退卸衬套 (GB/T 9160.1-2017) |
||||||
|
|
||||||
|
尺 寸 /mm |
基本代号 |
配用螺母 代 号 |
||||
|
d1 |
d |
B3 max |
B4 |
G |
退卸衬套 |
|
|
115 |
120 |
73 |
82 |
M125×2 |
AH 24024 |
KM 25 |
|
|
|
93 |
102 |
M130×2 |
AH 24124 |
KM 26 |
|
|
|
|
|
|
|
|
|
125 |
130 |
83 |
93 |
M135×2 |
AH 24026 |
KM 27 |
|
|
|
94 |
104 |
M140×2 |
AH 24126 |
KM 28 |
|
|
|
|
|
|
|
|
|
135 |
140 |
83 |
93 |
M145×2 |
AH 24028 |
KM 29 |
|
|
|
99 |
109 |
M150×2 |
AH 24128 |
KM 30 |
|
|
|
|
|
|
|
|
|
145 |
150 |
90 |
101 |
M155×3 |
AH 24030 |
KM 31 |
|
|
|
115 |
126 |
M160×3 |
AH 24130 |
KM 32 |
|
|
|
|
|
|
|
|
|
150 |
160 |
95 |
106 |
M170×3 |
AH 24032 |
KM 34 |
|
|
|
124 |
135 |
M170×3 |
AH 24132 |
KM 34 |
|
|
|
|
|
|
|
|
|
160 |
170 |
106 |
117 |
M180×3 |
AH 24034 |
KM 36 |
|
|
|
125 |
136 |
M180×3 |
AH 24134 |
KM 36 |
|
|
|
|
|
|
|
|
|
170 |
180 |
116 |
127 |
M 190×3 |
AH 24036 |
KM 38 |
|
|
|
134 |
145 |
M 190×3 |
AH 24136 |
KM 38 |
|
|
|
|
|
|
|
|
|
180 |
190 |
118 |
131 |
M200×3 |
AH 24038 |
KM 40 |
|
|
|
146 |
159 |
M200×3 |
AH 24138 |
KM 40 |
|
|
|
|
|
|
|
|
|
190 |
200 |
127 |
140 |
Tr210×4 |
AH 24040 |
HM 42 |
|
|
|
158 |
171 |
Tr210×4 |
AH 24140 |
HM 42 |
|
|
|
|
|
|
|
|
|
200 |
220 |
138 |
152 |
Tr230×4 |
AH 24044 |
HM 46 |
|
|
|
170 |
184 |
Tr230×4 |
AH 24144 |
HM 46 |
|
|
|
|
|
|
|
|
|
220 |
240 |
138 |
153 |
Tr250×4 |
AH 24048 |
HM 50 |
|
|
|
180 |
195 |
Tr260×4 |
AH 24148 |
HM 52 |
|
|
|
|
|
|
|
|
|
240 |
260 |
162 |
178 |
Tr280×4 |
AH 24052 |
HM 56 |
|
|
|
202 |
218 |
Tr280×4 |
AH 24152 |
HM 56 |
|
|
|
|
|
|
|
|
|
260 |
280 |
162 |
179 |
Tr300×4 |
AH 24056 |
HM 60 |
|
|
|
202 |
219 |
Tr300×4 |
AH 24156 |
HM 60 |
|
|
|
|
|
|
|
|
|
280 |
300 |
184 |
202 |
Tr320×5 |
AH 24060 |
HM 64 |
|
|
|
224 |
242 |
Tr320×5 |
AH 24160 |
HM 64 |
|
|
|
|
|
|
|
|
|
300 |
320 |
184 |
202 |
Tr340×5 |
AH 24064 |
HM 68 |
|
|
|
242 |
260 |
Tr340×5 |
AH 24164 |
HM 68 |
|
|
|
|
|
|
|
|
|
320 |
340 |
206 |
225 |
Tr360×5 |
AH 24068 |
HM 72 |
|
|
|
269 |
288 |
Tr360×5 |
AH 24168 |
HM 72 |
|
|
|
|
|
|
|
|
|
340 |
360 |
206 |
226 |
Tr380×5 |
AH 24072 |
HM 76 |
|
|
|
269 |
289 |
Tr380×5 |
AH 24172 |
HM 76 |
|
|
|
|
|
|
|
|
|
360 |
380 |
208 |
228 |
Tr400×5 |
AH 24076 |
HM 80 |
|
|
|
271 |
291 |
Tr400×5 |
AH 24176 |
HM 80 |
|
|
|
|
|
|
|
|
|
380 |
400 |
228 |
248 |
Tr420×5 |
AH 24080 |
HM 84 |
|
|
|
278 |
298 |
Tr420×5 |
AH 24180 |
HM 84 |
|
|
|
|
|
|
|
|
|
400 |
420 |
230 |
252 |
Tr440×5 |
AH 24084 |
HM 88 |
|
|
|
310 |
332 |
Tr440×5 |
AH 24184 |
HM 88 |
|
|
|
|
|
|
|
|
|
420 |
440 |
242 |
264 |
Tr460×5 |
AH 24088 |
HM 92 |
|
|
|
310 |
332 |
Tr460×5 |
AH 24188 |
HM 92 |
|
|
|
|
|
|
|
|
|
440 |
460 |
250 |
273 |
Tr480×5 |
AH 24092 |
HM 96 |
|
|
|
332 |
355 |
Tr480×5 |
AH 24192 |
HM 96 |
|
|
|
|
|
|
|
|
|
460 |
480 |
250 |
273 |
Tr500×5 |
AH 24096 |
HM/500 |
|
|
|
340 |
363 |
Tr500×5 |
AH 24196 |
HM/500 |
|
|
|
|
|
|
|
|
|
480 |
500 |
253 |
276 |
Tr530×6 |
AH 240/500 |
HM/530 |
|
|
|
360 |
383 |
Tr530×6 |
AH 241/500 |
HM/530 |
|
|
|
|
|
|
|
|
|
500 |
530 |
285 |
309 |
Tr560×6 |
AH 240/530 |
HM/560 |
|
|
|
370 |
394 |
Tr560×6 |
AH 241/530 |
HM/560 |
|
|
|
|
|
|
|
|
|
530 |
560 |
296 |
320 |
Tr600×6 |
AH 240/560 |
HM/600 |
|
|
|
393 |
417 |
Tr600×6 |
AH 241/560 |
HM/600 |
|
|
|
|
|
|
|
|
|
570 |
600 |
310 |
336 |
Tr630×6 |
AH 240/600 |
HM/630 |
|
|
|
413 |
439 |
Tr630×6 |
AH 241/600 |
HM/630 |
|
|
|
|
|
|
|
|
|
600 |
630 |
330 |
356 |
Tr670×6 |
AH 240/630 |
HM/670 |
|
|
|
440 |
466 |
Tr670×6 |
AH 241/630 |
HM/670 |
|
|
|
|
|
|
|
|
|
630 |
670 |
348 |
374 |
Tr710×7 |
AH 240/670 |
HM/710 |
|
|
|
452 |
478 |
Tr710×7 |
AH 241/670 |
HM/710 |
|
|
|
|
|
|
|
|
|
670 |
710 |
360 |
386 |
Tr750×7 |
AH 240/710 |
HM/750 |
|
|
|
483 |
509 |
Tr750×7 |
AH 241/710 |
HM/750 |
|
|
|
|
|
|
|
|
|
710 |
750 |
380 |
408 |
Tr800×7 |
AH 240/750 |
HM/800 |
|
|
|
520 |
548 |
Tr800×7 |
AH 241/750 |
HM/800 |
|
|
|
|
|
|
|
|
|
750 |
800 |
395 |
423 |
Tr850×7 |
AH 240/800 |
HM/850 |
|
|
|
525 |
553 |
Tr850×7 |
AH 241/800 |
HM/850 |
|
|
|
|
|
|
|
|
|
800 |
850 |
415 |
445 |
Tr900×7 |
AH 240/850 |
HM/900 |
|
|
|
560 |
600 |
Tr900×7 |
AH 241/850 |
HM/900 |
|
|
|
|
|
|
|
|
|
850 |
900 |
430 |
475 |
Tr950×8 |
AH 240/900 |
HM/950 |
|
|
|
575 |
620 |
Tr950×8 |
AH 241/900 |
HM/950 |
|
|
|
|
|
|
|
|
|
900 |
950 |
467 |
512 |
Tr1000×8 |
AH 240/950 |
HM/1000 |
|
|
|
605 |
650 |
Tr1000×8 |
AH 241/950 |
HM/1000 |
|
|
|
|
|
|
|
|
|
950 |
1000 |
469 |
519 |
Tr1060×8 |
AH 240/1000 |
HM/1060 |
|
|
|
645 |
695 |
Tr1060×8 |
AH 241/1000 |
HM/1060 |
|
|
|
|
|
|
|
|
|
1000 |
1060 |
498 |
548 |
Tr1120×8 |
AH 240/1060 |
HM/1120 |
|
|
|
665 |
715 |
Tr1120×8 |
AH 241/1060 |
HM/1120 |

