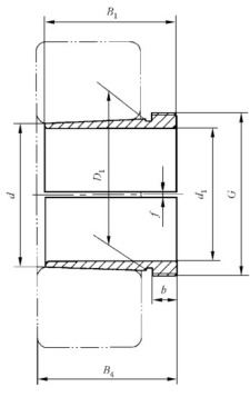
用于内孔锥度为1:12轴承的退卸衬套(GB/T 9160.1-2017) | |||||||||||||
退卸衬套适用于将锥孔(锥度为1:12或1:30)轴承安装于圆柱形轴上。轴承安装于紧靠轴肩处,退卸衬套被轴上螺母压入轴承内孔,直到轴承径向游隙减小到合适值为止。拆卸轴承时,拧紧另一个特制螺母使退卸衬套退出。适用于径向载荷较大,轴向载荷较小的双列球面轴承在光轴上固定。 | |||||||||||||
尺 寸 /mm | 重量/kg | 基本代号 | 配用螺母 代 号 | ||||||||||
d1 | d | B1 max | B4 | D1 | D2 | a | b | f | r | G | W ≈ | 退卸衬套 | |
170 | 180 | 69 | 74 | 184.58 | 183.0 | 19 | 16 | 5 | 2 | M190×3 | — | AH 236 | KM 38 |
| | 92 | 98 | 186.25 | 185.0 | 23 | 17 | 5 | 2 | M190×3 | 2.81 | AH 3036 | KM 38 |
| | 105 | 110 | 187.50 | 186.0 | 20 | 17 | 5 | 2 | M190×3 | — | AHX 336 | KM 38 |
| | 116 | 122 | 188.33 | 187.0 | 22 | 19 | 5 | 2 | M190×3 | 3.76 | AHX 3136 | KM 38 |
| | 140 | 146 | 189.92 | 188.0 | 27 | 24 | 5 | 2 | M190×3 | 5.32 | AHX 3236 | KM 38 |
| | 154 | 160 | 190.92 | 189.0 | 29 | 26 | 5 | 2 | M190×3 | 5.83 | AHX 2336 | KM 38 |
66 | 71 | 184.25 | 13 | 5 | M190×3 | AH 3936 | KML 38 | ||||||
105 | 110 | 187.5 | 17 | 5 | M190×3 | AHX 2236 | KM 38 | ||||||
| | | | | | | | | | | | | |
180 | 190 | 73 | 78 | 194.58 | 193.0 | 23 | 17 | 5 | 2 | M200×3 | — | AHX 238 | KM 40 |
| | 96 | 102 | 196.50 | 195.0 | 24 | 18 | 5 | 2 | M200×3 | 3.32 | AHX 3038 | KM 40 |
| | 112 | 117 | 197.75 | 196.0 | 24 | 18 | 5 | 2 | M200×3 | — | AHX 2238 | KM 40 |
| | 125 | 131 | 198.75 | 197.0 | 26 | 20 | 5 | 2 | M200×3 | 4.89 | AHX 3138 | KM 40 |
| | 145 | 152 | 200.08 | 199.0 | 31 | 25 | 5 | 2 | M200×3 | 5.90 | AHX 3238 | KM 40 |
| | 160 | 167 | 201.25 | 200.0 | 32 | 26 | 5 | 2 | M200×3 | 6.63 | AHX 2338 | KM 40 |
66 | 71 | 193.92 | 13 | 5 | M200×3 | AH 3938 | KML 40 | ||||||
| | | | | | | | | | | | | |
190 | 200 | 77 | 82 | 204.83 | 203.0 | 24 | 18 | 5 | 2 | Tr210×4 | — | AHX 240 | HM 42 |
| | 102 | 108 | 206.92 | 205.0 | 25 | 19 | 5 | 2 | Tr210×4 | 3.80 | AHX 3040 | HM 42 |
| | 118 | 123 | 208.17 | 207.0 | 25 | 19 | 5 | 2 | Tr220×4 | — | AH 2240 | HM 44 |
| | 134 | 140 | 209.42 | 208.0 | 27 | 21 | 5 | 2 | Tr220×4 | 5.49 | AH 3140 | HM 44 |
| | 153 | 160 | 210.75 | 209.0 | 31 | 25 | 5 | 2 | Tr220×4 | 6.68 | AH 3240 | HM 44 |
| | 170 | 177 | 211.75 | 210.0 | 36 | 30 | 5 | 2 | Tr220×4 | 7.54 | AH 2340 | HM 44 |
77 | 83 | 204.83 | 16 | 5 | Tr220×4 | AH 3940 | HML 44 | ||||||
| | | | | | | | | | | | | |
200 | 220 | 85 | 91 | 225.58 | 224.0 | 24 | 18 | 5 | 2 | Tr230×4 | — | AHX 244 | HM 46 |
| | 111 | 117 | 227.58 | 226.0 | 26 | 20 | 5 | 2 | Tr230×4 | 7.40 | AHX 3044 | HM 46 |
| | 130 | 136 | 229.17 | 228.0 | 26 | 20 | 5 | 2 | Tr240×4 | — | AH 2244 | HM 48 |
| | 145 | 151 | 230.17 | 229.0 | 29 | 23 | 5 | 2 | Tr240×4 | 10.40 | AH 3144 | HM 48 |
| | 181 | 189 | 232.75 | 231.0 | 36 | 30 | 5 | 2 | Tr240×4 | 13.50 | AH 2344 | HM 48 |
77 | 83 | 224.75 | 16 | 5 | Tr240×4 | AH 3944 | HML 48 | ||||||
| | | | | | | | | | | | | |
220 | 240 | 96 | 102 | 246.17 | 245.0 | 28 | 22 | 5 | 2 | Tr260×4 | — | AHX 248 | HML 52 |
| | 116 | 123 | 248.00 | 247.0 | 27 | 21 | 5 | 2 | Tr260×4 | 8.75 | AH 3048 | HML 52 |
| | 144 | 150 | 250.25 | 249.0 | 27 | 21 | 5 | 2 | Tr260×4 | — | AH 2248 | HM 52 |
| | 154 | 161 | 250.83 | 249.0 | 31 | 25 | 5 | 2 | Tr260×4 | 12.0 | AH 3148 | HM 52 |
| | 189 | 197 | 253.42 | 252.0 | 36 | 30 | 5 | 2 | Tr260×4 | 15.50 | AH 2348 | HM 52 |
77 | 83 | 244.67 | 16 | 5 | Tr260×4 | AH 3948 | HML 52 | ||||||
| | | | | | | | | | | | | |
240 | 260 | 105 | 111 | 266.83 | 265.0 | 29 | 23 | 6 | 3 | Tr280×4 | — | AHX 252 | HML 56 |
| | 128 | 135 | 268.83 | 267.0 | 29 | 23 | 6 | 3 | Tr280×4 | 10.70 | AH 3052 | HML 56 |
| | 155 | 161 | 271.00 | 270.0 | 29 | 23 | 6 | 3 | Tr280×4 | — | AHX 2252 | HM 56 |
| | 172 | 179 | 272.25 | 271.0 | 32 | 26 | 6 | 3 | Tr280×4 | 16.20 | AHX 3152 | HM 56 |
| | 205 | 213 | 274.75 | 273.0 | 36 | 30 | 6 | 3 | Tr280×4 | 19.60 | AHX 2352 | HM 56 |
94 | 100 | 265.92 | 18 | 6 | Tr280×4 | AH 3952 | HML 56 | ||||||
| | | | | | | | | | | | | |
260 | 280 | 105 | 113 | 287.00 | 286.0 | 29 | 23 | 6 | 3 | Tr300×4 | — | AHX 256 | HML 60 |
| | 131 | 139 | 289.08 | 288.0 | 30 | 24 | 6 | 3 | Tr300×4 | 12.0 | AH 3056 | HML 60 |
| | 155 | 163 | 291.08 | 290.0 | 30 | 24 | 6 | 3 | Tr300×4 | — | AHX 2256 | HM 60 |
| | 175 | 183 | 292.42 | 291.0 | 34 | 28 | 6 | 3 | Tr300×4 | 17.5 | AHX 3156 | HM 60 |
| | 212 | 220 | 295.33 | 294.0 | 36 | 30 | 6 | 3 | Tr300×4 | 21.6 | AHX 2356 | HM 60 |
94 | 100 | 285.83 | 18 | 6 | Tr300×4 | AH 3956 | HML 60 | ||||||
| | | | | | | | | | | | | |
280 | 300 | 145 | 153 | 310.08 | 309.0 | 32 | 26 | 6 | 3 | Tr320×5 | 14.4 | AH 3060 | HML 64 |
| | 170 | 178 | 312.17 | 311.0 | 32 | 26 | 6 | 3 | Tr320×5 | — | AHX 2260 | HM 64 |
| | 192 | 200 | 313.67 | 312.0 | 36 | 30 | 6 | 3 | Tr320×5 | 20.8 | AHX 3160 | HM 64 |
| | 228 | 236 | 316.33 | 315.0 | 40 | 34 | 6 | 3 | Tr320×5 | 26.0 | AHX 3260 | HM 64 |
112 | 112 | 307.25 | 21 | 6 | Tr320×5 | AH 3960 | HML 64 | ||||||
| | | | | | | | | | | | | |
300 | 320 | 149 | 157 | 330.33 | 329.0 | 33 | 27 | 6 | 3 | Tr340×5 | 16.0 | AHX 3064 | HML 68 |
| | 180 | 190 | 333.08 | 332.0 | 33 | 27 | 6 | 3 | Tr340×5 | — | AHX 2264 | HM 68 |
| | 209 | 217 | 335.00 | 334.0 | 37 | 31 | 6 | 3 | Tr340×5 | 24.5 | AHX 3164 | HM 68 |
| | 246 | 254 | 337.67 | 336.0 | 42 | 36 | 6 | 3 | Tr340×4 | 30.6 | AHX 3264 | HM 68 |
112 | 119 | 327.17 | 21 | 6 | Tr340×4 | AH 3964 | HML 68 | ||||||
| | | | | | | | | | | | | |
320 | 340 | 162 | 171 | 351.42 | 350.0 | 34 | 28 | 6 | 3 | Tr360×5 | 19.5 | AHX 3068 | HML 72 |
| | 225 | 234 | 356.25 | 355.0 | 39 | 33 | 6 | 3 | Tr360×5 | 29.0 | AHX 3168 | HM 72 |
| | 264 | 273 | 359.08 | 358.0 | 44 | 38 | 6 | 3 | Tr360×5 | 35.4 | AHX 3268 | HM 72 |
112 | 119 | 347.08 | 21 | 6 | Tr360×5 | AH 3968 | HML 72 | ||||||
| | | | | | | | | | | | | |
340 | 360 | 167 | 176 | 371.67 | 370.0 | 36 | 30 | 6 | 3 | Tr380×5 | 21.0 | AHX 3072 | HML 76 |
| | 229 | 238 | 376.42 | 375.0 | 41 | 35 | 6 | 3 | Tr380×5 | 33.0 | AHX 3172 | HM 76 |
| | 274 | 283 | 379.95 | 378.0 | 46 | 40 | 6 | 3 | Tr380×5 | 41.5 | AHX 3272 | HM 76 |
112 | 119 | 366.92 | 21 | 6 | Tr380×5 | AH 3972 | HML 76 | ||||||
| | | | | | | | | | | | | |
360 | 380 | 170 | 180 | 391.92 | 390.0 | 37 | 31 | 6 | 3 | Tr400×5 | 23.2 | AHX 3076 | HML 80 |
| | 232 | 242 | 396.67 | 395.0 | 42 | 36 | 6 | 3 | Tr400×5 | 35.7 | AHX 3176 | HM 80 |
| | 284 | 294 | 400.50 | 399.0 | 48 | 42 | 6 | 3 | Tr400×5 | 45.6 | AHX 3276 | HM 80 |
130 | 138 | 388.42 | 22 | 6 | Tr400×5 | AH 3976 | HML 80 | ||||||
| | | | | | | | | | | | | |
380 | 400 | 183 | 193 | 412.83 | 411.0 | 39 | 33 | 6 | 3 | Tr420×5 | 27.3 | AHX 3080 | HML 84 |
| | 240 | 250 | 417.17 | 416.0 | 44 | 38 | 6 | 3 | Tr420×5 | 39.5 | AHX 3180 | HM 84 |
| | 302 | 312 | 421.83 | 420.0 | 50 | 44 | 6 | 3 | Tr420×5 | 51.7 | AHX 3280 | HM 84 |
130 | 138 | 408.25 | 22 | 6 | Tr420×5 | AH 3980 | HML 84 | ||||||
| | | | | | | | | | | | | |
400 | 420 | 186 | 196 | 433.00 | 432.0 | 40 | 34 | 8 | 3 | Tr440×5 | 29.0 | AHX 3084 | HML 88 |
| | 266 | 276 | 439.17 | 438.0 | 46 | 40 | 8 | 3 | Tr440×5 | 46.5 | AHX 3184 | HM 88 |
| | 321 | 331 | 443.25 | 442.0 | 52 | 46 | 8 | 3 | Tr440×5 | 58.9 | AHX 3284 | HM 88 |
130 | 138 | 428.17 | 22 | 8 | Tr440×5 | AH 3984 | HML 88 | ||||||
| | | | | | | | | | | | | |
420 | 440 | 194 | 205 | 453.67 | 452.0 | 41 | 35 | 8 | 3 | Tr460×5 | 32.0 | AHX 3088 | HML 92 |
| | 270 | 281 | 459.42 | 458.0 | 48 | 42 | 8 | 3 | Tr460×5 | 49.8 | AHX 3188 | HM 92 |
| | 330 | 341 | 463.92 | 462.0 | 54 | 48 | 8 | 3 | Tr460×5 | 63.8 | AHX 3288 | HM 92 |
145 | 153 | 449.33 | 25 | 8 | Tr460×5 | AH 3988 | HML 92 | ||||||
| | | | | | | | | | | | | |
440 | 460 | 202 | 213 | 474.17 | 473.0 | 43 | 37 | 8 | 3 | Tr480×5 | 35.2 | AHX 3092 | HML 96 |
| | 285 | 296 | 480.58 | 479.0 | 49 | 43 | 8 | 3 | Tr480×5 | 57.9 | AHX 3192 | HM 96 |
| | 349 | 360 | 485.33 | 484.0 | 56 | 50 | 8 | 3 | Tr480×5 | 74.5 | AHX 3292 | HM 96 |
145 | 153 | 469.17 | 25 | 8 | Tr480×5 | AH 3992 | HML 92 | ||||||
| | | | | | | | | | | | | |
460 | 480 | 205 | 217 | 494.42 | 493.0 | 44 | 38 | 8 | 3 | Tr500×5 | 39.2 | AHX 3096 | HML/500 |
| | 295 | 307 | 501.33 | 500.0 | 51 | 45 | 8 | 4 | Tr500×5 | 63.1 | AHX 3196 | HM/500 |
| | 364 | 376 | 506.50 | 505.0 | 58 | 52 | 8 | 4 | Tr500×5 | 82.1 | AHX 3296 | HM/500 |
158 | 167 | 490.25 | 28 | 8 | Tr500×5 | AH 3996 | HML/500 | ||||||
| | | | | | | | | | | | | |
480 | 500 | 209 | 221 | 514.58 | 513.0 | 46 | 40 | 8 | 3 | Tr530×6 | 42.5 | AHX30/500 | HML/530 |
| | 313 | 325 | 522.67 | 521.0 | 53 | 47 | 8 | 4 | Tr530×6 | 70.9 | AHX31/500 | HM/530 |
393 | 405 | 528.75 | 527.0 | 60 | 54 | 8 | 4 | Tr530×6 | 94.6 | AHX32/500 | HM/530 | ||
162 | 172 | 510.5 | 32 | 8 | Tr530×6 | AH 39/500 | HML/530 | ||||||
500 | 530 | 175 | 185 | 540.83 | 37 | 10 | Tr560×6 | AH 39/530 | HML/560 | ||||
230 | 242 | 545.58 | 45 | 10 | Tr560×6 | AH 30/530 | HML/560 | ||||||
325 | 337 | 553 | 51 | 10 | Tr560×6 | AH 31/530 | HM/560 | ||||||
412 | 424 | 559.83 | 56 | 10 | Tr560×6 | AH 32/530 | HM/560 | ||||||
530 | 560 | 180 | 190 | 571.25 | 37 | 10 | Tr600×6 | AH 39/560 | HML/600 | ||||
240 | 252 | 576.42 | 45 | 10 | Tr600×6 | AH 30/560 | HML/600 | ||||||
335 | 347 | 584.33 | 45 | 10 | Tr600×6 | AH 31/560 | HM/600 | ||||||
422 | 434 | 591.17 | 50 | 10 | Tr600×6 | AH 32/560 | HM/600 | ||||||
570 | 600 | 192 | 202 | 612.25 | 38 | 10 | Tr630×6 | AH 39/600 | HML/630 | ||||
245 | 259 | 617 | 48 | 10 | Tr630×6 | AH 30/600 | HML/630 | ||||||
355 | 369 | 625.17 | 57 | 10 | Tr630×6 | AH 31/600 | HM/630 | ||||||
445 | 459 | 632.08 | 64 | 10 | Tr630×6 | AH 32/600 | HM/630 | ||||||
600 | 630 | 210 | 222 | 643.67 | 40 | 10 | Tr670×6 | AH 39/630 | HML/670 | ||||
258 | 272 | 647.83 | 54 | 10 | Tr670×6 | AH 30/630 | HML/670 | ||||||
375 | 389 | 656.25 | 64 | 10 | Tr670×6 | AH 31/630 | HM/670 | ||||||
475 | 489 | 664.08 | 70 | 10 | Tr670×6 | AH 32/630 | HM/670 | ||||||
630 | 670 | 216 | 228 | 683.67 | 41 | 10 | Tr710×7 | AH 39/670 | HML/710 | ||||
280 | 294 | 689.17 | 54 | 10 | Tr710×7 | AH 30/670 | HML/710 | ||||||
395 | 409 | 697.92 | 64 | 10 | Tr710×7 | AH 31/670 | HM/710 | ||||||
500 | 514 | 706.17 | 70 | 10 | Tr710×7 | AH 32/670 | HM/710 | ||||||
670 | 710 | 228 | 240 | 724.67 | 43 | 10 | Tr750×6 | AH 39/710 | HML/750 | ||||
286 | 302 | 729.83 | 54 | 12 | Tr750×6 | AH 30/710 | HML/750 | ||||||
405 | 421 | 738.67 | 67 | 10 | Tr750×6 | AH 31/710 | HM/750 | ||||||
515 | 531 | 747.25 | 74 | 10 | Tr750×6 | AH 32/710 | HM/750 | ||||||
710 | 750 | 234 | 246 | 765.17 | 44 | 12 | Tr800×7 | AH 39/750 | HML/800 | ||||
300 | 316 | 771 | 54 | 12 | Tr800×7 | AH 30/750 | HML/800 | ||||||
425 | 441 | 780.33 | 67 | 12 | Tr800×7 | AH 31/750 | HM/800 | ||||||
540 | 556 | 789.33 | 74 | 12 | Tr800×7 | AH 32/750 | HM/800 | ||||||
750 | 800 | 245 | 257 | 816.08 | 45 | 12 | Tr850×7 | AH 39/800 | HML/850 | ||||
308 | 326 | 821.83 | 60 | 12 | Tr850×7 | AH 30/800 | HML/850 | ||||||
438 | 456 | 831.25 | 71 | 12 | Tr850×7 | AH 31/800 | HM/850 | ||||||
550 | 568 | 839.83 | 80 | 12 | Tr850×7 | AH 32/800 | HM/850 | ||||||
800 | 850 | 258 | 270 | 866.67 | 50 | 12 | Tr900×7 | AH 39/850 | HML/900 | ||||
325 | 343 | 872.75 | 60 | 12 | Tr900×7 | AH 30/850 | HML/900 | ||||||
462 | 480 | 882.92 | 75 | 12 | Tr900×7 | AH 31/850 | HM/900 | ||||||
585 | 603 | 895.42 | 84 | 12 | Tr900×7 | AH 32/850 | HM/900 | ||||||
850 | 900 | 265 | 277 | 917.25 | 51 | 12 | Tr950×8 | AH 39/900 | HML/950 | ||||
335 | 355 | 923.75 | 60 | 14 | Tr950×8 | AH 30/900 | HML/950 | ||||||
475 | 495 | 934.17 | 75 | 12 | Tr950×8 | AH 31/900 | HM/950 | ||||||
585 | 605 | 952.58 | 84 | 14 | Tr950×8 | AH 32/900 | HM/950 | ||||||
900 | 950 | 282 | 297 | 968.92 | 51 | 14 | 1000×8 | AH 39/950 | HML/1000 | ||||
355 | 375 | 975.42 | 60 | 14 | Tr1000×8 | AH 30/950 | HML/1000 | ||||||
500 | 520 | 986.285 | 75 | 14 | Tr1000×8 | AH 31/950 | HM/1000 | ||||||
600 | 620 | 993.83 | 84 | 14 | Tr1000×8 | AH 32/950 | HM/1000 | ||||||
950 | 1000 | 296 | 311 | 1020.08 | 52 | 14 | Tr1060×8 | AH 39/1000 | HML/1060 | ||||
365 | 387 | 1026.42 | 60 | 14 | Tr1060×8 | AH 30/1000 | HML/1060 | ||||||
525 | 547 | 1038.5 | 75 | 14 | Tr1060×8 | AH 31/1000 | HM/1060 | ||||||
630 | 652 | 1046.5 | 84 | 14 | Tr1060×8 | AH 32/1000 | HM/1060 | ||||||
1000 | 1060 | 310 | 325 | 1081.25 | 52 | 14 | Tr1120×8 | AH 39/1060 | HML/1120 | ||||
385 | 407 | 1088.08 | 60 | 14 | Tr1120×8 | AH 30/1060 | HML/1120 | ||||||
540 | 562 | 1099.75 | 75 | 14 | Tr1120×8 | AH 31/1060 | HM/1120 | ||||||
推卸衬套型号 | 外形尺寸 | 参考尺寸 | 适配的锁紧螺母型号 | ||||||
d | d1 | G | B1 max | B4 | D1 | b | f | ||
AH 24024 | 120 | 115 | M 125×2 | 73 | 82 | 122.2 | 13 | 4 | KM 25 |
AH 24026 | 130 | 125 | M 135×2 | 83 | 93 | 132.53 | 14 | 4 | KM 27 |
AH 24028 | 140 | 135 | M 145×2 | 83 | 93 | 142.53 | 14 | 4 | KM 29 |
AH 24030 | 150 | 145 | M 155×3 | 90 | 101 | 152.47 | 15 | 5 | KM 31 |
AH 24032 | 160 | 150 | M 170×3 | 95 | 106 | 162.93 | 15 | 5 | KM 34 |
AH 24034 | 170 | 160 | M 180×3 | 106 | 117 | 17..23 | 16 | 5 | KM 36 |
AH 24036 | 180 | 170 | M 190×3 | 116 | 127 | 183.57 | 16 | 5 | KM 38 |
AH 24038 | 190 | 180 | M 200×3 | 118 | 131 | 193.57 | 18 | 5 | KM 40 |
AH 24040 | 200 | 190 | Tr 210×4 | 127 | 140 | 203.87 | 18 | 5 | KM 42 |
AH 24044 | 220 | 200 | Tr 230×4 | 138 | 152 | 224.2 | 20 | 5 | KM 46 |
AH 24048 | 240 | 220 | Tr 250×4 | 138 | 153 | 244.23 | 20 | 5 | KM 50 |
AH 24052 | 260 | 240 | Tr 280×4 | 162 | 178 | 265 | 22 | 6 | KM 56 |
AH 24056 | 280 | 260 | Tr 300×4 | 162 | 179 | 285.03 | 22 | 6 | HM 60 |
AH 24060 | 300 | 280 | Tr 320×5 | 184 | 202 | 305.73 | 24 | 6 | HM 64 |
AH 24064 | 320 | 300 | Tr 340×5 | 184 | 202 | 325.73 | 24 | 6 | HM 68 |
AH 24068 | 340 | 320 | Tr 360×5 | 206 | 225 | 346.43 | 26 | 6 | HM 72 |
AH 24072 | 360 | 340 | Tr 380×5 | 206 | 226 | 366.47 | 26 | 6 | HM 76 |
AH 24076 | 380 | 360 | Tr 400×5 | 208 | 228 | 386.48 | 28 | 6 | HM 80 |
AH 24080 | 400 | 380 | Tr 420×5 | 228 | 248 | 407.13 | 28 | 6 | HM 84 |
AH 24084 | 420 | 400 | Tr 440×5 | 230 | 252 | 427.2 | 30 | 8 | HM 88 |
AH 24088 | 440 | 420 | Tr 460×5 | 242 | 264 | 447.6 | 30 | 8 | HM 92 |
AH 24092 | 460 | 440 | Tr 480×5 | 250 | 273 | 467.83 | 32 | 8 | HM 96 |
AH 24096 | 480 | 460 | Tr 500×5 | 250 | 273 | 487.83 | 32 | 8 | HM/500 |
AH 240/500 | 500 | 480 | Tr 530×6 | 253 | 276 | 507.83 | 35 | 8 | HM/530 |
AH 240/530 | 530 | 500 | Tr 560×6 | 285 | 309 | 538.93 | 35 | 10 | HM/560 |
AH 240/560 | 560 | 530 | Tr 600×6 | 296 | 320 | 569.2 | 38 | 10 | HM/600 |
AH 240/600 | 600 | 570 | Tr 630×6 | 310 | 336 | 609.73 | 38 | 10 | HM/630 |
AH 240/630 | 630 | 600 | Tr 670×6 | 330 | 356 | 640.4 | 38 | 10 | HM/670 |
AH 240/670 | 670 | 630 | Tr 710×7 | 348 | 374 | 680.8 | 40 | 10 | HM/710 |
AH 240/710 | 710 | 670 | Tr 750×7 | 360 | 386 | 721.03 | 45 | 10 | HM/750 |
AH 240/750 | 750 | 710 | Tr 800×7 | 380 | 408 | 761.77 | 45 | 10 | HM/800 |
AH 240/800 | 800 | 750 | Tr 850×7 | 395 | 423 | 811.93 | 50 | 10 | HM/850 |
AH 240/850 | 850 | 800 | Tr 900×7 | 415 | 445 | 862.67 | 50 | 10 | HM/900 |
AH 240/900 | 900 | 850 | Tr 950×8 | 430 | 475 | 913.5 | 55 | 10 | HM/950 |
AH 240/950 | 950 | 900 | Tr 1000×8 | 467 | 512 | 964.73 | 55 | 10 | HM/1000 |
AH 240/1000 | 1000 | 950 | Tr 1060×8 | 469 | 519 | 1014.9 | 57 | 10 | HM/1060 |
AH 240/1060 | 1060 | 1000 | Tr 1120×8 | 498 | 548 | 1075.77 | 60 | 10 | HM/1120 |
推卸衬套型号 | 外形尺寸 | 参考尺寸 | 适配的锁紧螺母型号 | ||||||
d | d1 | G | B1 max | B4 | D1 | b | f | ||
AH 24122 | 115 | 105 | M 115×2 | 82 | 91 | 112.5 | 13 | 4 | KM 23 |
AH 24124 | 120 | 115 | M 130×2 | 93 | 102 | 122.87 | 13 | 4 | KM 26 |
AH 24126 | 130 | 125 | M 140×2 | 94 | 104 | 132.9 | 14 | 4 | KM 28 |
AH 24128 | 140 | 135 | M 150×2 | 99 | 109 | 143.07 | 14 | 4 | KM 30 |
AH 24130 | 150 | 145 | M 160×3 | 115 | 126 | 153.6 | 15 | 4 | KM 32 |
AH 24132 | 160 | 150 | M 170×3 | 124 | 135 | 163.9 | 15 | 5 | KM 34 |
AH 24134 | 170 | 160 | M 180×3 | 125 | 136 | 173.9 | 16 | 5 | KM 36 |
AH 24136 | 180 | 170 | M 190×3 | 134 | 145 | 184.2 | 16 | 5 | KM 38 |
AH 24138 | 190 | 180 | M 200×3 | 146 | 159 | 194.6 | 18 | 5 | KM 40 |
AH 24140 | 200 | 190 | Tr 210×4 | 158 | 171 | 204.9 | 18 | 5 | KM 42 |
AH 24144 | 220 | 200 | Tr 230×4 | 170 | 184 | 225.27 | 20 | 5 | KM 46 |
AH 24148 | 240 | 220 | Tr 250×4 | 180 | 195 | 245.63 | 20 | 5 | KM 52 |
AH 24152 | 260 | 240 | Tr 280×4 | 202 | 218 | 266.33 | 22 | 6 | KM 56 |
AH 24156 | 280 | 260 | Tr 300×4 | 202 | 219 | 286.37 | 22 | 6 | HM 60 |
AH 24160 | 300 | 280 | Tr 320×5 | 224 | 242 | 307.07 | 24 | 6 | HM 64 |
AH 24164 | 320 | 300 | Tr 340×5 | 242 | 260 | 327.67 | 24 | 6 | HM 68 |
AH 24168 | 340 | 320 | Tr 360×5 | 269 | 288 | 348.53 | 26 | 6 | HM 72 |
AH 24172 | 360 | 340 | Tr 380×5 | 269 | 289 | 368.57 | 26 | 6 | HM 76 |
AH 24176 | 380 | 360 | Tr 400×5 | 271 | 291 | 388.57 | 28 | 6 | HM 80 |
AH 24180 | 400 | 380 | Tr 420×5 | 278 | 298 | 408.8 | 28 | 6 | HM 84 |
AH 24184 | 420 | 400 | Tr 440×5 | 310 | 332 | 429.87 | 30 | 8 | HM 88 |
AH 24188 | 440 | 420 | Tr 460×5 | 310 | 332 | 449.87 | 30 | 8 | HM 92 |
AH 24192 | 460 | 440 | Tr 480×5 | 332 | 355 | 470.57 | 32 | 8 | HM 96 |
AH 24196 | 480 | 460 | Tr 500×5 | 340 | 363 | 490.83 | 32 | 8 | HM/500 |
AH 241/500 | 500 | 480 | Tr 530×6 | 360 | 383 | 511.4 | 35 | 8 | HM/530 |
AH 241/530 | 530 | 500 | Tr 560×6 | 370 | 394 | 541.47 | 35 | 10 | HM/560 |
AH 241/560 | 560 | 530 | Tr 600×6 | 393 | 417 | 572.07 | 38 | 10 | HM/600 |
AH 241/600 | 600 | 570 | Tr 630×6 | 413 | 439 | 612.63 | 38 | 10 | HM/630 |
AH 241/630 | 630 | 600 | Tr 670×6 | 440 | 466 | 643.87 | 40 | 10 | HM/670 |
AH 241/670 | 670 | 630 | Tr 710×7 | 452 | 478 | 684.27 | 40 | 10 | HM/710 |
AH 241/710 | 710 | 670 | Tr 750×7 | 483 | 509 | 725.13 | 45 | 10 | HM/750 |
AH 241/750 | 750 | 710 | Tr 800×7 | 520 | 548 | 766.43 | 45 | 10 | HM/800 |
AH 241/800 | 800 | 750 | Tr 850×7 | 525 | 553 | 816.27 | 50 | 10 | HM/850 |
AH 241/850 | 850 | 800 | Tr 900×7 | 560 | 600 | 867.67 | 55 | 10 | HM/900 |
AH 241/900 | 900 | 850 | Tr 950×8 | 575 | 620 | 918.17 | 60 | 10 | HM/950 |
AH 241/950 | 950 | 900 | Tr 1000×8 | 605 | 650 | 969.17 | 60 | 10 | HM/1000 |
AH 241/1000 | 1000 | 950 | Tr 1060×8 | 645 | 695 | 1020.5 | 65 | 10 | HM/1060 |
AH 241/1060 | 1060 | 1000 | Tr 1120×8 | 665 | 712 | 1081.17 | 65 | 10 | HM/1120 |

