|
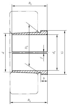
用于内孔锥度为1:12轴承的退卸衬套(GB/T 9160.1-2017) |
|||||||||||||
|
退卸衬套适用于将锥孔(锥度为1:12或1:30)轴承安装于圆柱形轴上。轴承安装于紧靠轴肩处,退卸衬套被轴上螺母压入轴承内孔,直到轴承径向游隙减小到合适值为止。拆卸轴承时,拧紧另一个特制螺母使退卸衬套退出。适用于径向载荷较大,轴向载荷较小的双列球面轴承在光轴上固定。 |
|||||||||||||
|
尺 寸 /mm |
重量/kg |
基本代号 |
配用螺母 代 号 |
||||||||||
|
d1 |
d |
B1 max |
B4 |
D1 |
D2 |
a |
b |
f |
r |
G |
W ≈ |
退卸衬套 |
|
|
35 |
40 |
25 |
27 |
41.50 |
41.0 |
9 |
6 |
2 |
0.5 |
M45×1.5 |
— |
AH 208 |
KM 09 |
|
|
|
29 |
32 |
41.92 |
41.0 |
9 |
6 |
2 |
0.5 |
M45×1.5 |
0.09 |
AH 308 |
KM 09 |
|
|
|
40 |
43 |
42.75 |
42.0 |
10 |
7 |
2 |
0.5 |
M45×1.5 |
0.128 |
AH 2308 |
KM 09 |
|
|
|
|
|
|
|
|
|
|
|
|
|
|
|
|
40 |
45 |
26 |
29 |
46.67 |
46.0 |
9 |
6 |
2 |
0.5 |
M50×1.5 |
— |
AH 209 |
KM 10 |
|
|
|
31 |
34 |
47.08 |
46.5 |
9 |
6 |
2 |
0.5 |
M50×1.5 |
0.109 |
AH 309 |
KM 10 |
|
|
|
44 |
47 |
48.08 |
47.5 |
10 |
7 |
2 |
0.5 |
M50×1.5 |
0.164 |
AH 2309 |
KM 10 |
|
|
|
|
|
|
|
|
|
|
|
|
|
|
|
|
45 |
50 |
28 |
31 |
51.15 |
51.0 |
10 |
7 |
2 |
0.5 |
M55×2 |
— |
AH 210 |
KM 11 |
|
|
|
35 |
38 |
52.33 |
51.5 |
10 |
7 |
2 |
0.5 |
M55×2 |
0.137 |
AH 310 |
KM 11 |
|
|
|
50 |
53 |
53.50 |
52.0 |
12 |
9 |
2 |
0.5 |
M55×2 |
0.209 |
AH 2310 |
KM 11 |
|
|
|
|
|
|
|
|
|
|
|
|
|
|
|
|
50 |
55 |
29 |
32 |
56.83 |
56.0 |
10 |
7 |
3 |
0.5 |
M60×2 |
— |
AH 211 |
KM 12 |
|
|
|
37 |
40 |
57.50 |
56.5 |
10 |
7 |
3 |
0.5 |
M60×2 |
0.161 |
AH 311 |
KM 12 |
|
|
|
54 |
57 |
58.67 |
57.0 |
13 |
10 |
3 |
0.5 |
M60×2 |
0.253 |
AH 2311 |
KM 12 |
|
|
|
|
|
|
|
|
|
|
|
|
|
|
|
|
55 |
60 |
32 |
35 |
62.00 |
61.5 |
11 |
8 |
3 |
0.5 |
M65×2 |
— |
AH 212 |
KM 13 |
|
|
|
40 |
43 |
62.67 |
61.5 |
11 |
8 |
3 |
0.5 |
M65×2 |
0.189 |
AH 312 |
KM 13 |
|
|
|
58 |
61 |
63.92 |
62.0 |
14 |
11 |
3 |
0.5 |
M65×2 |
0.297 |
AH 2312 |
KM 13 |
|
|
|
|
|
|
|
|
|
|
|
|
|
|
|
|
60 |
65 |
32.5 |
36 |
67.08 |
66.5 |
11 |
8 |
3 |
1 |
M70×2 |
— |
AHX 213 |
KM 14 |
|
|
|
42 |
45 |
67.83 |
67.0 |
11 |
8 |
3 |
1 |
M70×2 |
0.253 |
AHX 313 |
KM 14 |
|
|
|
61 |
64 |
69.08 |
68.5 |
15 |
12 |
3 |
1 |
M70×2 |
0.395 |
AHX 2313 |
KM 14 |
|
|
|
|
|
|
|
|
|
|
|
|
|
|
|
|
65 |
70 |
33.5 |
37 |
72.17 |
71.5 |
11 |
8 |
3 |
1 |
M75×2 |
— |
AHX 214 |
KM 15 |
|
|
|
43 |
47 |
73.00 |
72.5 |
11 |
8 |
3 |
1 |
M75×2 |
0.28 |
AHX 314 |
KM 15 |
|
|
|
64 |
68 |
74.42 |
73.5 |
15 |
12 |
3 |
1 |
M75×2 |
0.466 |
AHX 2314 |
KM 15 |
|
|
|
|
|
|
|
|
|
|
|
|
|
|
|
|
70 |
75 |
34.5 |
38 |
77.25 |
76.5 |
11 |
8 |
3 |
1 |
M80×2 |
— |
AHX 215 |
KM 16 |
|
|
|
45 |
49 |
78.17 |
77.5 |
11 |
8 |
3 |
1 |
M80×2 |
0.313 |
AHX 315 |
KM 16 |
|
|
|
68 |
72 |
79.75 |
79.0 |
15 |
12 |
3 |
1 |
M80×2 |
0.534 |
AHX 2315 |
KM 16 |
|
|
|
|
|
|
|
|
|
|
|
|
|
|
|
|
75 |
80 |
35.5 |
39 |
82.33 |
81.5 |
11 |
8 |
3 |
1 |
M90×2 |
— |
AH 216 |
KM 18 |
|
|
|
48 |
52 |
83.42 |
82.5 |
11 |
8 |
3 |
1 |
M90×2 |
0.365 |
AH 316 |
KM 18 |
|
|
|
71 |
75 |
85.00 |
84.5 |
15 |
12 |
3 |
1 |
M90×2 |
0.597 |
AH 2316 |
KM 18 |
|
|
|
|
|
|
|
|
|
|
|
|
|
|
|
|
80 |
85 |
38.5 |
42 |
87.50 |
87.0 |
12 |
9 |
3 |
1 |
M95×2 |
— |
AH 217 |
KM 19 |
|
|
|
52 |
56 |
88.67 |
88.0 |
12 |
9 |
3 |
1 |
M95×2 |
0.429 |
AH 317 |
KM 19 |
|
|
|
74 |
78 |
90.17 |
89.5 |
16 |
13 |
3 |
1 |
M95×2 |
0.69 |
AH 2317 |
KM 19 |
|
|
|
|
|
|
|
|
|
|
|
|
|
|
|
|
85 |
90 |
40 |
44 |
92.67 |
92.0 |
12 |
9 |
3 |
1 |
M100×2 |
— |
AH 218 |
KM 20 |
|
|
|
53 |
57 |
93.75 |
93.0 |
12 |
9 |
3 |
1 |
M100×2 |
0.461 |
AH 318 |
KM 20 |
|
|
|
63 |
67 |
94.50 |
94.0 |
13 |
10 |
3 |
1 |
M100×2 |
0.576 |
AH 3218 |
KM 20 |
|
|
|
79 |
83 |
95.50 |
95.0 |
17 |
14 |
3 |
1 |
M100×2 |
0.779 |
AH 2318 |
KM 20 |
|
|
|
|
|
|
|
|
|
|
|
|
|
|
|
|
90 |
95 |
43 |
47 |
97.83 |
97.0 |
13 |
10 |
4 |
1 |
M105×2 |
— |
AH 219 |
KM 21 |
|
|
|
57 |
61 |
99.00 |
98.5 |
13 |
10 |
4 |
1 |
M105×2 |
0.532 |
AH 319 |
KM 21 |
|
|
|
67 |
71 |
99.75 |
99.0 |
14 |
11 |
4 |
1 |
M105×2 |
— |
AH 3219 |
KM 21 |
|
|
|
85 |
89 |
100.83 |
100.0 |
19 |
16 |
4 |
1 |
M105×2 |
0.886 |
AH 2319 |
KM 21 |
|
|
|
|
|
|
|
|
|
|
|
|
|
|
|
|
95 |
100 |
45 |
49 |
103.00 |
102.5 |
13 |
10 |
4 |
1 |
M110×2 |
— |
AH 220 |
KM 22 |
|
|
|
59 |
63 |
104.17 |
103.5 |
13 |
10 |
4 |
1 |
M110×2 |
0.582 |
AH 320 |
KM 22 |
|
|
|
64 |
68 |
104.50 |
104.0 |
14 |
11 |
4 |
1 |
M110×2 |
0.650 |
AH 3120 |
KM 22 |
|
|
|
73 |
77 |
105.25 |
104.5 |
14 |
11 |
4 |
1 |
M110×2 |
0.767 |
AH 3220 |
KM 22 |
|
|
|
90 |
94 |
106.25 |
105.5 |
19 |
16 |
4 |
1 |
M110×2 |
0.998 |
AH 2320 |
KM 22 |
|
|
|
|
|
|
|
|
|
|
|
|
|
|
|
|
100 |
105 |
78 |
82 |
110.67 |
|
|
11 |
4 |
|
M110×2 |
|
AH 3221 |
KM 23 |
|
|
|
|
|
|
|
|
|
|
|
|
|
|
|
|
105 |
110 |
50 |
54 |
113.23 |
112.5 |
14 |
11 |
4 |
1 |
M120×2 |
— |
AH 222 |
KM 24 |
|
|
|
63 |
67 |
114.33 |
113.5 |
15 |
12 |
4 |
1 |
M120×2 |
0.663 |
AH 322 |
KM 24 |
|
|
|
68 |
72 |
114.83 |
114.0 |
14 |
11 |
4 |
1 |
M120×2 |
0.760 |
AH 3122 |
KM 24 |
|
|
|
82 |
86 |
116.00 |
115.5 |
14 |
11 |
4 |
1 |
M120×2 |
0.883 |
AHX 3222 |
KM 24 |
|
|
|
98 |
102 |
116.92 |
116.0 |
19 |
16 |
4 |
1 |
M120×2 |
0.350 |
AHX 2322 |
KM 24 |
|
|
|
|
|
|
|
|
|
|
|
|
|
|
|
|
115 |
120 |
53 |
57 |
123.50 |
123.0 |
15 |
12 |
4 |
1 |
M130×2 |
— |
AH 224 |
KM 26 |
|
|
|
60 |
64 |
124.00 |
123.5 |
16 |
13 |
4 |
1 |
M130×2 |
0.750 |
AH 3024 |
KM 26 |
|
|
|
69 |
73 |
124.75 |
124.0 |
16 |
13 |
4 |
1 |
M130×2 |
— |
AH 324 |
KM 26 |
|
|
|
75 |
79 |
125.33 |
124.0 |
15 |
12 |
4 |
1 |
M130×2 |
0.950 |
AH 3124 |
KM 26 |
|
|
|
90 |
94 |
126.50 |
126.0 |
16 |
13 |
4 |
1 |
M130×2 |
1.110 |
AHX 3224 |
KM 26 |
|
|
|
105 |
109 |
127.42 |
126.5 |
20 |
17 |
4 |
1 |
M130×2 |
1.600 |
AHX 2324 |
KM 26 |
|
|
|
|
|
|
|
|
|
|
|
|
|
|
|
|
125 |
130 |
53 |
57 |
133.50 |
133.0 |
15 |
12 |
4 |
1 |
M140×2 |
— |
AH 226 |
KM 28 |
|
|
|
67 |
71 |
134.50 |
134.0 |
17 |
14 |
4 |
1 |
M140×2 |
0.930 |
AH 3026 |
KM 28 |
|
|
|
74 |
78 |
135.08 |
134.5 |
17 |
14 |
4 |
1 |
M140×2 |
— |
AH 326 |
KM 28 |
|
|
|
78 |
82 |
135.58 |
135.0 |
15 |
12 |
4 |
1 |
M140×2 |
1.080 |
AH 3126 |
KM 28 |
|
|
|
98 |
102 |
137.00 |
136.5 |
18 |
15 |
4 |
1 |
M140×2 |
1.580 |
AHX 3226 |
KM 28 |
|
|
|
115 |
119 |
138.08 |
137.5 |
22 |
19 |
4 |
1 |
M140×2 |
1.970 |
AHX 2326 |
KM 28 |
|
|
|
|
|
|
|
|
|
|
|
|
|
|
|
|
135 |
140 |
56 |
61 |
143.75 |
143.0 |
16 |
13 |
4 |
1 |
M150×2 |
— |
AH 228 |
KM 30 |
|
|
|
68 |
73 |
144.67 |
144.0 |
17 |
14 |
4 |
1 |
M150×2 |
1.010 |
AH 3028 |
KM 30 |
|
|
|
77 |
82 |
145.42 |
144.5 |
17 |
14 |
4 |
1 |
M150×2 |
— |
AH 328 |
KM 30 |
|
|
|
83 |
88 |
145.92 |
145.0 |
17 |
14 |
4 |
1 |
M150×2 |
1.280 |
AH 3128 |
KM 30 |
|
|
|
104 |
109 |
147.58 |
147.0 |
18 |
15 |
4 |
1 |
M150×2 |
1.840 |
AHX 3228 |
KM 30 |
|
|
|
125 |
130 |
148.92 |
148.0 |
23 |
20 |
4 |
1 |
M150×2 |
2.330 |
AHX 2328 |
KM 30 |
|
|
|
|
|
|
|
|
|
|
|
|
|
|
|
|
145 |
150 |
60 |
65 |
154.00 |
153.5 |
17 |
14 |
4 |
1 |
M160×3 |
— |
AH 230 |
KM 32 |
|
|
|
72 |
77 |
154.92 |
154.0 |
18 |
15 |
4 |
1 |
M160×3 |
1.150 |
AH 3030 |
KM 32 |
|
|
|
83 |
88 |
155.83 |
155.0 |
18 |
15 |
4 |
1 |
M160×3 |
— |
AHX 330 |
KM 32 |
|
|
|
96 |
101 |
156.92 |
156.0 |
18 |
15 |
4 |
1 |
M160×3 |
1.790 |
AHX 3130 |
KM 32 |
|
|
|
114 |
119 |
158.25 |
157.5 |
20 |
17 |
4 |
1 |
M160×3 |
2.220 |
AHX 3230 |
KM 32 |
|
|
|
135 |
140 |
159.42 |
158.5 |
27 |
24 |
4 |
1 |
M160×3 |
2.820 |
AHX 2330 |
KM 32 |
|
|
|
|
|
|
|
|
|
|
|
|
|
|
|
|
150 |
160 |
64 |
69 |
164.25 |
163.0 |
18 |
15 |
5 |
2 |
M170×3 |
— |
AH 232 |
KM 34 |
|
|
|
77 |
82 |
165.25 |
164.0 |
19 |
16 |
5 |
2 |
M170×3 |
2.060 |
AH 3032 |
KM 34 |
|
|
|
88 |
93 |
166.17 |
165.0 |
19 |
16 |
5 |
2 |
M170×3 |
— |
AHX 332 |
KM 34 |
|
|
|
103 |
108 |
167.42 |
166.0 |
19 |
16 |
5 |
2 |
M170×3 |
2.870 |
AHX 3132 |
KM 34 |
|
|
|
124 |
130 |
168.92 |
167.0 |
23 |
20 |
5 |
2 |
M170×3 |
4.080 |
AHX 3232 |
KM 34 |
|
|
|
140 |
146 |
169.92 |
168.0 |
27 |
24 |
5 |
2 |
M170×3 |
4.72 |
AHX 2332 |
KM 34 |
|
|
|
|
|
|
|
|
|
|
|
|
|
|
|
|
160 |
170 |
69 |
74 |
174.58 |
173.0 |
19 |
16 |
5 |
2 |
M180×3 |
— |
AH 234 |
KM 36 |
|
|
|
85 |
90 |
175.83 |
174.0 |
20 |
17 |
5 |
2 |
M180×3 |
2.430 |
AH 3034 |
KM 36 |
|
|
|
93 |
98 |
176.50 |
175.0 |
20 |
17 |
5 |
2 |
M180×3 |
— |
AHX 334 |
KM 36 |
|
|
|
104 |
109 |
177.00 |
176.0 |
19 |
16 |
5 |
2 |
M180×3 |
3.040 |
AHX 3134 |
KM 36 |
|
|
|
134 |
140 |
179.42 |
178.0 |
27 |
24 |
5 |
2 |
M180×3 |
4.80 |
AHX 3234 |
KM 36 |
|
|
|
146 |
152 |
180.42 |
179.0 |
27 |
24 |
5 |
2 |
M180×3 |
5.25 |
AHX 2334 |
KM 36 |
|
|
|
59 |
64 |
173.67 |
|
|
13 |
5 |
|
M180×3 |
|
AH 3934 |
KML36 |

