|
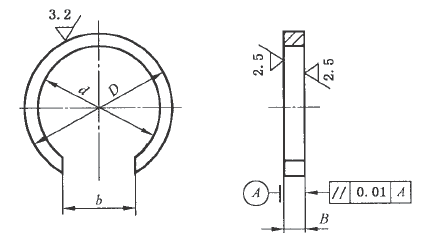
止推环的结构型式和外形尺寸(GB/T 7813—2018) |
|||||||||
|
mm |
|||||||||
|
型 号 |
外形尺寸 |
型 号 |
外形尺寸 |
||||||
|
D |
d |
B |
b |
D |
d |
B |
b |
||
|
SR 52×5 |
52 |
45 |
5 |
32 |
SR 190×10 |
190 |
173 |
10 |
130 |
|
SR 52×7 |
52 |
45 |
7 |
32 |
SR 190×15.5 |
190 |
173 |
15.5 |
130 |
|
SR 62×7 |
62 |
54 |
7 |
38 |
SR 200×10 |
200 |
180 |
10 |
130 |
|
SR 62×8.5 |
62 |
54 |
8.5 |
38 |
SR 200×13.5 |
200 |
180 |
13.5 |
130 |
|
SR 62×10 |
62 |
54 |
10 |
38 |
SR 200×16 |
200 |
180 |
16 |
130 |
|
SR 72×8 |
72 |
64 |
8 |
47 |
SR 200×21 |
200 |
180 |
21 |
130 |
|
SR 72×9 |
72 |
64 |
9 |
47 |
SR 215×10 |
215 |
195 |
10 |
140 |
|
SR 72×10 |
72 |
64 |
10 |
47 |
SR 215×14 |
215 |
195 |
14 |
140 |
|
SR 80×7.5 |
80 |
70 |
7.5 |
52 |
SR 215×18 |
215 |
195 |
18 |
140 |
|
SR 80×10 |
80 |
70 |
10 |
52 |
SR 230×10 |
230 |
210 |
10 |
150 |
|
SR 85×6 |
85 |
75 |
6 |
57 |
SR 230×13 |
230 |
210 |
13 |
150 |
|
SR 85×8 |
85 |
75 |
8 |
57 |
SR 240×10 |
240 |
218 |
10 |
150 |
|
SR 90×6.5 |
90 |
80 |
6.5 |
62 |
SR 240×20 |
240 |
218 |
20 |
150 |
|
SR 90×10 |
90 |
80 |
10 |
62 |
SR 250×10 |
250 |
230 |
10 |
160 |
|
SR 100×6 |
100 |
90 |
6 |
68 |
SR 250×15 |
250 |
230 |
15 |
160 |
|
SR 100×8 |
100 |
90 |
8 |
68 |
SR 260×10 |
260 |
238 |
10 |
170 |
|
SR 100×10 |
100 |
90 |
10 |
68 |
SR 270×10 |
270 |
248 |
10 |
170 |
|
SR 100×10.5 |
100 |
90 |
10.5 |
68 |
SR 270×16.5 |
270 |
248 |
16.5 |
170 |
|
SR 110×8 |
110 |
99 |
8 |
73 |
SR 280×10 |
280 |
255 |
10 |
170 |
|
SR 110×10 |
110 |
99 |
10 |
73 |
SR 290×10 |
290 |
268 |
10 |
180 |
|
SR 110×11.5 |
110 |
99 |
11.5 |
73 |
SR 290×17 |
290 |
268 |
17 |
180 |
|
SR 120×10 |
120 |
108 |
10 |
78 |
SR 300×10 |
300 |
275 |
10 |
190 |
|
SR 120×12 |
120 |
108 |
12 |
78 |
SR 310×5 |
310 |
285 |
5 |
190 |
|
SR 125×10 |
125 |
113 |
10 |
84 |
SR 310×10 |
310 |
285 |
10 |
190 |
|
SR 125×13 |
125 |
113 |
13 |
84 |
SR 320×5 |
320 |
296 |
5 |
200 |
|
SR 130×8 |
130 |
118 |
8 |
88 |
SR 320×10 |
320 |
296 |
10 |
200 |
|
SR 130×10 |
130 |
118 |
10 |
88 |
SR 340×5 |
340 |
314 |
5 |
210 |
|
SR 130×12.5 |
130 |
118 |
12.5 |
88 |
SR 340×10 |
340 |
314 |
10 |
210 |
|
SR 140×8.5 |
140 |
127 |
8.5 |
93 |
SR 360×6 |
360 |
332 |
5 |
210 |
|
SR 140×10 |
140 |
127 |
10 |
93 |
SR 360×10 |
360 |
332 |
10 |
210 |
|
SR 140×12.5 |
140 |
127 |
12.5 |
93 |
SR 370×10 |
370 |
337 |
10 |
210 |
|
SR 150×9 |
150 |
135 |
9 |
98 |
SR 380×5 |
380 |
342 |
5 |
210 |
|
SR 150×10 |
150 |
135 |
10 |
98 |
SR 400×5 |
400 |
369 |
5 |
210 |
|
SR 150×13 |
150 |
135 |
13 |
98 |
SR 400×10 |
400 |
369 |
10 |
210 |
|
SR 160×10 |
160 |
144 |
10 |
105 |
SR 420×5 |
420 |
379 |
5 |
220 |
|
SR 160×11.2 |
160 |
144 |
11.2 |
105 |
SR 440×5 |
440 |
420 |
5 |
220 |
|
SR 160×14 |
160 |
144 |
14 |
105 |
SR 440×10 |
440 |
420 |
10 |
220 |
|
SR 160×16.2 |
160 |
144 |
16.2 |
105 |
SR 460×5 |
460 |
430 |
5 |
200 |
|
SR 170×10 |
170 |
154 |
10 |
112 |
SR 460×10 |
460 |
430 |
10 |
200 |
|
SR 170×10.5 |
170 |
154 |
10.5 |
112 |
SR 480×5 |
480 |
451 |
5 |
240 |
|
SR 170×14.5 |
170 |
154 |
14.5 |
112 |
SR 500×5 |
500 |
461 |
5 |
220 |
|
SR 180×10 |
180 |
163 |
10 |
120 |
SR 500×10 |
500 |
461 |
10 |
220 |
|
SR 180×12.1 |
180 |
163 |
12.1 |
120 |
SR 540×5 |
540 |
487 |
5 |
240 |
|
SR 180×14.5 |
180 |
163 |
14.5 |
120 |
SR 540×10 |
540 |
487 |
10 |
240 |
|
SR 180×18.1 |
180 |
163 |
18.1 |
120 |
SR 580×5 |
580 |
524 |
5 |
260 |

